- 您的位置:
- 标准下载网 >>
- 标准分类 >>
- 电子行业标准(SJ) >>
- SJ 20470.2-1998 40PHX120型波导转换驱动器详细规范
标准号:
SJ 20470.2-1998
标准名称:
40PHX120型波导转换驱动器详细规范
标准类别:
电子行业标准(SJ)
标准状态:
现行出版语种:
简体中文下载格式:
.rar .pdf下载大小:
148.83 KB

部分标准内容:
中华人民共和国电子行业军用标准FL5990
SJ 20470/2 — 1998
40PHX120型波导转换驱动器
详细规范
Driver of waveguide switch, type 40 PHX120,detail specification for
1998-03-11发布
1998-05-01实施
中华人民共和国电子工业部批准中华人民共和国电子行业军用标准40PHX120型波导转换驱动器详细规范Driver of waveguide switch, type 40 PHX120,detail specification for
SI 20470/2--1998
本规范规定的40PHX120型波导转换驱动器,其全部要求由本规范和SI20470-1994《波导转换驱动器通用规范》作出规定。1范围
1.1主题内容
本规范规定了军用40PHX120型波导转换驱动器(以下简称驱动器)的详细要求。1.1适用范围
本规范适用于军用40PHX120型波导转换驱动器。2引用文件
GIB 361A一97控制电机通用规范SJ204701994波导转换驱动器通用规范3要求
3.1使用环境条件
环境温度:-55~85℃;
相对湿度:92%~98%
大气压力:4.39kPa~106kPae
3.2军用标记
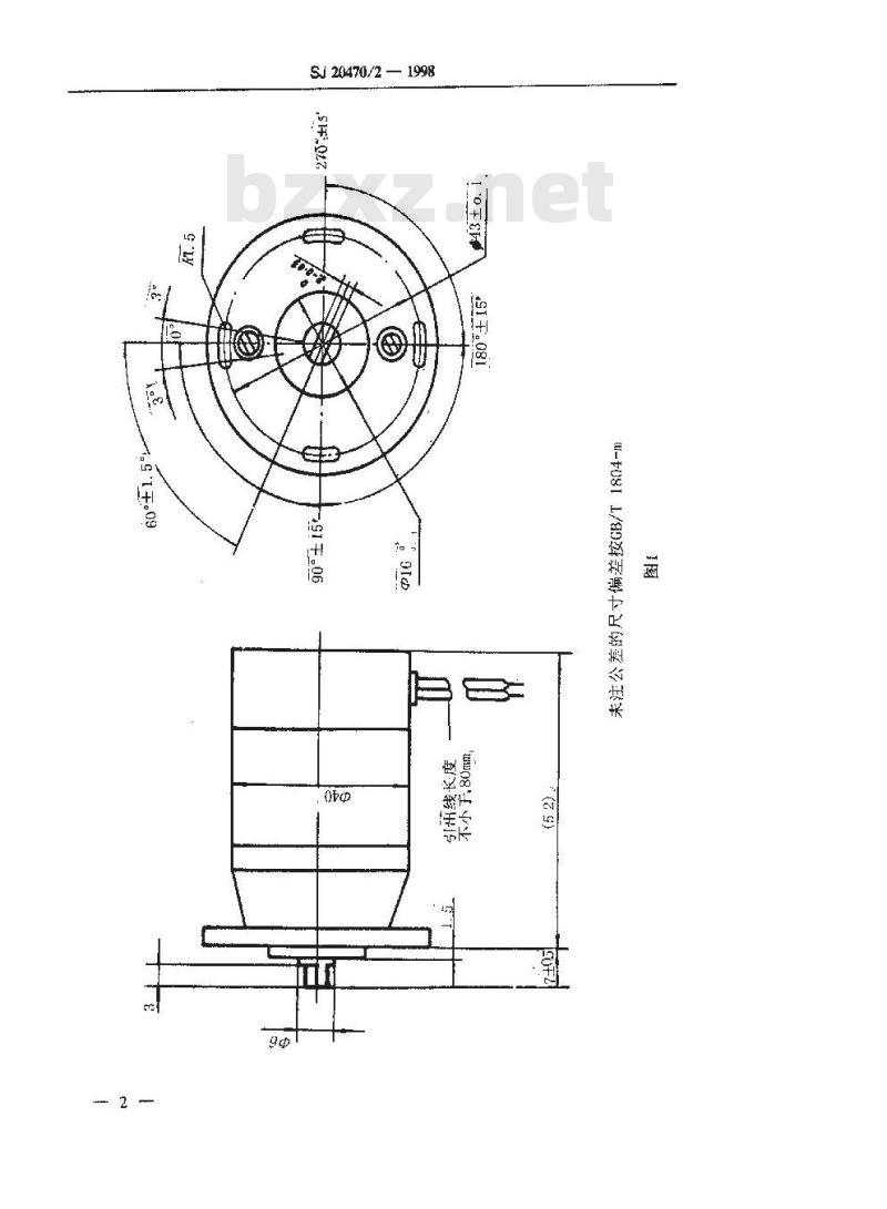
在名牌上方用印刷汉语拼音字母“J”表示。3.3外形及安装尺寸
驱动器的外形及安装尺寸应符合图1的规定。中华人民共和国电子工业部1998-03-11发布1998 - 05 - 01实施
TYKAONKAca-
SJ 20470/2 — 1998
,SF:027
-91±。06
,9。09
3.4引出线标记及强度
SJ 20470/2 — 1998
引出线正极为红色,负极为白色。引出线应兼爱9N的拉力,试验后引出线不应与机体分开,绝缘不应损坏。
3.5旋转方向
驱动器按规定极性通电时,从轴伸端视之,应顺时针方向旋转。3.6额定数据及性能
驱动器的额定数据及性能应符合表1的规定。项
3.7温升
额定电压
额定电流
璇转角度
额定转矩
直流电阻
120 ±1.5
100 ± 10
在额定值的恒定直流电压下,驱动器处于静止状态,其稳定温升应不超过75K。安装支架尺寸应符合GJB361A中4.6.15的规定。配合安装孔及螺孔位置按图1相应尺寸配置。3.8绝缘电用
在试验的标准大气条件下,驱动器的绝缘电阻应不低于50M2;在湿热条件下应不低于1M2:在高温条件下应不低于10M。3.9绝缘介电强度
在试验的标准大气条件下,驱动器应能承受50Hz,300V的正弦波试验电压1min,试验时应无击穿和飞弧现象发生。
3.10恒定湿热
驱动器应能承受温度为40+2℃,相对湿度为92%~98%的恒定湿热试验48h。试验后,绝缘电阻应符合3.8的规定,表面及轴伸应无明显锈蚀现象,并应能正常工作。3.11低气压
驱动器应能承爱温度为35±2℃,气压为4.39kPa的低气压试验1.5h。然后在额定电压下通电30min,在试验箱内驱动器应能正常工作。3.12振动
驱动器应能承受GJB361A中3.24中试验条件B规定的振动试验,三个互相垂直的方向各振动20min,总共振动1h,试验过程中驱动器通电,在每个方向试验时至少检查--次驱动器转动是否正常。试验后所有紧固件应无松动,额定数据应符合3.6中1~4项的规定。3.13冲击
驱动器应能承受加速度为60m/s2,频率为60~80次/分的冲击试验,三个互相垂直的厅向各冲击2000次,总共冲击6000次,试验过程中驱动器通电,在每个方向试验时至少检查3
HTTKAONKAca-
SI 20470/2 --- 1998
一次驱动器转动是否正常。试验后所有紧固件应无松动,额定数据应符合3.6中1~4项的规定。
3.14稳态加速度
驱动器应能承受GJB361A中3.26规定的试验,加速度为200m/g三个互相垂直的方向各5min,总共试验15min,试验过程中驱动器通电,并在每个方向试验时至少检查一次驱动器转动是否正常。试验后所有紧固件应无松动,额定数据应符合3.6中1~4项的规定。3.15寿命免费标准bzxz.net
3.15.1转换次数
驱动器在额定电压下,以1H的转换频率连续工作2000次后,驱动器应能正常工作,旋转弟度应不大于122°
3.15.2累计工作时间
驱动器水平安装在专用夹具上,在额定电压下断续通电工作,累计工作时间不少于2000h,试验后驱动器应能正常工作,旋转角度不大于122°。4质量保证规定
质量保证规定应符合SJ20470中第4章的规定和以下细节。4.1试验方法
4.1.1寿命
按SJ20470中第4.6.19的规定进行,其中平均周期不大于1h,转换次数为2000次,试验后应符合 3.15.1和 3. [5,2 的要求。附加说明:
本规范由中国电子技术标准化研究所归口。本规范由国营第九0六厂负责起草。本规范主要起草人:鄂廣、史宪斌。本规范项目代号:B62024。
小提示:此标准内容仅展示完整标准里的部分截取内容,若需要完整标准请到上方自行免费下载完整标准文档。
SJ 20470/2 — 1998
40PHX120型波导转换驱动器
详细规范
Driver of waveguide switch, type 40 PHX120,detail specification for
1998-03-11发布
1998-05-01实施
中华人民共和国电子工业部批准中华人民共和国电子行业军用标准40PHX120型波导转换驱动器详细规范Driver of waveguide switch, type 40 PHX120,detail specification for
SI 20470/2--1998
本规范规定的40PHX120型波导转换驱动器,其全部要求由本规范和SI20470-1994《波导转换驱动器通用规范》作出规定。1范围
1.1主题内容
本规范规定了军用40PHX120型波导转换驱动器(以下简称驱动器)的详细要求。1.1适用范围
本规范适用于军用40PHX120型波导转换驱动器。2引用文件
GIB 361A一97控制电机通用规范SJ204701994波导转换驱动器通用规范3要求
3.1使用环境条件
环境温度:-55~85℃;
相对湿度:92%~98%
大气压力:4.39kPa~106kPae
3.2军用标记
在名牌上方用印刷汉语拼音字母“J”表示。3.3外形及安装尺寸
驱动器的外形及安装尺寸应符合图1的规定。中华人民共和国电子工业部1998-03-11发布1998 - 05 - 01实施
TYKAONKAca-
SJ 20470/2 — 1998
,SF:027
-91±。06
,9。09
3.4引出线标记及强度
SJ 20470/2 — 1998
引出线正极为红色,负极为白色。引出线应兼爱9N的拉力,试验后引出线不应与机体分开,绝缘不应损坏。
3.5旋转方向
驱动器按规定极性通电时,从轴伸端视之,应顺时针方向旋转。3.6额定数据及性能
驱动器的额定数据及性能应符合表1的规定。项
3.7温升
额定电压
额定电流
璇转角度
额定转矩
直流电阻
120 ±1.5
100 ± 10
在额定值的恒定直流电压下,驱动器处于静止状态,其稳定温升应不超过75K。安装支架尺寸应符合GJB361A中4.6.15的规定。配合安装孔及螺孔位置按图1相应尺寸配置。3.8绝缘电用
在试验的标准大气条件下,驱动器的绝缘电阻应不低于50M2;在湿热条件下应不低于1M2:在高温条件下应不低于10M。3.9绝缘介电强度
在试验的标准大气条件下,驱动器应能承受50Hz,300V的正弦波试验电压1min,试验时应无击穿和飞弧现象发生。
3.10恒定湿热
驱动器应能承受温度为40+2℃,相对湿度为92%~98%的恒定湿热试验48h。试验后,绝缘电阻应符合3.8的规定,表面及轴伸应无明显锈蚀现象,并应能正常工作。3.11低气压
驱动器应能承爱温度为35±2℃,气压为4.39kPa的低气压试验1.5h。然后在额定电压下通电30min,在试验箱内驱动器应能正常工作。3.12振动
驱动器应能承受GJB361A中3.24中试验条件B规定的振动试验,三个互相垂直的方向各振动20min,总共振动1h,试验过程中驱动器通电,在每个方向试验时至少检查--次驱动器转动是否正常。试验后所有紧固件应无松动,额定数据应符合3.6中1~4项的规定。3.13冲击
驱动器应能承受加速度为60m/s2,频率为60~80次/分的冲击试验,三个互相垂直的厅向各冲击2000次,总共冲击6000次,试验过程中驱动器通电,在每个方向试验时至少检查3
HTTKAONKAca-
SI 20470/2 --- 1998
一次驱动器转动是否正常。试验后所有紧固件应无松动,额定数据应符合3.6中1~4项的规定。
3.14稳态加速度
驱动器应能承受GJB361A中3.26规定的试验,加速度为200m/g三个互相垂直的方向各5min,总共试验15min,试验过程中驱动器通电,并在每个方向试验时至少检查一次驱动器转动是否正常。试验后所有紧固件应无松动,额定数据应符合3.6中1~4项的规定。3.15寿命免费标准bzxz.net
3.15.1转换次数
驱动器在额定电压下,以1H的转换频率连续工作2000次后,驱动器应能正常工作,旋转弟度应不大于122°
3.15.2累计工作时间
驱动器水平安装在专用夹具上,在额定电压下断续通电工作,累计工作时间不少于2000h,试验后驱动器应能正常工作,旋转角度不大于122°。4质量保证规定
质量保证规定应符合SJ20470中第4章的规定和以下细节。4.1试验方法
4.1.1寿命
按SJ20470中第4.6.19的规定进行,其中平均周期不大于1h,转换次数为2000次,试验后应符合 3.15.1和 3. [5,2 的要求。附加说明:
本规范由中国电子技术标准化研究所归口。本规范由国营第九0六厂负责起草。本规范主要起草人:鄂廣、史宪斌。本规范项目代号:B62024。
小提示:此标准内容仅展示完整标准里的部分截取内容,若需要完整标准请到上方自行免费下载完整标准文档。

标准图片预览:





- 热门标准
- 行业标准
- SJ20811-2002 压阻式加速度传感器总规范
- SJ2588-1985 BSH12~14-1L、BSH12~14-2L型一体化回扫变压器
- SJ933-1975 半导体调幅广播收音机用输出输入变压器
- SJ/T11259-2001 制冷机低温泵总规范
- SJ/T31291-1994 CHJ-S-2型超声波塑料焊接机完好要求和检查评定方法
- SJ1007-75 双动冲床引伸模 上压板
- SJ/T31248-1994 CLS-37型激交调阻机完好要求和检查评定方法
- SJ/T31279-1994 WLD-T1型无感式电容器引线自动焊接机完好要求和检查评定方法
- SJ/T31280-1994 隧道式电容器清洗机完好要求和检查评定方法
- SJ/T31360-1994 箱体成形折弯机完好要求和检查评定方法
- SJ/Z9094.4-1987 地面无线电接力系统所用设备的测量方法 第二部分:分系统的测量 第三章 射频分支网络
- SJ/T31254-1994 自动绕片机完好要求和检查评定方法
- SJ/T10980-1996 电子器件详细规范 2CC23、2CC28型硅调谐变容二极管(可供认证用)
- SJ3039.1-1988 组合冲模 90°特形弯曲刃口合件
- SJ1011-1975 手柄翻开式钻模 压板
- 行业新闻
请牢记:“bzxz.net”即是“标准下载”四个汉字汉语拼音首字母与国际顶级域名“.net”的组合。 ©2009 标准下载网 www.bzxz.net 本站邮件:bzxznet@163.com
网站备案号:湘ICP备2023016450号-1
网站备案号:湘ICP备2023016450号-1