- 您的位置:
- 标准下载网 >>
- 标准分类 >>
- 机械行业标准(JB) >>
- JB/T 6381.3-1992 锥密封焊接式直通圆柱管螺纹管接头
标准号:
JB/T 6381.3-1992
标准名称:
锥密封焊接式直通圆柱管螺纹管接头
标准类别:
机械行业标准(JB)
英文名称:
Cone seal welded straight cylindrical pipe threaded pipe fittings标准状态:
已作废-
发布日期:
1992-07-14 -
实施日期:
1993-07-01 -
作废日期:
2007-09-01 出版语种:
简体中文下载格式:
.rar.pdf下载大小:
392.52 KB
替代情况:
被JB/T 6381.3-2007替代
点击下载
标准简介:
标准下载解压密码:www.bzxz.net
本标准规定了锥密封焊接式直通圆锥管螺纹管接头的分类。 JB/T 6381.3-1992 锥密封焊接式直通圆柱管螺纹管接头 JB/T6381.3-1992
部分标准内容:
中华人民共和国机械行业标准
JB/T6381.3-1992
锥密封焊接式直通圆锥管螺纹管接头1992-07-14发布
中华人民共和国机械电子工业部1993-07-01实施
中华人民共和国机械行业标准
锥密封焊接式直通圆锥管螺纹管接头1主题内容与适用范围
本标准规定了锥密封焊接式直通圆锥管螺纹管接头的分类。JB/T6381.3-1992
本标准适用于以油、气为介质管路系统中锥密封焊接式直通圆锥管螺纹管接头。公称压力PN≤16MPa,工作温度-25~+80℃。
:引用标准
GB1414
GB2346
GB2878
GB5865
JB/T6386
3产品分类下载标准就来标准下载网
管路旋入端用普通螺纹尺寸系列液压气动系统及元件公称压力系列液压气动系统和元件油(气)口连接螺纹尺寸润滑系统及元件基本参数
锥密封焊接式管接头技术条件
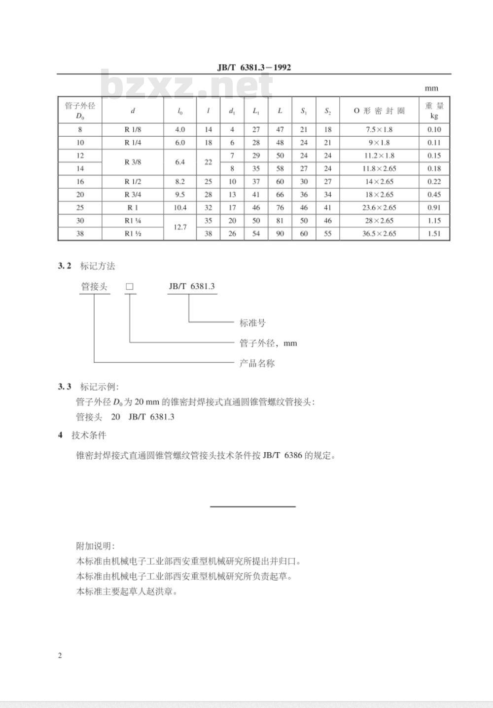
锥密封焊接式直通圆锥管螺纹管接头的型式、尺寸按图和表的规定。3.1
机械电子工业部1992-07-14批准1993-07-01实施
管子外径
标记方法
管接头
标记示例:
JB/T6381.3
JB/T6381.31992
标准号
管子外径,mm
产品名称
管子外径D。为20mm的锥密封焊接式直通圆锥管螺纹管接头:管接头
JB/T 6381.3
技术条件
锥密封焊接式直通圆锥管螺纹管接头技术条件按JB/T6386的规定。附加说明:
本标准由机械电子工业部西安重型机械研究所提出并归口。本标准由机械电子工业部西安重型机械研究所负责起草。本标准主要起草人赵洪章。
o形密封圈
11.2×1.8
11.8×2.65
23.6×2.65
36.5×2.65
小提示:此标准内容仅展示完整标准里的部分截取内容,若需要完整标准请到上方自行免费下载完整标准文档。
JB/T6381.3-1992
锥密封焊接式直通圆锥管螺纹管接头1992-07-14发布
中华人民共和国机械电子工业部1993-07-01实施
中华人民共和国机械行业标准
锥密封焊接式直通圆锥管螺纹管接头1主题内容与适用范围
本标准规定了锥密封焊接式直通圆锥管螺纹管接头的分类。JB/T6381.3-1992
本标准适用于以油、气为介质管路系统中锥密封焊接式直通圆锥管螺纹管接头。公称压力PN≤16MPa,工作温度-25~+80℃。
:引用标准
GB1414
GB2346
GB2878
GB5865
JB/T6386
3产品分类下载标准就来标准下载网
管路旋入端用普通螺纹尺寸系列液压气动系统及元件公称压力系列液压气动系统和元件油(气)口连接螺纹尺寸润滑系统及元件基本参数
锥密封焊接式管接头技术条件
锥密封焊接式直通圆锥管螺纹管接头的型式、尺寸按图和表的规定。3.1
机械电子工业部1992-07-14批准1993-07-01实施
管子外径
标记方法
管接头
标记示例:
JB/T6381.3
JB/T6381.31992
标准号
管子外径,mm
产品名称
管子外径D。为20mm的锥密封焊接式直通圆锥管螺纹管接头:管接头
JB/T 6381.3
技术条件
锥密封焊接式直通圆锥管螺纹管接头技术条件按JB/T6386的规定。附加说明:
本标准由机械电子工业部西安重型机械研究所提出并归口。本标准由机械电子工业部西安重型机械研究所负责起草。本标准主要起草人赵洪章。
o形密封圈
11.2×1.8
11.8×2.65
23.6×2.65
36.5×2.65
小提示:此标准内容仅展示完整标准里的部分截取内容,若需要完整标准请到上方自行免费下载完整标准文档。
标准图片预览:



- 其它标准
- 热门标准
- 机械行业标准(JB)
- JB/T10056-1999 直流电流互感器 技术条件
- JB/T2756-2006 无轨电车用炭滑块
- JB/T8679-2008 炭弧气刨炭棒 物理及使用性能试验方法
- JB/T7895-2008 永磁筒式磁选机
- JB/T8840-2013 电热器具用电源开关
- JB/T11340.3-2012 阀控式铅酸蓄电池安全阀 第3部分:橡胶帽、阀芯
- JB/T6316-2006 Z4系列直流电动机技术条件(机座号100~450)
- JB/T4328.10-1999 电工专用设备 球墨铸铁件通用技术条件
- JB/T9713-1999 工程机械 湿式铜基摩擦件 技术条件
- JB∕T12675-2016 拖拉机液压系统清洁度限值及测量方法
- JB/T10677-2006 投影机 光源
- JB/T9580-2008 炭石墨 产品分类及型号编制方法
- JB/T10930-2010 200级耐电晕漆包铜圆线
- JB/T10573-2006 工具显微镜
- JB∕T12848-2016 拖拉机性能试验用跑道要求
- 行业新闻
请牢记:“bzxz.net”即是“标准下载”四个汉字汉语拼音首字母与国际顶级域名“.net”的组合。 ©2025 标准下载网 www.bzxz.net 本站邮件:bzxznet@163.com
网站备案号:湘ICP备2025141790号-2
网站备案号:湘ICP备2025141790号-2