- 您的位置:
- 标准下载网 >>
- 标准分类 >>
- 商检行业标准(SN) >>
- SN/T 2207-2008 进出口食品添加剂酒石酸中砷、钙、铅含量的测定 电感耦合等离子体原子发射光谱法
【商检行业标准(SN)】 进出口食品添加剂酒石酸中砷、钙、铅含量的测定 电感耦合等离子体原子发射光谱法
本网站 发布时间:
2024-06-28 03:42:23
- SN/T2207-2008
- 现行
- 点击下载此标准
标准号:
SN/T 2207-2008
标准名称:
进出口食品添加剂酒石酸中砷、钙、铅含量的测定 电感耦合等离子体原子发射光谱法
标准类别:
商检行业标准(SN)
标准状态:
现行-
发布日期:
2008-11-18 -
实施日期:
2009-06-01 出版语种:
简体中文下载格式:
.rar.pdf下载大小:
647.83 KB
点击下载
标准简介:
标准下载解压密码:www.bzxz.net
SN/T 2207-2008 进出口食品添加剂酒石酸中砷、钙、铅含量的测定 电感耦合等离子体原子发射光谱法 SN/T2207-2008
部分标准内容:
中华人民共和国出入境检验检疫行业标准SN/T 22072008
进出口食品添加剂DL-酒石酸
中砷、钙、铅含量的测定
电感耦合等离子体原子发射光谱法Determination of arsenic,calcium,lead contentin food additive DL-tartaric acid for import and export-ICP-AES method
2008-11-18发布
中华人民共和国
国家质量监督检验检疫总局
2009-06-01实施
本标准的附录 A、附录 B为资料性附录。本标准由国家认证认可监督營理委员会提出并归口。本标准起草单位:中华人民其和国浙江出人境检验检疫局。本标准主要起草人:戴骐、朱晓雨、将永祥、章晓氨、吴艳燕、朱青青、衰晶本标准系首次发布的出入境检验检疫行业标准。SN/T2207-2008
1范围
进出口食品添加剂DL-酒石酸
中砷、钙、铅含量的测定
电感耦合等离子体原子发射光谱法SN/T 2207—2008
本标准规定广食品漆加剂DI.酒石酸中砷、钙、铅含星的电感耦合等离子体原子发射光谱法测定方法。
本标准适用于食品添加剂DI酒石酸中种,钙、铅合量的测定2规范性引用文件
下列文件中的条款通过本标准的引用而成为女标准的条款的修改单(不包括勘误的内容)或修订版均不适用于本标准我是注日期的引用文件,其随后所有警而,鼓励根据本标准达成协议的各方研究是否可使用这些文件的最新版本。凡是不连日期的引用文件,其最新版本适用于本标准。GB/T602化学试剂杂质测定用标准陪液的制备(GB/T602—2002.ISO6353-1.1982,NEQ)GB/T6682分析实验室用水规格和试验方法(GB/T66822008,ISO3696:1987.MOD)GB15358食品添加剂di-石醇
3方法提要
试样经微波消解后,在ICI-AES相应元素波长处测量其光借强度,采用标准曲线法定量。4试剂和材料
除另有规定外,所用试剂均为优领纯:实验用水应待4.1硝酸,
中规定的二级水。
4.2硝酸溶液(1+9):景取10醋酸4.1)水量需至100L602方法配制:惑直接使用标准物质,其质量浓度4.3单元素标准储备溶液:各元素标准容液接GB/件均为 1 000 ug/ml.。
4.4混合标准溶液:分别移取1.mL铅。等、钙的单元素标准储备寄液(4.3)置于1000mI.容量瓶中,用硝酸溶液(4.2)稀释并定容至刻度混匀后分别转移到洁争乙烯瓶中,F述溶液分别为含1pg/mL的铅、砷、钙,保存在0℃~4C的冰箱中,有效期11月。4.5氟气:纯度大于等于99.99%。5仪器和设备
5.1电感耦合等离了休原了发射光谱仪5.2分析天平:感量0.001g
5.3微波消解系统。
6样品制备与保存
按GB15358的规定制备样品。试样装入法净的容器内,密封,并标明标记。试样应于室温下保存
注:在制样的操作过程中,应防山样品污架。1
SN/T 2207—200B
7测定步骤
7.1样品消解
微波消解:称取0.5g试样(精确至0.001g),置于微波消解罐中.加2.5ml.硝酸(1.1)。置微波消解系统进行消解,消解程序参见附录A。待消解罐冷却后,将溶液转移至25ml.容量瓶中,用水冲洗罐壁3次以上,合并洗液并定容至刻度,混勾。7.2仪器工作条件
仪器的参考工作条件参见附录B。7.3标准溶液
混合标准游液系列由混合标准溶液(4.4))遂级稀释而成·介质为硝酸溶液(4.2),标准溶液系列浓度见表1。
表1标准溶液系列
标准溶液系列
注:可根据样品中被测元素的实际含蛋确定标准落液系列中元素的只体浓度。7.4标准曲线
单位为微克每毫升(pg/mL))
测定试剂溶液空自的强度后,按顺序由低到高分别测定混合标准溶液系列中各元素的光谱强度,根据净光谱强度和对应的元素涨度绘制标准曲线。7.5样品测定
分别测定试样溶液中各被测元素的光谱强度,计算出各被测元素的含量。若测定结果超出标准曲线范用,以硝酸溶液(4.2)稀释后再行测定。7.6空白试验
除不加人待测试样外,其他均按上述步骤操作,8结果计算
DI-酒石酸中铅、碑、钙的含量以X,表示,按式(1)计算:X.
式中:
(c) -c)×V
DL-酒石酸中铅、砷、钙含量的质量分数,单位为老克每干克(mg/kg):试样溶液中被测元素的度,单位为微克每亳升(/mI.);空白溶液中被测元索的浓度,单位为微克每旁升(ug/mI.);试样溶液中定穿体积,单位为毫升(mI.):m-\试样的质量,单位为克(g)。9免费标准下载网bzxz
测定低限、回收率和精密度
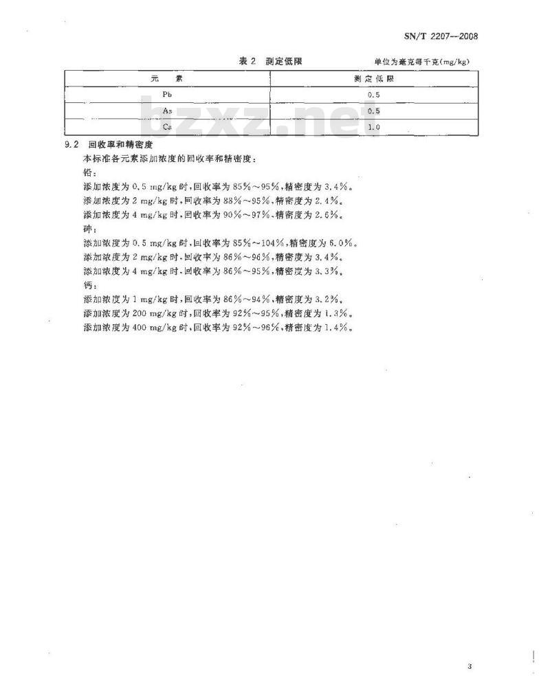
测定低限
本标准各元素的测定低限见表2。2
9.2回收率和糖密度
表2测定低限
本标准各元素添加浓度的回收率和精密度:铅:
添加浓度为0.5ing/kg时,回收率为85%~95%,精密度为3.4%。添加浓度为2mg/k时,回收率为88%~95%,精密度为2.4%。添加浓度为4mg/kg时,回收率为90%~97%精密度为2.6%。砷:
SN/T2207--2008
单位为毫克每于克(mg/kg)
测定低限
添加浓度为0.5mg/kg时,回收率为85%~104%,精密度为6.0%。添加浓度为2 mg/kg时.回收率为86%~96%,精密度为3.4%。添加浓度为4mg/kg时.回收率为86%~95%,精密度为3.3%。钙:
添加浓度为1mg/kg时,回收率为86%~94%,精密度为3.2%。添加浓度为200mg/kg时,回收率为92%~95%,精密度为1.3%。添加浓度为400mg/kg时,回收率为92%~96%,精密度为1.4%,SN/T 2207—2008
时间/tnin
功率/W
附录A
(资料性附录)
微波消解装置消解程序
表A,1
步骤1
微波消解装置消解程序!
步骤2
步骤3
1)非商业性声明:表A1所列参数足在MI.S1200MFGO微波消解系统上完成,此处列出试验用仪器型号仅是为了提供参考,并不涉及商业目的.鼓励标准使用者尝试不同厂家和型号的仪器。项
检测器
发射功率/W
工作额率/MH2
等离子气流量/(L
辅助气流量/(L
雾化气流量/(L)
积分时间/
积分饮数
待测元素分析波长/n
附录B
(资料性附录)
仪器的参考工作条件
表B,1仪器的参考工作条件1
工作参数
Vista Chip CCD
SN/T 2207—2008
Pb 220. 35A 188. 98 Ca 422. 67创是在VARIANVISTAPRGICPA
1)非商业性声明:表R.1所列
上自的,就厨标准使用者会试不减厂家和为了提供参考,并不涉及商
S上完成,此处列山试验用仪器型号仅是号的仪器
小提示:此标准内容仅展示完整标准里的部分截取内容,若需要完整标准请到上方自行免费下载完整标准文档。
进出口食品添加剂DL-酒石酸
中砷、钙、铅含量的测定
电感耦合等离子体原子发射光谱法Determination of arsenic,calcium,lead contentin food additive DL-tartaric acid for import and export-ICP-AES method
2008-11-18发布
中华人民共和国
国家质量监督检验检疫总局
2009-06-01实施
本标准的附录 A、附录 B为资料性附录。本标准由国家认证认可监督營理委员会提出并归口。本标准起草单位:中华人民其和国浙江出人境检验检疫局。本标准主要起草人:戴骐、朱晓雨、将永祥、章晓氨、吴艳燕、朱青青、衰晶本标准系首次发布的出入境检验检疫行业标准。SN/T2207-2008
1范围
进出口食品添加剂DL-酒石酸
中砷、钙、铅含量的测定
电感耦合等离子体原子发射光谱法SN/T 2207—2008
本标准规定广食品漆加剂DI.酒石酸中砷、钙、铅含星的电感耦合等离子体原子发射光谱法测定方法。
本标准适用于食品添加剂DI酒石酸中种,钙、铅合量的测定2规范性引用文件
下列文件中的条款通过本标准的引用而成为女标准的条款的修改单(不包括勘误的内容)或修订版均不适用于本标准我是注日期的引用文件,其随后所有警而,鼓励根据本标准达成协议的各方研究是否可使用这些文件的最新版本。凡是不连日期的引用文件,其最新版本适用于本标准。GB/T602化学试剂杂质测定用标准陪液的制备(GB/T602—2002.ISO6353-1.1982,NEQ)GB/T6682分析实验室用水规格和试验方法(GB/T66822008,ISO3696:1987.MOD)GB15358食品添加剂di-石醇
3方法提要
试样经微波消解后,在ICI-AES相应元素波长处测量其光借强度,采用标准曲线法定量。4试剂和材料
除另有规定外,所用试剂均为优领纯:实验用水应待4.1硝酸,
中规定的二级水。
4.2硝酸溶液(1+9):景取10醋酸4.1)水量需至100L602方法配制:惑直接使用标准物质,其质量浓度4.3单元素标准储备溶液:各元素标准容液接GB/件均为 1 000 ug/ml.。
4.4混合标准溶液:分别移取1.mL铅。等、钙的单元素标准储备寄液(4.3)置于1000mI.容量瓶中,用硝酸溶液(4.2)稀释并定容至刻度混匀后分别转移到洁争乙烯瓶中,F述溶液分别为含1pg/mL的铅、砷、钙,保存在0℃~4C的冰箱中,有效期11月。4.5氟气:纯度大于等于99.99%。5仪器和设备
5.1电感耦合等离了休原了发射光谱仪5.2分析天平:感量0.001g
5.3微波消解系统。
6样品制备与保存
按GB15358的规定制备样品。试样装入法净的容器内,密封,并标明标记。试样应于室温下保存
注:在制样的操作过程中,应防山样品污架。1
SN/T 2207—200B
7测定步骤
7.1样品消解
微波消解:称取0.5g试样(精确至0.001g),置于微波消解罐中.加2.5ml.硝酸(1.1)。置微波消解系统进行消解,消解程序参见附录A。待消解罐冷却后,将溶液转移至25ml.容量瓶中,用水冲洗罐壁3次以上,合并洗液并定容至刻度,混勾。7.2仪器工作条件
仪器的参考工作条件参见附录B。7.3标准溶液
混合标准游液系列由混合标准溶液(4.4))遂级稀释而成·介质为硝酸溶液(4.2),标准溶液系列浓度见表1。
表1标准溶液系列
标准溶液系列
注:可根据样品中被测元素的实际含蛋确定标准落液系列中元素的只体浓度。7.4标准曲线
单位为微克每毫升(pg/mL))
测定试剂溶液空自的强度后,按顺序由低到高分别测定混合标准溶液系列中各元素的光谱强度,根据净光谱强度和对应的元素涨度绘制标准曲线。7.5样品测定
分别测定试样溶液中各被测元素的光谱强度,计算出各被测元素的含量。若测定结果超出标准曲线范用,以硝酸溶液(4.2)稀释后再行测定。7.6空白试验
除不加人待测试样外,其他均按上述步骤操作,8结果计算
DI-酒石酸中铅、碑、钙的含量以X,表示,按式(1)计算:X.
式中:
(c) -c)×V
DL-酒石酸中铅、砷、钙含量的质量分数,单位为老克每干克(mg/kg):试样溶液中被测元素的度,单位为微克每亳升(/mI.);空白溶液中被测元索的浓度,单位为微克每旁升(ug/mI.);试样溶液中定穿体积,单位为毫升(mI.):m-\试样的质量,单位为克(g)。9免费标准下载网bzxz
测定低限、回收率和精密度
测定低限
本标准各元素的测定低限见表2。2
9.2回收率和糖密度
表2测定低限
本标准各元素添加浓度的回收率和精密度:铅:
添加浓度为0.5ing/kg时,回收率为85%~95%,精密度为3.4%。添加浓度为2mg/k时,回收率为88%~95%,精密度为2.4%。添加浓度为4mg/kg时,回收率为90%~97%精密度为2.6%。砷:
SN/T2207--2008
单位为毫克每于克(mg/kg)
测定低限
添加浓度为0.5mg/kg时,回收率为85%~104%,精密度为6.0%。添加浓度为2 mg/kg时.回收率为86%~96%,精密度为3.4%。添加浓度为4mg/kg时.回收率为86%~95%,精密度为3.3%。钙:
添加浓度为1mg/kg时,回收率为86%~94%,精密度为3.2%。添加浓度为200mg/kg时,回收率为92%~95%,精密度为1.3%。添加浓度为400mg/kg时,回收率为92%~96%,精密度为1.4%,SN/T 2207—2008
时间/tnin
功率/W
附录A
(资料性附录)
微波消解装置消解程序
表A,1
步骤1
微波消解装置消解程序!
步骤2
步骤3
1)非商业性声明:表A1所列参数足在MI.S1200MFGO微波消解系统上完成,此处列出试验用仪器型号仅是为了提供参考,并不涉及商业目的.鼓励标准使用者尝试不同厂家和型号的仪器。项
检测器
发射功率/W
工作额率/MH2
等离子气流量/(L
辅助气流量/(L
雾化气流量/(L)
积分时间/
积分饮数
待测元素分析波长/n
附录B
(资料性附录)
仪器的参考工作条件
表B,1仪器的参考工作条件1
工作参数
Vista Chip CCD
SN/T 2207—2008
Pb 220. 35A 188. 98 Ca 422. 67创是在VARIANVISTAPRGICPA
1)非商业性声明:表R.1所列
上自的,就厨标准使用者会试不减厂家和为了提供参考,并不涉及商
S上完成,此处列山试验用仪器型号仅是号的仪器
小提示:此标准内容仅展示完整标准里的部分截取内容,若需要完整标准请到上方自行免费下载完整标准文档。
标准图片预览:





- 热门标准
- 商检行业标准(SN)
- SN/T2051-2008 食品、化妆品和饲料中牛羊猪源性成分检测方法实时PCR法
- SN/T3203-2012 进出口危险化学品检验规程爆炸品基本要求
- SN/T4341-2015 黑颜果实蝇检疫鉴定方法
- SN/T4115-2015 天然气中硫化物的分析方法气相色谱硫化学发光检测器法
- SN/T0239-93 出口钳形表检验规程
- SN/T5138-2019 棉花黄萎病菌检疫鉴定方法
- SN/T0801.6-1999 进出口动植物油脂沉积物检验方法
- SN/T2389.10-2012 进出口商品容器计重规程第10部分:液体化工品船舱静态计重
- SN/T3676-2013 甘蔗凋萎病菌检疫鉴定方法
- SN0158-92 出口水果中螨完锡残留量检验方法
- SN/T3656.2-2013 进出口危险化学品测试技术规范第2部分:气体
- SN/T4877.7-2017 基因条形码筛查方法 第7部分:检疫性轮枝菌
- SN/T3591-2013 实验室标准物质管理指南
- SN/T2925-2011 软体家具耐点燃性试验方法及评价
- SN/T2173-2008 危险品易燃固体自热试验试验方法
- 行业新闻
请牢记:“bzxz.net”即是“标准下载”四个汉字汉语拼音首字母与国际顶级域名“.net”的组合。 ©2025 标准下载网 www.bzxz.net 本站邮件:bzxznet@163.com
网站备案号:湘ICP备2025141790号-2
网站备案号:湘ICP备2025141790号-2