- 您的位置:
- 标准下载网 >>
- 标准分类 >>
- 机械行业标准(JB) >>
- JB/T 5932.4-1991 履带式推土机 密封式履带销轴和销套
标准号:
JB/T 5932.4-1991
标准名称:
履带式推土机 密封式履带销轴和销套
标准类别:
机械行业标准(JB)
英文名称:
Crawler bulldozer sealed track pins and bushings标准状态:
现行-
发布日期:
1991-12-17 -
实施日期:
1992-07-01 出版语种:
简体中文下载格式:
.rar.pdf下载大小:
1.01 MB
中标分类号:
工程建设>>施工机械设备>>P97建筑工程施工机械
点击下载
标准简介:
标准下载解压密码:www.bzxz.net
本标准规定了履带式推土机用密封闭履带销轴(普通型和锁紧型)和销套(普通型和锁紧型)的型式和结构尺寸、技术要求、试验方法、检验规则、包装和运输。本标准适用于JB/T5932.1的组合式密封履带。 JB/T 5932.4-1991 履带式推土机 密封式履带销轴和销套 JB/T5932.4-1991
部分标准内容:
中华人民共和国机械行业标准
履带式推土机
密封式履带销轴和销套
主题内容与适用范围
JB/T 5932.491
本标准规定了履带式推土机用密封式履带销轴(普通型和锁紧型)和销套(普通型和锁紧型)的型式和结构尺寸、技术要求、试验方法、检验规则、包装和运输。本标准适用于JB/T5932.1的组合式密封履带。2引用标准
JB/T5932.1
GB3077
GB5617
GB9450
ZBJ04006
JB1673
履带式推土机密封式履带总成
优质碳素结构钢技术条件
合金结构钢技术条件
金属洛氏硬度试验法
金属布氏硬度试验方法
钢的感应淬火或火焰淬火后有效硬化层深度的测定钢件渗碳淬火有效硬化层深度的测定和校核钢铁材料的磁粉探伤方法
汽车渗碳齿轮金相检验
型式和结构尺寸
3.1型式和结构尺寸
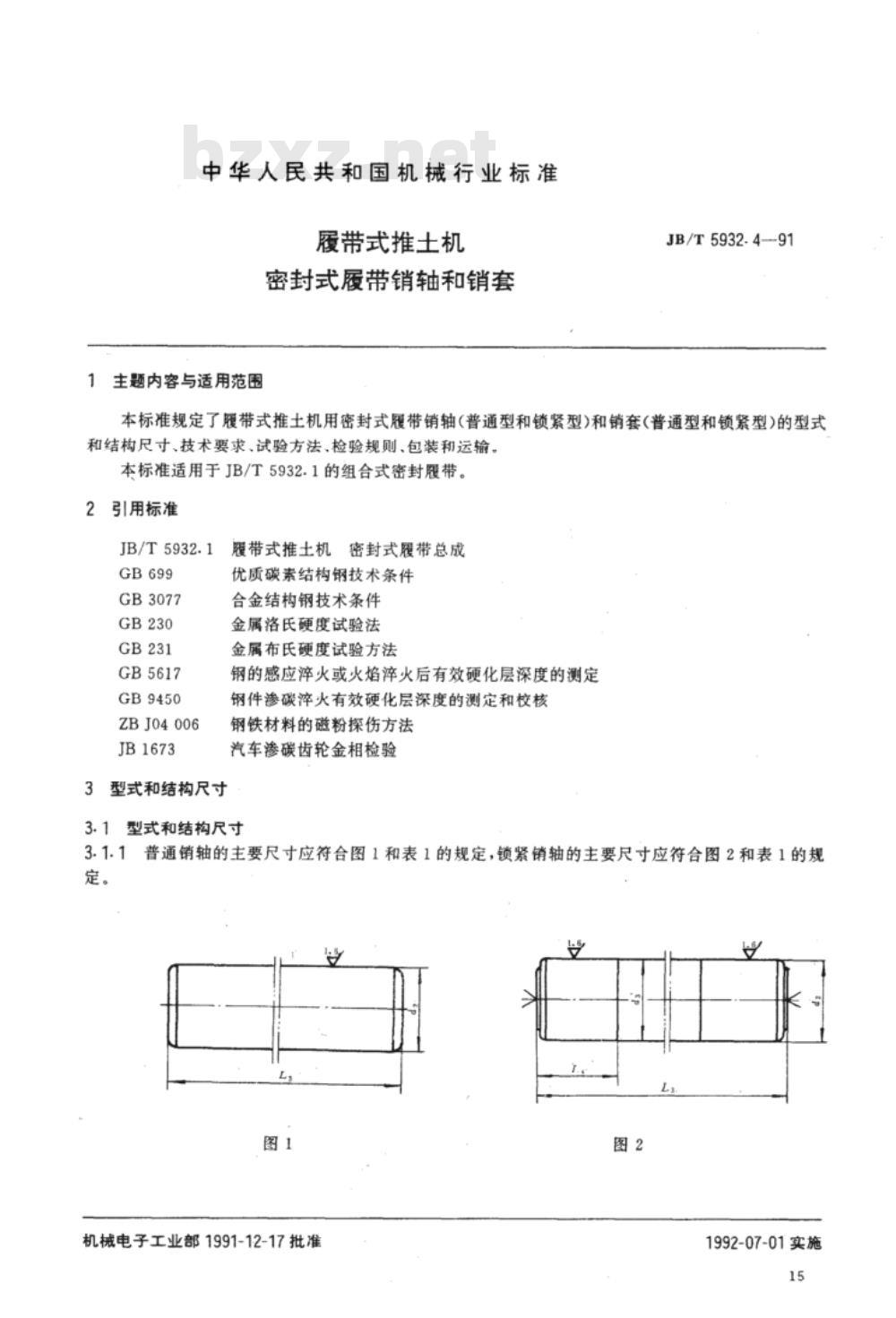
3.1.1普通销轴的主要尺寸应符合图1和表1的规定,锁紧销轴的主要尺寸应符合图2和表1的规定。
机械电子工业部1991-12-17批准图2
1992-07-01实施
零件名称
普通销轴
锁紧销轴
节距t
JB/T5932.491
基本尺寸
极限偏差
普通销套和锁紧销套的主要尺寸应符合图3和表2的规定。3.1.2
零件名称
普通销套
锁紧销套
3.2标记
3.2.1标记方法
3.2.2标记示例
基本尺寸
JB/T5932.4-91
极限偏差
销轴直径dz(销套为直径d)
履带节距
基本尺寸
极限偏差
基本尺寸
零件名称(普通型时,省略“普通”二字)展带节距t=216mm,直径d=47mm的履带普通销轴:极限偏差
JB/T5932.4—91
规带销轴216×47JB/T5932.4--91履带节距t=203.2mm,直径d.=66.5mm的履带锁紧销套:履带锁紧销套203.2×66.5JB/T5932.4-91技术要求和试验方法
材料见表3中的推荐牌号,也可采用符合表4及表5要求的其他材料。4.1
零件名称
销轴的热处理要求应符合表4的规定。项
表面硬度
有效硬化层深度
心部硬度
203.2,216
203.2,216
(GB699)
技术要求
56~62HRC
183~255HB
(锁紧销轴为248~293HB)
257~315HB
销套的热处理要求应符合表5的规定。表5
表面硬度
渗碳有效硬化层深度
心部硬度
端面硬度
硬化层碳化物
硬化层马氏体及残余奥氏体
心部铁素体
技术要求
56~63HRC
(d;黑皮部分为2.7~3.4)
30~42HRC
40~50HRC
≤6级
≤5级
≤4级
试验方法
GB9450
JB1673
带销套
15CrMo或20CrMo
(GB3077)
试验方法
CB5617
检测部位
外径表面5处
轴的中部处
(1/4)d.处免费标准下载网bzxz
测部位
中央断面内、外圆表面和d.表面销套长度1/3的壁厚中心处
两端面两处
硬化层处
销套长度1/3的壁厚中心处
注:应在面向内(轴向>10mm的范图内,由端面硬度40~50HRC透步过渡到表面硬度5G~G3HRC。销轴和销套均不得有裂纹,并应用磁粉探伤方法(ZBJ04006)或其他方法检查。4.4.
销轴和销套的端角不得有飞边和毛刺。检验规则、包装和运输
零件的出厂抽样检验项日、分类和合格质量水平(AQL)按表6的规定。抽样检查方案按JB/T5932.1中6.1.2条规定。型式检验规则按JB/T5932.1中6.2条规定。17
JB/T5932.4—91
表面硬度
外径d:
d:表面粗机度
表面硬度
端面硬度
内径 Ds
外径d。
端面粗糙度
其他每项尺寸
其他每项尺寸
零件发运时,用包装箱装运。其他包装运输要求按JB/T5932.1的.7.2~7.6条。5.2
附加说明:
本标准由天津工程机械研究所提出并归口。本标准由天津工程机械研究所负责起草。本标推主要起草人昊润才。
小提示:此标准内容仅展示完整标准里的部分截取内容,若需要完整标准请到上方自行免费下载完整标准文档。
履带式推土机
密封式履带销轴和销套
主题内容与适用范围
JB/T 5932.491
本标准规定了履带式推土机用密封式履带销轴(普通型和锁紧型)和销套(普通型和锁紧型)的型式和结构尺寸、技术要求、试验方法、检验规则、包装和运输。本标准适用于JB/T5932.1的组合式密封履带。2引用标准
JB/T5932.1
GB3077
GB5617
GB9450
ZBJ04006
JB1673
履带式推土机密封式履带总成
优质碳素结构钢技术条件
合金结构钢技术条件
金属洛氏硬度试验法
金属布氏硬度试验方法
钢的感应淬火或火焰淬火后有效硬化层深度的测定钢件渗碳淬火有效硬化层深度的测定和校核钢铁材料的磁粉探伤方法
汽车渗碳齿轮金相检验
型式和结构尺寸
3.1型式和结构尺寸
3.1.1普通销轴的主要尺寸应符合图1和表1的规定,锁紧销轴的主要尺寸应符合图2和表1的规定。
机械电子工业部1991-12-17批准图2
1992-07-01实施
零件名称
普通销轴
锁紧销轴
节距t
JB/T5932.491
基本尺寸
极限偏差
普通销套和锁紧销套的主要尺寸应符合图3和表2的规定。3.1.2
零件名称
普通销套
锁紧销套
3.2标记
3.2.1标记方法
3.2.2标记示例
基本尺寸
JB/T5932.4-91
极限偏差
销轴直径dz(销套为直径d)
履带节距
基本尺寸
极限偏差
基本尺寸
零件名称(普通型时,省略“普通”二字)展带节距t=216mm,直径d=47mm的履带普通销轴:极限偏差
JB/T5932.4—91
规带销轴216×47JB/T5932.4--91履带节距t=203.2mm,直径d.=66.5mm的履带锁紧销套:履带锁紧销套203.2×66.5JB/T5932.4-91技术要求和试验方法
材料见表3中的推荐牌号,也可采用符合表4及表5要求的其他材料。4.1
零件名称
销轴的热处理要求应符合表4的规定。项
表面硬度
有效硬化层深度
心部硬度
203.2,216
203.2,216
(GB699)
技术要求
56~62HRC
183~255HB
(锁紧销轴为248~293HB)
257~315HB
销套的热处理要求应符合表5的规定。表5
表面硬度
渗碳有效硬化层深度
心部硬度
端面硬度
硬化层碳化物
硬化层马氏体及残余奥氏体
心部铁素体
技术要求
56~63HRC
(d;黑皮部分为2.7~3.4)
30~42HRC
40~50HRC
≤6级
≤5级
≤4级
试验方法
GB9450
JB1673
带销套
15CrMo或20CrMo
(GB3077)
试验方法
CB5617
检测部位
外径表面5处
轴的中部处
(1/4)d.处免费标准下载网bzxz
测部位
中央断面内、外圆表面和d.表面销套长度1/3的壁厚中心处
两端面两处
硬化层处
销套长度1/3的壁厚中心处
注:应在面向内(轴向>10mm的范图内,由端面硬度40~50HRC透步过渡到表面硬度5G~G3HRC。销轴和销套均不得有裂纹,并应用磁粉探伤方法(ZBJ04006)或其他方法检查。4.4.
销轴和销套的端角不得有飞边和毛刺。检验规则、包装和运输
零件的出厂抽样检验项日、分类和合格质量水平(AQL)按表6的规定。抽样检查方案按JB/T5932.1中6.1.2条规定。型式检验规则按JB/T5932.1中6.2条规定。17
JB/T5932.4—91
表面硬度
外径d:
d:表面粗机度
表面硬度
端面硬度
内径 Ds
外径d。
端面粗糙度
其他每项尺寸
其他每项尺寸
零件发运时,用包装箱装运。其他包装运输要求按JB/T5932.1的.7.2~7.6条。5.2
附加说明:
本标准由天津工程机械研究所提出并归口。本标准由天津工程机械研究所负责起草。本标推主要起草人昊润才。
小提示:此标准内容仅展示完整标准里的部分截取内容,若需要完整标准请到上方自行免费下载完整标准文档。
标准图片预览:




- 其它标准
- 热门标准
- 机械行业标准(JB)
- JB/T9396-1999 环块磨损试验机 技术条件
- JB/T7422.2-1999 立式内圆珩磨机 精度检验
- JB/T7665-1995 通用机械噪声声功率级现场测定 声强法
- JB/T7732.1-1995 地膜覆盖机 技术条件
- JB/T9272-1999 氨压力表
- JB/T7273.8-1994 背面波纹手轮
- JB/T5810-1991 电机磁极线圈及磁场绕组匝间绝缘试验规范
- JB/T450-1992 PN16.0~32.0MPa锻造角式高压阀门、管件、紧固件 技术条件
- JB/T6664.2-1993 自吸泵 技术条件
- JB/T8368.1-1996 电锤钻
- JB/T9014.7-1999 连续输送设备 散粒物料 堆积角的测定
- JB/T9541-1999 家用换气扇用电动机 通用技术条件
- JB/T9991-1999 电镀金刚石铰刀
- JB/T10352-2002 YFB系列粉尘防爆型三相异步电动机(机座号63~355)技术条件
- JB/T10438-2004 额定电压450/750V及以下交联聚氯乙烯绝缘电线和电缆
- 行业新闻
请牢记:“bzxz.net”即是“标准下载”四个汉字汉语拼音首字母与国际顶级域名“.net”的组合。 ©2025 标准下载网 www.bzxz.net 本站邮件:bzxznet@163.com
网站备案号:湘ICP备2025141790号-2
网站备案号:湘ICP备2025141790号-2