
【机械行业标准(JB)】 内曲线(向外作用)式低速大扭矩液压马达安装法兰和轴伸的尺寸系列20~25MPa的轴转马达
本网站 发布时间:
2024-06-27 16:55:11
- JB/T5920.1-1991
- 现行
- 点击下载此标准
标准号:
JB/T 5920.1-1991
标准名称:
内曲线(向外作用)式低速大扭矩液压马达安装法兰和轴伸的尺寸系列20~25MPa的轴转马达
标准类别:
机械行业标准(JB)
英文名称:
Dimensional series of mounting flanges and shaft extensions for internal curve (outward acting) low speed high torque hydraulic motors, shaft motors with a capacity of 20 to 25 MPa标准状态:
现行-
发布日期:
1991-12-11 -
实施日期:
1992-07-01 出版语种:
简体中文下载格式:
.rar.pdf下载大小:
1.01 MB

点击下载
标准简介:
标准下载解压密码:www.bzxz.net
本标准规定了内曲线(向外作用)式低速大扭矩液压马达的安装法兰和轴伸尺寸。 JB/T 5920.1-1991 内曲线(向外作用)式低速大扭矩液压马达安装法兰和轴伸的尺寸系列20~25MPa的轴转马达 JB/T5920.1-1991

部分标准内容:
中华人民共和国机械行业标准
JB5920.1—91
内曲线(向外作用)式低速大扭矩液压马达安装法兰和轴伸的尺寸系列第一部分 20~25 MPa的轴转马达 1991-12-11发布
中华人民共和国机械电子工业部发布
1992-07-01实施
中华人民共和国机械行业标准
内曲线(向外作用)式低速大扭矩液压马达安装法兰和轴伸的尺寸系列第一部分20~25MPa的轴转马达
JB5920.191
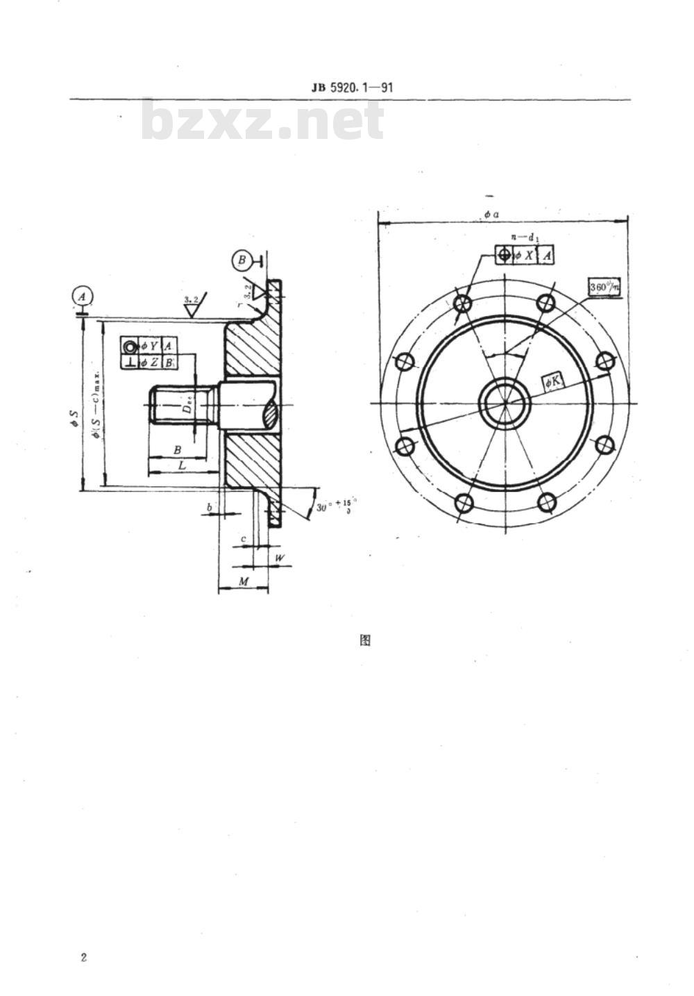
本标准参照采用国际标准ISO3019.3-1988《液压传动--容积式泵和马达—-安装法兰和轴伸的尺寸系列和标注代号一第三部分:多边形法兰(包括圆形法兰)》。1主题内容与适用范围
本标准规定了内曲线(向外作用)式低速大扭矩液压马达的安装法兰和轴伸尺寸。本标准适用于额定压力为20~25MPa、排量范围为0.25~12L/r的内曲线(向外作用)式液压马达。
2引用标准bzxZ.net
GB1801
3安装法兰
液压泵和马达安装法兰和轴伸的尺寸系列和标记(二)圆柱直齿渐开线花键(齿侧配合)的术语与尺寸计算圆柱直齿渐开线花键(齿侧配合)尺寸表公差与配合
多边形法兰(包括圆形法兰)
多边形安装法兰(包装圆形安装法兰)的型式和尺寸见下图和下表的规定。4轴伸
渐开线花键轴伸的尺寸系列见下图和下表的规定。公差与配合按GB3478.1、GB3478.2规定。5标记
按GB2353.2规定。
机械电子.工业部1991-12-11批准1992-07-01实施
JB5920.1—91
JB5920.1—91
(00)(06)(02
(9)0)
009·T
000·T
附加说明:
JB5920.191
本标准由全国液压气动标准化技术委员会提出并归口。本标准由机械电子工业部北京机械工业自动化研究所鱼责起草本标准主要起草人何国民、昊振华。华人民共和
机械行业标准
内曲线(向外作用式低速大扭矩液压马达安装法兰和轴伸的尺寸系列第一部分20-25MPa的轴转马达
JB5920.1—91
机械电子工业部机械标准化研究所出版发行(北京8144信箱
版权专有
邮编100081)
不得翻印
河北省清河县印刷厂印刷
开本880×1230
印张1/2
字数6000
1992年3月第一次印刷
1992年3月第一版
印数00.001--1000
定价1.00元
编号0536
小提示:此标准内容仅展示完整标准里的部分截取内容,若需要完整标准请到上方自行免费下载完整标准文档。
JB5920.1—91
内曲线(向外作用)式低速大扭矩液压马达安装法兰和轴伸的尺寸系列第一部分 20~25 MPa的轴转马达 1991-12-11发布
中华人民共和国机械电子工业部发布
1992-07-01实施
中华人民共和国机械行业标准
内曲线(向外作用)式低速大扭矩液压马达安装法兰和轴伸的尺寸系列第一部分20~25MPa的轴转马达
JB5920.191
本标准参照采用国际标准ISO3019.3-1988《液压传动--容积式泵和马达—-安装法兰和轴伸的尺寸系列和标注代号一第三部分:多边形法兰(包括圆形法兰)》。1主题内容与适用范围
本标准规定了内曲线(向外作用)式低速大扭矩液压马达的安装法兰和轴伸尺寸。本标准适用于额定压力为20~25MPa、排量范围为0.25~12L/r的内曲线(向外作用)式液压马达。
2引用标准bzxZ.net
GB1801
3安装法兰
液压泵和马达安装法兰和轴伸的尺寸系列和标记(二)圆柱直齿渐开线花键(齿侧配合)的术语与尺寸计算圆柱直齿渐开线花键(齿侧配合)尺寸表公差与配合
多边形法兰(包括圆形法兰)
多边形安装法兰(包装圆形安装法兰)的型式和尺寸见下图和下表的规定。4轴伸
渐开线花键轴伸的尺寸系列见下图和下表的规定。公差与配合按GB3478.1、GB3478.2规定。5标记
按GB2353.2规定。
机械电子.工业部1991-12-11批准1992-07-01实施
JB5920.1—91
JB5920.1—91
(00)(06)(02
(9)0)
009·T
000·T
附加说明:
JB5920.191
本标准由全国液压气动标准化技术委员会提出并归口。本标准由机械电子工业部北京机械工业自动化研究所鱼责起草本标准主要起草人何国民、昊振华。华人民共和
机械行业标准
内曲线(向外作用式低速大扭矩液压马达安装法兰和轴伸的尺寸系列第一部分20-25MPa的轴转马达
JB5920.1—91
机械电子工业部机械标准化研究所出版发行(北京8144信箱
版权专有
邮编100081)
不得翻印
河北省清河县印刷厂印刷
开本880×1230
印张1/2
字数6000
1992年3月第一次印刷
1992年3月第一版
印数00.001--1000
定价1.00元
编号0536
小提示:此标准内容仅展示完整标准里的部分截取内容,若需要完整标准请到上方自行免费下载完整标准文档。

标准图片预览:





- 热门标准
- 机械行业标准(JB)
- JB/T6882-2006 泵可靠性验证试验
- JB/T7991.4-2001 电镀超硬磨料制品 磨头
- JB/T10325-2002 锅炉除氧器 技术条件
- JB/T8528-1997 普通型阀门电动装置 技术条件
- JB/T8725-1998 旋转接头
- JB/T4022.2-1999 合金铸造性能测定方法 热裂倾向的测定
- JBJ10-1996 机械工厂采暖通风与空气调节设计规范
- JB/T2740-2008 工业机械电气设备 电气图、图解和表的绘制
- JB/T9272-1999 氨压力表
- JB/T5917-2006 袋式除尘器用滤袋框架
- JB/T10187-2011 滚动轴承 深沟球轴承振动
- JB/T6313.2-1992 电工铜编织线 斜纹编织线
- JB/T9064-1999 盘管 耐压试验与密封性检查
- JB/T9768-1999 内燃机 气缸套平台珩磨网纹 技术规范及检测方法
- JB/T8746.5-2008 塑料异型材挤出模零件 第5部分:定型块
- 行业新闻
请牢记:“bzxz.net”即是“标准下载”四个汉字汉语拼音首字母与国际顶级域名“.net”的组合。 ©2009 标准下载网 www.bzxz.net 本站邮件:bzxznet@163.com
网站备案号:湘ICP备2023016450号-1
网站备案号:湘ICP备2023016450号-1