- 您的位置:
- 标准下载网 >>
- 标准分类 >>
- 农业行业标准(NY) >>
- NY/T 275-1995 绿色食品半干白葡萄酒
标准号:
NY/T 275-1995
标准名称:
绿色食品半干白葡萄酒
标准类别:
农业行业标准(NY)
标准状态:
已作废-
发布日期:
1995-05-25 -
实施日期:
1995-10-01 -
作废日期:
2005-02-01 出版语种:
简体中文下载格式:
.rar.pdf下载大小:
97.97 KB
替代情况:
被NY/T 274-2004代替
相关标签:
绿色食品
部分标准内容:
中华人民共和国农业行业标准
绿色食品
主题内容与适用范围
半干白葡萄酒
NY/T 275-1995
本标准规定了绿色食品半于白葡萄酒的术语、技术要求、试验方法、检验规则及标志,包装、运、贮存。
本标准适用于获得绿色食品标志的半干白葡药酒。引用标准
GB 191
包装储运图示标志
食品卫生微生物学检验
GB4789
GB/T5009食品卫生检验方法理化部分GB10344饮料酒标签标准
葡萄酒及其试验方法
绿色食品
经专门机构认定,许可使用绿色食品标志的无污染的安全、优质、营养食品。绿色食品半干白葡萄酒
获得绿色食品标志的半干白葡萄酒。4技术要求
原料产地环境要求应符合绿色食品产地的环境标准。4.2
感官要求应符合表1规定。
澄清程度
典型性
近似无色,微黄带绿、浅黄、禾秆黄、金黄色标
澄清透明、有光泽、无明显悬浮物(使用软本塞封口的酒允许有 3个以下不大于 1 mm的软木渣)
具有纯正、优雅、怡悦、和谐的果香和酒香具有纯净、幽雅、爽怡的口味和新鲜悦人的果香味、酒体完整典型突出,明确
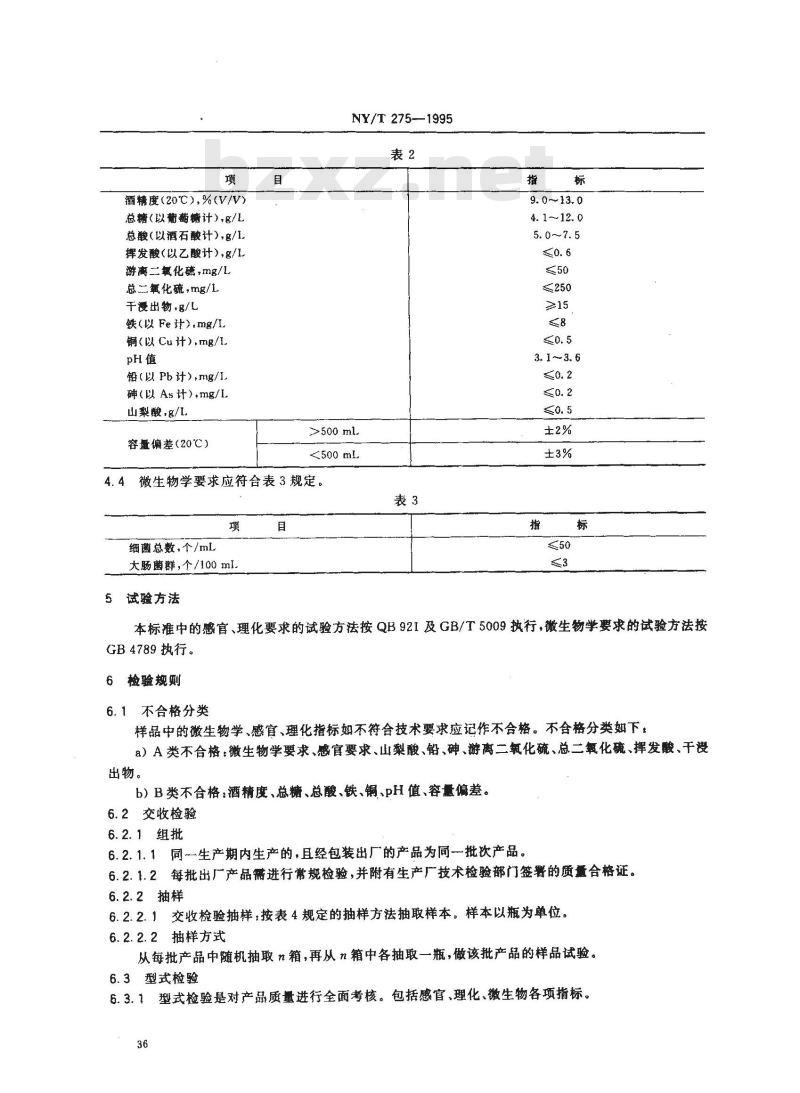
4.3理化要求应符合表2规定。
中华人民共和国农业部1995-05-25批准1995-10-01实施
酒糖度(20℃)%(V/V)
总糖(以葡萄糖计),g/ L
总酸(以酒石酸计),g/l
挥发酸(以乙酸计),g/L
游离二氧化硫, mg / L
总二氧化硫,mg/ L
干漫出物,B/ L
铁(以 Fe计),mg/L.
铜(以 Cu计),m/1
铅(以 Pb计),mg/l,
砷(以 As计),mg/L
山梨酸,g/L
容量偏差(20℃)
NY/T 275-—1995
4.4微生物学要求应符合表3规定。表3
细菌总数,个/mL
大肠菌群,个/100ml
试验方法
3. 1~3. 6
本标准中的感官、理化要求的试验方法按QB921及GB/T5009执行,微生物学要求的试验方法按GB4789执行。
6检验规则
6.1不合格分类
样品中的微生物学、感官、理化指标如不符合技术要求应记作不合格。不合格分类如下,a)A类不合格:微生物学要求、感官要求、山梨酸、铅、碑、游离二氧化硫、总二氧化硫、挥发酸、干没出物。
b)B类不合格:酒精度、总糖、总酸、铁、铜、PH值、容重偏差。6.2交收检验
6.2.1组批
6.2.1.1同一生产期内生产的,且经包装出厂的产品为同一批次产品。6.2. 1.2每批出厂产品需进行常规检验,并附有生产广技术检验部门签署的质量合格证。6.2.2抽样
6.2.2.1交收检验抽样:按表4规定的抽样方法抽取样本。样本以瓶为单位。6.2.2.2抽样方式
从每批产品中随机抽取n箱,再从n箱中各抽取一瓶,做该批产品的样品试验。6.3型式检验
6.3.!型式检验是对产品质量进行全面考核。包括感官、理化、微生物各项指标。36免费标准bzxz.net
批量,箱
NY/T 275--1995
样本大小
≤375ml./瓶
≥500mL/瓶
≤375ml/瓶
≥500 ml./瓶
6.3.2型式检验需每个生产季节进行一次。发生下列任一情况亦应进行:a)更改原料;
b)更改关键工艺;
c)更换关键的设备;
d)绿色食品质量监督机构提出进行型式检验要求。6.3.3型式检验、抽样同交收检验。6.4判定规则
6.4.1检验项目为感官、理化、微生物各项指标及容量偏差。瓶数(n)
6.4.2受检样品中有一项A类不合格时,则判整批产品为不合格品。受检样品中允许有一项B类不合格,当超过一项时、则判整批产品为不合格品。6.4.3受检样品检验不合格时,应按表4规定重新抽取样本进行复检,以复检结果为最终结果。6.5供双方对检验结果有异议时,可由有关各方协商解决或委托指定(授权)检验绿色食品的仲裁监督机构,以复验结果为最终判定依据。7标志、包装、运输、储存
7.1标志
7.1.1绿色食品半干白葡萄酒的标签标志及包装标志均应使用绿色食品标志7.1.2绿色食品半干白葡萄酒的标签应注明:酒名、类别(或糖度)、酒度、原汁含量、净容量、厂名、厂址、批号、商标、封装年月、标准代号及编号,可不标保质期。具体标注方法按GB10344执行。7.1.3瓦楞纸板箱应注有厂名、酒名、规格、批号、净重、毛重、瓶数、日期。并标有“小心轻放”,“请勿倒置”字样及标志。其使用方法按GB191规定执行。7.2包装
7.2.1内包装应用符合食品卫生要求的包装材料。包装容器应整齐、清洁、封装严密,无漏气,漏酒现象。
7.2.2外包装应用合格的塑料箱、瓦楞纸板箱或木箱装运。箱内要有防震、防撞的间隔材料。7.3运输、储存
7.3.1包装的绿色食品半干白葡萄酒,允许在5~~35℃温度条件下运输和储存。7.3.2在运输和储存过程中,应保持厂地清洁、干燥、通风良好,严防日光直射,不得与潮地面直接接触,不能接触和靠近有腐蚀或易于发霉、发潮的货物,严禁与有毒物品放在一起。用软木塞封口的葡萄酒,须卧放或倒放。
7.3.3按以上条件储存,瓶装酒不应发生混浊、酸败等现象,否则由生产方负责处理。超过18个月的酒,允许有少量沉淀,不影响质量。注:出口产品按合同执行。
附加说明:
NY/T275—1995
本标准由中华人民共和国农业部提出。本标准由中华人民共和国农业部农垦司归口。本标准由中国农垦北方食品监测中心起草。本标准主要起草人邱元享、张世麟、刘风岩、李焕敏、张华。38
小提示:此标准内容仅展示完整标准里的部分截取内容,若需要完整标准请到上方自行免费下载完整标准文档。
绿色食品
主题内容与适用范围
半干白葡萄酒
NY/T 275-1995
本标准规定了绿色食品半于白葡萄酒的术语、技术要求、试验方法、检验规则及标志,包装、运、贮存。
本标准适用于获得绿色食品标志的半干白葡药酒。引用标准
GB 191
包装储运图示标志
食品卫生微生物学检验
GB4789
GB/T5009食品卫生检验方法理化部分GB10344饮料酒标签标准
葡萄酒及其试验方法
绿色食品
经专门机构认定,许可使用绿色食品标志的无污染的安全、优质、营养食品。绿色食品半干白葡萄酒
获得绿色食品标志的半干白葡萄酒。4技术要求
原料产地环境要求应符合绿色食品产地的环境标准。4.2
感官要求应符合表1规定。
澄清程度
典型性
近似无色,微黄带绿、浅黄、禾秆黄、金黄色标
澄清透明、有光泽、无明显悬浮物(使用软本塞封口的酒允许有 3个以下不大于 1 mm的软木渣)
具有纯正、优雅、怡悦、和谐的果香和酒香具有纯净、幽雅、爽怡的口味和新鲜悦人的果香味、酒体完整典型突出,明确
4.3理化要求应符合表2规定。
中华人民共和国农业部1995-05-25批准1995-10-01实施
酒糖度(20℃)%(V/V)
总糖(以葡萄糖计),g/ L
总酸(以酒石酸计),g/l
挥发酸(以乙酸计),g/L
游离二氧化硫, mg / L
总二氧化硫,mg/ L
干漫出物,B/ L
铁(以 Fe计),mg/L.
铜(以 Cu计),m/1
铅(以 Pb计),mg/l,
砷(以 As计),mg/L
山梨酸,g/L
容量偏差(20℃)
NY/T 275-—1995
4.4微生物学要求应符合表3规定。表3
细菌总数,个/mL
大肠菌群,个/100ml
试验方法
3. 1~3. 6
本标准中的感官、理化要求的试验方法按QB921及GB/T5009执行,微生物学要求的试验方法按GB4789执行。
6检验规则
6.1不合格分类
样品中的微生物学、感官、理化指标如不符合技术要求应记作不合格。不合格分类如下,a)A类不合格:微生物学要求、感官要求、山梨酸、铅、碑、游离二氧化硫、总二氧化硫、挥发酸、干没出物。
b)B类不合格:酒精度、总糖、总酸、铁、铜、PH值、容重偏差。6.2交收检验
6.2.1组批
6.2.1.1同一生产期内生产的,且经包装出厂的产品为同一批次产品。6.2. 1.2每批出厂产品需进行常规检验,并附有生产广技术检验部门签署的质量合格证。6.2.2抽样
6.2.2.1交收检验抽样:按表4规定的抽样方法抽取样本。样本以瓶为单位。6.2.2.2抽样方式
从每批产品中随机抽取n箱,再从n箱中各抽取一瓶,做该批产品的样品试验。6.3型式检验
6.3.!型式检验是对产品质量进行全面考核。包括感官、理化、微生物各项指标。36免费标准bzxz.net
批量,箱
NY/T 275--1995
样本大小
≤375ml./瓶
≥500mL/瓶
≤375ml/瓶
≥500 ml./瓶
6.3.2型式检验需每个生产季节进行一次。发生下列任一情况亦应进行:a)更改原料;
b)更改关键工艺;
c)更换关键的设备;
d)绿色食品质量监督机构提出进行型式检验要求。6.3.3型式检验、抽样同交收检验。6.4判定规则
6.4.1检验项目为感官、理化、微生物各项指标及容量偏差。瓶数(n)
6.4.2受检样品中有一项A类不合格时,则判整批产品为不合格品。受检样品中允许有一项B类不合格,当超过一项时、则判整批产品为不合格品。6.4.3受检样品检验不合格时,应按表4规定重新抽取样本进行复检,以复检结果为最终结果。6.5供双方对检验结果有异议时,可由有关各方协商解决或委托指定(授权)检验绿色食品的仲裁监督机构,以复验结果为最终判定依据。7标志、包装、运输、储存
7.1标志
7.1.1绿色食品半干白葡萄酒的标签标志及包装标志均应使用绿色食品标志7.1.2绿色食品半干白葡萄酒的标签应注明:酒名、类别(或糖度)、酒度、原汁含量、净容量、厂名、厂址、批号、商标、封装年月、标准代号及编号,可不标保质期。具体标注方法按GB10344执行。7.1.3瓦楞纸板箱应注有厂名、酒名、规格、批号、净重、毛重、瓶数、日期。并标有“小心轻放”,“请勿倒置”字样及标志。其使用方法按GB191规定执行。7.2包装
7.2.1内包装应用符合食品卫生要求的包装材料。包装容器应整齐、清洁、封装严密,无漏气,漏酒现象。
7.2.2外包装应用合格的塑料箱、瓦楞纸板箱或木箱装运。箱内要有防震、防撞的间隔材料。7.3运输、储存
7.3.1包装的绿色食品半干白葡萄酒,允许在5~~35℃温度条件下运输和储存。7.3.2在运输和储存过程中,应保持厂地清洁、干燥、通风良好,严防日光直射,不得与潮地面直接接触,不能接触和靠近有腐蚀或易于发霉、发潮的货物,严禁与有毒物品放在一起。用软木塞封口的葡萄酒,须卧放或倒放。
7.3.3按以上条件储存,瓶装酒不应发生混浊、酸败等现象,否则由生产方负责处理。超过18个月的酒,允许有少量沉淀,不影响质量。注:出口产品按合同执行。
附加说明:
NY/T275—1995
本标准由中华人民共和国农业部提出。本标准由中华人民共和国农业部农垦司归口。本标准由中国农垦北方食品监测中心起草。本标准主要起草人邱元享、张世麟、刘风岩、李焕敏、张华。38
小提示:此标准内容仅展示完整标准里的部分截取内容,若需要完整标准请到上方自行免费下载完整标准文档。
标准图片预览:




- 其它标准
- 热门标准
- 农业行业标准(NY)
- NY∕T3212-2018 拖拉机和联合收割机登记证书
- NY/T5357-2007 无公害食品 海洋水产品捕捞生产管理规范
- NY/T3102-2017 枇杷贮藏技术规范
- NY/T2444-2013 菠萝叶纤维
- NY2188-2012 联合收割机号牌座设置技术要求
- NY/T2493-2013 植物新品种特异性、一致性和稳定性测试指南 荞麦
- NY/T2686-2015 旱作玉米全膜覆盖技术规范
- NY/T2520-2013 植物新品种特异性、一致性和稳定性测试指南 树莓
- NY/T1178-2006 牧区牛羊棚圈建设技术规范
- NY/T2484-2013 植物新品种特异性 一致性和稳定性测试指南 无芒雀麦
- NY/T605-2006 焙炒咖啡
- NY/T2423-2013 植物新品种特异性、一致性和稳定性测试指南 小豆
- NY/T2464-2013 马铃薯收获机 作业质量
- NY/T5290-2004 无公害食品欧洲鳗鲡精养池塘养殖技术规范
- NY/T2251-2012 香蕉花叶心腐病和束顶病病原分子检测技术规范
- 行业新闻
请牢记:“bzxz.net”即是“标准下载”四个汉字汉语拼音首字母与国际顶级域名“.net”的组合。 ©2025 标准下载网 www.bzxz.net 本站邮件:bzxznet@163.com
网站备案号:湘ICP备2025141790号-2
网站备案号:湘ICP备2025141790号-2