- 您的位置:
- 标准下载网 >>
- 标准分类 >>
- 农业行业标准(NY) >>
- NY/T 833-2004 草菇
标准号:
NY/T 833-2004
标准名称:
草菇
标准类别:
农业行业标准(NY)
标准状态:
现行-
发布日期:
2004-08-25 -
实施日期:
2004-09-01 出版语种:
简体中文下载格式:
.rar.pdf下载大小:
184.79 KB
标准ICS号:
食品技术>>水果、蔬菜及其制品>>67.080.20蔬菜及其制品中标分类号:
农业、林业>>经济作物>>B31瓜果、蔬菜种植与产品
起草人:
王南、凌霞芬、门殿英、尚晓冬等起草单位:
上海市农业科学院食用菌研究所、农业部食用菌产品质量监督检验中心(上海)提出单位:
中华人民共和国农业部发布部门:
中华人民共和国农业部相关标签:
草菇
点击下载
标准简介:
标准下载解压密码:www.bzxz.net
本标准规定了草菇的要求、试验方法、检验规则、标志、、标签、包装、运输和贮存。本标准适用于人工栽培的鲜草和干草菇。 NY/T 833-2004 草菇 NY/T833-2004
部分标准内容:
ICS 67.080.20
中华人民共和国农业行业标准
NY/T 8332004
Volvariellavolvacea
2004-08-25发布
2004-09-01实施
中华人民共和国农业部
本标准出中华人民共和国农业部提出并NY/T833-2004
本标准起草单位:上海市农业科学院食用菌研究所、农业部食用菌产品质量监督检验测试中心(上本标准主要起草人:王南、凌霞芬、门殿英、尚晓冬、陈明杰、郭倩、关斯明、徐海英1范围
本标准规定了草贴的要求、试验方法、检验规则、标志、标签、包装、运输和存本标准适用于人「栽培的鲜草菇和十草菇2规范性引用文件
NY/T833—2004
下列文件中的条款通过本标准的可用而成为本标准的条款,凡是注口期的引用文件,其随后所有的修改单(不包括勘误的内容)或修订版均不适于本标准,然而,鼓励根据本标准达成协议的各方研究是否可使用这些文件的最新版本。:凡是不注口期的引用文件,其最新版本适用下本标准GB/T5009.10食品中粗纤维的测定方法GB/T5009.11食品中总伸的测定方法GB/T 5009.12
食品中铅的测定方法
GB/T 5009.15
GB/T 5009.17
GB/T 5009.20
食品中镉的测定方法
食品中总求的测定方法
食品中有机磷农药残留量的测定方法3食品标签通用标准
GB 7718
GB/T8868蔬荣塑料周转箱
食用闲取样方法
GB/T12530
GB/112531
食用菌水分测定
食用菌灰分测定
GB/T12532
食品中氯氰菊酯、氰戊菊酯和溴氰菊酯残留量的测定GB/T14929.4
GB/T 15673
食用菌粗蛋白质含量测定方法
3术语和定义
下列术语和定义适用于本标准
又称外包被,是当草菇子实体幼嫩时(即菌凿期)包裹在其外部的一层保护膜,使草贴外形呈卵圆形。
volova
当草菇子实体发育到定阶段后,中于子实体菌柄的仲长,菌膜会被菌盖顶端突破而残留于基部,此部分残留菌膜称为菌托:
松紧度degreeof tightness
于捏菌膜木破草菇的纵向中间部位,紧实而有弹性,谓之实,明菌膜内菌柄尚未开始伸长:松软而缺乏蝉性,谁之松,表明菌膜内菌柄已开始伸长3.4
NY/T833-2004
一般杂质
common foreign matters
草菇成品以外的植物性物质(如稀草、秸秆、术所、棉籽壳等)3.5
有害杂质
detrimental foreign matters
有睡、有害及具他有碍食用安全卫生的物质(如菇、虫体、动物毛发和排泄物、金属、玻璃、砂有等)
4要求
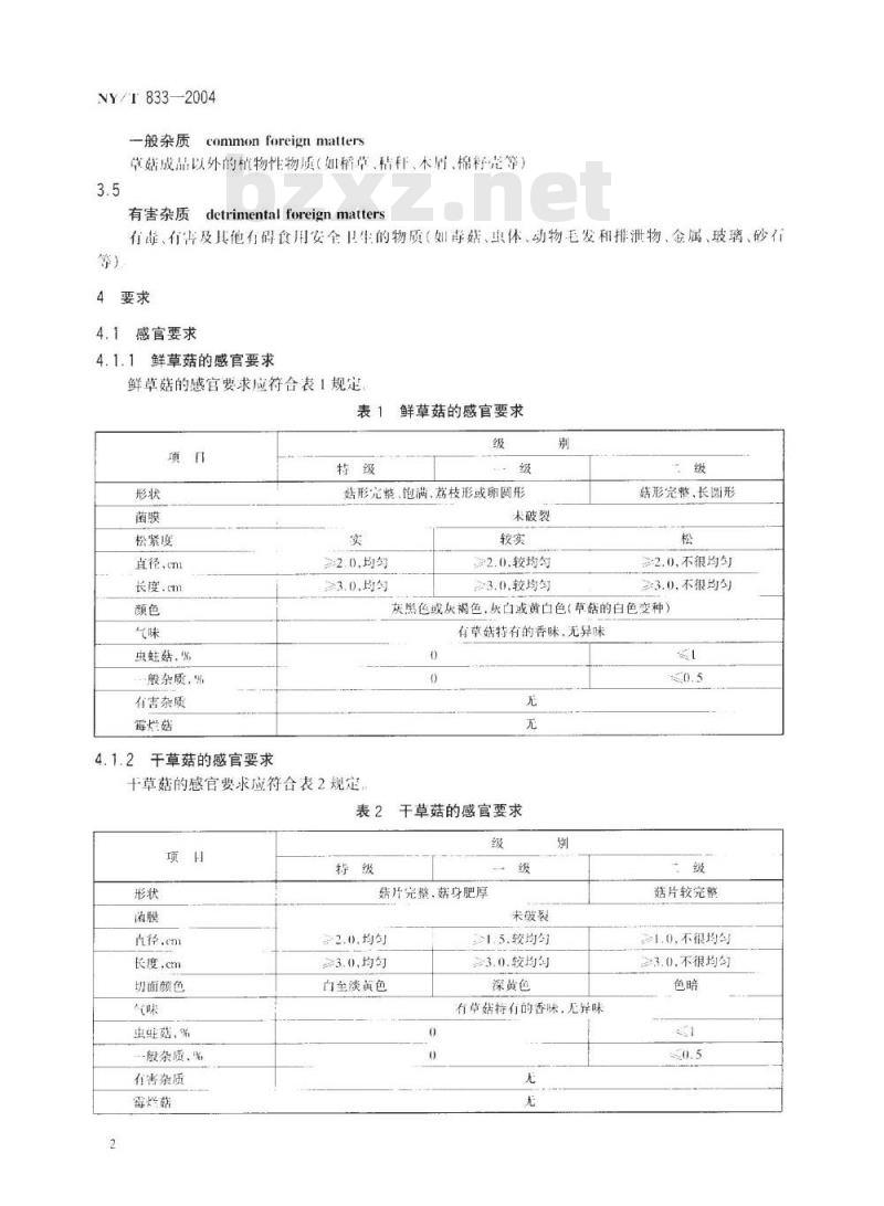
4.1感官要求
4.1.1鲜草菇的感官要求
鲜草菇的感官要求应符合表1规定表1鲜草菇的感官要求
松紧度
直径,cm
长度.cm
虫蛙菇,%
-般杂质.%
有害杂质
舞烂菇
4.1.2干草菇的感官要求
姑形光整、饱满.荔枝形或卵圆形未破裂
2-2.0.均匀
23.0.均勾
22.0.较均匀
23.0.较均句
菇形完整,长圆形
≥2.0,不很均匀
≥3.0,不很均匀
灰黑色或灰褐色,灰白或黄白色(草菇的白色变种)有草菇特有的香味,无异味
十草菇的感官要求应符合表2规定无
干草菇的感官要求
自径,em
长度,em
切面颜色
虫蛙菇,%
-般杂质,%
有害杂质
霉烂菇
菇片完整,菇身肥厚
未破裂
2.0,均匀
3.0,均句
白至淡黄色
.5.较均匀wwW.bzxz.Net
3.0.较均勾
深黄色
有草姑持有的香味,无异味
菇片较完整
10.不很均台
23.0.不很均
4.2理化要求
草菇的理化要求应衍合表3规定
粗蛋自
4.3卫生要求
应符合表4规定
砷(以As计)
汞(以Hg计)
铅(以Pb计)
镉(以(d计)
敌敌畏(dichlorwxs)
氯鼠菊酯(cyjxumuthrin)
表3草菇的理化要求
下草菇
表4草菇的卫生要求
千草菇
NY/T 833--2004
单位为日分率
鲜草姑
单位为毫克每千克
鲜草菇
注:根据《中华人民共和国农药管理条例》.剧毒和高每农药不得在蔬案(包括食用菌)生产中使用。5试验方法
5.1感官指标
5.1.1形状、菌膜、颜色/切面颜色、松紧度、气味肉眼观察形状、菌膜、颜色/切面颜色;手捏判断松紧度;鼻判断气味5.1.2直径、长度
随机取不少于10个草菇.用精度为0.1nn的量具,量取每个菌柄的最大直径和最大长度,计算出平均直径和长度;其中:
直径最大或长度最长的草菇与直径最小或长度最短的草菇之差≤2mm.为均匀:直径最大或长度最长的草菇与直径最小或长度最短的草姑之差≤4mm,为较均匀:直径最大或长度最长的菇与直径最小或长度最短的草菇之差≤6mm,为不很均勾5.1.3虫蛙菇、霉烂菇、一般杂质、有害杂质随机抽取样品500.0g(精确至:0.1g),分别栋出虫蚝菇、霉烂、般杂质、有害杂质,用感量为0.1g的大平称其质量.分别计算其样品的自分率,以X计,按式(1)计算,计算结果精确到小数点后一位
ml×100
NY/T833--2004
武中:
\1--虫露霍烂店、般杂质、有害东质的质量、单位为点(x):\--一样品的质量.单位为克()5.2理化指标
5.2.1水分
按(GB/个12531规定执行
5.2.2粗蛋白
按(I3/15673规定执行
5.2.3粗纤维
按GB/T5009.10规定执行
5.2.4灰分
按(G/I12532规定执行
5.3卫生指标
按(G3/T5009.11规定执行
按GB/T5009.17规定执行
按GB/T5009.12规定执行
按GB/I5009.15规定执行)
5.3.5敌敌畏
按GB/T5009.20规定执行,
5.3.6氯氰菊酯
按GB/T14929.4规定执行
6检验规则
6.1抽样方法
按GB12530规定执行
6.2组批规则
同产地、同规格、同时采收的草媒作为·个检验批次;批发市场同产地、同规格的草菇作为一个检验批次:农贸市场和超市相同进货渠道的草作为-个检验批次6.3检验分类
6.3.1型式检验
型式检验是对产品进行全面考核,即对本标准规定的全部要求进行检验。有下列情形之一者应进行型式检验
a)国家质量监督机构或行业主管部门提出型式检验要求;b)前后两次抽样检验结果差异较大;()因为人为或自然内系使生产技术,环境发生较大变化6.3.2交收检验
每批产品交收前,生产应进行交收检验,交收检验内容包括感官、标志和包装检验合格后并附合格证方可交收
6.4包装检验
按第7章的规定执行
6.5判定规则
NYT8332004
6.5.1以表1,表2中除气味、锋烂、有害杂质指标外的规定确定受检批次产品的等级同级指标中任何·项达不到该级指标即降为下-级.达不到“级要求者为等外品6.5.2含水最、味、等烂菇、有害杂质及卫生指标中任何顶不能达到要求的.即判该批次产品不合格
6.5.3该批次样品标志、包装、净含量不合格者,充诈生产者进行整改后中请复验-次7标志、标签
7.1包装上应有明确标志,应标明:产品名称、产品采用标准、等级、重量(数量)生产日期、生产企业的名称、地址、联系电话
7.2标签应符合(GB7718的要求
8包装、运输和贮存
8.1包装
8.1.1用于产品包装的容器,如箱、管等需按产品的大小规格设计,同规格必须大小致,应牢固、整洁、干煤、污染、无异味、内碟无尖突物、无虫蛙、腐烂、霉变等,纸箱无受潮、离层现象,塑料箱应符合GB/I8868的要求
8.1.2按产品的种类、规格分别包装,同--件包装内的产品应摆放整齐紧密8.1.3每批产品所用的包装、单位质量成一致8.1.4包装检验规则:逐件称量抽取的样品,每件的净含量应不低于包装外标的净含量8.2运输
8.2.1运输时轻装、轻卸,避免机械损伤。8.2.2运输上其婴清洁、卫生、无污染物、无杂物8.2.3防日嗮、防雨淋,不可裸露运输8.2.4不得与有毒有害物品、鲜活动物混装混运8.2.5鲜草姑应在15℃条件下运输,以保持产品的良好品质8.3购存
8.3.1下草菇:在避光、阴凉、下燥、洁净处存注意防霉、防虫8.3.2鲜草菇:因低温(0℃~8℃)会导致鲜草菇自溶(液化)变质,所以一股不适宜贴存鲜草菇在14℃~16℃条件下只可作1d~2d保存
小提示:此标准内容仅展示完整标准里的部分截取内容,若需要完整标准请到上方自行免费下载完整标准文档。
中华人民共和国农业行业标准
NY/T 8332004
Volvariellavolvacea
2004-08-25发布
2004-09-01实施
中华人民共和国农业部
本标准出中华人民共和国农业部提出并NY/T833-2004
本标准起草单位:上海市农业科学院食用菌研究所、农业部食用菌产品质量监督检验测试中心(上本标准主要起草人:王南、凌霞芬、门殿英、尚晓冬、陈明杰、郭倩、关斯明、徐海英1范围
本标准规定了草贴的要求、试验方法、检验规则、标志、标签、包装、运输和存本标准适用于人「栽培的鲜草菇和十草菇2规范性引用文件
NY/T833—2004
下列文件中的条款通过本标准的可用而成为本标准的条款,凡是注口期的引用文件,其随后所有的修改单(不包括勘误的内容)或修订版均不适于本标准,然而,鼓励根据本标准达成协议的各方研究是否可使用这些文件的最新版本。:凡是不注口期的引用文件,其最新版本适用下本标准GB/T5009.10食品中粗纤维的测定方法GB/T5009.11食品中总伸的测定方法GB/T 5009.12
食品中铅的测定方法
GB/T 5009.15
GB/T 5009.17
GB/T 5009.20
食品中镉的测定方法
食品中总求的测定方法
食品中有机磷农药残留量的测定方法3食品标签通用标准
GB 7718
GB/T8868蔬荣塑料周转箱
食用闲取样方法
GB/T12530
GB/112531
食用菌水分测定
食用菌灰分测定
GB/T12532
食品中氯氰菊酯、氰戊菊酯和溴氰菊酯残留量的测定GB/T14929.4
GB/T 15673
食用菌粗蛋白质含量测定方法
3术语和定义
下列术语和定义适用于本标准
又称外包被,是当草菇子实体幼嫩时(即菌凿期)包裹在其外部的一层保护膜,使草贴外形呈卵圆形。
volova
当草菇子实体发育到定阶段后,中于子实体菌柄的仲长,菌膜会被菌盖顶端突破而残留于基部,此部分残留菌膜称为菌托:
松紧度degreeof tightness
于捏菌膜木破草菇的纵向中间部位,紧实而有弹性,谓之实,明菌膜内菌柄尚未开始伸长:松软而缺乏蝉性,谁之松,表明菌膜内菌柄已开始伸长3.4
NY/T833-2004
一般杂质
common foreign matters
草菇成品以外的植物性物质(如稀草、秸秆、术所、棉籽壳等)3.5
有害杂质
detrimental foreign matters
有睡、有害及具他有碍食用安全卫生的物质(如菇、虫体、动物毛发和排泄物、金属、玻璃、砂有等)
4要求
4.1感官要求
4.1.1鲜草菇的感官要求
鲜草菇的感官要求应符合表1规定表1鲜草菇的感官要求
松紧度
直径,cm
长度.cm
虫蛙菇,%
-般杂质.%
有害杂质
舞烂菇
4.1.2干草菇的感官要求
姑形光整、饱满.荔枝形或卵圆形未破裂
2-2.0.均匀
23.0.均勾
22.0.较均匀
23.0.较均句
菇形完整,长圆形
≥2.0,不很均匀
≥3.0,不很均匀
灰黑色或灰褐色,灰白或黄白色(草菇的白色变种)有草菇特有的香味,无异味
十草菇的感官要求应符合表2规定无
干草菇的感官要求
自径,em
长度,em
切面颜色
虫蛙菇,%
-般杂质,%
有害杂质
霉烂菇
菇片完整,菇身肥厚
未破裂
2.0,均匀
3.0,均句
白至淡黄色
.5.较均匀wwW.bzxz.Net
3.0.较均勾
深黄色
有草姑持有的香味,无异味
菇片较完整
10.不很均台
23.0.不很均
4.2理化要求
草菇的理化要求应衍合表3规定
粗蛋自
4.3卫生要求
应符合表4规定
砷(以As计)
汞(以Hg计)
铅(以Pb计)
镉(以(d计)
敌敌畏(dichlorwxs)
氯鼠菊酯(cyjxumuthrin)
表3草菇的理化要求
下草菇
表4草菇的卫生要求
千草菇
NY/T 833--2004
单位为日分率
鲜草姑
单位为毫克每千克
鲜草菇
注:根据《中华人民共和国农药管理条例》.剧毒和高每农药不得在蔬案(包括食用菌)生产中使用。5试验方法
5.1感官指标
5.1.1形状、菌膜、颜色/切面颜色、松紧度、气味肉眼观察形状、菌膜、颜色/切面颜色;手捏判断松紧度;鼻判断气味5.1.2直径、长度
随机取不少于10个草菇.用精度为0.1nn的量具,量取每个菌柄的最大直径和最大长度,计算出平均直径和长度;其中:
直径最大或长度最长的草菇与直径最小或长度最短的草菇之差≤2mm.为均匀:直径最大或长度最长的草菇与直径最小或长度最短的草姑之差≤4mm,为较均匀:直径最大或长度最长的菇与直径最小或长度最短的草菇之差≤6mm,为不很均勾5.1.3虫蛙菇、霉烂菇、一般杂质、有害杂质随机抽取样品500.0g(精确至:0.1g),分别栋出虫蚝菇、霉烂、般杂质、有害杂质,用感量为0.1g的大平称其质量.分别计算其样品的自分率,以X计,按式(1)计算,计算结果精确到小数点后一位
ml×100
NY/T833--2004
武中:
\1--虫露霍烂店、般杂质、有害东质的质量、单位为点(x):\--一样品的质量.单位为克()5.2理化指标
5.2.1水分
按(GB/个12531规定执行
5.2.2粗蛋白
按(I3/15673规定执行
5.2.3粗纤维
按GB/T5009.10规定执行
5.2.4灰分
按(G/I12532规定执行
5.3卫生指标
按(G3/T5009.11规定执行
按GB/T5009.17规定执行
按GB/T5009.12规定执行
按GB/I5009.15规定执行)
5.3.5敌敌畏
按GB/T5009.20规定执行,
5.3.6氯氰菊酯
按GB/T14929.4规定执行
6检验规则
6.1抽样方法
按GB12530规定执行
6.2组批规则
同产地、同规格、同时采收的草媒作为·个检验批次;批发市场同产地、同规格的草菇作为一个检验批次:农贸市场和超市相同进货渠道的草作为-个检验批次6.3检验分类
6.3.1型式检验
型式检验是对产品进行全面考核,即对本标准规定的全部要求进行检验。有下列情形之一者应进行型式检验
a)国家质量监督机构或行业主管部门提出型式检验要求;b)前后两次抽样检验结果差异较大;()因为人为或自然内系使生产技术,环境发生较大变化6.3.2交收检验
每批产品交收前,生产应进行交收检验,交收检验内容包括感官、标志和包装检验合格后并附合格证方可交收
6.4包装检验
按第7章的规定执行
6.5判定规则
NYT8332004
6.5.1以表1,表2中除气味、锋烂、有害杂质指标外的规定确定受检批次产品的等级同级指标中任何·项达不到该级指标即降为下-级.达不到“级要求者为等外品6.5.2含水最、味、等烂菇、有害杂质及卫生指标中任何顶不能达到要求的.即判该批次产品不合格
6.5.3该批次样品标志、包装、净含量不合格者,充诈生产者进行整改后中请复验-次7标志、标签
7.1包装上应有明确标志,应标明:产品名称、产品采用标准、等级、重量(数量)生产日期、生产企业的名称、地址、联系电话
7.2标签应符合(GB7718的要求
8包装、运输和贮存
8.1包装
8.1.1用于产品包装的容器,如箱、管等需按产品的大小规格设计,同规格必须大小致,应牢固、整洁、干煤、污染、无异味、内碟无尖突物、无虫蛙、腐烂、霉变等,纸箱无受潮、离层现象,塑料箱应符合GB/I8868的要求
8.1.2按产品的种类、规格分别包装,同--件包装内的产品应摆放整齐紧密8.1.3每批产品所用的包装、单位质量成一致8.1.4包装检验规则:逐件称量抽取的样品,每件的净含量应不低于包装外标的净含量8.2运输
8.2.1运输时轻装、轻卸,避免机械损伤。8.2.2运输上其婴清洁、卫生、无污染物、无杂物8.2.3防日嗮、防雨淋,不可裸露运输8.2.4不得与有毒有害物品、鲜活动物混装混运8.2.5鲜草姑应在15℃条件下运输,以保持产品的良好品质8.3购存
8.3.1下草菇:在避光、阴凉、下燥、洁净处存注意防霉、防虫8.3.2鲜草菇:因低温(0℃~8℃)会导致鲜草菇自溶(液化)变质,所以一股不适宜贴存鲜草菇在14℃~16℃条件下只可作1d~2d保存
小提示:此标准内容仅展示完整标准里的部分截取内容,若需要完整标准请到上方自行免费下载完整标准文档。
标准图片预览:





- 其它标准
- 上一篇: NY/T 827-2004 绍兴鸭饲养技术规程
- 下一篇: NY/T 836-2004 竹荪
- 热门标准
- 农业行业标准(NY)
- NY/T2498-2013 植物新品种特异性、一致性和稳定性测试指南 茭白
- NY/T5295-2004 无公害食品 产地环境评价准则
- NY/T2572-2014 植物新品种特异性、一致性和稳定性测试指南 薏苡
- NY/T1112-2006 配方肥料
- NY/T1858.2-2010 番茄主要病害抗病性鉴定技术规程 第2部分:番茄抗叶霉病鉴定技术规程
- NY/T2156-2012 水稻主要病害防治技术规程
- NY/T1052-2014 绿色食品 豆制品
- NY/T2519-2013 植物新品种特异性、一致性和稳定性测试指南 番木瓜
- NY/T2589-2014 植物新品种特异性一致性和稳定性测试指南 柴胡与狭叶柴胡
- NY/T598-2002 食用绿豆
- NY/T456-2001 茉莉花茶
- NY/T5161-2002 无公害食品 虹鳟养殖技术规范
- NY/T600-2002 富硒茶
- NY5187-2002 无公害食品 罐装金针菇
- NY/T749-2003 绿色食品 食用菌
- 行业新闻
请牢记:“bzxz.net”即是“标准下载”四个汉字汉语拼音首字母与国际顶级域名“.net”的组合。 ©2025 标准下载网 www.bzxz.net 本站邮件:bzxznet@163.com
网站备案号:湘ICP备2025141790号-2
网站备案号:湘ICP备2025141790号-2