- 您的位置:
- 标准下载网 >>
- 标准分类 >>
- 国家标准(GB) >>
- GB/T 4928-1991 啤酒试验方法
标准号:
GB/T 4928-1991
标准名称:
啤酒试验方法
标准类别:
国家标准(GB)
标准状态:
已作废-
作废日期:
2003-01-01 出版语种:
简体中文下载格式:
.rar.pdf下载大小:
254.33 KB
部分标准内容:
GB4928-—199
中华人民共和国国家标准
啤酒试验方法
Analyticmethodsofbeers
1主题内容与适用范围
本标准规定了啤酒试验的基本原则和方法。本标准适用于啤酒的试验。
2引用标准
GB/T4928—1991
GB601化学试剂滴定分析(容量分析)用标准溶液的制备GB4789.1~4789.28食品卫生检验方法微生物学部分GB6682实验室用水规格
GB8170数值修约规则
3总则和基本要求
3.1总则
3.1.1本方法中所采用的名词术语、计量单位应符合国家规定的标准。3。1.2本标准中所用的各种分析仪器(如:分析天平、分光光度计等)要按时检定;所用比重瓶、移液管、容量瓶等器具应按有关检定规格定期校正。3。1.3本方法中的“仪器”为试验中所必须使用的特殊仪器,一般实验室仪器不再列入。
3.1.4本方法中所用水,在没有注明其他要求时,应符合GB6682中三级规格。
3.1.5本方法中所用试剂,在未注明其他规格时,均指分析纯(A.R.)。3.1.6试验方法中“溶液”,在未注明溶剂外,均为水溶液。3.1.7同一检测项目,有两个或两个以上试验方法时,各实验室可根据各自条件选用,但以第一法为仲裁法。3。1.8数据的计算与取舍,应遵照GB8170执行。3.1.9理化指标以实测数据报告其试验结果,有效数字要与技术要求相一致。3.2基本要求
3.2.1测定样品,必须做平行试验。3.2.2试验中所用玻璃器血,用前须视洁污程度分别以铬酸洗涤液浸泡或以洗涤剂清洗,然后用自来水冲洗,再用蒸馏水洗干净。3.2.3试验方法中的有效数字,表示吸取或称量时要求达到的精密度。3.2.4卫生指标的检验须用GB4789.1~4789.28中相应的试验方法。4啤酒试样的制备
4.1原理
用反复注流等方式除去啤酒中的二氧化碳,以消除其在理化分析中的影响。4.2样品制备
4.2.1方法
取预先在冰箱中冷至10~15℃的啤酒500~700mL于清洁、干燥的1000mL糖瓷杯中,以细流注入同样体积的另一糖瓷杯中,注入时两糖瓷杯之间距离约国家技术监督局1991—09—10批准1992—08—01实施
GB4928—1991
20~30cm。反复注流50次(一个反复为一次),以充分除去酒中二氧化碳,静置。
4.2.2方法二
取预先在冰箱中冷至10~15℃的啤酒,启盖后经快速滤纸过滤至三角烧瓶中,稍加振摇,静置,以充分除去酒中的二氧化碳。4.3样品保存
除气后的啤酒,用表面玻璃盖住,其温度应保持在15~20℃左右备用。啤酒除气操作时的室温应不超过25℃。5啤酒浊度的试验方法
5,1原理
EBC浊度计是利用光学原理测定啤酒由于老化或受冷而引起的混浊。其测量指示盘按EBCFormazin浊度单位进行刻度,可直接测出样品的混浊度。5.2试验方法
5.2.1仪器
EBC浊度计。
5.2.2试验程序
按仪器使用说明书,直接对瓶装酒样进行测定。或取4.2.1中已制备好的酒样倒入标准杯中,用EBC浊度计进行测定。所得结果应表示至一位小数。
5。2.3结果的允许差
平行试验测定值之差,不得超过0.2EBC。6啤酒泡沫的试验方法
6.1原理
使用同一构造的器具,在同一温度、固定条件下,测定啤酒泡沫消失速度以秒表示。
6.2试验方法
6.2.1仪器
6.2.1.1秒表。
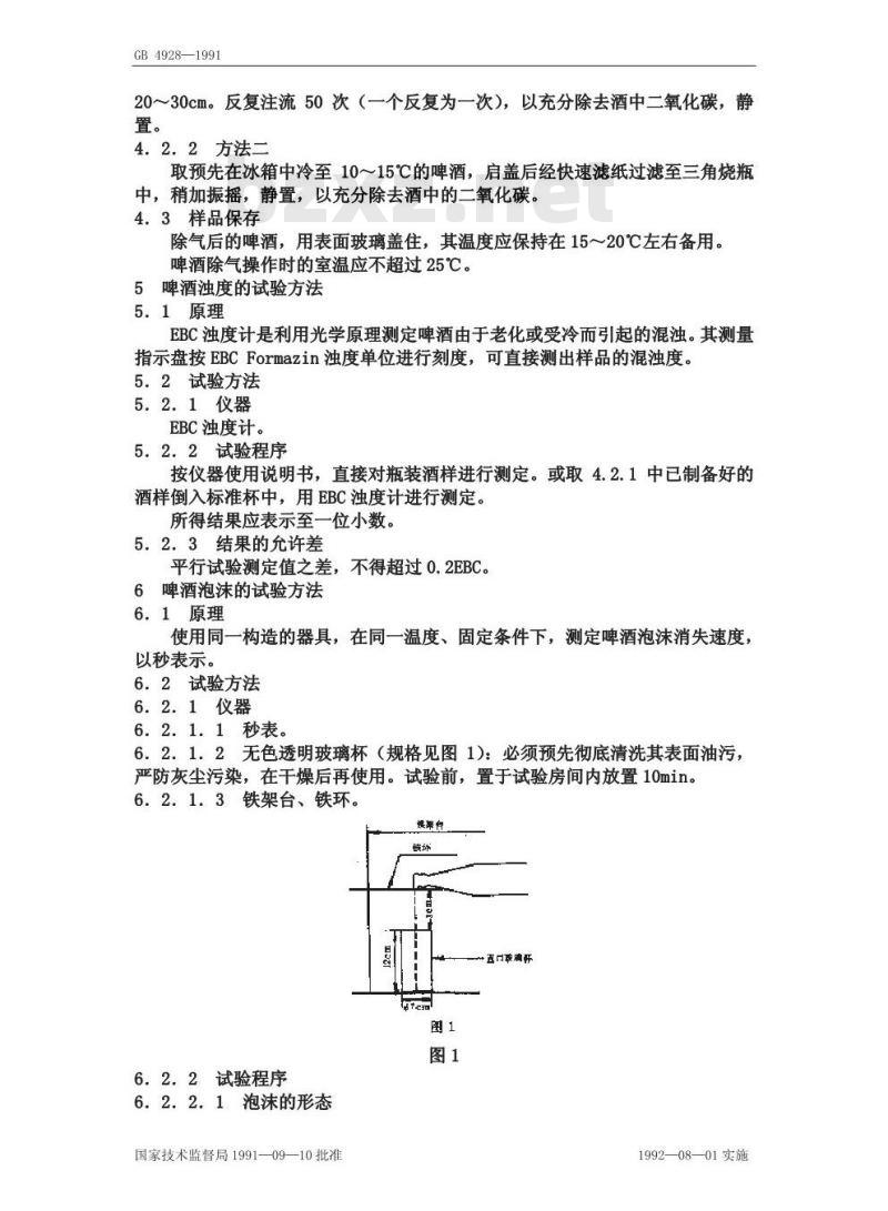
6.2.1.2无色透明玻璃杯(规格见图1):必须预先彻底清洗其表面油污,严防灰尘污染,在于燥后再使用。试验前,置于试验房间内放置10min。6.2.1.3铁架台、铁环。
灌娜片
6.2.2试验程序
6.2.2.1泡沫的形态
国家技术监督局1991—09—10批准1992—08—01实施
GB4928—1991
将玻璃杯置于铁架台底座上,固定铁环于距杯口3cm处。将原瓶(罐)啤酒置于15℃水浴中保持至等温后启盖,立即置瓶(罐)口于铁环上,沿杯中心线(如图示),以均匀流速将啤酒注入杯中,直至泡沫高度与杯口相齐时止。同时按秒表计时,观察泡沫升起情况,记录泡沫的形态(包括色泽和粗细)。试验时严禁有空白流通现象;测定前样品瓶避免振摇。6.2.2.2泡持性
记录从泡沫初始至消失(或露出0.05cm酒面)的时间,以秒表示。观察泡沫挂杯情况。所得结果取整数。7啤酒色度的试验方法
7.1原理
将除气后的酒样注入EBC比色计(或SD色度仪)的比色血中,与标准色盘比较,确定酒样的色度。
7.2试验方法
7.2.1仪器
EBC比色计(或SD色度仪)。
7.2.2试剂和溶液
7.2.2.1Hartong基准溶液:称取0.100g重铬酸钾(K,Cr20)及3.500g亚硝酰铁氰化钠Na2[Fe(CN)sNO/2H2O,用水溶解并定容至1000mL,贮于棕色瓶中,于暗处放置24h后使用。
7.2.3试验程序
7.2.3.1试验
a。仪器的校正:将Hartong溶液注入40mm比色血,用色度计测定。其标准色度应为15EBC单位;若使用25mm比色血,其标准读数为9.4EBC。仪器的校正应每周一次。
b.将4.2中已制备好的酒样(否则需滤纸过滤)注入25mm比色血中,然后放到比色盒中,与标准色盘进行比较,当两者色调一致时,即可直接读数为结果。
7.2.3.2计算
a.如使用其他规格的比色血,则需要换成25mm比色血的数据为其结果。换算式如下:
SD = B,×25..
式中:SD一样品的色度,EBC单位;一实测色度,EBC单位
Bz——使用比色血厚度,mm;
25—换算系数,mm。
b.测定浓度和黑色啤酒时,需进行稀释,用测定结果乘以稀释倍数。所得结果应表示至一位小数。
7.2.4结果的允许差
(1)
平行试验测定值之差,SD≤10EBC时不得大于0.5EBC。SD>10EBC时稀释样平行实验测定值之差不得大于1.OEBC。8啤酒酒精度的试验方法
国家技术监督局1991—09—10批准1992—08—01实施
GB4928-—1991
8.1原理
第一法比重瓶法
酒精比重系指20℃时,酒精质量与同体积纯水质量之比值,通常以D20表示,然后,查表得出试样中酒精含量的质量百分比,即酒精度,以%(m/m)表示。
8.2试验方法
8.2.1仪器
8.2.1.1全玻璃蒸馏器:500mL。8.2.1.2高精度恒温水浴:精度土0.1℃。8.2.1.3附温度计比重瓶:25mL。8.2.2试验程序
8.2.2.1样品的制备
精密称取100.0g4.2中已制备好的酒样(液温20℃)于500mL已知质量的蒸馏瓶中,加50mL水和数粒玻璃珠,装上蛇型冷凝器,以已知质量的100mL容量瓶接收蒸馏液(外加冰浴),缓缓加热蒸馏,收集约95mL蒸馏液(应在30~60min内完成),取下容量瓶,调液温至20℃,然后加水恢复蒸馏液至原重100.0g(此时总质量为100.0g+容量瓶质量),混匀,备用。8.2.2.2测定A:
&将比重瓶洗净、干燥、称量,反复操作,直至恒重。b.将煮沸冷却至15℃的蒸馏水注满恒重的比重瓶,插上带温度计的瓶塞(瓶中应无气泡),立即浸于20土0.1℃的高精度恒温水浴中,待内容物温度达20℃,并保持20min不变后取出。用滤纸吸去溢出支管的水,立即盖好小帽,擦干后,称量。
8.2.2.3测量B
将水倒去,用样品反复冲洗比重瓶三次,然后装满8.2.2.1制备的样品,按8.2.2.2同样操作。
8.2.3计算
D20=mz-m
式中:D20—酒样蒸馏液(20℃)的比重;-比重瓶的质量,g;
-比重瓶和水的质量,g;
比重瓶和酒样蒸馏液的质量,g。根据酒样比重D20,查附录A(补充件),得出酒精度%(m/m)。所得结果应表示至一位小数。
8.2.4结果的允许差
平行试验测定值之差,不得超过0.05%(m/m)。第二法气相色谱法
国家技术监督局1991—09—10批准(2)
1992—08—01实施
GB4928-—1991
8.3原理
酒样在气相色谱仪中通过色谱柱时,由于在气固两相中吸附系数不同,而使乙醇与其他组分得以分高,利用氢火焰离子化检测器进行鉴定,用内标法定量。
8.4试验方法
8.4.1仪器
8.4.1.1气相色谱仪:配有氢火焰离子化检测器。8.4.1.2微量注射器。
8。4.1.3快速定性滤纸。
8.4.2试剂
8.4.2.1乙醇:色谱纯:作标样用。8. 4. 2. 2
乙醇标准溶液:用5个已知质量的100mL容量瓶,分别称取2.003.00,3.50,4.00,4.50g乙醇,再分别加水至100.0g。正丙醇:密度=0.8039,色谱纯,作内标用。8.4.2.31
8.4.3色谱柱与色谱条件
8.4.3.1色谱柱(不锈钢或玻璃):2m。8. 4. 3. 2
固定相:Chromosorb103,60~80目,或性能近似的其他柱材料。8.4.3.3
柱温:200℃。
气化室和检测器温:240℃。
载气(氮气)流量:40mL/min。氢气流量:40mL/min。
8.4.3.7空气流量:500mL/min。注:上述条件应根据不同仪器通过试验选择最佳操作条件,以使乙醇和正丙醇获得完全分离,并使乙醇在1min左右流出为最佳。8。4.4试验程序
8.4.4.1工作曲线的绘制:分别称取10g(精确至0.01g)8.4.2.2中不同浓度的乙醇标准溶液于5个10mL容量瓶中,分别加入0.402g(=0.5mL)正丙醇内标溶液混匀。在上述色谱条件下进样0.3uL,以标样峰面积和内标峰面积比值,对酒精浓度作标准曲线,或建立相应的回归方程。8.4.4.2样品的测定:称取4.2.2中制备好的酒样10g(精确至0.01g)于10mL容量瓶中,准确加入0.402g正丙醇内标溶液,混匀,然后操作同8.4.4.1。8.4.5计算
用样品组分峰面积与内标峰面积的比值,查工作曲线,或用回归方程计算出样品中的酒精含量。
所得结果应表示至一位小数。
8.4.6结果的允许差
平行试验测定值之差,不得超过0.05%(m/m)。9啤酒原麦汁浓度的试验方法
9.1原理
以比重瓶法(原理同8.1)测出样品中的真正浓度和酒精度,按经验公式计算出样品原麦汁的浓度。
9.2试验方法
9.2.1真正浓度
国家技术监督局1991—09—10批准1992—08—01实施
GB4928—1991
9.2.1.1仪器
a高精度恒温水浴:精度土0.1℃。b.附温度计比重瓶:25mL。
9.2.1.2试验程序
a。样品的制备:用已知质量的蒸发皿称取100.0g4.2中已制备好的酒样,于沸水浴上蒸发至原体积的1/3,取下冷却,加水恢复至原质量,混匀。b.样品的测定:步骤同8.2.2.2和8.2.2.3。用其在20/20℃时的比重,从附录B(补充件)查得浸出物含量的质量百分率,即为真正浓度。9.2.2酒精度同第8章。
9.2.3计算
(A× 2.0665 +n)× 100
100+Ax1.0665
式中:Xi原麦汁浓度,%(m/m);A—酒精含量,%(m/m);此内容来自标准下载网
n真正浓度,%(m/m)。
所得结果应表示至一位小数。
9。2.4结果的允许差
同一样品的两次平行测定值之差,不得超过0.1%(m/m)。10啤酒总酸的试验方法
10.1原理
:(3)
利用酸碱中和原理,以氢氧化钠标准溶液直接滴定啤酒样品的总酸,用pH计测量滴定终点,最后由消耗氢氧化钠标准溶液的体积计算啤酒中总酸的含量。10.2试验方法
10.2.1仪器
10.2.1.1pH计。
10.2.1.2电磁搅拌器。
10.2.1.3恒温水浴锅。
10.2.2试剂
10.2.2.1氢氧化钠标准溶液[c(Na0H)=0.1mo1/L]:按GB601配制与标定。10.2.3试验程序
10.2.3.1样品的处理:吸取50.00mL4.2中已制备好的酒样于100mL烧杯中,置于40℃水浴中保温30min,并不时振摇,以除去残余的二氧化碳,然后冷却至室温。
10.2.3.2样品的测定:
a。按仪器使用说明书校正pH计,并注意校正和测定时的温度要一致。b.将事先用pH9.22标准缓冲溶液校准过的玻璃电极和甘汞电极插入样品杯中,在电磁搅拌器搅拌下用氢氧化钠标准溶液滴定至pH9.0,记录氢氧化钠标准溶液的用量。
10.2.4计算
X2-2XcxV.
:(4)
式中:X2总酸的含量,即100mL样品消耗氢氧化钠标准溶液[c(Na0H)=1mo1/LJ的毫升数,mL/100mL;
氢氧化钠标准溶液的浓度,mo1/L;国家技术监督局1991—09—10批准1992—08—01实施
GB4928-—1991
V一消耗氢氧化钠标准溶液的体积,mL;2—换算成100mL酒样的系数。
所得结果应表示至二位小数。
10.2.5结果的允许差
同一样品的两次平行测定值之差,不得超过0.1mL/100mL。11啤酒二氧化碳的试验方法
11.1原理
以亨利定律为基础,在25℃时用二氧化碳压力测定仪测出样品的总压、瓶颈空气体积和瓶颈空容体积,然后计算出啤酒中二氧化碳的含量,以%(m/m)表示。
11.2试验方法
11.2.1仪器
11,2.1,1二氧化碳测定仪(如图2)。温比计
值水难断
更北装
11.2.2试剂
11.2.2.1氢氧化钠溶液:400g/L。11.2.3试验程序
11.2.3.1试验前准备:将二氧化碳测定仪的三个组成部分之间用胶管或塑料管接好,在碱液水准瓶和刻度吸管中装入氢氧化钠溶液(40%),并用水或氢氧化钠(也可使用瓶装酒)完全顶出连接刻度吸收管与穿孔装置之间胶管中的空气。
11.2.3.2表压的测定:取瓶装酒样置于25℃水浴中,保温30min后取出,将酒瓶置于穿孔装置下穿孔。并用手摇动酒瓶(连同支架)直至压力表指针达到最大恒定值,记下读数(即表压)。11.2.3.3瓶颈空气体积的测定:慢慢打开穿孔装置的出口阀,让瓶内气体国家技术监督局1991—09—10批准1992—08—01实施
GB_4928—1991
缓缓流入吸收管,当压力表指示降至零时,立即关闭出口阀,倾斜摇动吸收管,使管内气体中二氧化碳被碱液充分吸收,直至气体体积达到最小恒定值。调整水准瓶,使之静压相等,从刻度吸收管上读取瓶颈空气的体积。11.2.3.4瓶颈空容体积的测定,在测定前,先在瓶壁上标记酒的液面。测定时用水将酒样瓶装满至瓶顶,然后将标记上部的水注入100mL量筒中,使留在瓶内液体的水平面正好与预先在瓶颈上所作标记重合。倒出的水体积即为瓶颈空容体积。
11.2.4计算
X, =(P-0.101×V,/V)×1.40 ..式中:X,二氧化碳含量,%(m/m);P—绝对压力(表压+0.101),MPa;V2—瓶颈空气体积,mL
Vi瓶颈空容体积,mL;
:(5)
1.40—25℃、1MPa压力时,100g试样中溶解的二氧化碳克数,g。注:1大气压=0.101MPa。
所得结果应表示至二位小数。
11.2.5结果的允许差
同一样品的两次平行测定值之差,不得超过0.02%(m/m)。12啤酒双乙酰的试验方法
12.1原理
邻苯二胺与双乙酰反应,生成2,3-二甲喹喔啉,在335nm下有一最大吸收可对双乙酰进行定量测定。由于其他联二酮类具有相同的反应特性,因此上述测定结果为总联二酮含量。
其反应式为:
Ho-oo +
H,C C-O
12.2试验方法
12.2.1仪器
12.2.1.1紫外分光光度计。
12.2.1.2带有加热套管的双乙酰蒸器。+2HO
12.2.1.3具有锥形瓶(或平底蒸馏烧瓶)的蒸汽发生瓶:2000mL(或3000mL)。12.2.2试剂
12.2.2.1盐酸溶液[c(HC1)=4mo1/L]。12.2.2.2邻苯二胺溶液(10g/L):称取0.100g邻苯二胺溶于盐酸溶液[c(HC1)=4mo1/L]中,并定容至10mL,摇匀,放于暗处,当天使用。12.2.2.3有机硅消泡剂(或甘油聚醚)。12.2.3试验程序
12.2.3.1蒸馏:将双乙酰蒸馏器装好,加热蒸汽发生瓶,使水至沸,通汽预热后,置25mL容量瓶于冷凝器下口,外加冰浴冷却,加2~4滴消泡剂于100mL量筒中,再注入未经除气的预先冷至5℃左右的酒样100mL,迅速加入已预热的国家技术监督局1991—09—10批准1992—08—01实施
GB4928—1991
蒸馏器内,并用少量水冲洗带塞漏斗,盖塞。然后用水封口,进行蒸馏,直至蒸馏液接过25mL时(蒸馏需在3~5min内完成),取下容量瓶,用水定容至刻度,摇匀。
12.2.3.2显色与测量:分别吸取蒸馏液10.00mL于两支比色管中,并于第一支管中加入0.5mL邻苯二胺溶液,第二支管中不加(作空白)充分摇匀后,同时置于暗处放置20~30min,然后于第一支管中加2mL盐酸溶液[c(HC1)=4mo1/L],于第二支管中加入2.5mL盐酸溶液[c(HC1)=4mo1/L],混匀后,于335nm波长下,用20mm比色血,以空白调零点,测定其吸光度。比色测定操作须在20min内完成。
12.2.4计算
X4 = A35 ×1.2
式中:X—双乙酰的含量,mg/L;A335在335nm波长下,用20mm比色血测定的吸光度:1.2—吸光度与双乙酰含量的换算系数。所得结果应表示至二位小数。
12.2.5结果的允许差
同一样品的两次平行测定值之差,不得超过0.01mg/L。附录A
比重与酒精含量对照表
(补充件)
(20℃/20℃)
酒精含量
国家技术监督局1991—09—10批准比重
(20℃/20℃)
酒精含量
(20℃/20℃)
酒精含量
1992—08—01实施
GB_4928—1991
(20℃/20℃)
浸出物含量
附录B
比重与浸出物含量对照表
(补充件)
(20℃/20℃)
国家技术监督局1991—09—10批准浸出物含
(20℃/20℃)
浸出物含量
1992—08—01实施
GB4928—1991
品评术语
附录C
啤酒感官品评一般规则
(参考件)
C1.1香气:系指啤酒花香气、麦芽香气,无老化气味和生啤酒花气味及其他怪、异气味。
国家技术监督局1991—09—10批准19920801实施
GB4928—1991
C1.2口味
C1.2.1纯正:没有双乙酰味、酵母味、氧化味、麦皮味、酸味及其他异、杂味。
C1.2.2爽口:酒体协调、柔和,苦味愉快而消失迅速,没有后苦味、涩味、焦糖味和甜味。
C1.2.3醇厚:酒体圆满而口味不单调。C1.2.4杀口:有二氧化碳的刺激感,清爽,口感不淡薄如水。C2原理
啤酒感官品评定者通过眼、鼻、口等感觉器官对啤酒的外观、香气和口味和整体感觉来鉴别啤酒的风味质量。C3品评要求
C3.1评酒员
挑选作风正派、大公无私、实事求是、认真负责、对香气和口味敏捷、具有中等以上文化水平的同志,并要经过一定时间的培训。品酒时,评酒员应保持良好情绪。凡过分疲劳、激动、情绪不安或患感冒者,均不宜参加品评。在品评前或品评过程中不能吸烟,也不能吃油腻和辛辣食物。C3.2评酒室
C3.2.1评酒室要清洁、安静,光线明亮、柔和,阳光不得直射室内,室内空气新鲜,不允许有任何异味存在。室温在1020℃。C3.2.2评酒室内设若干评酒员专座,互相隔干,避免干扰影响,每张桌上铺白布,备存台灯及漱口用的玻璃杯。每个座位都有上、下水装置(或备有水盆)。C3.3品尝杯
采用专门加工的洁净的、无色透明啤酒品尝杯(见下图)。drcm
C4品评项目
C4.1外观
C4.1.1透明度和色泽:取洗掉标签或未贴标签的瓶装酒,置于明亮处进行透光观察,然后开盖,将酒倒入杯中进行观察。罐车和桶装啤酒,取样后直接倒入洁净的杯中进行观察。
C4.1.2浊度:见第5章。
C4.2泡沫:见第6章。
C4.3色度:见第7章。
C4.4香气和口味
国家技术监督局1991—09—10批准1992—08—01实施
小提示:此标准内容仅展示完整标准里的部分截取内容,若需要完整标准请到上方自行免费下载完整标准文档。
中华人民共和国国家标准
啤酒试验方法
Analyticmethodsofbeers
1主题内容与适用范围
本标准规定了啤酒试验的基本原则和方法。本标准适用于啤酒的试验。
2引用标准
GB/T4928—1991
GB601化学试剂滴定分析(容量分析)用标准溶液的制备GB4789.1~4789.28食品卫生检验方法微生物学部分GB6682实验室用水规格
GB8170数值修约规则
3总则和基本要求
3.1总则
3.1.1本方法中所采用的名词术语、计量单位应符合国家规定的标准。3。1.2本标准中所用的各种分析仪器(如:分析天平、分光光度计等)要按时检定;所用比重瓶、移液管、容量瓶等器具应按有关检定规格定期校正。3。1.3本方法中的“仪器”为试验中所必须使用的特殊仪器,一般实验室仪器不再列入。
3.1.4本方法中所用水,在没有注明其他要求时,应符合GB6682中三级规格。
3.1.5本方法中所用试剂,在未注明其他规格时,均指分析纯(A.R.)。3.1.6试验方法中“溶液”,在未注明溶剂外,均为水溶液。3.1.7同一检测项目,有两个或两个以上试验方法时,各实验室可根据各自条件选用,但以第一法为仲裁法。3。1.8数据的计算与取舍,应遵照GB8170执行。3.1.9理化指标以实测数据报告其试验结果,有效数字要与技术要求相一致。3.2基本要求
3.2.1测定样品,必须做平行试验。3.2.2试验中所用玻璃器血,用前须视洁污程度分别以铬酸洗涤液浸泡或以洗涤剂清洗,然后用自来水冲洗,再用蒸馏水洗干净。3.2.3试验方法中的有效数字,表示吸取或称量时要求达到的精密度。3.2.4卫生指标的检验须用GB4789.1~4789.28中相应的试验方法。4啤酒试样的制备
4.1原理
用反复注流等方式除去啤酒中的二氧化碳,以消除其在理化分析中的影响。4.2样品制备
4.2.1方法
取预先在冰箱中冷至10~15℃的啤酒500~700mL于清洁、干燥的1000mL糖瓷杯中,以细流注入同样体积的另一糖瓷杯中,注入时两糖瓷杯之间距离约国家技术监督局1991—09—10批准1992—08—01实施
GB4928—1991
20~30cm。反复注流50次(一个反复为一次),以充分除去酒中二氧化碳,静置。
4.2.2方法二
取预先在冰箱中冷至10~15℃的啤酒,启盖后经快速滤纸过滤至三角烧瓶中,稍加振摇,静置,以充分除去酒中的二氧化碳。4.3样品保存
除气后的啤酒,用表面玻璃盖住,其温度应保持在15~20℃左右备用。啤酒除气操作时的室温应不超过25℃。5啤酒浊度的试验方法
5,1原理
EBC浊度计是利用光学原理测定啤酒由于老化或受冷而引起的混浊。其测量指示盘按EBCFormazin浊度单位进行刻度,可直接测出样品的混浊度。5.2试验方法
5.2.1仪器
EBC浊度计。
5.2.2试验程序
按仪器使用说明书,直接对瓶装酒样进行测定。或取4.2.1中已制备好的酒样倒入标准杯中,用EBC浊度计进行测定。所得结果应表示至一位小数。
5。2.3结果的允许差
平行试验测定值之差,不得超过0.2EBC。6啤酒泡沫的试验方法
6.1原理
使用同一构造的器具,在同一温度、固定条件下,测定啤酒泡沫消失速度以秒表示。
6.2试验方法
6.2.1仪器
6.2.1.1秒表。
6.2.1.2无色透明玻璃杯(规格见图1):必须预先彻底清洗其表面油污,严防灰尘污染,在于燥后再使用。试验前,置于试验房间内放置10min。6.2.1.3铁架台、铁环。
灌娜片
6.2.2试验程序
6.2.2.1泡沫的形态
国家技术监督局1991—09—10批准1992—08—01实施
GB4928—1991
将玻璃杯置于铁架台底座上,固定铁环于距杯口3cm处。将原瓶(罐)啤酒置于15℃水浴中保持至等温后启盖,立即置瓶(罐)口于铁环上,沿杯中心线(如图示),以均匀流速将啤酒注入杯中,直至泡沫高度与杯口相齐时止。同时按秒表计时,观察泡沫升起情况,记录泡沫的形态(包括色泽和粗细)。试验时严禁有空白流通现象;测定前样品瓶避免振摇。6.2.2.2泡持性
记录从泡沫初始至消失(或露出0.05cm酒面)的时间,以秒表示。观察泡沫挂杯情况。所得结果取整数。7啤酒色度的试验方法
7.1原理
将除气后的酒样注入EBC比色计(或SD色度仪)的比色血中,与标准色盘比较,确定酒样的色度。
7.2试验方法
7.2.1仪器
EBC比色计(或SD色度仪)。
7.2.2试剂和溶液
7.2.2.1Hartong基准溶液:称取0.100g重铬酸钾(K,Cr20)及3.500g亚硝酰铁氰化钠Na2[Fe(CN)sNO/2H2O,用水溶解并定容至1000mL,贮于棕色瓶中,于暗处放置24h后使用。
7.2.3试验程序
7.2.3.1试验
a。仪器的校正:将Hartong溶液注入40mm比色血,用色度计测定。其标准色度应为15EBC单位;若使用25mm比色血,其标准读数为9.4EBC。仪器的校正应每周一次。
b.将4.2中已制备好的酒样(否则需滤纸过滤)注入25mm比色血中,然后放到比色盒中,与标准色盘进行比较,当两者色调一致时,即可直接读数为结果。
7.2.3.2计算
a.如使用其他规格的比色血,则需要换成25mm比色血的数据为其结果。换算式如下:
SD = B,×25..
式中:SD一样品的色度,EBC单位;一实测色度,EBC单位
Bz——使用比色血厚度,mm;
25—换算系数,mm。
b.测定浓度和黑色啤酒时,需进行稀释,用测定结果乘以稀释倍数。所得结果应表示至一位小数。
7.2.4结果的允许差
(1)
平行试验测定值之差,SD≤10EBC时不得大于0.5EBC。SD>10EBC时稀释样平行实验测定值之差不得大于1.OEBC。8啤酒酒精度的试验方法
国家技术监督局1991—09—10批准1992—08—01实施
GB4928-—1991
8.1原理
第一法比重瓶法
酒精比重系指20℃时,酒精质量与同体积纯水质量之比值,通常以D20表示,然后,查表得出试样中酒精含量的质量百分比,即酒精度,以%(m/m)表示。
8.2试验方法
8.2.1仪器
8.2.1.1全玻璃蒸馏器:500mL。8.2.1.2高精度恒温水浴:精度土0.1℃。8.2.1.3附温度计比重瓶:25mL。8.2.2试验程序
8.2.2.1样品的制备
精密称取100.0g4.2中已制备好的酒样(液温20℃)于500mL已知质量的蒸馏瓶中,加50mL水和数粒玻璃珠,装上蛇型冷凝器,以已知质量的100mL容量瓶接收蒸馏液(外加冰浴),缓缓加热蒸馏,收集约95mL蒸馏液(应在30~60min内完成),取下容量瓶,调液温至20℃,然后加水恢复蒸馏液至原重100.0g(此时总质量为100.0g+容量瓶质量),混匀,备用。8.2.2.2测定A:
&将比重瓶洗净、干燥、称量,反复操作,直至恒重。b.将煮沸冷却至15℃的蒸馏水注满恒重的比重瓶,插上带温度计的瓶塞(瓶中应无气泡),立即浸于20土0.1℃的高精度恒温水浴中,待内容物温度达20℃,并保持20min不变后取出。用滤纸吸去溢出支管的水,立即盖好小帽,擦干后,称量。
8.2.2.3测量B
将水倒去,用样品反复冲洗比重瓶三次,然后装满8.2.2.1制备的样品,按8.2.2.2同样操作。
8.2.3计算
D20=mz-m
式中:D20—酒样蒸馏液(20℃)的比重;-比重瓶的质量,g;
-比重瓶和水的质量,g;
比重瓶和酒样蒸馏液的质量,g。根据酒样比重D20,查附录A(补充件),得出酒精度%(m/m)。所得结果应表示至一位小数。
8.2.4结果的允许差
平行试验测定值之差,不得超过0.05%(m/m)。第二法气相色谱法
国家技术监督局1991—09—10批准(2)
1992—08—01实施
GB4928-—1991
8.3原理
酒样在气相色谱仪中通过色谱柱时,由于在气固两相中吸附系数不同,而使乙醇与其他组分得以分高,利用氢火焰离子化检测器进行鉴定,用内标法定量。
8.4试验方法
8.4.1仪器
8.4.1.1气相色谱仪:配有氢火焰离子化检测器。8.4.1.2微量注射器。
8。4.1.3快速定性滤纸。
8.4.2试剂
8.4.2.1乙醇:色谱纯:作标样用。8. 4. 2. 2
乙醇标准溶液:用5个已知质量的100mL容量瓶,分别称取2.003.00,3.50,4.00,4.50g乙醇,再分别加水至100.0g。正丙醇:密度=0.8039,色谱纯,作内标用。8.4.2.31
8.4.3色谱柱与色谱条件
8.4.3.1色谱柱(不锈钢或玻璃):2m。8. 4. 3. 2
固定相:Chromosorb103,60~80目,或性能近似的其他柱材料。8.4.3.3
柱温:200℃。
气化室和检测器温:240℃。
载气(氮气)流量:40mL/min。氢气流量:40mL/min。
8.4.3.7空气流量:500mL/min。注:上述条件应根据不同仪器通过试验选择最佳操作条件,以使乙醇和正丙醇获得完全分离,并使乙醇在1min左右流出为最佳。8。4.4试验程序
8.4.4.1工作曲线的绘制:分别称取10g(精确至0.01g)8.4.2.2中不同浓度的乙醇标准溶液于5个10mL容量瓶中,分别加入0.402g(=0.5mL)正丙醇内标溶液混匀。在上述色谱条件下进样0.3uL,以标样峰面积和内标峰面积比值,对酒精浓度作标准曲线,或建立相应的回归方程。8.4.4.2样品的测定:称取4.2.2中制备好的酒样10g(精确至0.01g)于10mL容量瓶中,准确加入0.402g正丙醇内标溶液,混匀,然后操作同8.4.4.1。8.4.5计算
用样品组分峰面积与内标峰面积的比值,查工作曲线,或用回归方程计算出样品中的酒精含量。
所得结果应表示至一位小数。
8.4.6结果的允许差
平行试验测定值之差,不得超过0.05%(m/m)。9啤酒原麦汁浓度的试验方法
9.1原理
以比重瓶法(原理同8.1)测出样品中的真正浓度和酒精度,按经验公式计算出样品原麦汁的浓度。
9.2试验方法
9.2.1真正浓度
国家技术监督局1991—09—10批准1992—08—01实施
GB4928—1991
9.2.1.1仪器
a高精度恒温水浴:精度土0.1℃。b.附温度计比重瓶:25mL。
9.2.1.2试验程序
a。样品的制备:用已知质量的蒸发皿称取100.0g4.2中已制备好的酒样,于沸水浴上蒸发至原体积的1/3,取下冷却,加水恢复至原质量,混匀。b.样品的测定:步骤同8.2.2.2和8.2.2.3。用其在20/20℃时的比重,从附录B(补充件)查得浸出物含量的质量百分率,即为真正浓度。9.2.2酒精度同第8章。
9.2.3计算
(A× 2.0665 +n)× 100
100+Ax1.0665
式中:Xi原麦汁浓度,%(m/m);A—酒精含量,%(m/m);此内容来自标准下载网
n真正浓度,%(m/m)。
所得结果应表示至一位小数。
9。2.4结果的允许差
同一样品的两次平行测定值之差,不得超过0.1%(m/m)。10啤酒总酸的试验方法
10.1原理
:(3)
利用酸碱中和原理,以氢氧化钠标准溶液直接滴定啤酒样品的总酸,用pH计测量滴定终点,最后由消耗氢氧化钠标准溶液的体积计算啤酒中总酸的含量。10.2试验方法
10.2.1仪器
10.2.1.1pH计。
10.2.1.2电磁搅拌器。
10.2.1.3恒温水浴锅。
10.2.2试剂
10.2.2.1氢氧化钠标准溶液[c(Na0H)=0.1mo1/L]:按GB601配制与标定。10.2.3试验程序
10.2.3.1样品的处理:吸取50.00mL4.2中已制备好的酒样于100mL烧杯中,置于40℃水浴中保温30min,并不时振摇,以除去残余的二氧化碳,然后冷却至室温。
10.2.3.2样品的测定:
a。按仪器使用说明书校正pH计,并注意校正和测定时的温度要一致。b.将事先用pH9.22标准缓冲溶液校准过的玻璃电极和甘汞电极插入样品杯中,在电磁搅拌器搅拌下用氢氧化钠标准溶液滴定至pH9.0,记录氢氧化钠标准溶液的用量。
10.2.4计算
X2-2XcxV.
:(4)
式中:X2总酸的含量,即100mL样品消耗氢氧化钠标准溶液[c(Na0H)=1mo1/LJ的毫升数,mL/100mL;
氢氧化钠标准溶液的浓度,mo1/L;国家技术监督局1991—09—10批准1992—08—01实施
GB4928-—1991
V一消耗氢氧化钠标准溶液的体积,mL;2—换算成100mL酒样的系数。
所得结果应表示至二位小数。
10.2.5结果的允许差
同一样品的两次平行测定值之差,不得超过0.1mL/100mL。11啤酒二氧化碳的试验方法
11.1原理
以亨利定律为基础,在25℃时用二氧化碳压力测定仪测出样品的总压、瓶颈空气体积和瓶颈空容体积,然后计算出啤酒中二氧化碳的含量,以%(m/m)表示。
11.2试验方法
11.2.1仪器
11,2.1,1二氧化碳测定仪(如图2)。温比计
值水难断
更北装
11.2.2试剂
11.2.2.1氢氧化钠溶液:400g/L。11.2.3试验程序
11.2.3.1试验前准备:将二氧化碳测定仪的三个组成部分之间用胶管或塑料管接好,在碱液水准瓶和刻度吸管中装入氢氧化钠溶液(40%),并用水或氢氧化钠(也可使用瓶装酒)完全顶出连接刻度吸收管与穿孔装置之间胶管中的空气。
11.2.3.2表压的测定:取瓶装酒样置于25℃水浴中,保温30min后取出,将酒瓶置于穿孔装置下穿孔。并用手摇动酒瓶(连同支架)直至压力表指针达到最大恒定值,记下读数(即表压)。11.2.3.3瓶颈空气体积的测定:慢慢打开穿孔装置的出口阀,让瓶内气体国家技术监督局1991—09—10批准1992—08—01实施
GB_4928—1991
缓缓流入吸收管,当压力表指示降至零时,立即关闭出口阀,倾斜摇动吸收管,使管内气体中二氧化碳被碱液充分吸收,直至气体体积达到最小恒定值。调整水准瓶,使之静压相等,从刻度吸收管上读取瓶颈空气的体积。11.2.3.4瓶颈空容体积的测定,在测定前,先在瓶壁上标记酒的液面。测定时用水将酒样瓶装满至瓶顶,然后将标记上部的水注入100mL量筒中,使留在瓶内液体的水平面正好与预先在瓶颈上所作标记重合。倒出的水体积即为瓶颈空容体积。
11.2.4计算
X, =(P-0.101×V,/V)×1.40 ..式中:X,二氧化碳含量,%(m/m);P—绝对压力(表压+0.101),MPa;V2—瓶颈空气体积,mL
Vi瓶颈空容体积,mL;
:(5)
1.40—25℃、1MPa压力时,100g试样中溶解的二氧化碳克数,g。注:1大气压=0.101MPa。
所得结果应表示至二位小数。
11.2.5结果的允许差
同一样品的两次平行测定值之差,不得超过0.02%(m/m)。12啤酒双乙酰的试验方法
12.1原理
邻苯二胺与双乙酰反应,生成2,3-二甲喹喔啉,在335nm下有一最大吸收可对双乙酰进行定量测定。由于其他联二酮类具有相同的反应特性,因此上述测定结果为总联二酮含量。
其反应式为:
Ho-oo +
H,C C-O
12.2试验方法
12.2.1仪器
12.2.1.1紫外分光光度计。
12.2.1.2带有加热套管的双乙酰蒸器。+2HO
12.2.1.3具有锥形瓶(或平底蒸馏烧瓶)的蒸汽发生瓶:2000mL(或3000mL)。12.2.2试剂
12.2.2.1盐酸溶液[c(HC1)=4mo1/L]。12.2.2.2邻苯二胺溶液(10g/L):称取0.100g邻苯二胺溶于盐酸溶液[c(HC1)=4mo1/L]中,并定容至10mL,摇匀,放于暗处,当天使用。12.2.2.3有机硅消泡剂(或甘油聚醚)。12.2.3试验程序
12.2.3.1蒸馏:将双乙酰蒸馏器装好,加热蒸汽发生瓶,使水至沸,通汽预热后,置25mL容量瓶于冷凝器下口,外加冰浴冷却,加2~4滴消泡剂于100mL量筒中,再注入未经除气的预先冷至5℃左右的酒样100mL,迅速加入已预热的国家技术监督局1991—09—10批准1992—08—01实施
GB4928—1991
蒸馏器内,并用少量水冲洗带塞漏斗,盖塞。然后用水封口,进行蒸馏,直至蒸馏液接过25mL时(蒸馏需在3~5min内完成),取下容量瓶,用水定容至刻度,摇匀。
12.2.3.2显色与测量:分别吸取蒸馏液10.00mL于两支比色管中,并于第一支管中加入0.5mL邻苯二胺溶液,第二支管中不加(作空白)充分摇匀后,同时置于暗处放置20~30min,然后于第一支管中加2mL盐酸溶液[c(HC1)=4mo1/L],于第二支管中加入2.5mL盐酸溶液[c(HC1)=4mo1/L],混匀后,于335nm波长下,用20mm比色血,以空白调零点,测定其吸光度。比色测定操作须在20min内完成。
12.2.4计算
X4 = A35 ×1.2
式中:X—双乙酰的含量,mg/L;A335在335nm波长下,用20mm比色血测定的吸光度:1.2—吸光度与双乙酰含量的换算系数。所得结果应表示至二位小数。
12.2.5结果的允许差
同一样品的两次平行测定值之差,不得超过0.01mg/L。附录A
比重与酒精含量对照表
(补充件)
(20℃/20℃)
酒精含量
国家技术监督局1991—09—10批准比重
(20℃/20℃)
酒精含量
(20℃/20℃)
酒精含量
1992—08—01实施
GB_4928—1991
(20℃/20℃)
浸出物含量
附录B
比重与浸出物含量对照表
(补充件)
(20℃/20℃)
国家技术监督局1991—09—10批准浸出物含
(20℃/20℃)
浸出物含量
1992—08—01实施
GB4928—1991
品评术语
附录C
啤酒感官品评一般规则
(参考件)
C1.1香气:系指啤酒花香气、麦芽香气,无老化气味和生啤酒花气味及其他怪、异气味。
国家技术监督局1991—09—10批准19920801实施
GB4928—1991
C1.2口味
C1.2.1纯正:没有双乙酰味、酵母味、氧化味、麦皮味、酸味及其他异、杂味。
C1.2.2爽口:酒体协调、柔和,苦味愉快而消失迅速,没有后苦味、涩味、焦糖味和甜味。
C1.2.3醇厚:酒体圆满而口味不单调。C1.2.4杀口:有二氧化碳的刺激感,清爽,口感不淡薄如水。C2原理
啤酒感官品评定者通过眼、鼻、口等感觉器官对啤酒的外观、香气和口味和整体感觉来鉴别啤酒的风味质量。C3品评要求
C3.1评酒员
挑选作风正派、大公无私、实事求是、认真负责、对香气和口味敏捷、具有中等以上文化水平的同志,并要经过一定时间的培训。品酒时,评酒员应保持良好情绪。凡过分疲劳、激动、情绪不安或患感冒者,均不宜参加品评。在品评前或品评过程中不能吸烟,也不能吃油腻和辛辣食物。C3.2评酒室
C3.2.1评酒室要清洁、安静,光线明亮、柔和,阳光不得直射室内,室内空气新鲜,不允许有任何异味存在。室温在1020℃。C3.2.2评酒室内设若干评酒员专座,互相隔干,避免干扰影响,每张桌上铺白布,备存台灯及漱口用的玻璃杯。每个座位都有上、下水装置(或备有水盆)。C3.3品尝杯
采用专门加工的洁净的、无色透明啤酒品尝杯(见下图)。drcm
C4品评项目
C4.1外观
C4.1.1透明度和色泽:取洗掉标签或未贴标签的瓶装酒,置于明亮处进行透光观察,然后开盖,将酒倒入杯中进行观察。罐车和桶装啤酒,取样后直接倒入洁净的杯中进行观察。
C4.1.2浊度:见第5章。
C4.2泡沫:见第6章。
C4.3色度:见第7章。
C4.4香气和口味
国家技术监督局1991—09—10批准1992—08—01实施
小提示:此标准内容仅展示完整标准里的部分截取内容,若需要完整标准请到上方自行免费下载完整标准文档。
标准图片预览:





- 其它标准
- 上一篇: SB/T 10066-1992 油料轧辊
- 下一篇: SB/T 10069-1992 花色挂面
- 热门标准
- 国家标准(GB)
- GB/T18204.4-2000 公共场所毛巾、床上卧具微生物检验方法细菌总数测定
- GB50367-2013 混凝土结构加固设计规范
- GB8552-1987 电子器件详细规范 低功率非线绕固定电阻器 RJ13型金属膜固定电阻器评定水平E(可供认证用)
- GB/T11379-2008 金属覆盖层 工程用铬电镀层
- GB/T23892.3-2009 滑动轴承 稳态条件下流体动压可倾瓦块止推轴承 第3部分:可倾瓦块止推轴承计算的许用值
- GB/T20976-2023 软冰淇淋预拌粉质量要求
- GB/T9145-2003 普通螺纹 中等精度、优选系列的极限尺寸
- GB/T9239-1988 刚性转子平衡品质 许用不平衡的确定
- GB/T15917.3-1995 金属镝及氧化镝化学分析方法 对氯苯基荧光酮--溴化十六烷基三甲基胺分光光度法测定钽量
- GB/T11839-1989 二氧化铀芯块中硼的测定 姜黄素萃取光度法
- GB/T6122.1-2002 圆角铣刀 第1部分:型式和尺寸
- GB/T7433-1987 对称电缆载波通信系统抗无线电广播和通信干扰的指标
- GB/T12053-1989 光学识别用字母数字字符集 第一部分:OCR-A字符集印刷图象的形状和尺寸
- GB/T14463-2022 粘胶短纤维
- GB13851-2022 内河交通安全标志
- 行业新闻
请牢记:“bzxz.net”即是“标准下载”四个汉字汉语拼音首字母与国际顶级域名“.net”的组合。 ©2025 标准下载网 www.bzxz.net 本站邮件:bzxznet@163.com
网站备案号:湘ICP备2025141790号-2
网站备案号:湘ICP备2025141790号-2