【国家标准(GB)】 矿用橡套软电缆 第5部分:额定电压0. 66/1.14 kV及以下移动橡套软电缆
本网站 发布时间:
1991-06-06 16:00:00
- GB12972.5-1991
- 已作废
- 点击下载此标准
标准号:
GB 12972.5-1991
标准名称:
矿用橡套软电缆 第5部分:额定电压0. 66/1.14 kV及以下移动橡套软电缆
标准类别:
国家标准(GB)
英文名称:
Mining rubber-sheathed flexible cables Part 5: Mobile rubber-sheathed flexible cables with rated voltage 0.66/1.14 kV and below标准状态:
已作废-
发布日期:
1991-06-06 -
实施日期:
1992-03-01 -
作废日期:
2009-04-01 出版语种:
简体中文下载格式:
.rar.pdf下载大小:
124.08 KB
点击下载
标准简介:
标准下载解压密码:www.bzxz.net
本标准规定了额定电压0.66/1.14kV移动橡套软电缆产品品种、技术要求、试验方法和检验规则。本标准适用于额定电压0.66/1.14kV及以下移动设备用铜芯橡皮绝缘橡皮护套软电缆。本标准应与GB l2972.1一起使用。 GB 12972.5-1991 矿用橡套软电缆 第5部分:额定电压0. 66/1.14 kV及以下移动橡套软电缆 GB12972.5-1991
部分标准内容:
中华人民共和国国家标准
矿用橡套软电缆
第5部分:额定电压0.66/1.14kV及以下移动橡套软电缆
Flexible rubber-sheathed cables for mining purposesPart5Flexiblecablesforratedvoltageupto0.66/1.14kv主题内容与适用范围
GB12972.5—91
代替GB1170—74
本标准规定了额定电压0.66/1.14kV移动橡套软电缆产品品种、技术要求、试验方法和检验规则。本标准适用于额定电压.0.66/1.14kV及以下移动设备用铜芯橡皮绝缘橡皮护套软电缆。本标准应与GB12972.1一起使用。2使用特性
2.1额定电压U./U分别为0.38/0.66和0.66/1.14kV。2.2电缆导体的长期允许工作温度为65℃。2.3电缆的最小弯曲半径为电缆直径的6倍。2.4黄色护套电缆不得在日光下长期暴露。3型号
电缆型号如表1。
UY-0.38/0.66
UYP-0.38/0.66
UYP-0.66/1.14
矿用移动橡套软电缆
矿用移动屏蔽橡套软电缆
矿用移动屏蔽橡套软电缆
3.2电缆型式如图1。
国家技术监督局1991-06-06批准用
额定电压0.38/0.66kV各种井下移动采煤设备的电源连接
额定电压0.38/0.66kV各种井下移动采煤设备的电源连接
额定电压0.66/1.14.kV各种井下移动采煤设备的电源连接
1992-03-01实施
4规格
UYP-0.38/0.66
UYP-0.66/1.14
GB12972.5—91
UY-0.38/0.66
1—动力线芯导体;2填充;3—绝缘;4一绝缘屏蔽;5一地线芯导体;6一外护套
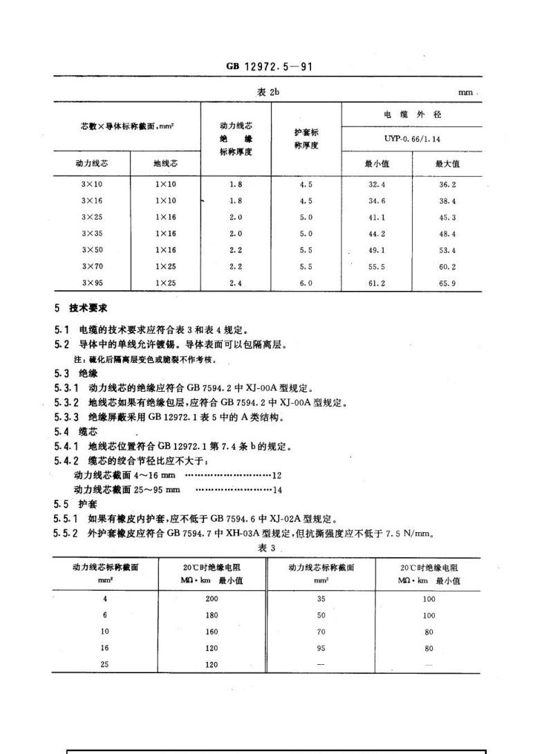
电缆规格应符合表2a和表2b规定。电缆规格应符合表2a和表2b规定。表2a
电缆外径
芯数×导体标称截面,mm2
动力线芯
地线芯
动力线芯
标称厚度
护套标
称厚度
UY-0.38/0.66
最小值
最大值此内容来自标准下载网
UYP-0.38/0.66
最小值
最大值
芯数×导体标称截面,mm2
动力线芯
5技术要求
地线芯
GB 12972.5-91
动力线芯
标称厚度
5.1电缆的技术要求应符合表3和表4规定。5.2导体中的单线允许镀锡。导体表面可以包隔离层。注:硫化后隔离层变色或脆裂不作考核。5.3绝缘
护套标
称厚度
5.3.1动力线芯的绝缘应符合GB7594.2中XJ-00A型规定。5.3.2地线芯如果有绝缘包层,应符合GB7594.2中XJ-00A型规定。5.3.3绝缘屏蔽采用GB12972.1表5中的A类结构。5.4缆芯
5.4.1地线芯位置符合GB12972.1第7.4条b的规定。5.4.2缆芯的绞合节径比应不大于:动力线芯截面4~16mm
动力线芯截面25~95mm
5.5护套
.......
..·12
5.5.1如果有橡皮内护套,应不低于GB7594.6中XJ-02A型规定。电缆外径
UYP-0.66/1.14
最小值
5.5.2外护套橡皮应符合GB7594.7中XH-03A型规定,但抗撕强度应不低于7.5N/mm。表3
动力线芯标称截面
20℃时绝缘电阻
Mn·km最小值
动力线芯标称截面
最大值
20℃C时绝缘电阻
MQ·km最小值
6试验和检验规则
产品按表4规定试验。
项目名称
结构尺寸
绝缘厚度
屏蔽层
护套厚度
电缆外径
电缆性能
导体电阻
绝缘电阻
过渡电阻
工频交流电压
燃烧试验
机械冲击试验
挤压试验
绝缘物理机械
护套物理机械
识别标志
交货长度
GB12972.5-91
技术要求
GB12972.1第4.1条及本标准第5.2条GB12972.1第5.2条及本标准表2a和表2b本标准第5.3.3条
GB12972.1第7条及本标准第5.4条GB12972.1第8条及本标准表2a和表2b本标准表2a和表2b
GB12972.1表1
本标准表3
GB12972.1第11.4条
(不适用于UY-0.38/0.66)
GB12972.1表8
GB12972.1第11.6条
16~35mm2者*2次
50~95mm2者..3次
UY-0.38/0.66和UYP-0.38/0.66***30kNUYP-0.66/1.1440kN
本标准第5.3条
本标准第5.5条
GB12972.1第10条
GB12972.1第11.12条
注:St表示定期试验,每年应至少进行一次。附加说明:
本标准由中华人民共和国机械电子工业部提出。本标准由机械电子工业部上海电缆研究所归口。试验类型
试验方法
目力检查
绞向目力检查
GB12972.1附录D
GB12666.2
GB12972.1附录A
GB12972.1附录B
GB2951
GB2951
GB6995
计米器
本标准由机械电子工业部上海电缆研究所、煤炭科学研究总院抚顺分院等单位负责起草。本标准主要起草人刘凤林、唐开宗。
小提示:此标准内容仅展示完整标准里的部分截取内容,若需要完整标准请到上方自行免费下载完整标准文档。
矿用橡套软电缆
第5部分:额定电压0.66/1.14kV及以下移动橡套软电缆
Flexible rubber-sheathed cables for mining purposesPart5Flexiblecablesforratedvoltageupto0.66/1.14kv主题内容与适用范围
GB12972.5—91
代替GB1170—74
本标准规定了额定电压0.66/1.14kV移动橡套软电缆产品品种、技术要求、试验方法和检验规则。本标准适用于额定电压.0.66/1.14kV及以下移动设备用铜芯橡皮绝缘橡皮护套软电缆。本标准应与GB12972.1一起使用。2使用特性
2.1额定电压U./U分别为0.38/0.66和0.66/1.14kV。2.2电缆导体的长期允许工作温度为65℃。2.3电缆的最小弯曲半径为电缆直径的6倍。2.4黄色护套电缆不得在日光下长期暴露。3型号
电缆型号如表1。
UY-0.38/0.66
UYP-0.38/0.66
UYP-0.66/1.14
矿用移动橡套软电缆
矿用移动屏蔽橡套软电缆
矿用移动屏蔽橡套软电缆
3.2电缆型式如图1。
国家技术监督局1991-06-06批准用
额定电压0.38/0.66kV各种井下移动采煤设备的电源连接
额定电压0.38/0.66kV各种井下移动采煤设备的电源连接
额定电压0.66/1.14.kV各种井下移动采煤设备的电源连接
1992-03-01实施
4规格
UYP-0.38/0.66
UYP-0.66/1.14
GB12972.5—91
UY-0.38/0.66
1—动力线芯导体;2填充;3—绝缘;4一绝缘屏蔽;5一地线芯导体;6一外护套
电缆规格应符合表2a和表2b规定。电缆规格应符合表2a和表2b规定。表2a
电缆外径
芯数×导体标称截面,mm2
动力线芯
地线芯
动力线芯
标称厚度
护套标
称厚度
UY-0.38/0.66
最小值
最大值此内容来自标准下载网
UYP-0.38/0.66
最小值
最大值
芯数×导体标称截面,mm2
动力线芯
5技术要求
地线芯
GB 12972.5-91
动力线芯
标称厚度
5.1电缆的技术要求应符合表3和表4规定。5.2导体中的单线允许镀锡。导体表面可以包隔离层。注:硫化后隔离层变色或脆裂不作考核。5.3绝缘
护套标
称厚度
5.3.1动力线芯的绝缘应符合GB7594.2中XJ-00A型规定。5.3.2地线芯如果有绝缘包层,应符合GB7594.2中XJ-00A型规定。5.3.3绝缘屏蔽采用GB12972.1表5中的A类结构。5.4缆芯
5.4.1地线芯位置符合GB12972.1第7.4条b的规定。5.4.2缆芯的绞合节径比应不大于:动力线芯截面4~16mm
动力线芯截面25~95mm
5.5护套
.......
..·12
5.5.1如果有橡皮内护套,应不低于GB7594.6中XJ-02A型规定。电缆外径
UYP-0.66/1.14
最小值
5.5.2外护套橡皮应符合GB7594.7中XH-03A型规定,但抗撕强度应不低于7.5N/mm。表3
动力线芯标称截面
20℃时绝缘电阻
Mn·km最小值
动力线芯标称截面
最大值
20℃C时绝缘电阻
MQ·km最小值
6试验和检验规则
产品按表4规定试验。
项目名称
结构尺寸
绝缘厚度
屏蔽层
护套厚度
电缆外径
电缆性能
导体电阻
绝缘电阻
过渡电阻
工频交流电压
燃烧试验
机械冲击试验
挤压试验
绝缘物理机械
护套物理机械
识别标志
交货长度
GB12972.5-91
技术要求
GB12972.1第4.1条及本标准第5.2条GB12972.1第5.2条及本标准表2a和表2b本标准第5.3.3条
GB12972.1第7条及本标准第5.4条GB12972.1第8条及本标准表2a和表2b本标准表2a和表2b
GB12972.1表1
本标准表3
GB12972.1第11.4条
(不适用于UY-0.38/0.66)
GB12972.1表8
GB12972.1第11.6条
16~35mm2者*2次
50~95mm2者..3次
UY-0.38/0.66和UYP-0.38/0.66***30kNUYP-0.66/1.1440kN
本标准第5.3条
本标准第5.5条
GB12972.1第10条
GB12972.1第11.12条
注:St表示定期试验,每年应至少进行一次。附加说明:
本标准由中华人民共和国机械电子工业部提出。本标准由机械电子工业部上海电缆研究所归口。试验类型
试验方法
目力检查
绞向目力检查
GB12972.1附录D
GB12666.2
GB12972.1附录A
GB12972.1附录B
GB2951
GB2951
GB6995
计米器
本标准由机械电子工业部上海电缆研究所、煤炭科学研究总院抚顺分院等单位负责起草。本标准主要起草人刘凤林、唐开宗。
小提示:此标准内容仅展示完整标准里的部分截取内容,若需要完整标准请到上方自行免费下载完整标准文档。
标准图片预览:




- 热门标准
- 国家标准(GB)
- GB/T2828.1-2012 计数抽样检验程序 第1部分:按接收质量限(AQL)检索的逐批检验抽样计划
- GB/T42854-2023 民用飞机客户培训飞行模拟机通用技术规范
- GB/T7534-1987 工业用挥发性有机液体沸程的测定
- GB/T228.1-2021 金属材料 拉伸试验 第1部分:室温试验方法
- GB/T15449-1995 管壳额定开关用场效应晶体管空白详细规范
- GB/T18204.4-2000 公共场所毛巾、床上卧具微生物检验方法细菌总数测定
- GB8552-1987 电子器件详细规范 低功率非线绕固定电阻器 RJ13型金属膜固定电阻器评定水平E(可供认证用)
- GB/T3836.1-2021 爆炸性环境 第1部分:设备 通用要求
- GB/T20976-2023 软冰淇淋预拌粉质量要求
- GB/T15917.3-1995 金属镝及氧化镝化学分析方法 对氯苯基荧光酮--溴化十六烷基三甲基胺分光光度法测定钽量
- GB/T11839-1989 二氧化铀芯块中硼的测定 姜黄素萃取光度法
- GB/T6122.1-2002 圆角铣刀 第1部分:型式和尺寸
- GB/T7433-1987 对称电缆载波通信系统抗无线电广播和通信干扰的指标
- GB/T12053-1989 光学识别用字母数字字符集 第一部分:OCR-A字符集印刷图象的形状和尺寸
- GB4706.19-2008 家用和类似用途电器的安全 液体加热器的特殊要求
- 行业新闻
请牢记:“bzxz.net”即是“标准下载”四个汉字汉语拼音首字母与国际顶级域名“.net”的组合。 ©2025 标准下载网 www.bzxz.net 本站邮件:bzxznet@163.com
网站备案号:湘ICP备2025141790号-2
网站备案号:湘ICP备2025141790号-2