- 您的位置:
- 标准下载网 >>
- 标准分类 >>
- 电子行业标准(SJ) >>
- SJ 50033.50-1994 半导体分立器件 QL73型硅三相桥式整流器详细规范
标准号:
SJ 50033.50-1994
标准名称:
半导体分立器件 QL73型硅三相桥式整流器详细规范
标准类别:
电子行业标准(SJ)
标准状态:
现行-
发布日期:
1994-09-30 -
实施日期:
1994-12-01 出版语种:
简体中文下载格式:
.rar.pdf下载大小:
115.61 KB
中标分类号:
电子元器件与信息技术>>电子元器件与信息技术综合>>L01技术管理
点击下载
标准简介:
标准下载解压密码:www.bzxz.net
本规范规定了QL73型硅三相桥式整流器(以下简称器件)的详细要求。本规范适用于器件的研制、生产和采购。 SJ 50033.50-1994 半导体分立器件 QL73型硅三相桥式整流器详细规范 SJ50033.50-1994
部分标准内容:
中华人民共和国电子行业军用标准FL5961
SJ50033.50-94
半导体分立器件OL73型
硅三相桥式整流器详细规范
Semniconduclor discrete deviceDetail specification for type QL73silicon three phase full wave bridge rectifier1994-09-30发布
1994-12-01实施
中华人民共和国电子工业部批准中华人民共和国电子行业军用标准半导体分立器件
QL73型硅三相桥式整流器
详细规范
Semiconductordiscrete deylceDetail specltfeallon for type QL73silicon three phase full wave brldge rectifier1范围
1.1主题内容
ST 50033.50 --94
本规范规定了QL73型硅二相桥式整流器(以下简称器件)的详细要求。1.2适用范围
本规范适用于器件的研制、生产和采购。1.3分类
本规范根据器件质量保证等级进行分类。1.3.1器件的等级
按GJB33(半导体分立器件点规范)1.3条的规定,提供的质量保证等级为普军、特军,分别用字母GP和GT表示,
2引用文件
GIB 402386半导体分立器件第2 部分;整流二级管GIB 33—85
GJB 128--86
3要求
3.1详细要求
半导体分立器件总规范
半导体分立器件试验方法
各项要求应按GJB33和本规范的规定。3.2设计、结构和外形尺寸
骼件的设计、结构和外形尺寸应按GJB33和本规范的规定。3.2.1引出端材料和涂层
引出端材料应为铜材,引出端表面应为锡层。3.2.2器件结构
器件采用二极管管芯直接烧结在基片上装入外壳,用环氧树脂灌封,利用金属底板散热。中华人民共和国电子工业部1994-09-30发布1995-12-01实施
TKAONKAca
3.2.3外形尺寸
SJ50033.50-94
外形尺寸应符合本规范图1 的规定。0
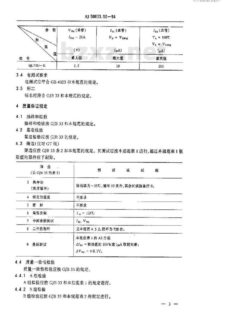
图1QL73型硅三相桥式整流器外形图3.3最大额定值和主要电特性
3.3.1最大额定值
Te ssc
Ic= ssr
t,=10ms
注:1)r。>55℃,按286mA/C线性降额,3.3.2±要电特性(TA=25C)
55 ~ + 125
-55 ~ + 130
T低电压
(C)(Pa)
1252400
QL73L)~ K
3.4电试要求
SJ 50033.50-94
VeM (单管)
IEM-20A
最人值
电测试应符合GB4023和本规范的规定。3.5 标志
标志应符合GJB33和本规范的规定。质鱼保证规定
4.1抽样和检验
抽样检验按 GIB 33 和本规范的规定,4.2鉴定检验
鉴定检验应按 GIB 33约规定。
4.3筛选(仅对GT级)
「Ri(单管)
Vg= VRwM
最大值
Irz(兰普)
Ta = 10ot.
Yr = VrwM
最大值
筛选应按G[B33表2和本规范的规定。其测试应按本规范表1进行,超过本规范表1极限值的器件应了剔除。免费标准下载网bzxz
(见 GJB 33 的表 2)
3热冲击
(温度循)
4恒定加速度
5密封
6高调反偏
7中间参数测试
8工作热循环
9最后测试
4.4质量一致唑检验
除低温为35,循环10饮外,其余阿试验条件B。不要求
不要求
TA= 125t
TRt,Vem
见本规范 4. 5. 2. 循环为 720 次,本规范表 1 的 A2 分组
4I初始值的100%或1pA取较大者:4Vm -- ±0.1V
质量致性检验应按GJB33的规定。4.4.1A组检验
A组检验应按GJB33和本规范表1的规定进行。4.4.2B组检验
B组检验应按GJB33和本规范表2的规定进行。-rKAONKAca-
4.4.3C组检验
SJ50033.50-94
C组检验应按 GJB 33 和本规范表3的规定进行。4.5捡验和试验方法
检验和试验方法应按本规范的表 1、表 2 和表 3 以及下列规定。4.5.1脉冲测试
脉冲测试条件应按 GJB 128 的 3.3.2.1的规定。4.5.2工作热循环
进行本试验时,器件的交流端输人50Hz三相正弦波电压,保持器件的输出电流为20A、管壳遮度为55C。通电时间 11≥8min,断电时间 t2≥2min为一个循环,断电期间使管壳温度下降20℃后,开始下一个循环。
4.5.3绝缘度
金属外壳接地,所有线端子接到直流电源高压端,在壳和接线端子之间施加电压2000V,并保持105,反向电流不超过10μA为合格。表 1 A组检验
检验或试验
A1分组
外及机械检验
A2分组
正向电压(单曾)
反向电流(单管)
A3分组
高温工作
反向电流(单營)
A6分组
浪电流(单管)
最后测试
A8分组
绝缘强度
GJB128
[N - 1.4.1
见本规范
附录A
规范4.5.3
GB 4023
IFM=20A
tp - 300us
占空因数2%
Vr = VrwM
TA= 100
V, - VruM
Te = s3t.
施加1or3
IPSM = 120A
1。=10ms
每间弱 1min 浪通一次,
共10次。
见表 4 步骤 1 和 2
极到外壳加直流电压
Vr = 2000V
报限值
最小值最大值
检验或试验
BI分短
可掉性
标志酶久性
B2 分组
热冲击(度循环)
最后测试:
,B3分组
工作热循环
最后测试:
B6 分组
高温命
(非工作状态)
最后测试:
检验或试验
C1分组
外形尺寸
C2分组
引出端强度
综含温度/混度周期试验
外观及机械拉验
量后测试:
C3 分组
变颗据动
最后测试:
Cs分组
低气压(适用时)
试验期间溉试反可电流
SJ 50033.5094
表 2 B 组检验
GJB 128
见本规范 4.5. 2
除低温为 - 55t,循环 10 次
外,其余间试验条作 B。
见表 4 步聚 1 和 2
循环1000次
见表 4 步染 1,2 利 3
T+= 130t
见表 4 步骤 1,2 和 3
表3C组检验
GJB12B
GB4023
见图1
试验条件 A
t = 10g
省略预处理
见表4步骤1和2
见表 4 步 1 和 2
2400Pa t -60s
Vr - VrwM
见表4步骤2
TTKAONKAca-
检验或试验
C6 分组
工作热循斑
最后溉试:
正向电压
反向电说
反向电流变化
SJ 50033.50-94
GJB128
见本规范
循环 2000 次
见表 4 步骤 1、2 和 3
表 4A组、B组和 C组电测试
GB4023
IrM- 20A
+p=300g
占空因数≤2%
Vr -- Vrtm
Vr = VeWM
注:1)本测试中[R1超适A组极限值的器件不应接收。5交货准备
5.t包装要求
包装要求应按 GJB 33 的规定。5.2贮存要求
贮存要求应按 GIB 33 的规定。5.3运输要求
运输要求应按GJB33翁规定。
6说明事项
6.1预定用途
符合本规范的器件提供新设备设计使用和供现有的后勤保障用。6.2订货资料
合同或订单应规定下列内容:
a:本规范的名称和编号:
h. 等级(观1.3,1);
c.数量:
d。 需要时的其他要求,
极限值
最小值
最大值
初始值的
100%或
1μA,取较人者
6,3对引出端材料和涂层有特殊要求时,应在合同或订货单中规定。如使用单位需要时.典型特性曲线等可在合同或订货单中规定。6
A目的
SI 50033.50 -- 94
附录A
正向(不重复)浪涌电流试验方法(补充件)
在规定条件,验证二极管正向(不重复)浪通电流的额定值。A2电路图
图A1向(不熏复)浪勇电流试验电源理图A3电路说明和要求
A-测试通过被测二极管正向平均电流的仪表;Y.~-峰值读数仪表或示波器:
D—设测二极管;
R3 --取样电阻;
一正向平均电流调定电;
R2——浪涌电流的调定电阻;
T控制器;
S1—向被测管提供正向平均电流的电源;一向被测管提供正向浪涌的电源;S2
流过被测二极管提供正向平均电流应与正向浪通电流相位应一致(见图A2)。TKAONKAca-
图中:
~正向浪滴电流:
IFM—正向峰值电流,
A4测试步骤
SJ50033.50-94
psM与Ieu的相位示意图
将S1和S2两电源都调至零:
b。将被测管按其极性标志指入试验台的管座,并检查环境温度:调节SI和R1,使Ar=测得的正向乎均电流达到规定值;c
调节S2和R2.从Y上测得的峰值电压观测正向浪通电流达到规定值;e:开启控制器,按下述规定的条件对被测管施加正向浪痛电流。f,根据试验后的测试来验证被测管承受正向浪涌电流额定值的能力。A5规定条件
正向浪涌电流的数值;
每次浪涌的周波数、浪涌次数和重复率;h.
环境温度:
试验后测试项目、投限值、测试条件。d
附加说明:
本规范由中国电子技术标准化研究所归口。本规范由国第八北七厂起草。
本规范主要起草人:陈志芳、张滨、金贵永。
计划项目代号:R11031。
小提示:此标准内容仅展示完整标准里的部分截取内容,若需要完整标准请到上方自行免费下载完整标准文档。
SJ50033.50-94
半导体分立器件OL73型
硅三相桥式整流器详细规范
Semniconduclor discrete deviceDetail specification for type QL73silicon three phase full wave bridge rectifier1994-09-30发布
1994-12-01实施
中华人民共和国电子工业部批准中华人民共和国电子行业军用标准半导体分立器件
QL73型硅三相桥式整流器
详细规范
Semiconductordiscrete deylceDetail specltfeallon for type QL73silicon three phase full wave brldge rectifier1范围
1.1主题内容
ST 50033.50 --94
本规范规定了QL73型硅二相桥式整流器(以下简称器件)的详细要求。1.2适用范围
本规范适用于器件的研制、生产和采购。1.3分类
本规范根据器件质量保证等级进行分类。1.3.1器件的等级
按GJB33(半导体分立器件点规范)1.3条的规定,提供的质量保证等级为普军、特军,分别用字母GP和GT表示,
2引用文件
GIB 402386半导体分立器件第2 部分;整流二级管GIB 33—85
GJB 128--86
3要求
3.1详细要求
半导体分立器件总规范
半导体分立器件试验方法
各项要求应按GJB33和本规范的规定。3.2设计、结构和外形尺寸
骼件的设计、结构和外形尺寸应按GJB33和本规范的规定。3.2.1引出端材料和涂层
引出端材料应为铜材,引出端表面应为锡层。3.2.2器件结构
器件采用二极管管芯直接烧结在基片上装入外壳,用环氧树脂灌封,利用金属底板散热。中华人民共和国电子工业部1994-09-30发布1995-12-01实施
TKAONKAca
3.2.3外形尺寸
SJ50033.50-94
外形尺寸应符合本规范图1 的规定。0
图1QL73型硅三相桥式整流器外形图3.3最大额定值和主要电特性
3.3.1最大额定值
Te ssc
Ic= ssr
t,=10ms
注:1)r。>55℃,按286mA/C线性降额,3.3.2±要电特性(TA=25C)
55 ~ + 125
-55 ~ + 130
T低电压
(C)(Pa)
1252400
QL73L)~ K
3.4电试要求
SJ 50033.50-94
VeM (单管)
IEM-20A
最人值
电测试应符合GB4023和本规范的规定。3.5 标志
标志应符合GJB33和本规范的规定。质鱼保证规定
4.1抽样和检验
抽样检验按 GIB 33 和本规范的规定,4.2鉴定检验
鉴定检验应按 GIB 33约规定。
4.3筛选(仅对GT级)
「Ri(单管)
Vg= VRwM
最大值
Irz(兰普)
Ta = 10ot.
Yr = VrwM
最大值
筛选应按G[B33表2和本规范的规定。其测试应按本规范表1进行,超过本规范表1极限值的器件应了剔除。免费标准下载网bzxz
(见 GJB 33 的表 2)
3热冲击
(温度循)
4恒定加速度
5密封
6高调反偏
7中间参数测试
8工作热循环
9最后测试
4.4质量一致唑检验
除低温为35,循环10饮外,其余阿试验条件B。不要求
不要求
TA= 125t
TRt,Vem
见本规范 4. 5. 2. 循环为 720 次,本规范表 1 的 A2 分组
4I初始值的100%或1pA取较大者:4Vm -- ±0.1V
质量致性检验应按GJB33的规定。4.4.1A组检验
A组检验应按GJB33和本规范表1的规定进行。4.4.2B组检验
B组检验应按GJB33和本规范表2的规定进行。-rKAONKAca-
4.4.3C组检验
SJ50033.50-94
C组检验应按 GJB 33 和本规范表3的规定进行。4.5捡验和试验方法
检验和试验方法应按本规范的表 1、表 2 和表 3 以及下列规定。4.5.1脉冲测试
脉冲测试条件应按 GJB 128 的 3.3.2.1的规定。4.5.2工作热循环
进行本试验时,器件的交流端输人50Hz三相正弦波电压,保持器件的输出电流为20A、管壳遮度为55C。通电时间 11≥8min,断电时间 t2≥2min为一个循环,断电期间使管壳温度下降20℃后,开始下一个循环。
4.5.3绝缘度
金属外壳接地,所有线端子接到直流电源高压端,在壳和接线端子之间施加电压2000V,并保持105,反向电流不超过10μA为合格。表 1 A组检验
检验或试验
A1分组
外及机械检验
A2分组
正向电压(单曾)
反向电流(单管)
A3分组
高温工作
反向电流(单營)
A6分组
浪电流(单管)
最后测试
A8分组
绝缘强度
GJB128
[N - 1.4.1
见本规范
附录A
规范4.5.3
GB 4023
IFM=20A
tp - 300us
占空因数2%
Vr = VrwM
TA= 100
V, - VruM
Te = s3t.
施加1or3
IPSM = 120A
1。=10ms
每间弱 1min 浪通一次,
共10次。
见表 4 步骤 1 和 2
极到外壳加直流电压
Vr = 2000V
报限值
最小值最大值
检验或试验
BI分短
可掉性
标志酶久性
B2 分组
热冲击(度循环)
最后测试:
,B3分组
工作热循环
最后测试:
B6 分组
高温命
(非工作状态)
最后测试:
检验或试验
C1分组
外形尺寸
C2分组
引出端强度
综含温度/混度周期试验
外观及机械拉验
量后测试:
C3 分组
变颗据动
最后测试:
Cs分组
低气压(适用时)
试验期间溉试反可电流
SJ 50033.5094
表 2 B 组检验
GJB 128
见本规范 4.5. 2
除低温为 - 55t,循环 10 次
外,其余间试验条作 B。
见表 4 步聚 1 和 2
循环1000次
见表 4 步染 1,2 利 3
T+= 130t
见表 4 步骤 1,2 和 3
表3C组检验
GJB12B
GB4023
见图1
试验条件 A
t = 10g
省略预处理
见表4步骤1和2
见表 4 步 1 和 2
2400Pa t -60s
Vr - VrwM
见表4步骤2
TTKAONKAca-
检验或试验
C6 分组
工作热循斑
最后溉试:
正向电压
反向电说
反向电流变化
SJ 50033.50-94
GJB128
见本规范
循环 2000 次
见表 4 步骤 1、2 和 3
表 4A组、B组和 C组电测试
GB4023
IrM- 20A
+p=300g
占空因数≤2%
Vr -- Vrtm
Vr = VeWM
注:1)本测试中[R1超适A组极限值的器件不应接收。5交货准备
5.t包装要求
包装要求应按 GJB 33 的规定。5.2贮存要求
贮存要求应按 GIB 33 的规定。5.3运输要求
运输要求应按GJB33翁规定。
6说明事项
6.1预定用途
符合本规范的器件提供新设备设计使用和供现有的后勤保障用。6.2订货资料
合同或订单应规定下列内容:
a:本规范的名称和编号:
h. 等级(观1.3,1);
c.数量:
d。 需要时的其他要求,
极限值
最小值
最大值
初始值的
100%或
1μA,取较人者
6,3对引出端材料和涂层有特殊要求时,应在合同或订货单中规定。如使用单位需要时.典型特性曲线等可在合同或订货单中规定。6
A目的
SI 50033.50 -- 94
附录A
正向(不重复)浪涌电流试验方法(补充件)
在规定条件,验证二极管正向(不重复)浪通电流的额定值。A2电路图
图A1向(不熏复)浪勇电流试验电源理图A3电路说明和要求
A-测试通过被测二极管正向平均电流的仪表;Y.~-峰值读数仪表或示波器:
D—设测二极管;
R3 --取样电阻;
一正向平均电流调定电;
R2——浪涌电流的调定电阻;
T控制器;
S1—向被测管提供正向平均电流的电源;一向被测管提供正向浪涌的电源;S2
流过被测二极管提供正向平均电流应与正向浪通电流相位应一致(见图A2)。TKAONKAca-
图中:
~正向浪滴电流:
IFM—正向峰值电流,
A4测试步骤
SJ50033.50-94
psM与Ieu的相位示意图
将S1和S2两电源都调至零:
b。将被测管按其极性标志指入试验台的管座,并检查环境温度:调节SI和R1,使Ar=测得的正向乎均电流达到规定值;c
调节S2和R2.从Y上测得的峰值电压观测正向浪通电流达到规定值;e:开启控制器,按下述规定的条件对被测管施加正向浪痛电流。f,根据试验后的测试来验证被测管承受正向浪涌电流额定值的能力。A5规定条件
正向浪涌电流的数值;
每次浪涌的周波数、浪涌次数和重复率;h.
环境温度:
试验后测试项目、投限值、测试条件。d
附加说明:
本规范由中国电子技术标准化研究所归口。本规范由国第八北七厂起草。
本规范主要起草人:陈志芳、张滨、金贵永。
计划项目代号:R11031。
小提示:此标准内容仅展示完整标准里的部分截取内容,若需要完整标准请到上方自行免费下载完整标准文档。
标准图片预览:





- 热门标准
- 电子行业标准(SJ)
- SJ50681.65-1994 TNC系列(接半硬电缆)插孔接触件法兰安装2级射频同轴插座连接器详细规范
- SJ995-75 双动冲床引伸模 落料凹模 引伸凹模
- SJ50599/10-2006 系列Ⅰ JY27466卡口连接压接式接触件墙式法兰安装固定电连接器(T类)详细规范
- SJ20792-2000 微通道板光电倍增管测试方法
- SJ1807-1981 2CC120(122、124)~2CC420(422、424)型硅调谐变容二极管
- SJ1736-1981 通信用送话器电声试验方法
- SJ20398-1994 机载雷达用栅控行波管钛泵电源通用规范
- SJ/T10783-1996 电子器件详细规范 半导体集成电路CD7176CP伴音中频放大电路(可供认证用)
- SJ1805-1981 2CC126型硅调频变容二极管
- SJ3004.7-1988 组合冲模 异形刃口
- SJ3183-1989 双卡套式管接头系列
- SJ/T10796-2001 防静电活动地板通用规范
- SJ/T11251-2001 射频电缆 第3-1部分:数字通信用水平布线同轴电缆-局域网用500m以下、10Mb/s及其以下泡沫介质同轴电缆详细规范
- SJ/T31180-1994 半自动烧枪机完好要求和检查评定方法
- SJ/T1146-1993 电容器用有机薄膜体积电阻率试验方法
- 行业新闻
请牢记:“bzxz.net”即是“标准下载”四个汉字汉语拼音首字母与国际顶级域名“.net”的组合。 ©2025 标准下载网 www.bzxz.net 本站邮件:bzxznet@163.com
网站备案号:湘ICP备2025141790号-2
网站备案号:湘ICP备2025141790号-2