- 您的位置:
- 标准下载网 >>
- 标准分类 >>
- 电子行业标准(SJ) >>
- SJ 20130-1992 金属镀层附着强度试验方法
标准号:
SJ 20130-1992
标准名称:
金属镀层附着强度试验方法
标准类别:
电子行业标准(SJ)
标准状态:
现行-
发布日期:
1992-11-19 -
实施日期:
1993-05-01 出版语种:
简体中文下载格式:
.rar.pdf下载大小:
123.80 KB

点击下载
标准简介:
标准下载解压密码:www.bzxz.net
本标准规定了金属基体与各种金属镀层之间附着强度的定性检验方法。本标准主要适用于电子器件引线镀层附着强度的检验。其他类似的电沉积层和化学沉积层附着强度的检验也可参照采用。 SJ 20130-1992 金属镀层附着强度试验方法 SJ20130-1992

部分标准内容:
中华人民共和国电子行业军用标准FL0140
SJ 20130-—92
金属镀层附着强度试验方法
Test methods for adhesion ofmetallic coatings
1992-11-19发布
中国电子工业总公司
1993-05-01实施
1范围
中华人民共和国电子行业军用标准金属镀层附着强度试验方法
Test melhods for adhesion ofmelallic coatings
SJ20130-92
本标准规定了金属基体与各种金网镀层之间附着强度的庭性检验方法。本标主要适用于电子式器件引线镀层附着强度的检验。其地类拟的电沉积层和化学沉积层闭着强度的检验也可参眼采用。2引用文件
本章光杀文。
3定义
本章无签文。
般要求
4.1本标推所述各金离镀层附着强度试验方法都是定性的,只需简单的工具和中等程度的技术。适用于生产中控制产品的质量,4.2在-一般情况下,是根据镀覆件的最终用途或其制造方法来选择金属镀层附着强度试验方法的。例如,随后要成形的产品要经受延展或弯曲试验,需要焊接或暴露于热环境的产品需经受热震试验,若零件在镀后要进行焙烘或热处理.则在进行这些后处理之后也应进行附着强度试验。
4.3若镀层与底余属间的结合力大丁其中任一金属各白的内聚力时,就是“完全\附着的情况,若遵谐好的电镀工艺,通常能得到这种“完全”的附者。在多数情况下,附着试验的目的是要确定那紫不是“完金”射着情祝下的附着强度,试验方法定试验者议法从基体金属或中间镀层上将镀层分离,具体办法有,弯曲、摩擦、热震,热熔,划格等、或者采用以上若于方法的纽合。若镶层从基体金属或中闻镀层上剥离、起鳞、起泡或分层,则附着强度就依于“完全”附着。4.4为要评定规逆镀层的附着强度,可选用本标准规定的一检或几种方法。这些试验方法具有各不相同的严翰等级,其中有一种试验方法可用手区别规定用途中的附着强度合格与否,因北必须为每种情说选宠适再的试验方法。特别在进行交收试验时,为了作出判断,必须事先规中国电子工业总公司1992-11-19发布1993-05-01实施
rKAoNiKAca
定采拥的方法。
SJ 20130—92
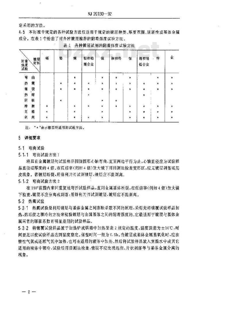
4.5本标雅中规定的各种试验方法仅适用于规定的镀层种类、厚度范围、延展性或基体金属成分。在表1中给出了对各种镀层推荐的附着强度试验方法,表1各种镀层适用的附着强度试验疗法附着
铅和铅
場合金
注:“*“表示镀层所适用的试验方法。5详细要求
5.1弯曲试验
5.1.1弯曲试验方法
谌锡锌
铅合金
将县有金镀层的试验样品围绕圆形心轴弯曲,直至两边平行为止,心辅直径应为试验样品直径或厚度的4倍,在低倍率(例如4倍)放太镜下用月测法查变形区,应元镀层剥落或起皮现象。若镀层断裂,用锋利刀刃试剥镂层,镀层应不能剥离。5.1.2弯曲试验方法2
在180\范围内来同重复地弯折试验样品,直到金属基体新裂,在低倍率(例如4倍)放大镜下捡查,镀层不应分离或剥落:用锋利刃试剥镀层,镀层应不能剥离,5.2热震试验
5.2.1热震试验是利用镀层与基体金属之间膨胀系数不向的原理,采见先将镀覆试验样品如热,然后使之骤冷的方法来检验镇层与金属基体之间的附着强度的。它最适用于镀层与基体金属两者的膨胀系数有明显差别的试验样品。5.2.2将镀覆试验样品置于加热炉或烘箱中均热至表2规定的温度,温度误差为士10亡,时间要足以使试验群品达到温度稳定,保湿时间一般为0.5h,当镀层或基体金属易氧化时,应在惰性气氛或还原气氧中热,也可在适用的液体中加热,然后将试验样品放入室温水中或其它适用的液伴中骤冷,试验后用目测法检查,镀层不应出现起泡、片状利落等与基体金属分离的现象。
基体金属
钢与锌铁
锌合金
铜与铜合金
铝与铝合金
5.3缠绕试验
铬、、
镍+铬、锯
9J 20130—92
热震试验的温度
铅,锡铅
金和银
5.3.1取足够长的带状或线状试验样品3根,在不超过4培试验祥品直径或厚度的圆形心轴上绕6圜,圈间距离约等于试验样品的径或厚度,缠统时用力应均匀毓后取出心轴,在煲倍率(例如4倍)放大镜下检查,镀层不应出现熟离、碎裂和片状剥落等现象。5.3.2对某些试验样品而言,缩绕时镀层可以在里侧,也可以在外侧,一般只需检查试验样品的外侧就可以判断镀层附着强度的优劣:但是在某些情况下,检查缠绕试验样品的虫侧有可能使判更全面。
5.4热熔试验
5.4.1本试验生要适用于镊或锡铅合金镀层,5.4.2将镀覆过的试验样品放在温度为235~260℃的甘油槽中浸溃数秒钟直到镀层熔融取出盾用日测法检查,光亮镀层应完全覆盖浸溃过的表面5.5阴极试验
5.5.1本试验适用于镍或镍+铬镀层,也适用于在阴极上析出的氢气能渗透的镀层。不适用于铅、锌、锡,铜或镉等镀层。5.5.2将镀覆过的试验样品放在溶滚中作为阴极,通电对阴极二只有氢析出。出于析出的氢气通过某些镀层扩散,并且在键层和基体金属之间任何不连续的部位积累,所产生的压力将会使镀层起袍。
本试验是将试验伴品放在90℃、5%的氢氧化销密度0=1.054g/ml>溶液中,通以0.1A/cm的电流处理15min,或用60℃、5%的硫酸溶液通以0.1A/cm的电流处理15min。试验中附着强度差的镀层在5~15min内会起泡。若在15min内用内眼观察不到起泡现象,则认为附着强度符合要求。
5.6摩擦抛光试验
5.6.1本试验只适用于相当薄的镀层。5.6.2若试验样品的形状和尺寸充许,用端头光滑的工具在约5cm2的镀层范围内摩擦约15s,适用的上工其是具有光滑球形端头的直径为6mm的钢样,所施如的压力要适当,使其每一行程都能擦光镀层,但不应大到足以去键层。试验后用日測达捡查应无镀层起泡或其他剩离现象。
5.7划格试验
5.7.1本方法适用于评定镀层。
5.7.2使用归口馨成30°锐角的硬质划刀,在试验样品表面上划两条以上的平行线或矩形格子图案,线间距离约为镀层公称厚度的10倍,最小距离为.4mm,划线时应施加足够的压3
TKAoNiKAca
SJ 2130—92
力,使划刀一次就能切透镀层达到基体金幂,用于-指将粘谢强度为2~~3.5N/cm2的透明胶带的胶面贴到已划线的镀层表面上,其面积至少为1cm,开注意排除全部空气,改置10s。在与馈层表面垂直方向加力,迅速将胶带撕下,线问镀层的任何部分不应从基体金属上刹商,5.8录离试验免费标准bzxz.net
5.8.1本试验适用于检印制电路中导体和触点上键层的附着强度,其试验面积至少应为30mm.
5.8.2将长75mm、宽10~20mm和厚约0.5~1.5mm的镀锡低碳钢带或黄铜带,在距一端10mm处弯直角,并且将较短的一边的乎面钎焊在镶层表面,于未焊接的一端在垂直于焊接面的方向施加一拉力,若镀层的附着强度小于焊接点的强度,则镀层将与基体分离,若镀层的附着弱度大于焊接点的强度,则在焊接处或在镀层内部将发生断裂。也可采用有足够抗拉强度的固化台成树脂粘结剂来代替锌焊破本试验。说明事项
6.1.本标推中所规定的试验方法,大多数对镀层及试验样品本有破坏作用,雨基些试验仅破坏舒层。即带试骑表明链层离港强度很好,试骑样品未破坏,让然不能让专经武验样品是“新”的。例妇热震试验可能使试验样品的金相组织发生不能允许的变化,因此该试验样品不能作为台格品交售。
6.2当镀液被截留在基体金属表而的坑孔中而被镀层覆盖时,在切热和骤冷过程中气泡可能会破婴。若沉积在邻近气泡区域的镀层不能离开基体金属被裂或隆起,则气泡的出现就不能认为是附着度不良的证据。
6.3金属的扩散和随之而产生的合金化可改进电镀层的结合强度,但在某些情说下.合金反应可能产生脆性层,从而引起剥落,形脆性层与着不良也是有区别的。6.4弯曲试验会在基体金属与镀层之问产生切应方,若镀层的延展性好.卿白于额层的滑移使切应力大为减小即使基体金属断裂也不会引起镀层剥落。6.5著由于被试产品的尺寸和形状关系不能使用预定的试验方法.则可以使用等效试验板。若允许这样做,试验板必须与被试产品其有相间的材料和拒尚的表面镀层。并且与它所代表的零件经受相同的颈镀,电镀和后处理过程。附加说明:
本标耀出中国电子工业总公阁科技质量厨提出,本标准白中国电子技术标准化研究所归本标雄由中国电手技术标菲化研究所和机械电于工业部第二研究所负责起草。本标雅王要起草人:周心才、陈鹏,路益铭、李国钧等。计划项目代号:B04012。
小提示:此标准内容仅展示完整标准里的部分截取内容,若需要完整标准请到上方自行免费下载完整标准文档。
SJ 20130-—92
金属镀层附着强度试验方法
Test methods for adhesion ofmetallic coatings
1992-11-19发布
中国电子工业总公司
1993-05-01实施
1范围
中华人民共和国电子行业军用标准金属镀层附着强度试验方法
Test melhods for adhesion ofmelallic coatings
SJ20130-92
本标准规定了金属基体与各种金网镀层之间附着强度的庭性检验方法。本标主要适用于电子式器件引线镀层附着强度的检验。其地类拟的电沉积层和化学沉积层闭着强度的检验也可参眼采用。2引用文件
本章光杀文。
3定义
本章无签文。
般要求
4.1本标推所述各金离镀层附着强度试验方法都是定性的,只需简单的工具和中等程度的技术。适用于生产中控制产品的质量,4.2在-一般情况下,是根据镀覆件的最终用途或其制造方法来选择金属镀层附着强度试验方法的。例如,随后要成形的产品要经受延展或弯曲试验,需要焊接或暴露于热环境的产品需经受热震试验,若零件在镀后要进行焙烘或热处理.则在进行这些后处理之后也应进行附着强度试验。
4.3若镀层与底余属间的结合力大丁其中任一金属各白的内聚力时,就是“完全\附着的情况,若遵谐好的电镀工艺,通常能得到这种“完全”的附者。在多数情况下,附着试验的目的是要确定那紫不是“完金”射着情祝下的附着强度,试验方法定试验者议法从基体金属或中间镀层上将镀层分离,具体办法有,弯曲、摩擦、热震,热熔,划格等、或者采用以上若于方法的纽合。若镶层从基体金属或中闻镀层上剥离、起鳞、起泡或分层,则附着强度就依于“完全”附着。4.4为要评定规逆镀层的附着强度,可选用本标准规定的一检或几种方法。这些试验方法具有各不相同的严翰等级,其中有一种试验方法可用手区别规定用途中的附着强度合格与否,因北必须为每种情说选宠适再的试验方法。特别在进行交收试验时,为了作出判断,必须事先规中国电子工业总公司1992-11-19发布1993-05-01实施
rKAoNiKAca
定采拥的方法。
SJ 20130—92
4.5本标雅中规定的各种试验方法仅适用于规定的镀层种类、厚度范围、延展性或基体金属成分。在表1中给出了对各种镀层推荐的附着强度试验方法,表1各种镀层适用的附着强度试验疗法附着
铅和铅
場合金
注:“*“表示镀层所适用的试验方法。5详细要求
5.1弯曲试验
5.1.1弯曲试验方法
谌锡锌
铅合金
将县有金镀层的试验样品围绕圆形心轴弯曲,直至两边平行为止,心辅直径应为试验样品直径或厚度的4倍,在低倍率(例如4倍)放太镜下用月测法查变形区,应元镀层剥落或起皮现象。若镀层断裂,用锋利刀刃试剥镂层,镀层应不能剥离。5.1.2弯曲试验方法2
在180\范围内来同重复地弯折试验样品,直到金属基体新裂,在低倍率(例如4倍)放大镜下捡查,镀层不应分离或剥落:用锋利刃试剥镀层,镀层应不能剥离,5.2热震试验
5.2.1热震试验是利用镀层与基体金属之间膨胀系数不向的原理,采见先将镀覆试验样品如热,然后使之骤冷的方法来检验镇层与金属基体之间的附着强度的。它最适用于镀层与基体金属两者的膨胀系数有明显差别的试验样品。5.2.2将镀覆试验样品置于加热炉或烘箱中均热至表2规定的温度,温度误差为士10亡,时间要足以使试验群品达到温度稳定,保湿时间一般为0.5h,当镀层或基体金属易氧化时,应在惰性气氛或还原气氧中热,也可在适用的液体中加热,然后将试验样品放入室温水中或其它适用的液伴中骤冷,试验后用目测法检查,镀层不应出现起泡、片状利落等与基体金属分离的现象。
基体金属
钢与锌铁
锌合金
铜与铜合金
铝与铝合金
5.3缠绕试验
铬、、
镍+铬、锯
9J 20130—92
热震试验的温度
铅,锡铅
金和银
5.3.1取足够长的带状或线状试验样品3根,在不超过4培试验祥品直径或厚度的圆形心轴上绕6圜,圈间距离约等于试验样品的径或厚度,缠统时用力应均匀毓后取出心轴,在煲倍率(例如4倍)放大镜下检查,镀层不应出现熟离、碎裂和片状剥落等现象。5.3.2对某些试验样品而言,缩绕时镀层可以在里侧,也可以在外侧,一般只需检查试验样品的外侧就可以判断镀层附着强度的优劣:但是在某些情况下,检查缠绕试验样品的虫侧有可能使判更全面。
5.4热熔试验
5.4.1本试验生要适用于镊或锡铅合金镀层,5.4.2将镀覆过的试验样品放在温度为235~260℃的甘油槽中浸溃数秒钟直到镀层熔融取出盾用日测法检查,光亮镀层应完全覆盖浸溃过的表面5.5阴极试验
5.5.1本试验适用于镍或镍+铬镀层,也适用于在阴极上析出的氢气能渗透的镀层。不适用于铅、锌、锡,铜或镉等镀层。5.5.2将镀覆过的试验样品放在溶滚中作为阴极,通电对阴极二只有氢析出。出于析出的氢气通过某些镀层扩散,并且在键层和基体金属之间任何不连续的部位积累,所产生的压力将会使镀层起袍。
本试验是将试验伴品放在90℃、5%的氢氧化销密度0=1.054g/ml>溶液中,通以0.1A/cm的电流处理15min,或用60℃、5%的硫酸溶液通以0.1A/cm的电流处理15min。试验中附着强度差的镀层在5~15min内会起泡。若在15min内用内眼观察不到起泡现象,则认为附着强度符合要求。
5.6摩擦抛光试验
5.6.1本试验只适用于相当薄的镀层。5.6.2若试验样品的形状和尺寸充许,用端头光滑的工具在约5cm2的镀层范围内摩擦约15s,适用的上工其是具有光滑球形端头的直径为6mm的钢样,所施如的压力要适当,使其每一行程都能擦光镀层,但不应大到足以去键层。试验后用日測达捡查应无镀层起泡或其他剩离现象。
5.7划格试验
5.7.1本方法适用于评定镀层。
5.7.2使用归口馨成30°锐角的硬质划刀,在试验样品表面上划两条以上的平行线或矩形格子图案,线间距离约为镀层公称厚度的10倍,最小距离为.4mm,划线时应施加足够的压3
TKAoNiKAca
SJ 2130—92
力,使划刀一次就能切透镀层达到基体金幂,用于-指将粘谢强度为2~~3.5N/cm2的透明胶带的胶面贴到已划线的镀层表面上,其面积至少为1cm,开注意排除全部空气,改置10s。在与馈层表面垂直方向加力,迅速将胶带撕下,线问镀层的任何部分不应从基体金属上刹商,5.8录离试验免费标准bzxz.net
5.8.1本试验适用于检印制电路中导体和触点上键层的附着强度,其试验面积至少应为30mm.
5.8.2将长75mm、宽10~20mm和厚约0.5~1.5mm的镀锡低碳钢带或黄铜带,在距一端10mm处弯直角,并且将较短的一边的乎面钎焊在镶层表面,于未焊接的一端在垂直于焊接面的方向施加一拉力,若镀层的附着强度小于焊接点的强度,则镀层将与基体分离,若镀层的附着弱度大于焊接点的强度,则在焊接处或在镀层内部将发生断裂。也可采用有足够抗拉强度的固化台成树脂粘结剂来代替锌焊破本试验。说明事项
6.1.本标推中所规定的试验方法,大多数对镀层及试验样品本有破坏作用,雨基些试验仅破坏舒层。即带试骑表明链层离港强度很好,试骑样品未破坏,让然不能让专经武验样品是“新”的。例妇热震试验可能使试验样品的金相组织发生不能允许的变化,因此该试验样品不能作为台格品交售。
6.2当镀液被截留在基体金属表而的坑孔中而被镀层覆盖时,在切热和骤冷过程中气泡可能会破婴。若沉积在邻近气泡区域的镀层不能离开基体金属被裂或隆起,则气泡的出现就不能认为是附着度不良的证据。
6.3金属的扩散和随之而产生的合金化可改进电镀层的结合强度,但在某些情说下.合金反应可能产生脆性层,从而引起剥落,形脆性层与着不良也是有区别的。6.4弯曲试验会在基体金属与镀层之问产生切应方,若镀层的延展性好.卿白于额层的滑移使切应力大为减小即使基体金属断裂也不会引起镀层剥落。6.5著由于被试产品的尺寸和形状关系不能使用预定的试验方法.则可以使用等效试验板。若允许这样做,试验板必须与被试产品其有相间的材料和拒尚的表面镀层。并且与它所代表的零件经受相同的颈镀,电镀和后处理过程。附加说明:
本标耀出中国电子工业总公阁科技质量厨提出,本标准白中国电子技术标准化研究所归本标雄由中国电手技术标菲化研究所和机械电于工业部第二研究所负责起草。本标雅王要起草人:周心才、陈鹏,路益铭、李国钧等。计划项目代号:B04012。
小提示:此标准内容仅展示完整标准里的部分截取内容,若需要完整标准请到上方自行免费下载完整标准文档。

标准图片预览:





- 其它标准
- 热门标准
- 电子行业标准(SJ)
- SJ20811-2002 压阻式加速度传感器总规范
- SJ2588-1985 BSH12~14-1L、BSH12~14-2L型一体化回扫变压器
- SJ933-1975 半导体调幅广播收音机用输出输入变压器
- SJ/T11259-2001 制冷机低温泵总规范
- SJ/T31291-1994 CHJ-S-2型超声波塑料焊接机完好要求和检查评定方法
- SJ1007-75 双动冲床引伸模 上压板
- SJ/T31279-1994 WLD-T1型无感式电容器引线自动焊接机完好要求和检查评定方法
- SJ/Z9094.4-1987 地面无线电接力系统所用设备的测量方法 第二部分:分系统的测量 第三章 射频分支网络
- SJ/T31248-1994 CLS-37型激交调阻机完好要求和检查评定方法
- SJ/T31280-1994 隧道式电容器清洗机完好要求和检查评定方法
- SJ/T31360-1994 箱体成形折弯机完好要求和检查评定方法
- SJ/T10980-1996 电子器件详细规范 2CC23、2CC28型硅调谐变容二极管(可供认证用)
- SJ3039.1-1988 组合冲模 90°特形弯曲刃口合件
- SJ1011-1975 手柄翻开式钻模 压板
- SJ20740-1999 战场侦察雷达性能试验方法
- 行业新闻
请牢记:“bzxz.net”即是“标准下载”四个汉字汉语拼音首字母与国际顶级域名“.net”的组合。 ©2009 标准下载网 www.bzxz.net 本站邮件:bzxznet@163.com
网站备案号:湘ICP备2023016450号-1
网站备案号:湘ICP备2023016450号-1