- 您的位置:
- 标准下载网 >>
- 标准分类 >>
- 冶金行业标准(YB) >>
- YB 528-1965 石油钻探管
标准号:
YB 528-1965
标准名称:
石油钻探管
标准类别:
冶金行业标准(YB)
标准状态:
已作废-
实施日期:
1967-01-01 -
作废日期:
2005-07-26 出版语种:
简体中文下载格式:
.rar.pdf下载大小:
392.81 KB
部分标准内容:
中华人民共和国治金工业部
石油钻
YB528—65
本标准适用于石油钻探用两端内加厚或外加厚的无缝钢管,钢管分车丝和不车丝两种,车丝管用接头联结,不车丝管用对焊的方法与工具接头联结。、品
1.车丝的两端内加厚的石油钻探管尺寸及重量见图1及表1。外加厚的见图2及表2。图1
中华人民共和国治金工业部
1967年1月1日
鞍山钢铁公司
YB528—65
YB 528--65
YB528--65
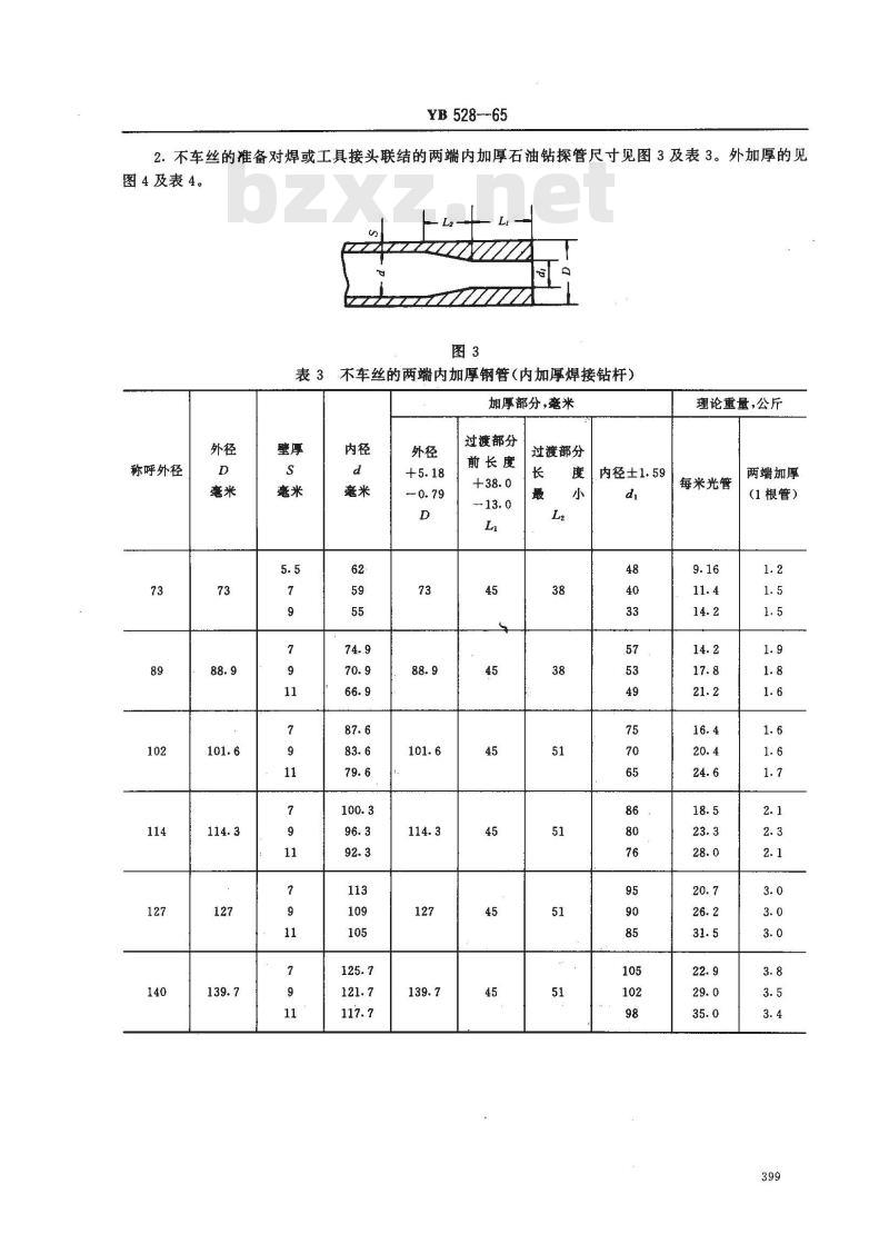
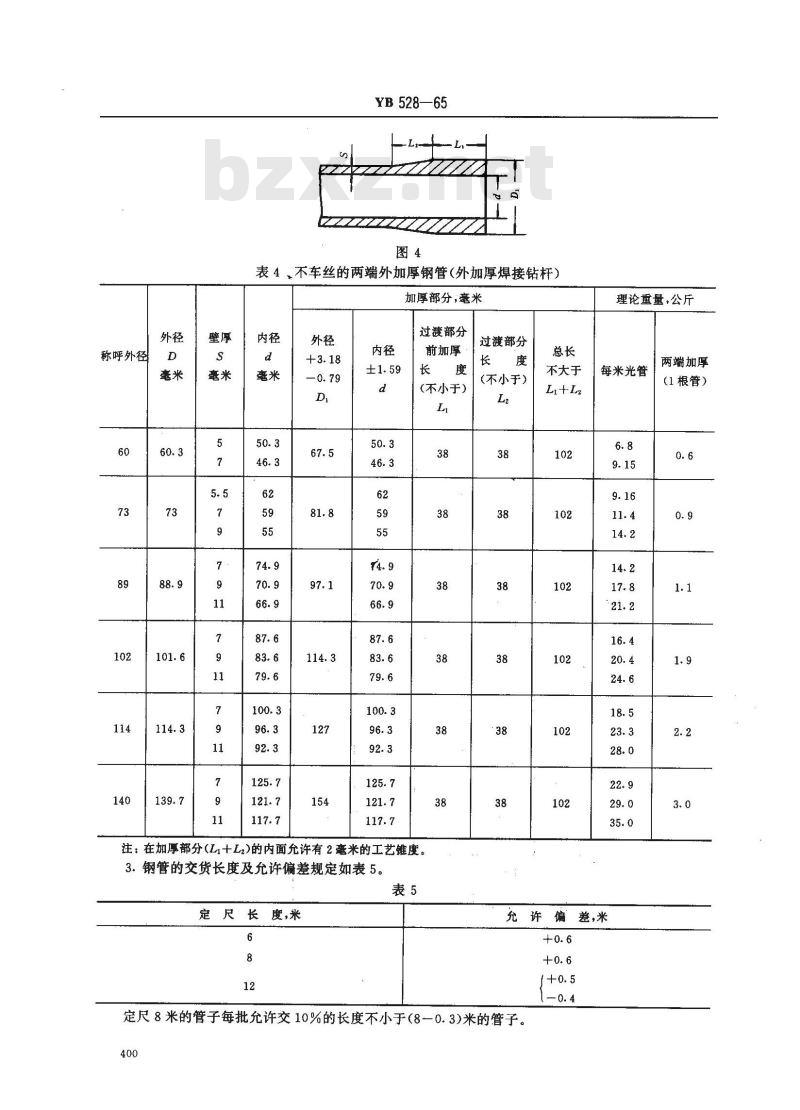
2.不车丝的准备对焊或工具接头联结的两端内加厚石油钻探管尺寸见图3及表3。外加厚的见图4及表4。
表3不车丝的两端内加厚钢管(内加厚焊接钻杆)加厚部分,癌米
称呼外径
过渡部分
前长度
过渡部分
内径±1.59
理论重量,公斤
两端加厚
每米光管
(1根管)
称呼外径
YB528—65
表4不车丝的两端外加厚钢管(外加厚焊接钻杆)加厚部分,毫米
过渡部分
前加厚
(不小于)
注:在加厚部分(Li十Lz)的内面允许有2毫米的工艺锥度。3.钢管的交货长度及允许偏差规定如表5。表5
定尺长度,
过渡部分
(不小于)
不大于
理论重量,公斤
两端加厚
每米光管
充许偏差,米
定尺8米的管子每批允许交10%的长度不小于(8一0.3)米的管子。400
(1根管)
YB528—65
定尺12米的管子每批允许交一定数量的长度不小于(120.7)米的管子,其数量由双方协议。4.钢管及接头的尺寸允许偏差:(1)钢管及接头的外径:
普通级·
较高级
靠近加厚部分100毫米内的外径允许增大1毫米。(2)钢管的壁厚:
普通级·
较高级
注: ① 钢管的壁厚正偏差亦可接重量控制,单根重量允许偏差±: 5%。②不能经定(减>径而经均整即为成品的厚壁接头料,其外径允许偏差为士2%。(3)接头的镗孔直径
(4)内加厚部分之内径
(5)管接头长度
5。椭圆度和壁厚不均不应使管子尺寸超过外径和壁厚允许偏差。±1%;
±0.75%;
+12.5%。
+1毫米。
土1.5毫米。
士3毫米。
6.管子两端1/3长度上弯曲度每米不得超过1.3毫米。全长弯曲度在管子中间测量不得超过管子长度的1/2000。
标记举例:外径114.3毫米、壁厚11毫米、长度为8米的石油钻探管:(1)DZ55号钢车丝的内加厚石油钻探管:钢管内DZ55—114.3×11×8000—YB528-—65。(2)DZ55号钢车丝的外加厚石油钻探管:钢管外DZ55—114.3×11×8000—YB528—65。(3)DZ75号钢对焊或工具接头联结的内加厚石油钻探管:钢管焊内DZ75—114.3×11×8000--YB528—65。(4)DZ75号钢对焊或工具接头联结的外加厚石油钻探管:钢管焊外DZ75-—114.3×11×8000—YB*528--65。接头与钢管的表示方法相同,仅将“钢管”两字改为“接头”。左螺纹的钢管(或接头)应在钢管(或接头)的后面加“左”字。二、技术条件
7.钢管和接头的内外表面不得有裂缝、折迭、轧折、离层、发纹和结疤存在。这些缺陷应完全清除掉,清除后不得使壁厚超过负偏差。凡没有超过直径负偏差的轻微凹面及没有超过壁厚负偏差的轻微凹坑、小直道及氧化铁皮可不清除。
8.钢管加厚部分的表面及过渡到公称壁厚的地方,不得有严重的凸起。9.钢管及接头用DZ40、DZ50、DZ55、DZ65和DZ75号谢制造,并应符合下列要求:(1)含硫≤0.045%,含磷≤0.040%。(2)交货时钢管的机械性能应符合表:6规定。401
(DZ40)
(DZ50)
抗拉强度%
公斤/毫米2
届服点6,
公斤/毫米2
注:DZ40、DZ50为准备淘汰的钢号。YB528—65
伸长率,%
收缩率
冲击值ax
公斤·米/厘米2
(3)接头的钢级:当钢管的钢级在DZ55以下时,应用高一级的钢制造,当钢管的钢级为DZ55或以上时,可以用与钢管同一级的钢制造。10.钢管应经受压扁试验,压扁后两平板闻间的距离不应大于表7规定。表7
DZ40、DZ50、DZ55、DZ65
DZ40、DZ50、DZ55、DZ65
直径与壁厚之比
平板间距离,毫米
D(0. 965—0. 020 6D/S)
D(1. 065-0.020 6D/S)
11.根据双方协议,钢管可经水压试验。试验数量,压力及方法均由双方协议规定。12.钢管及接头料应经热处理。接头的丝扣应予镀锌或磷化处理。13.钢管长度为8米和12米的不带接头,交货时不供应接头,6米长的钢管每根应拧上一个接头,当接头拧在钢管上时,接头的丝扣应涂以防锈油。根据用户要求,可单独供应接头。14.当用户预先提出要求并在合同上注明时,钢管和接头才涂以防腐剂。三、螺
15.钢管及其接头上螺纹的齿形(无论右螺纹或左螺纹)应符合图-5。与管丝扣轴心
线平行的直线
螺纹(毫米)
每25.4毫米长的扣数Www.bzxZ.net
有效齿高
圆角半径
间隙·
倾斜角
中零国餐
YB 528—65
业专专专
注:①测量丝扣螺距S应平行于钢管和接头的丝扣轴心线。②齿形角等分线应与丝扣轴心线垂直。++++++
=1°47'24\
2tge—1-16
YB 528—65
.9°02
980901
982811
980-901
$28·18
g·lor
16.螺纹结合的尺寸应符合图6或表8。舒
YB 528—65
平行于丝扣轴心线之直线
抬刀部位平头部位
【丝扣终点
丝扣起点
一道丝扣)
(全齿部分)
接手之1/2长度
扣终点?
17.接头两端螺纹的轴心线应该是同心的。接头两端螺纹轴心线的偏差在端面内不得超过0.75毫米,在1米长度内不得超过2毫米。18.螺纹公称尺寸的公差应符合表9。表9
在25.4毫米
的长度上
在螺纹的
全长上
齿形半角
±1°15
锥度(在100毫米螺纹
长度上两个直径之差)
螺纹高度
单位:毫米
管上螺纹
-1/2扣
注:①在不超过25.4毫米长度上的螺距偏差士0.075毫来,对任意两扣完整螺纹之间距离是允许的,当扣间距离大于25.4毫米时,允许按距离的增大成比例地增大偏差,但不超过蝶纹金长所示的偏差。②齿形半角之偏差系指齿形一边与钢管或接头上螺纹轴心线之垂线相夹角之偏差。③锥度偏差系指钢管和接头平均直径或指钢管螺纹的外径和接头的内径。19.用螺纹工作环规检查钢管螺纹紧密距A时,应等于9.5毫米,公差为土3/4扣。用螺纹工作塞规检查镀锌或磷化处理的接头螺纹紧密距Am时,应等于14.5毫米,公差土3/4扣(参见图7)。螺纹尾端(爆纹实际消失点)
工作塞体
20.当用人力将镀锌的或磷化处理的接头拧在管上时,紧密距A的公差为土3/4扣,为获得合格的405
紧密距,允许选择接头和管端。YB528--65
21.钢管和接头在机床上紧后,接头端部应超出钢管螺纹终点K一1.5毫米(参见图6),允许公差为士3/4扣。
22.由接头端部至其螺纹起点(第一扣)之距离P(图6)应为9毫米,偏差土1扣。23.钢管及接头的螺纹表面应光滑,光洁度不低于√5,不允许有毛刺、撕破以及足以使螺纹中断影响强度和紧密连接的其他缺陷。24.为了便于退刀起见,在接头中央车出槽,其深度大于齿高但不大于(t十0.5)毫米,该槽不得有锐角。如不作此槽,则在接头中央之螺纹可以互相重迭。注:接头长度1内,每边允许有2扣(自中央算起)带黑皮或平扣。四、试验方法和验收规则
25.成品钢管和接头由供方技术监督部门按本标准进行检查和验收。26.钢管用肉眼逐根检查内外表面质量。根据需方要求,经双方协议可以用无损探伤进行检查,试验方法及判断标准由双方另行协议。27.钢管端部的弯曲度是用量得的弯曲挠度与自测量点至靠近端面的距离的比值确定。28.外加厚钻探管应在两端起400毫米长度内用圆棒逐根进行内通检查,圆棒长度150毫米,圆棒直径较钢管加厚端公称内径小3毫米(外径139.7毫米的钢管小5毫米)。29.钢的化学成分按熔炼证书验收,根据用户要求必须进行成品验证分析时,应从该炉号中任选一根按GB222--63规定选取试屑,再按GB223-63和YB35--64进行化学分析检验。30.从同一强度钢号、同一直径、壁厚以及同一加厚方法和热处理制度的每100根,或少于100根的一批中取一根钢管,在加厚部分取一个拉力试样和一个冲击试样,在非加厚部分取一个长约 60毫米环状压扁试样。
拉力试验按GB228一63规定进行,冲击试验按GB229--63规定进行;压篇试验按GB246一63规定进行,测量压扇距离H值。31.钢管和接头的螺纹应遂根用带螺纹的工作环规和工作塞规检查其紧密距,并用光面工作环规和工作塞规检查其齿项外径和锥度。钢管和接头螺纹的螺距、齿形半角、苹均直径的锥度和齿高应用专门工具或用万能测量仪定期进行抽查。32.选出1%接头进行螺纹轴心线一致性的检查,接头的一端以带有螺纹并在车床夹头中仔细矫正过的圆棒,在另一端亦拧以长度不小于250毫米精细加工过的圆棒。旋转接头用单位值为0.01毫米的千分表确定接头端部和圆棒终点的偏摆。在接头端部附近的偏差不得超过1.5毫米,而在圆棒自由端处的偏差为每米(由接头中央算起)不得超过4毫米。
33。当任一项试验结果不合格时,必须从同批中取双倍数量的试样进行该不合格项目的复验。五、包装和标志
34.钢管的包装和标志按YB472-64规定进行。六、环规和燕规
尺寸及公差
35.检查钢管和接头螺纹用的环规、塞规的齿形和尺寸应符合图8和表10。406
倾斜角9=1°4724”
斜度2tg9=1:16
YB528—65
紧密距
5平行于样板丝扣
2轴心线之直线
塞规上丝扣之齿形
测量螺距系平行于螺纹的轴心线。齿形角等分线应与螺纹的轴心线垂直。螺纹槽的形状不加以规定。
平行于样板丝扣
轴心线之直线
环规上丝扣之齿形
小提示:此标准内容仅展示完整标准里的部分截取内容,若需要完整标准请到上方自行免费下载完整标准文档。
石油钻
YB528—65
本标准适用于石油钻探用两端内加厚或外加厚的无缝钢管,钢管分车丝和不车丝两种,车丝管用接头联结,不车丝管用对焊的方法与工具接头联结。、品
1.车丝的两端内加厚的石油钻探管尺寸及重量见图1及表1。外加厚的见图2及表2。图1
中华人民共和国治金工业部
1967年1月1日
鞍山钢铁公司
YB528—65
YB 528--65
YB528--65
2.不车丝的准备对焊或工具接头联结的两端内加厚石油钻探管尺寸见图3及表3。外加厚的见图4及表4。
表3不车丝的两端内加厚钢管(内加厚焊接钻杆)加厚部分,癌米
称呼外径
过渡部分
前长度
过渡部分
内径±1.59
理论重量,公斤
两端加厚
每米光管
(1根管)
称呼外径
YB528—65
表4不车丝的两端外加厚钢管(外加厚焊接钻杆)加厚部分,毫米
过渡部分
前加厚
(不小于)
注:在加厚部分(Li十Lz)的内面允许有2毫米的工艺锥度。3.钢管的交货长度及允许偏差规定如表5。表5
定尺长度,
过渡部分
(不小于)
不大于
理论重量,公斤
两端加厚
每米光管
充许偏差,米
定尺8米的管子每批允许交10%的长度不小于(8一0.3)米的管子。400
(1根管)
YB528—65
定尺12米的管子每批允许交一定数量的长度不小于(120.7)米的管子,其数量由双方协议。4.钢管及接头的尺寸允许偏差:(1)钢管及接头的外径:
普通级·
较高级
靠近加厚部分100毫米内的外径允许增大1毫米。(2)钢管的壁厚:
普通级·
较高级
注: ① 钢管的壁厚正偏差亦可接重量控制,单根重量允许偏差±: 5%。②不能经定(减>径而经均整即为成品的厚壁接头料,其外径允许偏差为士2%。(3)接头的镗孔直径
(4)内加厚部分之内径
(5)管接头长度
5。椭圆度和壁厚不均不应使管子尺寸超过外径和壁厚允许偏差。±1%;
±0.75%;
+12.5%。
+1毫米。
土1.5毫米。
士3毫米。
6.管子两端1/3长度上弯曲度每米不得超过1.3毫米。全长弯曲度在管子中间测量不得超过管子长度的1/2000。
标记举例:外径114.3毫米、壁厚11毫米、长度为8米的石油钻探管:(1)DZ55号钢车丝的内加厚石油钻探管:钢管内DZ55—114.3×11×8000—YB528-—65。(2)DZ55号钢车丝的外加厚石油钻探管:钢管外DZ55—114.3×11×8000—YB528—65。(3)DZ75号钢对焊或工具接头联结的内加厚石油钻探管:钢管焊内DZ75—114.3×11×8000--YB528—65。(4)DZ75号钢对焊或工具接头联结的外加厚石油钻探管:钢管焊外DZ75-—114.3×11×8000—YB*528--65。接头与钢管的表示方法相同,仅将“钢管”两字改为“接头”。左螺纹的钢管(或接头)应在钢管(或接头)的后面加“左”字。二、技术条件
7.钢管和接头的内外表面不得有裂缝、折迭、轧折、离层、发纹和结疤存在。这些缺陷应完全清除掉,清除后不得使壁厚超过负偏差。凡没有超过直径负偏差的轻微凹面及没有超过壁厚负偏差的轻微凹坑、小直道及氧化铁皮可不清除。
8.钢管加厚部分的表面及过渡到公称壁厚的地方,不得有严重的凸起。9.钢管及接头用DZ40、DZ50、DZ55、DZ65和DZ75号谢制造,并应符合下列要求:(1)含硫≤0.045%,含磷≤0.040%。(2)交货时钢管的机械性能应符合表:6规定。401
(DZ40)
(DZ50)
抗拉强度%
公斤/毫米2
届服点6,
公斤/毫米2
注:DZ40、DZ50为准备淘汰的钢号。YB528—65
伸长率,%
收缩率
冲击值ax
公斤·米/厘米2
(3)接头的钢级:当钢管的钢级在DZ55以下时,应用高一级的钢制造,当钢管的钢级为DZ55或以上时,可以用与钢管同一级的钢制造。10.钢管应经受压扁试验,压扁后两平板闻间的距离不应大于表7规定。表7
DZ40、DZ50、DZ55、DZ65
DZ40、DZ50、DZ55、DZ65
直径与壁厚之比
平板间距离,毫米
D(0. 965—0. 020 6D/S)
D(1. 065-0.020 6D/S)
11.根据双方协议,钢管可经水压试验。试验数量,压力及方法均由双方协议规定。12.钢管及接头料应经热处理。接头的丝扣应予镀锌或磷化处理。13.钢管长度为8米和12米的不带接头,交货时不供应接头,6米长的钢管每根应拧上一个接头,当接头拧在钢管上时,接头的丝扣应涂以防锈油。根据用户要求,可单独供应接头。14.当用户预先提出要求并在合同上注明时,钢管和接头才涂以防腐剂。三、螺
15.钢管及其接头上螺纹的齿形(无论右螺纹或左螺纹)应符合图-5。与管丝扣轴心
线平行的直线
螺纹(毫米)
每25.4毫米长的扣数Www.bzxZ.net
有效齿高
圆角半径
间隙·
倾斜角
中零国餐
YB 528—65
业专专专
注:①测量丝扣螺距S应平行于钢管和接头的丝扣轴心线。②齿形角等分线应与丝扣轴心线垂直。++++++
=1°47'24\
2tge—1-16
YB 528—65
.9°02
980901
982811
980-901
$28·18
g·lor
16.螺纹结合的尺寸应符合图6或表8。舒
YB 528—65
平行于丝扣轴心线之直线
抬刀部位平头部位
【丝扣终点
丝扣起点
一道丝扣)
(全齿部分)
接手之1/2长度
扣终点?
17.接头两端螺纹的轴心线应该是同心的。接头两端螺纹轴心线的偏差在端面内不得超过0.75毫米,在1米长度内不得超过2毫米。18.螺纹公称尺寸的公差应符合表9。表9
在25.4毫米
的长度上
在螺纹的
全长上
齿形半角
±1°15
锥度(在100毫米螺纹
长度上两个直径之差)
螺纹高度
单位:毫米
管上螺纹
-1/2扣
注:①在不超过25.4毫米长度上的螺距偏差士0.075毫来,对任意两扣完整螺纹之间距离是允许的,当扣间距离大于25.4毫米时,允许按距离的增大成比例地增大偏差,但不超过蝶纹金长所示的偏差。②齿形半角之偏差系指齿形一边与钢管或接头上螺纹轴心线之垂线相夹角之偏差。③锥度偏差系指钢管和接头平均直径或指钢管螺纹的外径和接头的内径。19.用螺纹工作环规检查钢管螺纹紧密距A时,应等于9.5毫米,公差为土3/4扣。用螺纹工作塞规检查镀锌或磷化处理的接头螺纹紧密距Am时,应等于14.5毫米,公差土3/4扣(参见图7)。螺纹尾端(爆纹实际消失点)
工作塞体
20.当用人力将镀锌的或磷化处理的接头拧在管上时,紧密距A的公差为土3/4扣,为获得合格的405
紧密距,允许选择接头和管端。YB528--65
21.钢管和接头在机床上紧后,接头端部应超出钢管螺纹终点K一1.5毫米(参见图6),允许公差为士3/4扣。
22.由接头端部至其螺纹起点(第一扣)之距离P(图6)应为9毫米,偏差土1扣。23.钢管及接头的螺纹表面应光滑,光洁度不低于√5,不允许有毛刺、撕破以及足以使螺纹中断影响强度和紧密连接的其他缺陷。24.为了便于退刀起见,在接头中央车出槽,其深度大于齿高但不大于(t十0.5)毫米,该槽不得有锐角。如不作此槽,则在接头中央之螺纹可以互相重迭。注:接头长度1内,每边允许有2扣(自中央算起)带黑皮或平扣。四、试验方法和验收规则
25.成品钢管和接头由供方技术监督部门按本标准进行检查和验收。26.钢管用肉眼逐根检查内外表面质量。根据需方要求,经双方协议可以用无损探伤进行检查,试验方法及判断标准由双方另行协议。27.钢管端部的弯曲度是用量得的弯曲挠度与自测量点至靠近端面的距离的比值确定。28.外加厚钻探管应在两端起400毫米长度内用圆棒逐根进行内通检查,圆棒长度150毫米,圆棒直径较钢管加厚端公称内径小3毫米(外径139.7毫米的钢管小5毫米)。29.钢的化学成分按熔炼证书验收,根据用户要求必须进行成品验证分析时,应从该炉号中任选一根按GB222--63规定选取试屑,再按GB223-63和YB35--64进行化学分析检验。30.从同一强度钢号、同一直径、壁厚以及同一加厚方法和热处理制度的每100根,或少于100根的一批中取一根钢管,在加厚部分取一个拉力试样和一个冲击试样,在非加厚部分取一个长约 60毫米环状压扁试样。
拉力试验按GB228一63规定进行,冲击试验按GB229--63规定进行;压篇试验按GB246一63规定进行,测量压扇距离H值。31.钢管和接头的螺纹应遂根用带螺纹的工作环规和工作塞规检查其紧密距,并用光面工作环规和工作塞规检查其齿项外径和锥度。钢管和接头螺纹的螺距、齿形半角、苹均直径的锥度和齿高应用专门工具或用万能测量仪定期进行抽查。32.选出1%接头进行螺纹轴心线一致性的检查,接头的一端以带有螺纹并在车床夹头中仔细矫正过的圆棒,在另一端亦拧以长度不小于250毫米精细加工过的圆棒。旋转接头用单位值为0.01毫米的千分表确定接头端部和圆棒终点的偏摆。在接头端部附近的偏差不得超过1.5毫米,而在圆棒自由端处的偏差为每米(由接头中央算起)不得超过4毫米。
33。当任一项试验结果不合格时,必须从同批中取双倍数量的试样进行该不合格项目的复验。五、包装和标志
34.钢管的包装和标志按YB472-64规定进行。六、环规和燕规
尺寸及公差
35.检查钢管和接头螺纹用的环规、塞规的齿形和尺寸应符合图8和表10。406
倾斜角9=1°4724”
斜度2tg9=1:16
YB528—65
紧密距
5平行于样板丝扣
2轴心线之直线
塞规上丝扣之齿形
测量螺距系平行于螺纹的轴心线。齿形角等分线应与螺纹的轴心线垂直。螺纹槽的形状不加以规定。
平行于样板丝扣
轴心线之直线
环规上丝扣之齿形
小提示:此标准内容仅展示完整标准里的部分截取内容,若需要完整标准请到上方自行免费下载完整标准文档。
标准图片预览:





- 其它标准
- 上一篇: YB 446-1964 手表壳钢管品种
- 下一篇: YB 551-1965 窗纱
- 热门标准
- 冶金行业标准(YB)
- YB/T4364-2014 锚杆用热轧带肋钢筋
- YB/T5044-1993 氧化钼块化学分析方法 苯基荧光酮光度法测定锡
- YB4036-1991 高炉炭块铁水熔蚀指数试验方法
- YB9073-2014 钢制压力容器设计技术规定
- YB/T178.2-2000 硅铝合金、硅钡铝合金化学分析方法硫酸钡重量法测定钡含量
- YB/T079-1995 三环减速器
- YB4074-1991 镁碳砖
- YB/T076-1995 钢筋混凝土用焊接钢筋网
- YB/T133-1998 热风炉用硅砖
- YBJ216-1988 压型金属板设计施工规程
- YB/T2206.1-1998 耐火浇注料抗热震性试验方法(压缩空气流急冷法)
- YBJ207-1985 冶金机械设备安装工程施工及验收规范 液压、气动和润滑系统
- YB/T4177-2008 炉渣 X射线荧光光谱分析方法
- YB/T801-2008 工程回填用钢渣
- YB2807-1991 粗缝糊
- 行业新闻
请牢记:“bzxz.net”即是“标准下载”四个汉字汉语拼音首字母与国际顶级域名“.net”的组合。 ©2025 标准下载网 www.bzxz.net 本站邮件:bzxznet@163.com
网站备案号:湘ICP备2025141790号-2
网站备案号:湘ICP备2025141790号-2