- 您的位置:
- 标准下载网 >>
- 标准分类 >>
- 冶金行业标准(YB) >>
- YB 4068-1991 热轧环件
标准号:
YB 4068-1991
标准名称:
热轧环件
标准类别:
冶金行业标准(YB)
标准状态:
现行-
发布日期:
1991-09-18 -
实施日期:
1992-01-01 出版语种:
简体中文下载格式:
.rar.pdf下载大小:
157.13 KB
点击下载
标准简介:
标准下载解压密码:www.bzxz.net
本标准规定了齿圈、轴承圈、磨环及法兰用低合金结构钢、优质碳素结构钢、合金结构钢热轧环件的尺寸、外形、重量及允许偏差、技术要求,试验方法,检验规则、标志和质量证明书等。本标准适用于制造齿圈、轴承圈、磨环及压力容器平焊法兰、高颈法兰、浮头钩圈法兰和高颈搪瓷法兰等用低合金结构钢、优质碳素结构钢、合金结构钢热轧环件。 YB 4068-1991 热轧环件 YB4068-1991
部分标准内容:
中华人民共和国黑色冶金行业标准环件
热轧:
1主题内容与适用范围
YB4068—91
本标准规定了齿圈、轴承圈、磨环及法兰用低合金结构钢、优质碳素结构钢、合金结构钢热轧环件的尺寸、外形、重量及允许偏差、技术要求,试验方法,检验规则、标志和质量证明书等。本标准适用于制造齿圈、轴承圈、磨环及压力容器平焊法兰、高颈法兰、浮头钩圈法兰和高颈塘瓷法兰等用低合金结构钢、优质碳素结构钢、合金结构钢热轧环件。2引用标准
GB1591
GB3077
GB 6394
GB 6397
钢的化学分析用试样取样法及成品化学成分允许偏差钢铁及合金化学分析方法
钢的低倍组织及缺陷酸蚀试验法金属拉伸试验法
金属夏比(U型缺口)冲击试验方法金属布氏硬度试验方法
优质碳素结构钢技术条件
低合金结构钢
合金结构钢技术条件
金属平均晶粒度测定方法
金属拉伸试验试样
GB8602
铁路用粗制轮箍
GB10561
钢中非金属夹杂显微评定方法
3尺寸、外形、重量及允许偏差
3.1截面尺寸及允许偏差
3.1.1环件截面形状分为矩形和异形两种。异型截面的形状由供需双方协商。3.1.2环件尺寸范围
外径 600~2 000 mm
内径≥500 mm
高度70~220mm
壁厚50~160mm
环件具体尺寸应在合同中注明。3.1.3环件尺寸允许偏差应符合表1规定。中华人民共和国治金工业部1991-09-18批准702
1992-01-01实施
3.2外形
600~1300
YB 4068—91
允许偏差,mm
≥1 300~1 600
>1 600~2 000
3.2.1环件的椭圆度应保证内径单面有3mm机加工余量,外径单面有2mm机加工余量。3.2.2环件的不平度不得大于4mm。重量
环件按理论重量交货,钢的密度按7.85g/cm计算。组合轧制的环件按合格环件数量计算。5技术要求
5.1牌号及化学成分
钢的牌号及化学成分(熔炼分析)应符合表2规定。表2
42CrMo
42CrMoA
50SiMn
35SiMn
35CrMo
50CrMoA
0. 07 ~~0. 14
0.12~0.19
0. 17~0. 24
0. 22~~0. 30
0.27~0.35
0.32~0.40
0.37~0. 45
0.42~0.50
0.47~0.55
0.12~0.20
0.48~0.56
0. 37~0. 44
0.38~0.45
0. 38~~0. 45
0.45~~0.56
0.32~~0.40
0.32~0.40
0.45~~0.54
0. 17~~0. 37
0. 17~0. 37
0. 17~0. 37
0. 17~0. 37
0. 17 ~ 0. 37
0. 17~~0. 37
0. 17~0. 37
0.17~0. 37
0. 17 ~0. 37
0.20~0.55
0.17~0.37
0. 17~0. 37
0. 17 ~~0. 37
0.17~0.37
0.80~~1.10
1.10~~1.40
0. 17 ~~0. 37
0. 17~0. 37
化学成分,%
0.35~~0.65
0.35~0.65
0.50~0.80
0.50~0.80
0.50~0.80
0.50~0.80
0.50~0.80
0.50~0.80
1.20~1.60
0. 70~1. 00
0.50~0.80
0.50~0.80
0.50~~0.80
0.80~~1. 10
1.10~1.40
0.40~0.70
0.50~0.80
0.80~1.10
0.90~1.20
0. 90~~1.20
0.80~1.10
0.90~1.20
5≤0.035
5≤0.035
0.15~0.25
0. 15~~0.25
0.15~0.25
0.15~0. 25
钢中残余Cr、Ni、Cu含量应符合GB1591、GB699、GB3077相应标准规定。≤0.030≤0.030
N0.0300.030
N0.0300.030
≤0. 025≤0. 025
YB4068--91
5.1.3环件的化学成分允许偏差应符合GB222的规定。5.2治炼方法
环件采用平炉、电炉或者转炉冶炼的镇静钢制造,除非需方有特殊要求,并在合同中注明,冶炼方法一般由供方自行决定。
5.3交货状态
环件以热处理(正火、调质)状态交货。5.4力学性能此内容来自标准下载网
优质碳素结构钢环件交货状态的力学性能应符合表3的规定。表3
交货状态
≤100
抗拉强度ap
伸长率
断面收缩率中
不小于
合金结构钢环件交货状态的力学性能应符合表4的规定。704
冲击功Au
布氏硬度HBS
10/3000
207262
35CrMo
42CrMo
(42CrMoA)
35SiMn
50SiMn
50CrMoA
81~140
71~140
71~140
81~140
调质61~80
81~140
YB 4068—91
抗拉强度 b
伸长率
法兰环件交货状态的力学性能应符合表5的规定。表5
正火或
抗拉强度ob
490~640
470~620
癌服点。
断面收缩率山
不小于
伸长率
不小于
冲击功 Aku
冲击功Aku
布氏硬度 HBS
10/3000
207~206
207~262
207~262
207~262
207~262
255~311
布氏硬度 HBS
10/3000
109~156
111~170
120~180
冲击功为3个试样的算术平均值,允许其中1个试样低于规定值,但不得低于规定值的70%。5.5低倍
环件的酸浸低倍组织不得有缩孔、裂纹、翻皮、皮下气泡、白点和异金属夹杂。非金属夹杂、偏折和一般疏松各不得大于3级。
5.6特殊要求
YB4068-91
根据需方要求,可检验钢的非金属夹杂物和晶粒度,其合格级别由供需双方协商。5.7表面质量
环件表面缺陷的深度不得大于加工余量的70%。6试验方法
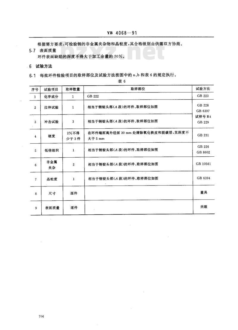
每批环件检验项目的取样部位及试验方法按图中的a、b和表6的规定执行。表6
试验项目
化学成分
拉伸试验
冲击试验
低倍组织
非金属
晶粒度
表面质量
取样数量
2%不得
少于3件
取样部位
相当于钢锭头部(A段)的环件、取样部位如图相当于钢锭头部(A段)的环件、取样部位如图在环件端面离外径面30 mm处清除氧化铁皮和脱碳层,其深度不大于5mm
相当于钢锭头部(A段)的环件、取样部位如图相当于钢锭头部(A 段)的环件、取样部位如图相当于钢锭头部(A段)的环件、取样部位如图试验方法
GB6397
试样号R4
GB8602
GB10561
GB6394
7检验规则
7.1检查和验收
YB 4068--91
横向低倍
矩形截面
冲击试样
拉神试样
b异形截面
取样部位图
环件的检查和验收由供方技术监督部门进行。7.2组批规则
冲击试样
全相试样
拉伸试样
金相试样
环件应按批进行验收。每批由同一牌号、同一炉罐号、同一热处理制度的环件组成。用公称容量不大于10t电炉治炼的钢生产的环件,其检验规则,在保证质量的情况下,由供需双方协商,并在合同中注明。
7.3复验
YB4068—91
当某项检验结果不合格时,可取双倍试样作该项复验(白点不许复验),复验结果必须全部合格方可交货。当A段检验不合格时,将A段报废,可在其他段重新取样检验,提交验收。7.4供方若能保证成品环件合格时,对同一炉号或同一批钢锭配切的环件,其各种检验结果允许以大代小,以坏代材。
8标志和质量证明书
8.1环件端面应作炉号和产品代号的标志。8.2每批交货的环件应附有质量证明书,质量证明书应符合GB2101的规定。附加说明:
本标准由治金工业部情报标准研究总所提出。本标准由冶金工业部情报标准研究总所归口。本标准由马鞍山钢铁公司负责起草。本标准主要起草人于冶学、洪仁干、肖敏绮、吴瑜华。708
小提示:此标准内容仅展示完整标准里的部分截取内容,若需要完整标准请到上方自行免费下载完整标准文档。
热轧:
1主题内容与适用范围
YB4068—91
本标准规定了齿圈、轴承圈、磨环及法兰用低合金结构钢、优质碳素结构钢、合金结构钢热轧环件的尺寸、外形、重量及允许偏差、技术要求,试验方法,检验规则、标志和质量证明书等。本标准适用于制造齿圈、轴承圈、磨环及压力容器平焊法兰、高颈法兰、浮头钩圈法兰和高颈塘瓷法兰等用低合金结构钢、优质碳素结构钢、合金结构钢热轧环件。2引用标准
GB1591
GB3077
GB 6394
GB 6397
钢的化学分析用试样取样法及成品化学成分允许偏差钢铁及合金化学分析方法
钢的低倍组织及缺陷酸蚀试验法金属拉伸试验法
金属夏比(U型缺口)冲击试验方法金属布氏硬度试验方法
优质碳素结构钢技术条件
低合金结构钢
合金结构钢技术条件
金属平均晶粒度测定方法
金属拉伸试验试样
GB8602
铁路用粗制轮箍
GB10561
钢中非金属夹杂显微评定方法
3尺寸、外形、重量及允许偏差
3.1截面尺寸及允许偏差
3.1.1环件截面形状分为矩形和异形两种。异型截面的形状由供需双方协商。3.1.2环件尺寸范围
外径 600~2 000 mm
内径≥500 mm
高度70~220mm
壁厚50~160mm
环件具体尺寸应在合同中注明。3.1.3环件尺寸允许偏差应符合表1规定。中华人民共和国治金工业部1991-09-18批准702
1992-01-01实施
3.2外形
600~1300
YB 4068—91
允许偏差,mm
≥1 300~1 600
>1 600~2 000
3.2.1环件的椭圆度应保证内径单面有3mm机加工余量,外径单面有2mm机加工余量。3.2.2环件的不平度不得大于4mm。重量
环件按理论重量交货,钢的密度按7.85g/cm计算。组合轧制的环件按合格环件数量计算。5技术要求
5.1牌号及化学成分
钢的牌号及化学成分(熔炼分析)应符合表2规定。表2
42CrMo
42CrMoA
50SiMn
35SiMn
35CrMo
50CrMoA
0. 07 ~~0. 14
0.12~0.19
0. 17~0. 24
0. 22~~0. 30
0.27~0.35
0.32~0.40
0.37~0. 45
0.42~0.50
0.47~0.55
0.12~0.20
0.48~0.56
0. 37~0. 44
0.38~0.45
0. 38~~0. 45
0.45~~0.56
0.32~~0.40
0.32~0.40
0.45~~0.54
0. 17~~0. 37
0. 17~0. 37
0. 17~0. 37
0. 17~0. 37
0. 17 ~ 0. 37
0. 17~~0. 37
0. 17~0. 37
0.17~0. 37
0. 17 ~0. 37
0.20~0.55
0.17~0.37
0. 17~0. 37
0. 17 ~~0. 37
0.17~0.37
0.80~~1.10
1.10~~1.40
0. 17 ~~0. 37
0. 17~0. 37
化学成分,%
0.35~~0.65
0.35~0.65
0.50~0.80
0.50~0.80
0.50~0.80
0.50~0.80
0.50~0.80
0.50~0.80
1.20~1.60
0. 70~1. 00
0.50~0.80
0.50~0.80
0.50~~0.80
0.80~~1. 10
1.10~1.40
0.40~0.70
0.50~0.80
0.80~1.10
0.90~1.20
0. 90~~1.20
0.80~1.10
0.90~1.20
5≤0.035
5≤0.035
0.15~0.25
0. 15~~0.25
0.15~0.25
0.15~0. 25
钢中残余Cr、Ni、Cu含量应符合GB1591、GB699、GB3077相应标准规定。≤0.030≤0.030
N0.0300.030
N0.0300.030
≤0. 025≤0. 025
YB4068--91
5.1.3环件的化学成分允许偏差应符合GB222的规定。5.2治炼方法
环件采用平炉、电炉或者转炉冶炼的镇静钢制造,除非需方有特殊要求,并在合同中注明,冶炼方法一般由供方自行决定。
5.3交货状态
环件以热处理(正火、调质)状态交货。5.4力学性能此内容来自标准下载网
优质碳素结构钢环件交货状态的力学性能应符合表3的规定。表3
交货状态
≤100
抗拉强度ap
伸长率
断面收缩率中
不小于
合金结构钢环件交货状态的力学性能应符合表4的规定。704
冲击功Au
布氏硬度HBS
10/3000
207262
35CrMo
42CrMo
(42CrMoA)
35SiMn
50SiMn
50CrMoA
81~140
71~140
71~140
81~140
调质61~80
81~140
YB 4068—91
抗拉强度 b
伸长率
法兰环件交货状态的力学性能应符合表5的规定。表5
正火或
抗拉强度ob
490~640
470~620
癌服点。
断面收缩率山
不小于
伸长率
不小于
冲击功 Aku
冲击功Aku
布氏硬度 HBS
10/3000
207~206
207~262
207~262
207~262
207~262
255~311
布氏硬度 HBS
10/3000
109~156
111~170
120~180
冲击功为3个试样的算术平均值,允许其中1个试样低于规定值,但不得低于规定值的70%。5.5低倍
环件的酸浸低倍组织不得有缩孔、裂纹、翻皮、皮下气泡、白点和异金属夹杂。非金属夹杂、偏折和一般疏松各不得大于3级。
5.6特殊要求
YB4068-91
根据需方要求,可检验钢的非金属夹杂物和晶粒度,其合格级别由供需双方协商。5.7表面质量
环件表面缺陷的深度不得大于加工余量的70%。6试验方法
每批环件检验项目的取样部位及试验方法按图中的a、b和表6的规定执行。表6
试验项目
化学成分
拉伸试验
冲击试验
低倍组织
非金属
晶粒度
表面质量
取样数量
2%不得
少于3件
取样部位
相当于钢锭头部(A段)的环件、取样部位如图相当于钢锭头部(A段)的环件、取样部位如图在环件端面离外径面30 mm处清除氧化铁皮和脱碳层,其深度不大于5mm
相当于钢锭头部(A段)的环件、取样部位如图相当于钢锭头部(A 段)的环件、取样部位如图相当于钢锭头部(A段)的环件、取样部位如图试验方法
GB6397
试样号R4
GB8602
GB10561
GB6394
7检验规则
7.1检查和验收
YB 4068--91
横向低倍
矩形截面
冲击试样
拉神试样
b异形截面
取样部位图
环件的检查和验收由供方技术监督部门进行。7.2组批规则
冲击试样
全相试样
拉伸试样
金相试样
环件应按批进行验收。每批由同一牌号、同一炉罐号、同一热处理制度的环件组成。用公称容量不大于10t电炉治炼的钢生产的环件,其检验规则,在保证质量的情况下,由供需双方协商,并在合同中注明。
7.3复验
YB4068—91
当某项检验结果不合格时,可取双倍试样作该项复验(白点不许复验),复验结果必须全部合格方可交货。当A段检验不合格时,将A段报废,可在其他段重新取样检验,提交验收。7.4供方若能保证成品环件合格时,对同一炉号或同一批钢锭配切的环件,其各种检验结果允许以大代小,以坏代材。
8标志和质量证明书
8.1环件端面应作炉号和产品代号的标志。8.2每批交货的环件应附有质量证明书,质量证明书应符合GB2101的规定。附加说明:
本标准由治金工业部情报标准研究总所提出。本标准由冶金工业部情报标准研究总所归口。本标准由马鞍山钢铁公司负责起草。本标准主要起草人于冶学、洪仁干、肖敏绮、吴瑜华。708
小提示:此标准内容仅展示完整标准里的部分截取内容,若需要完整标准请到上方自行免费下载完整标准文档。
标准图片预览:





- 其它标准
- 热门标准
- 冶金行业标准(YB)
- YB/T4364-2014 锚杆用热轧带肋钢筋
- YB/T5044-1993 氧化钼块化学分析方法 苯基荧光酮光度法测定锡
- YB/T178.2-2000 硅铝合金、硅钡铝合金化学分析方法硫酸钡重量法测定钡含量
- YB4036-1991 高炉炭块铁水熔蚀指数试验方法
- YB/T132-2007 电熔镁铬砂
- YB9073-2014 钢制压力容器设计技术规定
- YB/T079-1995 三环减速器
- YB4074-1991 镁碳砖
- YB/T076-1995 钢筋混凝土用焊接钢筋网
- YB/T133-1998 热风炉用硅砖
- YBJ216-1988 压型金属板设计施工规程
- YB/T2206.1-1998 耐火浇注料抗热震性试验方法(压缩空气流急冷法)
- YBJ207-1985 冶金机械设备安装工程施工及验收规范 液压、气动和润滑系统
- YB/T4177-2008 炉渣 X射线荧光光谱分析方法
- YB/T801-2008 工程回填用钢渣
- 行业新闻
请牢记:“bzxz.net”即是“标准下载”四个汉字汉语拼音首字母与国际顶级域名“.net”的组合。 ©2025 标准下载网 www.bzxz.net 本站邮件:bzxznet@163.com
网站备案号:湘ICP备2025141790号-2
网站备案号:湘ICP备2025141790号-2