- 您的位置:
- 标准下载网 >>
- 标准分类 >>
- 医药行业标准(YY) >>
- YY 0197.4-1995 医用X射线管详细规范 XD4-2、9/100X射线管
标准号:
YY 0197.4-1995
标准名称:
医用X射线管详细规范 XD4-2、9/100X射线管
标准类别:
医药行业标准(YY)
标准状态:
已作废-
发布日期:
1995-01-17 -
实施日期:
1995-05-01 -
作废日期:
2008-01-01 出版语种:
简体中文下载格式:
.rar.pdf下载大小:
141.11 KB

部分标准内容:
中华人民共和国医药行业标准
医用X射线管详细规范
XD4-2、9/100X射线管
本标准适用于XD4-2、9/100固定阳极X射线管。YY 0197.4—95
代替WS2—193—75
本标准参照GB/T13797—92医用X射线管空白详细规范》制订。它符合GB12078—89X射线管总规范》的要求,引用了GB12079—89$X射线管光电性能测试方法》。国家医药管理局1995-01-17批准1995-05-01实施bzxZ.net
国家医药管理局
质量评定按GB12078—89
详细规范
XD4-2、9/100X射线管
说明和结构
管壳材料:玻璃
阳极结构:固定阳极
材:钨靶
角:19°
YY 0197.4-95
共8页
工作绝缘介质:绝缘强度大于35kV/2.5mm的变压器油冷却方式:油浸自然冷却
2外形图与电极接线图
外形图:见附录A中图A1;
电极接线图:见附录A中图A2
5参考数据
5.1机械
该管一般安装在X射线管套内
重量≤1000g。
5.2贮存环境
3用途
YY 0197.4—95
主要供医用诊断X射线机配套使用质量评定水平
应保管在温度不低于一10~40℃,相对湿度不大于80%,无腐蚀气体和通风良好的室内。5.3极限值
灯丝电流
小灯丝
大灯丝
最高工作管电压
阳极热容量
连续功率
特定时间功率(1s、单相全波)小焦点
大焦点
5.4光电特性
光电特性见表1。
6标志
灯丝电压
小灯丝
大灯丝
最高工作管电压
超电压
连续功率(小焦点)
特定时间功率
小焦点
大焦点
小焦点
大焦点
阳极电流稳定性
X射线剂量率初始值
X射线固有滤过
灯丝特性
阳极热特性
负载特性
YY0197.495
90 kV.5.5 mA.10 min
单相全波整流
100 kV.25 mA,1 s
100 kV.130 mA.1 s
75 kV,13 mA
75 kV,65 mA
70 kV,4 mA.5 min
70kV、100mAs电离室距焦
点61cm
50 kV.2 mA
特性值
见第9章(附加资料)
(kg·s)
6.1X射线管包装箱上应标明厂名、厂址、标准号,还应有“小心轻放”“向上”、怕湿”等符合GB191规定的标志。
6.2X射线管上应有清晰、牢固的下列标志:a.
制造厂商标#
X射线管型号;
X射线管制造日期。
7订货资料
订货方应在订货单上准确填写以下内容:所需产品型号、数量;
标准号;
c.其他。
8有关文件
GB 12078—89
X射线管总规范;
b,GB/T13797--92医用X射线管空白详细规范;191
YY 0197.4-95
GB1207989X射线管光电性能测试方法,GB191—90包装贮运图示标志。
附加资料(非检验用)
灯丝特性:见产品使用说明书;b.
负载特性:见产品使用说明书;c.
阳极热特性:见产品使用说明书。10试验和检验要求
在测试最高工作管电压、超电压、连续功率、特定时间功率、阳极电流稳定性时,应按下列条件对X射线管进行预热:起始管电压为60kV,保持阳极电流为2mA,以不大于5kV/min的速度升至最高工作管电压并稳定3min。
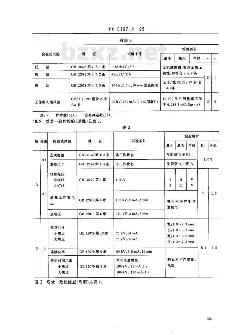
10.1鉴定批准试验见表2。
检验或试验
直观检验
主要尺寸
灯丝电压
小灯丝
大灯丝
最高工作管电压
超电压
连续功率
特定时间功率
小焦点
大焦点
小焦点
大焦点
阳极电流稳定性
X射线剂量率初始
X 射线固有滤过
GB12078第4.3条
GB12078第4.4茶
GB12079第3章
GB12079第4章
试验条件
非工作状态
非工作状态
充许预热后快速升至100kV、2mA、3min测试值
GB12079第6章
GB12079第9章
GB12079第9章
GB12079第10章
GB12079第8章
GB12079第12章
GB12079第13章
110 kV,2 mA,3 min
小焦点
90 kV,5. 5 mA,10 min
单相全波整流
100 kV.25 mA.1 s
100 kV,130 mA,1 s
75 kV,13 mA
75 kV.65 mA
小焦点
70 kV.4mA.5min
70kV、100mAs.电离室距焦
点61cm
50 kV.2 mA
检验要求
见附录 B中B1
见附录A中图A1
管内不得产生异常放电
靶面不允许熔化、龟裂
宽:1.8~2.3mm
长:2.3~3.3mm
宽:4.3~5.6mm
长:4.3~7.8mm
(kg' s)
检验或试验
工作耐久性试验
注:n
GB12078第4.7.1条
GB12078第4.7.2条
GB12078第4.7.5条
GB/T13797附录A中
样本数(只)
YY 0197.4—95
续表2
试验条件
55±3℃.2h
85±20.2h
30Hz、2.5g.30min垂直振动
90 kV.130 mA.0. 1 s、间款5 s合格判定数(只)
10.2质量一致性检验(逐批)见表3。表3
组份组
检验或试验
直观检验
主要尺寸
灯丝电压
小灯丝
大灯丝
最高工作管电
超电压
焦点尺寸
小焦点
大焦点
连续功率
特定时间功率
小焦点
大焦点
试验条件
GB12078第4.3条
GB12078第4.4条
GB12079第3章
GB12079第4章
GB12079第6章
GB12079第10章
GB12079第9章
GB12079第9章
10.3质量一致性检查(周期)见表4。非工作状态
非工作状态
100 kV,2 mA.3 min
110 kV,2 mA,3 min
75kV.13mA
75 kV.65 mA
90kV,5.5mA.10min
单相全波整流
100 kV,25 mA.1 s
100 kV. 130 mA,1 s
检验要求
无机械摄伤,管外金属无
铸蚀,并符合5.4.2条
无机械摄伤,并符合
10000次后剂量率不低
于 0. 283 8 mC/(kg *s)
检验要求
见附录 B中 B1
见附录A中图A1
管内不得产生异
常放电
宽:1.8~2.3mm
长:1.8~3.3mm
宽:4.3~5.6mm
长:4.3~~7.8mm
靶面不充许熔化、
组扮组
检验或试验
阳极电流稳定性
EGB12079第8章
引出端强度
YY 0197.4--95
试验条件
小焦点
70 kV.4 mA.5 min
GB12078第4.7.1条
GB12078第4.7.2条
GB12078第4.7.5条
GB12078第4.7.11条
X射线剂量率初韧
GB12079第12章
工作耐久性
注:p—
一周期(月)。
11延期交货
GB/T13797附录A中A3
-55±3℃.2h
85±2℃,2 h
30Hz、2.5g30min垂直
见附录B中B2
70 kV、100 mAs、电离室
距焦点61cm
90 kV.130 mA,0. 1 s,间
检验要求
无机械损伤,管外金
属无锈蚀,并符合
无机械损伤并符合
见附录B中B2
(kg's)
10000次后X射线剂
量率不低于0.28382420
mC/(kg - s)
通过质量一次性检验的X射线管,库存超过12个月,交货前必须重新检验,要求同表3。19
A1外形图(见图A1)
A2接线图(见图A2)
140±2
YY0197.4—95
附录A
有关图形
(补充件)
1阳极引线;2一小灯丝引线(红);3--大灯丝引线(绿);4一公用线(黑)附录B
补充的试验方法和要求
(补充件)
B1直观检验的要求:
B1.1X射线管玻壳上不应有不透明的砂点和影响X射线管质量的气线、气泡、划痕,用目视检验。B1.2X射线管内电极表面不应存在有害性能的损伤,用目视检验。B1.3阳极靶面不应有裂缝、脱出、熔化见象,靶焦斑位置不应有异物熔在上面,用目视检验。195
YY 0197.4--95
B1.4X射线管内不允许有影响正常工作的碎屑,目视检验。B1.5X射线管内金属零件的焊接应牢固,不应有焊现象,目视检验。B2X射线管的多股引出线应能承受以下试验:B2.1X射线管软引出线末端沿电子管轴向逐渐加上9.8N拉力,其断裂根数不得超过引出线总根数的七分之一。
B2.2将每根引出线在距封口面10mm处夹于直径10mm的两根圆棒中间来回180°弯曲10次,引出线断裂根数不应超过总根数的七分之一。附加说明:
本标准由国家医药管理局提出。本标准由全国医用X射线设备及用具标准化分技术委员会归口。本标准由上海医疗器械九厂、杭州电子管广负责起草。本标准主要起草人林必成、汤美朗、吴燕珞、龚志仁、陈学慧。19h
小提示:此标准内容仅展示完整标准里的部分截取内容,若需要完整标准请到上方自行免费下载完整标准文档。
医用X射线管详细规范
XD4-2、9/100X射线管
本标准适用于XD4-2、9/100固定阳极X射线管。YY 0197.4—95
代替WS2—193—75
本标准参照GB/T13797—92医用X射线管空白详细规范》制订。它符合GB12078—89X射线管总规范》的要求,引用了GB12079—89$X射线管光电性能测试方法》。国家医药管理局1995-01-17批准1995-05-01实施bzxZ.net
国家医药管理局
质量评定按GB12078—89
详细规范
XD4-2、9/100X射线管
说明和结构
管壳材料:玻璃
阳极结构:固定阳极
材:钨靶
角:19°
YY 0197.4-95
共8页
工作绝缘介质:绝缘强度大于35kV/2.5mm的变压器油冷却方式:油浸自然冷却
2外形图与电极接线图
外形图:见附录A中图A1;
电极接线图:见附录A中图A2
5参考数据
5.1机械
该管一般安装在X射线管套内
重量≤1000g。
5.2贮存环境
3用途
YY 0197.4—95
主要供医用诊断X射线机配套使用质量评定水平
应保管在温度不低于一10~40℃,相对湿度不大于80%,无腐蚀气体和通风良好的室内。5.3极限值
灯丝电流
小灯丝
大灯丝
最高工作管电压
阳极热容量
连续功率
特定时间功率(1s、单相全波)小焦点
大焦点
5.4光电特性
光电特性见表1。
6标志
灯丝电压
小灯丝
大灯丝
最高工作管电压
超电压
连续功率(小焦点)
特定时间功率
小焦点
大焦点
小焦点
大焦点
阳极电流稳定性
X射线剂量率初始值
X射线固有滤过
灯丝特性
阳极热特性
负载特性
YY0197.495
90 kV.5.5 mA.10 min
单相全波整流
100 kV.25 mA,1 s
100 kV.130 mA.1 s
75 kV,13 mA
75 kV,65 mA
70 kV,4 mA.5 min
70kV、100mAs电离室距焦
点61cm
50 kV.2 mA
特性值
见第9章(附加资料)
(kg·s)
6.1X射线管包装箱上应标明厂名、厂址、标准号,还应有“小心轻放”“向上”、怕湿”等符合GB191规定的标志。
6.2X射线管上应有清晰、牢固的下列标志:a.
制造厂商标#
X射线管型号;
X射线管制造日期。
7订货资料
订货方应在订货单上准确填写以下内容:所需产品型号、数量;
标准号;
c.其他。
8有关文件
GB 12078—89
X射线管总规范;
b,GB/T13797--92医用X射线管空白详细规范;191
YY 0197.4-95
GB1207989X射线管光电性能测试方法,GB191—90包装贮运图示标志。
附加资料(非检验用)
灯丝特性:见产品使用说明书;b.
负载特性:见产品使用说明书;c.
阳极热特性:见产品使用说明书。10试验和检验要求
在测试最高工作管电压、超电压、连续功率、特定时间功率、阳极电流稳定性时,应按下列条件对X射线管进行预热:起始管电压为60kV,保持阳极电流为2mA,以不大于5kV/min的速度升至最高工作管电压并稳定3min。
10.1鉴定批准试验见表2。
检验或试验
直观检验
主要尺寸
灯丝电压
小灯丝
大灯丝
最高工作管电压
超电压
连续功率
特定时间功率
小焦点
大焦点
小焦点
大焦点
阳极电流稳定性
X射线剂量率初始
X 射线固有滤过
GB12078第4.3条
GB12078第4.4茶
GB12079第3章
GB12079第4章
试验条件
非工作状态
非工作状态
充许预热后快速升至100kV、2mA、3min测试值
GB12079第6章
GB12079第9章
GB12079第9章
GB12079第10章
GB12079第8章
GB12079第12章
GB12079第13章
110 kV,2 mA,3 min
小焦点
90 kV,5. 5 mA,10 min
单相全波整流
100 kV.25 mA.1 s
100 kV,130 mA,1 s
75 kV,13 mA
75 kV.65 mA
小焦点
70 kV.4mA.5min
70kV、100mAs.电离室距焦
点61cm
50 kV.2 mA
检验要求
见附录 B中B1
见附录A中图A1
管内不得产生异常放电
靶面不允许熔化、龟裂
宽:1.8~2.3mm
长:2.3~3.3mm
宽:4.3~5.6mm
长:4.3~7.8mm
(kg' s)
检验或试验
工作耐久性试验
注:n
GB12078第4.7.1条
GB12078第4.7.2条
GB12078第4.7.5条
GB/T13797附录A中
样本数(只)
YY 0197.4—95
续表2
试验条件
55±3℃.2h
85±20.2h
30Hz、2.5g.30min垂直振动
90 kV.130 mA.0. 1 s、间款5 s合格判定数(只)
10.2质量一致性检验(逐批)见表3。表3
组份组
检验或试验
直观检验
主要尺寸
灯丝电压
小灯丝
大灯丝
最高工作管电
超电压
焦点尺寸
小焦点
大焦点
连续功率
特定时间功率
小焦点
大焦点
试验条件
GB12078第4.3条
GB12078第4.4条
GB12079第3章
GB12079第4章
GB12079第6章
GB12079第10章
GB12079第9章
GB12079第9章
10.3质量一致性检查(周期)见表4。非工作状态
非工作状态
100 kV,2 mA.3 min
110 kV,2 mA,3 min
75kV.13mA
75 kV.65 mA
90kV,5.5mA.10min
单相全波整流
100 kV,25 mA.1 s
100 kV. 130 mA,1 s
检验要求
无机械摄伤,管外金属无
铸蚀,并符合5.4.2条
无机械摄伤,并符合
10000次后剂量率不低
于 0. 283 8 mC/(kg *s)
检验要求
见附录 B中 B1
见附录A中图A1
管内不得产生异
常放电
宽:1.8~2.3mm
长:1.8~3.3mm
宽:4.3~5.6mm
长:4.3~~7.8mm
靶面不充许熔化、
组扮组
检验或试验
阳极电流稳定性
EGB12079第8章
引出端强度
YY 0197.4--95
试验条件
小焦点
70 kV.4 mA.5 min
GB12078第4.7.1条
GB12078第4.7.2条
GB12078第4.7.5条
GB12078第4.7.11条
X射线剂量率初韧
GB12079第12章
工作耐久性
注:p—
一周期(月)。
11延期交货
GB/T13797附录A中A3
-55±3℃.2h
85±2℃,2 h
30Hz、2.5g30min垂直
见附录B中B2
70 kV、100 mAs、电离室
距焦点61cm
90 kV.130 mA,0. 1 s,间
检验要求
无机械损伤,管外金
属无锈蚀,并符合
无机械损伤并符合
见附录B中B2
(kg's)
10000次后X射线剂
量率不低于0.28382420
mC/(kg - s)
通过质量一次性检验的X射线管,库存超过12个月,交货前必须重新检验,要求同表3。19
A1外形图(见图A1)
A2接线图(见图A2)
140±2
YY0197.4—95
附录A
有关图形
(补充件)
1阳极引线;2一小灯丝引线(红);3--大灯丝引线(绿);4一公用线(黑)附录B
补充的试验方法和要求
(补充件)
B1直观检验的要求:
B1.1X射线管玻壳上不应有不透明的砂点和影响X射线管质量的气线、气泡、划痕,用目视检验。B1.2X射线管内电极表面不应存在有害性能的损伤,用目视检验。B1.3阳极靶面不应有裂缝、脱出、熔化见象,靶焦斑位置不应有异物熔在上面,用目视检验。195
YY 0197.4--95
B1.4X射线管内不允许有影响正常工作的碎屑,目视检验。B1.5X射线管内金属零件的焊接应牢固,不应有焊现象,目视检验。B2X射线管的多股引出线应能承受以下试验:B2.1X射线管软引出线末端沿电子管轴向逐渐加上9.8N拉力,其断裂根数不得超过引出线总根数的七分之一。
B2.2将每根引出线在距封口面10mm处夹于直径10mm的两根圆棒中间来回180°弯曲10次,引出线断裂根数不应超过总根数的七分之一。附加说明:
本标准由国家医药管理局提出。本标准由全国医用X射线设备及用具标准化分技术委员会归口。本标准由上海医疗器械九厂、杭州电子管广负责起草。本标准主要起草人林必成、汤美朗、吴燕珞、龚志仁、陈学慧。19h
小提示:此标准内容仅展示完整标准里的部分截取内容,若需要完整标准请到上方自行免费下载完整标准文档。

标准图片预览:





- 热门标准
- 医药行业标准(YY)
- YY/T0906-2013 B型超声诊断设备性能试验方法配接腔内探头
- YY/T0987.2-2016 外科植入物磁共振兼容性 第2部分:磁致位移力试验方法
- YY/T1555.2-2018 硅凝胶填充乳房植入物专用要求硅凝胶填充物性能要求 第2部分:可浸提物质限量要求
- YY0460-2003 超声洁牙设备
- YY/T0242-2007 医用输液、输血、注射器具用聚丙烯专用料
- YY0227-1995 锤式粉碎机
- YY/T0920-2014 ISO 21535 :2007 无源外科植入物关节置换植入物髋关节置换植入物的专用要求
- YY/T0975-2016 麻醉和呼吸设备麻醉期间用于贴示在含药物注射器_上的标签颜色、图案和特性
- YY/T1286.1-2015 血小板贮存袋性能 第1部分:膜材透气性能测定压差法
- YY1412-2016 心肺转流系统离心泵
- YY91016-1999 全玻璃注射器名词术语
- YY91053-9105 -1999 口腔科器械和设备名词术语
- YY91024-1999 输卵管提取钩
- YY/T1617-2018 血袋用聚氯乙烯压延薄膜
- YY/T1598-2018 组织工程医疗器械产品骨用于脊柱融合的外科植入物的骨修复或再生评价试验指南
- 行业新闻
请牢记:“bzxz.net”即是“标准下载”四个汉字汉语拼音首字母与国际顶级域名“.net”的组合。 ©2009 标准下载网 www.bzxz.net 本站邮件:bzxznet@163.com
网站备案号:湘ICP备2023016450号-1
网站备案号:湘ICP备2023016450号-1