- 您的位置:
- 标准下载网 >>
- 标准分类 >>
- 商检行业标准(SN) >>
- SN 0400.6-1995 出口罐头检验规程 成品
标准号:
SN 0400.6-1995
标准名称:
出口罐头检验规程 成品
标准类别:
商检行业标准(SN)
标准状态:
已作废-
实施日期:
2003-09-01 -
作废日期:
2006-05-01 出版语种:
简体中文下载格式:
.rar.pdf下载大小:
151.37 KB
替代情况:
被SN/T 0400.7-2005代替

部分标准内容:
SN0400.6-1995
对罐头成品进行检验是国际上传统做法。言
本标准在制订中结合商检工作的多年实践,又尽可能与国内外有关法规和技术标准接轨。本标准的抽样部分在技术内容上是与GB2828—87、GB4789.26—94、QB1006—90等效的;检验部分在等同采用了与罐头成品检验有关的现行国家标准和行业标准的同时,还参考了美国、加拿大、英国等国有关技术法规,判定部分的缺陷分类在技术内容上是与SN0400-1995《出口罐头检验规程》附录A等同。本标准的制订对规范出口罐头成品检验,保证出口罐头的安全卫生质量,促进我国头工业和对外贸易发展具有深远的意义。
本标准为《出口罐头检验规程》系列标准之一本标准由中华人民共和国国家进出口商品检验局提出。本标准起草单位:由中华人民共和国上海进出口商品检验局。本标准主要起草人:谢才璋、欧阳秀勤。110
1范围
中华人民共和国进出口商品检验行业标准罐头检验规程
Rules for inspection of canned food for exportCanned products
本标准规定了出口罐头成品的抽样、检验和检验结果的判定及处置。本标准适用于出口罐头的成品检验。2引用标准
SN 0400. 6—1995
下列标准所包含的条文,通过在标准中引用而构成为本标准的条文。本标准出版时,所示版本均为有效。所有标准都会被修订,使用本标准的各方应探讨使用下列标准最新版本的可能性。GB2828-87逐批检查计数抽样程序及抽样表(适用于连续批的检查)GB4789.26—94食品卫生徽生物学检验罐头食品商业无菌的检验GB 5009.11--85
食品中总砷的测定方法
GB 5009. 12—85
食品中铅的测定方法
GB 5009.13—85
GB 5009. 16-85下载标准就来标准下载网
GB 5009. 17—85
GB 5009. 23-—85
GB 5009. 27---85
GB 5009. 33—85
GB 5009. 37--85
GB 10786--89
GB 10788-89
食品中铜的测定方法
食品中锡的测定方法
食品中总汞的测定方法
食品中黄曲霉毒素 B1、B2、G1、G2 的测定方法食品中苯并(a)芪的测定方法
食品中亚硝酸盐和硝酸盐的测定方法食用植物油卫生标准的分析方法罐头食品的 pH 测定
罐头食品中可浴性固形物含量的测定折光计法食品中氟化钠的测定方法
GB/T 12457--90
ZB X70 004-89
罐头食品的感官检验
罐头食品检验规则
QB 1006—90
QB1007—90'罐头食品净量和固形物含量的测定出口髓头检验规程容器
SN 0400.3-1995
3抽样
3.1组批
3.1.1相同工艺条件、班次、品种和规格为一批。3.1.2产量较小(班产量小于2t)时可将相邻班次(相同工艺条件、品种、规格)的产品合并为批。中华人民共和国国家进出口商品检验局1995-09-20批准1996-01-01实施
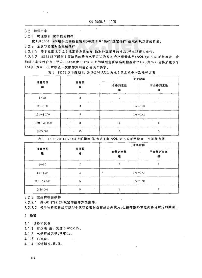
3.2抽样方案
3.2.1物理感官、化学检验抽样
SN 0400.6—1995
按QB1006=--90《罐头食品检验规则》中第7章“抽样”规定抽样,抽取外观正常的样品。3.2.2金属容器密封性检验抽样
3.2.2.1按本标准3.2.2.2规定的方案抽样,抽取外观正常的样品,样本以罐为单位。3.2.2.215173以下罐型主要缺陷的检查水平(IL)为S-2,合格质量水平(AQL)为6.5,正常检查一次抽样方案应符合表1要求。15173(含15173)以上的罐型主要缺陷的检查水平(IL)为S-1,合格质量水平(AQL)为6.5,正常检查次抽样方案应符合表2要求。表115173以下罐型IL为S-2和AQL为6.5正常检查--次抽样方案批量范围
26~150
151~1200
1201~35 000
≥35001
抽样数
合格判定数
主要缺陷
不合格判定数
1/i=1/3
1/i=1/2
表215173(含15173)以上的罐型IL为S-1和AQL为6.5正常检查一次抽样方案批量范围
51~500
501~~35 000
≥35001
3.2.3微生物检验抽样
抽样数
3.2.3.1按GB4789.26规定的抽样方法抽样。3. 2. 3. 2
4检验
合格判定数
主要缺陷
不合格判定数
1/i-1/3
1/i=1/2
微生物检验样品可以与金属容器密封性样品合并使用,但抽样数必须达到各自规定的数量。4.1设备和仪器
4.1.1真空表:最小刻度0.005MPa。4.1.2电子秤或天平:精度1g。
4.1.3白瓷盘。
4.1.4不锈钢刀、匙、叉。
SN 0400. 6—1995
4.1.5不锈钢圆筛:筛孔2.8mm×2.8mm,钢丝直径1mm。4.1.6烧杯,量筒:最小刻度1mL。4.1.7水浴锅。
开罐刀、卫生开罐刀。
直尺:最小刻度 1mm。
pH计:最小刻度0.02。
折光仪:精度0.5%。
胡桃钳或钢丝钳。
游标卡尺:精度0.02mm;卷边测微仪:精度0.01mm;埋头度仪:精度0.01mm。
试漏装置:精度0.005MPa。
投影仪:精度0.01mmc
带刻度放大镜:最小刻度0.2mm。卷边切割器。
4.1.18恒温箱。
4.2物理感官检验
逐罐擦净头样品后编号并核对罐盖代号,记录每罐样品。4.2.1真空度测定
将髓头样品竖放在检验台上至室温,然后用真空度表在罐盖上测定。测定时用手按着真空表,将针尖对准盖缘膨胀圈上,用力均匀压下,使针尖穿透髓盖,按指针指示刻度读出真空度。4.2.2净重测定
按QB1007规定的方法测定。
4.2.3顶隙度测定
4.2.3.1金属罐顶隙度测定
用埋头度仪测定盖埋头度(C),用卷边测微仪测定开启的罐益铁皮厚度(C),将一直尺横搁在罐口,取另一直尺与之垂直,测定罐内食品(液)表面至横尺下边的距离(L1)。净顶隙度(L)按式(1)计算:L -L--C.
式中:C。—试样卷边埋头度,mm;C,
试样盖铁厚,mm。
4.2.3.2玻璃瓶顶隙度测定
将一直尺横搁在瓶口,取另一直尺与之垂直,测定瓶内食品(液)表面至横尺下边的距离,即为顶隙度。
4.2.4 pH 测定
按GB10786规定的方法测定。
4.2.5固形物测定
按QB1007规定的方法测定。
4.2.6可溶性固形物含量测定
按 GB 10788 规定的方法测定。4.2.7感官检验
按ZBX70004规定的方法检验。
4.2.8金属縫内壁检验
SN 0400. 61995
用清水冲洗粘附在罐内壁的内容物后观察罐内壁的腐蚀露铁、硫化斑或硫化铁、内涂料脱落以及内流胶等情况。
4.3金属容器密封性检验
按3.2.2规定抽取样品,用卫生开刀在罐盖(底)中央开口。减压试开口最大直径离卷边约5mm,加压试漏开口大小要与橡皮塞大小相适应。去掉内容物后洗净空罐,经35土2℃烘干,再做减压或加压试漏检验。
4.3.1减压试漏
在烘干空内加入水至八九成满,按SN0400.3规定的方法检验。4.3.2加压试漏
用橡皮塞塞紧烘干空髓中央开孔口,按SN-0400.3规定的方法检验。4.3.3卷边结构检验
4.3.3.1卷边均匀性检验
每一卷边至少在三处测定卷边宽度、厚度、身钩和盖钩的长度,视其均匀性。这三处位置据罐型按下图所示测定:
4.3.3.2选接率、选接长度、紧密度、完整率测定按 SN 0400.3规定的方法检验。4.4化学检验
4.4.1氟化钠含量
按GB/T12457规定的方法检验。
4.4.2亚硝酸钠含量
按GB5009.33规定的方法检验。
4.4.3重金属含量
椭圆罐
按GB5009.16、GB5009.13GB5009.12、GB5009.11、GB5009.17规定的方法测定镊、铜、铅、砷、乘的含量。
4.4.4油脂过氧化值
将油脂用乙醛抽出、真空干燥后按GB5009.37规定的方法检验。4.4.5黄曲链毒素含量
按GB5009.23规定的方法检验。
4.4.6苯并(a)
按GB5009.27规定的方法检验。
4.5微生物检验
按GB4789.26规定的方法检验。
5检验结巢的判定及处置
5.1缺陷分类
SN 0400. 6---1995
5.1.1物理感官检验发现缺陷,应按缺陷性质分为产重缺陷和一般缺陷,5.1.2金属容器密封性检验发现缺陷,应按缺陷性质分为严重缺陷和主要缺陷。5.2缺陷计数
缺陷按罐计数,每一髓的缺陷只计一个最严重的缺陷。5.3判定及处罩
5.3.1物理感官、化学、微生物的检验结果按QB1006规定的规则判定、处量。5.3.2金容器密封性检验结果判定5.3.2.1严重缺陷
按表 1、表 2 检查的样本中,只要发现有一个严重缺陷髓存在,即判定为不合格。5.3.2.2主要缺陷
按表1、表2检查的样本中,由主要缺陷引起的不合格髓数等于或小于对应的合格判定数时,即判定为合格;如巢不合格嫌数等于或大于对应的不合格判定数时,即判定为不合格。采用1/i(i=2,3)型抽样方案时,按QB1006-90中8.1.3条程序判定结巢,115
小提示:此标准内容仅展示完整标准里的部分截取内容,若需要完整标准请到上方自行免费下载完整标准文档。
对罐头成品进行检验是国际上传统做法。言
本标准在制订中结合商检工作的多年实践,又尽可能与国内外有关法规和技术标准接轨。本标准的抽样部分在技术内容上是与GB2828—87、GB4789.26—94、QB1006—90等效的;检验部分在等同采用了与罐头成品检验有关的现行国家标准和行业标准的同时,还参考了美国、加拿大、英国等国有关技术法规,判定部分的缺陷分类在技术内容上是与SN0400-1995《出口罐头检验规程》附录A等同。本标准的制订对规范出口罐头成品检验,保证出口罐头的安全卫生质量,促进我国头工业和对外贸易发展具有深远的意义。
本标准为《出口罐头检验规程》系列标准之一本标准由中华人民共和国国家进出口商品检验局提出。本标准起草单位:由中华人民共和国上海进出口商品检验局。本标准主要起草人:谢才璋、欧阳秀勤。110
1范围
中华人民共和国进出口商品检验行业标准罐头检验规程
Rules for inspection of canned food for exportCanned products
本标准规定了出口罐头成品的抽样、检验和检验结果的判定及处置。本标准适用于出口罐头的成品检验。2引用标准
SN 0400. 6—1995
下列标准所包含的条文,通过在标准中引用而构成为本标准的条文。本标准出版时,所示版本均为有效。所有标准都会被修订,使用本标准的各方应探讨使用下列标准最新版本的可能性。GB2828-87逐批检查计数抽样程序及抽样表(适用于连续批的检查)GB4789.26—94食品卫生徽生物学检验罐头食品商业无菌的检验GB 5009.11--85
食品中总砷的测定方法
GB 5009. 12—85
食品中铅的测定方法
GB 5009.13—85
GB 5009. 16-85下载标准就来标准下载网
GB 5009. 17—85
GB 5009. 23-—85
GB 5009. 27---85
GB 5009. 33—85
GB 5009. 37--85
GB 10786--89
GB 10788-89
食品中铜的测定方法
食品中锡的测定方法
食品中总汞的测定方法
食品中黄曲霉毒素 B1、B2、G1、G2 的测定方法食品中苯并(a)芪的测定方法
食品中亚硝酸盐和硝酸盐的测定方法食用植物油卫生标准的分析方法罐头食品的 pH 测定
罐头食品中可浴性固形物含量的测定折光计法食品中氟化钠的测定方法
GB/T 12457--90
ZB X70 004-89
罐头食品的感官检验
罐头食品检验规则
QB 1006—90
QB1007—90'罐头食品净量和固形物含量的测定出口髓头检验规程容器
SN 0400.3-1995
3抽样
3.1组批
3.1.1相同工艺条件、班次、品种和规格为一批。3.1.2产量较小(班产量小于2t)时可将相邻班次(相同工艺条件、品种、规格)的产品合并为批。中华人民共和国国家进出口商品检验局1995-09-20批准1996-01-01实施
3.2抽样方案
3.2.1物理感官、化学检验抽样
SN 0400.6—1995
按QB1006=--90《罐头食品检验规则》中第7章“抽样”规定抽样,抽取外观正常的样品。3.2.2金属容器密封性检验抽样
3.2.2.1按本标准3.2.2.2规定的方案抽样,抽取外观正常的样品,样本以罐为单位。3.2.2.215173以下罐型主要缺陷的检查水平(IL)为S-2,合格质量水平(AQL)为6.5,正常检查一次抽样方案应符合表1要求。15173(含15173)以上的罐型主要缺陷的检查水平(IL)为S-1,合格质量水平(AQL)为6.5,正常检查次抽样方案应符合表2要求。表115173以下罐型IL为S-2和AQL为6.5正常检查--次抽样方案批量范围
26~150
151~1200
1201~35 000
≥35001
抽样数
合格判定数
主要缺陷
不合格判定数
1/i=1/3
1/i=1/2
表215173(含15173)以上的罐型IL为S-1和AQL为6.5正常检查一次抽样方案批量范围
51~500
501~~35 000
≥35001
3.2.3微生物检验抽样
抽样数
3.2.3.1按GB4789.26规定的抽样方法抽样。3. 2. 3. 2
4检验
合格判定数
主要缺陷
不合格判定数
1/i-1/3
1/i=1/2
微生物检验样品可以与金属容器密封性样品合并使用,但抽样数必须达到各自规定的数量。4.1设备和仪器
4.1.1真空表:最小刻度0.005MPa。4.1.2电子秤或天平:精度1g。
4.1.3白瓷盘。
4.1.4不锈钢刀、匙、叉。
SN 0400. 6—1995
4.1.5不锈钢圆筛:筛孔2.8mm×2.8mm,钢丝直径1mm。4.1.6烧杯,量筒:最小刻度1mL。4.1.7水浴锅。
开罐刀、卫生开罐刀。
直尺:最小刻度 1mm。
pH计:最小刻度0.02。
折光仪:精度0.5%。
胡桃钳或钢丝钳。
游标卡尺:精度0.02mm;卷边测微仪:精度0.01mm;埋头度仪:精度0.01mm。
试漏装置:精度0.005MPa。
投影仪:精度0.01mmc
带刻度放大镜:最小刻度0.2mm。卷边切割器。
4.1.18恒温箱。
4.2物理感官检验
逐罐擦净头样品后编号并核对罐盖代号,记录每罐样品。4.2.1真空度测定
将髓头样品竖放在检验台上至室温,然后用真空度表在罐盖上测定。测定时用手按着真空表,将针尖对准盖缘膨胀圈上,用力均匀压下,使针尖穿透髓盖,按指针指示刻度读出真空度。4.2.2净重测定
按QB1007规定的方法测定。
4.2.3顶隙度测定
4.2.3.1金属罐顶隙度测定
用埋头度仪测定盖埋头度(C),用卷边测微仪测定开启的罐益铁皮厚度(C),将一直尺横搁在罐口,取另一直尺与之垂直,测定罐内食品(液)表面至横尺下边的距离(L1)。净顶隙度(L)按式(1)计算:L -L--C.
式中:C。—试样卷边埋头度,mm;C,
试样盖铁厚,mm。
4.2.3.2玻璃瓶顶隙度测定
将一直尺横搁在瓶口,取另一直尺与之垂直,测定瓶内食品(液)表面至横尺下边的距离,即为顶隙度。
4.2.4 pH 测定
按GB10786规定的方法测定。
4.2.5固形物测定
按QB1007规定的方法测定。
4.2.6可溶性固形物含量测定
按 GB 10788 规定的方法测定。4.2.7感官检验
按ZBX70004规定的方法检验。
4.2.8金属縫内壁检验
SN 0400. 61995
用清水冲洗粘附在罐内壁的内容物后观察罐内壁的腐蚀露铁、硫化斑或硫化铁、内涂料脱落以及内流胶等情况。
4.3金属容器密封性检验
按3.2.2规定抽取样品,用卫生开刀在罐盖(底)中央开口。减压试开口最大直径离卷边约5mm,加压试漏开口大小要与橡皮塞大小相适应。去掉内容物后洗净空罐,经35土2℃烘干,再做减压或加压试漏检验。
4.3.1减压试漏
在烘干空内加入水至八九成满,按SN0400.3规定的方法检验。4.3.2加压试漏
用橡皮塞塞紧烘干空髓中央开孔口,按SN-0400.3规定的方法检验。4.3.3卷边结构检验
4.3.3.1卷边均匀性检验
每一卷边至少在三处测定卷边宽度、厚度、身钩和盖钩的长度,视其均匀性。这三处位置据罐型按下图所示测定:
4.3.3.2选接率、选接长度、紧密度、完整率测定按 SN 0400.3规定的方法检验。4.4化学检验
4.4.1氟化钠含量
按GB/T12457规定的方法检验。
4.4.2亚硝酸钠含量
按GB5009.33规定的方法检验。
4.4.3重金属含量
椭圆罐
按GB5009.16、GB5009.13GB5009.12、GB5009.11、GB5009.17规定的方法测定镊、铜、铅、砷、乘的含量。
4.4.4油脂过氧化值
将油脂用乙醛抽出、真空干燥后按GB5009.37规定的方法检验。4.4.5黄曲链毒素含量
按GB5009.23规定的方法检验。
4.4.6苯并(a)
按GB5009.27规定的方法检验。
4.5微生物检验
按GB4789.26规定的方法检验。
5检验结巢的判定及处置
5.1缺陷分类
SN 0400. 6---1995
5.1.1物理感官检验发现缺陷,应按缺陷性质分为产重缺陷和一般缺陷,5.1.2金属容器密封性检验发现缺陷,应按缺陷性质分为严重缺陷和主要缺陷。5.2缺陷计数
缺陷按罐计数,每一髓的缺陷只计一个最严重的缺陷。5.3判定及处罩
5.3.1物理感官、化学、微生物的检验结果按QB1006规定的规则判定、处量。5.3.2金容器密封性检验结果判定5.3.2.1严重缺陷
按表 1、表 2 检查的样本中,只要发现有一个严重缺陷髓存在,即判定为不合格。5.3.2.2主要缺陷
按表1、表2检查的样本中,由主要缺陷引起的不合格髓数等于或小于对应的合格判定数时,即判定为合格;如巢不合格嫌数等于或大于对应的不合格判定数时,即判定为不合格。采用1/i(i=2,3)型抽样方案时,按QB1006-90中8.1.3条程序判定结巢,115
小提示:此标准内容仅展示完整标准里的部分截取内容,若需要完整标准请到上方自行免费下载完整标准文档。

标准图片预览:





- 其它标准
- 热门标准
- 商检行业标准(SN)
- SN/T1817-2006 桃实蝇检疫鉴定方法
- SN/T0432-1995 出口冻煮河蚬肉检验规程
- SN/T5322——2021 再生皮革的鉴别方法
- SN/T1269-2010 创建“国际卫生机场”规程
- SN/T0106-2010 出口无毛绒检验规程
- SN/T2613-2010 三叶草斑潜蝇检疫鉴定方法
- SN/T2557-2010 畜肉食品中牛成分定性检测方法 实时荧光PCR法
- SN/T1012-2001 出口涤纶针织立绒检验规程
- SN/T3777.3-2014 纺织产品出口企业分类规范第3部分:纺织织物
- SN/T3619-2013 玩具材料中17种可迁移元素的测定ICP-MS法
- SN/T5344——2021 进出口羽毛羽绒残脂率试验方法快速溶剂萃取法
- SN/T0273-1993 出口商品运输包装 木箱检验规程
- SN/T1429.2-2004 进出口信息技术设备检验规程台式电子计算机
- SN/T1674-2011 锦鲤疱疹病毒病检疫技术规范
- SN/T2638.3-2012 进出口锰矿中硫含量的测定高温燃烧红外线吸收法
- 行业新闻
请牢记:“bzxz.net”即是“标准下载”四个汉字汉语拼音首字母与国际顶级域名“.net”的组合。 ©2009 标准下载网 www.bzxz.net 本站邮件:bzxznet@163.com
网站备案号:湘ICP备2023016450号-1
网站备案号:湘ICP备2023016450号-1