- 您的位置:
- 标准下载网 >>
- 标准分类 >>
- 电子行业标准(SJ) >>
- SJ 780-1974 3DD72型NPN硅合金扩散低频大功率三极管
标准号:
SJ 780-1974
标准名称:
3DD72型NPN硅合金扩散低频大功率三极管
标准类别:
电子行业标准(SJ)
标准状态:
现行-
发布日期:
1974-10-01 -
实施日期:
1974-10-01 出版语种:
简体中文下载格式:
.rar.pdf下载大小:
177.23 KB
中标分类号:
电子元器件与信息技术>>半导体分立器件>>L42半导体三极管

点击下载
标准简介:
标准下载解压密码:www.bzxz.net
本标准适用于耗散功率为150W的3DD72型型NPN硅合金扩散低频率大功率三极管。该产品用于电子设备的低频功率放大、电源变换和低速开关的电路中。 SJ 780-1974 3DD72型NPN硅合金扩散低频大功率三极管 SJ780-1974

部分标准内容:
中华人民共和国第四机械工业部部标准
3DD72型NPN硅合金扩散
低频大功率三极管
SJ780-74
1、本标准适用于耗散功率为150W的3DD72型NPN硅合金扩散低频大功率三极管。该产品用于电子设备的低频功率放人、电源变换和低速开关的电路中。
2、该产品除应符合本标准规定外,还应符合半导体三极管总技术条件SJ614-73的规定。
8、外形结构和尺寸应符合部标准SJ139—70的F8型。(得定)
4、技术要求和试验方法:
(1)电参数应参数符合规范表的规定。电参数的测试方法应符合部标准SJ300-72~SJ314-72的规定。(2)环境试验:
环境试验的抽样方法和考核标准应符合半导体三极管总技术条件第17、18、19条的规定,试验后考核反向击穿电压BVcEO,BVEBO反向电流IcEO,饱和压降VcFS和电流放大系数HFE,其值应符合电参数规范表的规定。
(3)高温贮存试验:
高温贴存试验的抽样方法和考核标准应符合半导体三极管总技术条作第17、22条的规定。
试验后考核反向电流ICEO,饱和压降VcES和电流放大系数HFE,要求:IcEO增大不超过规范的2倍,VcES增大不超过规范的1.2倍,HFE相对变化率小于土35%。
(4)额定功率试验:试验时间为240小时。一九七四年十月一日实施
共4页第2页
SJ780-73
额定功率试验的抽样方法应符合半导体三极管总技术条件第17条的规定。试验后考核反向电流IcEO,饱和压降VCES和电流放大系数HFE,其值应符合规范表的规定。试验后,不符合半导体三极管总技术条件第12条要求的管子数量不超过1只,则为合格,若有2只管了不合格,则将试验时间延长到480小时,480小时试验后,不符合半导体三极管总技术条件第12条要求的管子数量累计不超过2只,则为合格。不合格时,应进行双倍试验,双倍试验不符合上述规定时,则为不合格。
5、说明:
(1)生产单位应在产品几录(或说明书巾)提供频率参数和下列特性曲线:
a、Ic-VcE的关系曲线;
b、IB-VBE的关系曲线;
C、HFE一Ic的关系曲线;
d、HFE-T(低温)的关系曲线:e、IcEO一T(高温)的关系曲线:f、直流(或脉冲)安全工作区。在提供曲线时,应对测试环境、测试条件等给予必要的说明。(2)功率管的使用:应在生产单位提供的安全工作区范围内刃。使用时的散热装置,用户根据使用功率、热阻,最高结温和壳温按下式自行设让。满功率使用时壳温不允许超过75°C。PcM=TiM -Tc.
北4案结3置
813072A
3DD72R
8DD72C
SDD72D
SDD721
试验类别
SJ780-74
8DD72型NPN硅合金扩散低频
注:1、色标(点)化量:管帽动绿。2、第试系现溢度:Ta-25°℃
BVcEOBVrBO
≥150免费标准下载网bzxz
15mA15mA
SJ780-74
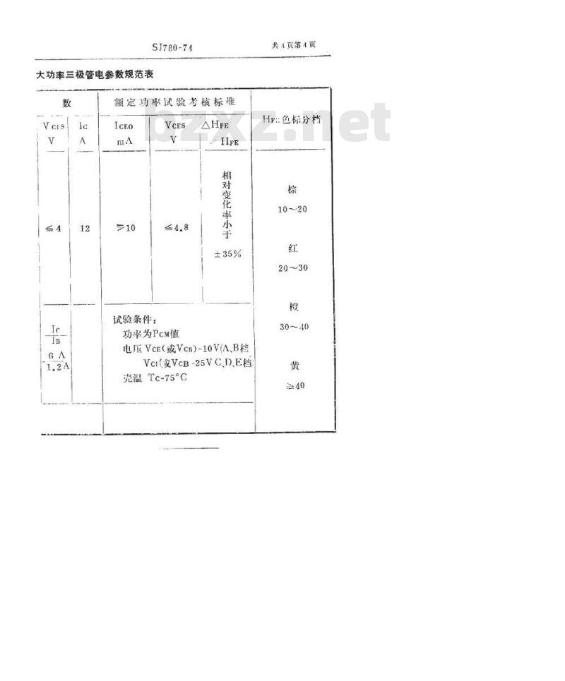
大功率三极管电参数规范表
额定功率试验考核标准
试验条件:
功率为PcM值
对变化小工
电压VcE(或VcB)-10V(A,B档
Vcr(岁VcB-25VCD.E档
壳温Tc-75°C
共4页第4页
Hri色标分档
小提示:此标准内容仅展示完整标准里的部分截取内容,若需要完整标准请到上方自行免费下载完整标准文档。
3DD72型NPN硅合金扩散
低频大功率三极管
SJ780-74
1、本标准适用于耗散功率为150W的3DD72型NPN硅合金扩散低频大功率三极管。该产品用于电子设备的低频功率放人、电源变换和低速开关的电路中。
2、该产品除应符合本标准规定外,还应符合半导体三极管总技术条件SJ614-73的规定。
8、外形结构和尺寸应符合部标准SJ139—70的F8型。(得定)
4、技术要求和试验方法:
(1)电参数应参数符合规范表的规定。电参数的测试方法应符合部标准SJ300-72~SJ314-72的规定。(2)环境试验:
环境试验的抽样方法和考核标准应符合半导体三极管总技术条件第17、18、19条的规定,试验后考核反向击穿电压BVcEO,BVEBO反向电流IcEO,饱和压降VcFS和电流放大系数HFE,其值应符合电参数规范表的规定。
(3)高温贮存试验:
高温贴存试验的抽样方法和考核标准应符合半导体三极管总技术条作第17、22条的规定。
试验后考核反向电流ICEO,饱和压降VcES和电流放大系数HFE,要求:IcEO增大不超过规范的2倍,VcES增大不超过规范的1.2倍,HFE相对变化率小于土35%。
(4)额定功率试验:试验时间为240小时。一九七四年十月一日实施
共4页第2页
SJ780-73
额定功率试验的抽样方法应符合半导体三极管总技术条件第17条的规定。试验后考核反向电流IcEO,饱和压降VCES和电流放大系数HFE,其值应符合规范表的规定。试验后,不符合半导体三极管总技术条件第12条要求的管子数量不超过1只,则为合格,若有2只管了不合格,则将试验时间延长到480小时,480小时试验后,不符合半导体三极管总技术条件第12条要求的管子数量累计不超过2只,则为合格。不合格时,应进行双倍试验,双倍试验不符合上述规定时,则为不合格。
5、说明:
(1)生产单位应在产品几录(或说明书巾)提供频率参数和下列特性曲线:
a、Ic-VcE的关系曲线;
b、IB-VBE的关系曲线;
C、HFE一Ic的关系曲线;
d、HFE-T(低温)的关系曲线:e、IcEO一T(高温)的关系曲线:f、直流(或脉冲)安全工作区。在提供曲线时,应对测试环境、测试条件等给予必要的说明。(2)功率管的使用:应在生产单位提供的安全工作区范围内刃。使用时的散热装置,用户根据使用功率、热阻,最高结温和壳温按下式自行设让。满功率使用时壳温不允许超过75°C。PcM=TiM -Tc.
北4案结3置
813072A
3DD72R
8DD72C
SDD72D
SDD721
试验类别
SJ780-74
8DD72型NPN硅合金扩散低频
注:1、色标(点)化量:管帽动绿。2、第试系现溢度:Ta-25°℃
BVcEOBVrBO
≥150免费标准下载网bzxz
15mA15mA
SJ780-74
大功率三极管电参数规范表
额定功率试验考核标准
试验条件:
功率为PcM值
对变化小工
电压VcE(或VcB)-10V(A,B档
Vcr(岁VcB-25VCD.E档
壳温Tc-75°C
共4页第4页
Hri色标分档
小提示:此标准内容仅展示完整标准里的部分截取内容,若需要完整标准请到上方自行免费下载完整标准文档。

标准图片预览:




- 热门标准
- 电子行业标准(SJ)
- SJ20811-2002 压阻式加速度传感器总规范
- SJ2588-1985 BSH12~14-1L、BSH12~14-2L型一体化回扫变压器
- SJ933-1975 半导体调幅广播收音机用输出输入变压器
- SJ/T11259-2001 制冷机低温泵总规范
- SJ/T31248-1994 CLS-37型激交调阻机完好要求和检查评定方法
- SJ/T31291-1994 CHJ-S-2型超声波塑料焊接机完好要求和检查评定方法
- SJ1007-75 双动冲床引伸模 上压板
- SJ/T31279-1994 WLD-T1型无感式电容器引线自动焊接机完好要求和检查评定方法
- SJ/T31280-1994 隧道式电容器清洗机完好要求和检查评定方法
- SJ/T31360-1994 箱体成形折弯机完好要求和检查评定方法
- SJ/Z9094.4-1987 地面无线电接力系统所用设备的测量方法 第二部分:分系统的测量 第三章 射频分支网络
- SJ/T31254-1994 自动绕片机完好要求和检查评定方法
- SJ/T10980-1996 电子器件详细规范 2CC23、2CC28型硅调谐变容二极管(可供认证用)
- SJ993-75 双动冲床引伸模 固定板定位板
- SJ3039.1-1988 组合冲模 90°特形弯曲刃口合件
- 行业新闻
请牢记:“bzxz.net”即是“标准下载”四个汉字汉语拼音首字母与国际顶级域名“.net”的组合。 ©2009 标准下载网 www.bzxz.net 本站邮件:bzxznet@163.com
网站备案号:湘ICP备2023016450号-1
网站备案号:湘ICP备2023016450号-1