- 您的位置:
- 标准下载网 >>
- 标准分类 >>
- 电子行业标准(SJ) >>
- SJ/T 10709-1996 压电陶瓷蜂鸣片总规范
标准号:
SJ/T 10709-1996
标准名称:
压电陶瓷蜂鸣片总规范
标准类别:
电子行业标准(SJ)
标准状态:
现行-
发布日期:
1996-07-22 -
实施日期:
1996-11-01 出版语种:
简体中文下载格式:
.rar.pdf下载大小:
265.10 KB
中标分类号:
电子元器件与信息技术>>电子元器件与信息技术综合>>L01技术管理
替代情况:
SJ 2780-87

点击下载
标准简介:
标准下载解压密码:www.bzxz.net
本标准规定了压电陶瓷蜂鸣片(以下简称蜂鸣片)的技术要求、试验方法和检验规则等。本标准适用于报警器系列、发音体系列用的压电陶瓷蜂鸣片。 SJ/T 10709-1996 压电陶瓷蜂鸣片总规范 SJ/T10709-1996

部分标准内容:
客裹号:92-1997
中华人民共和国电子行业标准
SJ/T10709-1996
压电陶瓷蜂鸣片总规范
Generic specification for
piezoelectric ceramic buzzer chips1996-07-22发布
中华人民共和国电子工业部
1996-11-01实施
本标准是在27一7(压电随瓷尊片总装术条件的基础上修订而成的我照GB/T1.1一1993数定,本标准在格式、引用标准方而作了更新,技术内窄力面作了补充和参正。与S27B0—87对比,主要如下修收:要新广有关引用际准。
2补充和情改了而度等级。
修正了测试电路中的标注错误。检验见则中增加丁监定检验。
本标唯从牛获之日起,同时代替S27朗一的本标准由电子工业部标准化研究所归[。本标准起草单位:江西景作电子有限声任公司。本标准土要起常人:陈玉类、乃年,张爆林,三旺兴、郑微美1范围
中华人民共和国电子行业标准
压电陶瓷蜂鸣片总规范
Generlc specltleatlon for
pieaeleetrk cerauic bavyer rhlysSJ/T: 10709—1996
SJ2780-87
本标规定【服电阿瓷穿湾片(以下简称单鸣片)的装犬要求试验方法和粒验规则等。本标范适用于报替溢列、发音体系列用的压电陶镜性鸣计。2引用标准
下列标准包含的案文,道过在本标常引用而构就为本标准的苯文。4泄出版时,所示成本均为有效。所有标准都会龄燃汀,使用牛标证的行方应探讨、使用下列标准航新版木的以能性。
GR 2414—81
GB2421—K9
GB 2423 189
G 2+23. 2- -89
GB 2423. 3—93
GR2423.6—81
G2423.B81
GH 2423.10—81
GB 2423.22-87
GR 2123.28—93
GH2K28—87
CB2829-g7
GI5 330.1--82
3定义
创装能运图示标志
压回阿瓷材料性能谢式人法医片的经向坤娠聚动、公条的模应长度津缩探动
电工电了产品基本环境试验规释电工电于产品基本环境验见程
电工电子产品质本坏培试账规程电工电子产品基本环境试险规
电工心广产品产本环境试验规程电工电子产品本环搭试验规屋
试验A:低温试验方偿
试验H高温试验方法
试验:恒定虚热试验方伙
试验:能换试冷污达
试验:自山跌落试验方法
电工电子产品高本不造总收热程试始下振动正弦)试验月法
出工出了产品基乎环境试验现粒试验N:度变化试整方法
电1.电了产品剂本环购试愉款保试验T:锅评试资方偿
逐比检查计效抽拌理序及抽祥表固期拉在计载械邦序及非择衣
正尼尚瓷料料能洲试方偿誉用名词术语本标准中采用的术评即也义应行合3399.1的规定。4、分类与命旁
中华人完共和国表子工业部1996722批准1996-11-01实施
4.1型号俞名
SJ/T 107091996
4.1.1蜂鸣片的型号山六部分组或(见疗框图)。F
第六部分:结构
第五邦分:电极形状
L第四部分:诺报频率
:第三部分:金同片材料
辆二部分:金属片外径
第部分:主称
4.1.2说明
第一弗分用\FT\表示主称“压电萄瓷鸣片”第二部分,用问拉伯数字表示金阀片外经,mn第三部分,月字母表示金同片材料:即T
一黄铜
不趟钢
第闪部分:用阿拉伯数字表示號率,Hz第五部分:用字再表示电吸形状;中A——圆形
一分割形
一环形
部分,制列拉伯数字表示靖均。即半
3——双面平面
4—家函盘状
4.1.3试写示例
鸣片在设文件巾的填孕示例如下:蜂鸣片FT--27T—43A1SJ/T10709—1996例去求:直经27mm、黄纠片、谐振频率4.3kHz、回形电,平面钻构的压电图瓷蜂鸣片和详缅规范光号。
4.2坏境条件
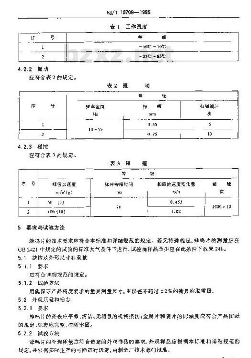
4.2.1工作温度
应符合表的规定。
4.2.2据动
应符合表2的规定。
4.2.3磁挖
应符合表3前规宽。
低通乐
:fg(g:
要求与试验方法
5J/710709—1996
表[工作温度
-HC-OE
-25 ~85℃
表2摄
脉冲转溪时间
相应的速变变化量
100G J0
些鸡片的植术要求应符合本标准和详继规菌的规定。着无特殊规定,蜂鸣片的测最应在G2421规定的试跑的标准大气条件≤进行,试验前样品至少应在此条件下放置24。5.1结构及外形尺寸利再货
5. 1.1 要求
应有含详迎双范的现定,
5. 1.2 试临方法
用能保证产品精度要求的量具测量尺于,用误差不超过二2多的衡具称取或取。5.2外观页设和标惠
5.2.1要求
蜂鸣片约外表应平,消洁、无明显的机能损伤:金阅片和瓷片的轴更应行合产品超纸的规定;标志应完暨,将晰半间。5.2.2试路5法
降吗片的外观以好定对合造定的外观样品的要求,外观样品应样据本标准和详细规俺的规定,并忆据实际业产的可能逆行选定,自制造厂技术朝们难,3
SJ/T 10709—1996
抢查同轴度时,可用游标卡尺量出鸣片的会回片与密片边缘的放大臣高和受小此离二老之差除以2,现为同轴度。
检查蜂鸣片协急时,用没承棉球轻燃三次后,标志应中间、范晰和完整。5.3造长频率
5.3.1 要求
蜂鸣的带据题车应往合详细期范划定,融试设备及要求效G2111的4.2.3期完,5.3.2试验方法
5.3.2.1谢试电路
a.流法(图1())
采月恒流法利试虾吗片诺城率时,测试电压在以流率阻岁10下校液出10mV。6.压选(见1(h))
振然器
(a)市法
3测试电路图
年增片
可变心
采用正法测试轻吗片浩振插率归,测试起正应校准5n:V5.3.2.2的定测或点位润
蜂鸣片的测量点应在波节附近,以库鸣片的等效电阳段小值的一点为性。5.3.2.3德试步
按正收支,按电路图按入测试央其更开关K在1的位留,调节坂器,校准游试中医。资可关K在2的位置,将测试来具两尖端来住蜂吗片量点位置,整后函节振药的输疑率,采流法时,使电走指示的电乐为最小。采用正法时,使电正表指示内心正为多大,时疑率计所尿示的境气为该些响的谢振频率。5.4、等效电图
5.4.1要求
蜂哗片的等效电阻应符合详细规范的规定5.4.2测试方法
按G乃2414的4.2.4.3规定。
5.4.2.1测试电路5.3.2.1.
5.4.2.2测试步操
深用机流法时逐乃关K接2的立置,用可变出阻箱代替降鸣许,改变电阻值,便电压表的指示怕与请掠频率时约值相同,此时可变电箱的阻值为好鸣片的等效电。采用恒压法对,将下关K接2的位管,调节可变电函箱的省,他典压表指示达典试清动期末慢人值,这时可变出匝简上诺山的阻值,即为螺鸣片的等效电配。5.5启出电穿
5.5.1变求
SJ/T10709—1996
蚌吗的自出电容应符合详细堤范的规寇。5.5.2测试方法
以测试趣率为120H,测试电压不随过1V的电容电桥进行测量,5.6蛇练电阻
5.6.1笔求续鸭片的绝等电阻盘不低于I00M0。5.6.2测试方送
测试电压为50V.用误差小于2%的绝缘电阻表测基,1min后读绝缘电阻值。5.7商祖
5.7.1要求
除非详细规范另右规定,蜂鸣方经详细规范规定的量高工作制度(见表1)试验后,也性能变化符合表4或计细规范的规定:表 虑性能变化
5.7.2试验方法
自由电容
安化值(%)
按GB242.3.2验R,进行试验。试验保祖时间不少予30min,在高温下测量。5.8低湖
5.8.1要求
险非详细想放另有规定,蜂鸣片给详细规范规定的微低工作温度(见表1)试验后,电性脂变化应荷合表4滤详细规范规定。5.自,2试验方法
按CB2423.1试验A,进行试验,试龄保温时们不少十30min,在抵激下测量。5.9耐度变化
5.9.1要求
蜂鸣片位承受景低丁作益度和量高工作温(见表1)的五次循开片,电性能变比在合装5或详细规范规定。
表5电件服变化值
5.9.2试验方法
变 比 佰(%)
按G32423.22试验Na规定。试将时间30min,试验后恢可1万检查外观并进行电性能测恒定湿热
5.10.1费效
SJ/T10709—1996
样呼片经恒定热h后,表面不应有发需发黄等现象,标患仍应清所,电变能变化符含表5规定
5.10.2试验方法
H2423.10防验Ca规定。试验后常询恢复11,检变外观和进行性能测款,5.11报动
5.11.1要来
蜂鸣片应按表2在详细规范中规定振动等级,作两个互相垂直的抽线方问上振动试脸与,应无机战投临,电性能变化应符合表5规定。5.11.2试格方法
按GB2423.1U试验F。规定,振动试波心,快及1h控查外规并测量电性能。5.12
5.12.1要求
降鸣片技表3在详缅期范中拟定排控等毁,在两个互相重直的轴线方向上,经排控试验后应无扎械损传,性能要求符合表5规定,5.12.2试验为法
长GB2423.6试验Fh现定,碰满试验,实1h控查外视非测量电性能。5.13过接
5.13.1要求
轻鸣片的很层应能归接0.1S×了多导线,乘直求平力问能承受细规范规定的拉力作用,银机描:
5.13.2试验方法
用21W内范式范供,HISmPE39低终,热香酒精剂(松香蛋比为25%~40%),焊接时间不大于5s,焊接而积为3m25焊炭点增积识高度不大于2r在持品的渠层而上,孩重直利水方向分,步要粗与鸣片%土5\和1±的导线,在导线:施加规定负时,荷时为105±1
5.14自出跌格
5.14.1要求
蜂鸣片经日由跌落试将后,无脱胶及片碎裂等机减期伤:电非能变化应符含表5规定。5.14.2试验方然
按GB2423.8试E规定。将将5片放网在水平位R,金风片的一丽朝一,从100m.m高度自也铁落至便术上,跌落二次后,拉查外观力测压电笔,5.15粘站黑
静叫,经折实后,成无密为说格和翘录现象,旧齐心裂,5.152试强方法
用一根直径与压电的瓷片拒同的网托年金.长度为rm左右,把序遇片的金与典在金底接均业而上,将其玉学至与国而指昀合后,检查外戏,6拾验规则
SJ/T 10709-1996
降鸣片的破验分定检峻和质量一致性生检跑,萨有检均应生制道或上裂土替都门措定格地原进作。制造厂或者定地点应提供试险所需的一划条件。6.1监定控脸
监定检验尽对一仲守的者于样品进行的一累列完整的检验,其日的在于确定制造者是否有能力生产符合本标准和许细规范规定的产品,间时当主要让计、工艺,材料改苯部件变史府或许产后恢复生产剧齐应世行。包,1整定检验的再数相试验分组中表6鉴出。全萨样品均应疑受组检验,然后将样品接表6规定分别签受各组的试验。表乔鉴定检检
试验期免费标准下载网bzxz
试验项目
结构外形尺和量量
外观质量印标志
事效电值
绝缘巨冈
HH改活
银尽好接强性
品源变化
这迎您
生标准承计
非品效
(含1只条
每样品)
充许不合格品数
6.1.2鉴定检验不台格品数不趋过规定的无许不台挤品数时,鉴定校题合格。经整定检验合格的样品不得作为破品交货。
62质量一致格按临
民一致检检验升避批较验和周期检股:6.2.1遥批检验
6.2.1.1逆批按将控GB2828一次止带抽样出案,检跨项月、顺字、检查水平及合括质量水(AQL表给出。
结转,外形止寸和重置
外观质益和标安
诺报频事
学效电阻
自出电容
地培电阻
SJ/T10709—1996
表7逐证拉验
本标准条教号
注:粉查包战汁抽查包装拓及其中五个包载盒。6.2.1.2逐批检验不合格时,制造厂可返候该批严品或别除有缺陷的产品,并重新提交进行复格。复政批应采用加产检查,若仍不合格时,则该批产品判为不合格,不得再次提交验收,此时应分析因,执出改逃措施知对流推产品的处理慈见。6.2.2附斯检验
同期拉验每三个月进行一次。在结构、主要工艺、主索材将改变或停产三个月以上又恢效生产时办应进行。
6.2.2.1周制效验的样品从每三个月生产的,经逐批控验合格的产品中随机独收。6.2.2.2周期检验按GB2829一次抽样方率进行,判别水平Ⅲ。周期检险的分组,项日,判定数组及不合咯属敏水半出B给出。表8固期检验
坛险分妇
试验项
自由埃器
教证核法
温其变化
!恒近堡热
粘按变
本标州条款号
样品数及制定致组
9, -2= 12
周期检验不会格,应停止产品峻收和交货,制造厂应向右关部门报告并根据不合格6.2.2.3
原因,对才料或工艺采取别正措施,有至新的周期检验合格后,才能恢其交收。6.2.2.4经周期孕验的样品不得作为合格品变货。了标志、包装、运输、贮存
SJ/T10709—1998
烯鸿片上应消磷标更:制造厂商标型号,生产日期,出干尺寸性制不能究全标志时,应按相应的洋细现范规定标惠,但应在包装上作完全标志。7.2包装
筛鸣片的包装分内包装和外包装。7.2.1内色装
内包装含应在运垃、忙疗整个过程中,为既止蜂遵片变和物理损提供足够的保护。内包装盘内只能装回一品种的产品,开放上盖有两录部门的印章的合格证,内包装盆上应标明:
a)制连厂名称年商标;
五,产品名称和型守;
e)产品数盘改生产日明:
d)包装人员灶名或代号。
7.2.2外包装
外包装第废符合防护要求,箱内成村有防商材料,空献处用减表材料填塞。销内应有装箱单,装筛鸣片的外他装销至量不妞过20kg:包装箱上贮运示志应符合GT19!的规定,标明“帕源”、“小心羟总“等享择的标志。包装箱的外表应标剪a)产品的名称,号,详继规战号;b)内包装度数及总效母:
)至量、外形尺寸;
谢!名和商标:
e)包装日期,
7.3运输
装有率鸣片的包装陷允许用往何方式运给,但应避免前雪的直接琳装或机越损恢。7.4疗
蜂鸣片应储弃存10℃40℃,相对湿不人子80%、用国空气无载性,碳性或其它脑性气体的库脂内。
小提示:此标准内容仅展示完整标准里的部分截取内容,若需要完整标准请到上方自行免费下载完整标准文档。
中华人民共和国电子行业标准
SJ/T10709-1996
压电陶瓷蜂鸣片总规范
Generic specification for
piezoelectric ceramic buzzer chips1996-07-22发布
中华人民共和国电子工业部
1996-11-01实施
本标准是在27一7(压电随瓷尊片总装术条件的基础上修订而成的我照GB/T1.1一1993数定,本标准在格式、引用标准方而作了更新,技术内窄力面作了补充和参正。与S27B0—87对比,主要如下修收:要新广有关引用际准。
2补充和情改了而度等级。
修正了测试电路中的标注错误。检验见则中增加丁监定检验。
本标唯从牛获之日起,同时代替S27朗一的本标准由电子工业部标准化研究所归[。本标准起草单位:江西景作电子有限声任公司。本标准土要起常人:陈玉类、乃年,张爆林,三旺兴、郑微美1范围
中华人民共和国电子行业标准
压电陶瓷蜂鸣片总规范
Generlc specltleatlon for
pieaeleetrk cerauic bavyer rhlysSJ/T: 10709—1996
SJ2780-87
本标规定【服电阿瓷穿湾片(以下简称单鸣片)的装犬要求试验方法和粒验规则等。本标范适用于报替溢列、发音体系列用的压电陶镜性鸣计。2引用标准
下列标准包含的案文,道过在本标常引用而构就为本标准的苯文。4泄出版时,所示成本均为有效。所有标准都会龄燃汀,使用牛标证的行方应探讨、使用下列标准航新版木的以能性。
GR 2414—81
GB2421—K9
GB 2423 189
G 2+23. 2- -89
GB 2423. 3—93
GR2423.6—81
G2423.B81
GH 2423.10—81
GB 2423.22-87
GR 2123.28—93
GH2K28—87
CB2829-g7
GI5 330.1--82
3定义
创装能运图示标志
压回阿瓷材料性能谢式人法医片的经向坤娠聚动、公条的模应长度津缩探动
电工电了产品基本环境试验规释电工电于产品基本环境验见程
电工电子产品质本坏培试账规程电工电子产品基本环境试险规
电工心广产品产本环境试验规程电工电子产品本环搭试验规屋
试验A:低温试验方偿
试验H高温试验方法
试验:恒定虚热试验方伙
试验:能换试冷污达
试验:自山跌落试验方法
电工电子产品高本不造总收热程试始下振动正弦)试验月法
出工出了产品基乎环境试验现粒试验N:度变化试整方法
电1.电了产品剂本环购试愉款保试验T:锅评试资方偿
逐比检查计效抽拌理序及抽祥表固期拉在计载械邦序及非择衣
正尼尚瓷料料能洲试方偿誉用名词术语本标准中采用的术评即也义应行合3399.1的规定。4、分类与命旁
中华人完共和国表子工业部1996722批准1996-11-01实施
4.1型号俞名
SJ/T 107091996
4.1.1蜂鸣片的型号山六部分组或(见疗框图)。F
第六部分:结构
第五邦分:电极形状
L第四部分:诺报频率
:第三部分:金同片材料
辆二部分:金属片外径
第部分:主称
4.1.2说明
第一弗分用\FT\表示主称“压电萄瓷鸣片”第二部分,用问拉伯数字表示金阀片外经,mn第三部分,月字母表示金同片材料:即T
一黄铜
不趟钢
第闪部分:用阿拉伯数字表示號率,Hz第五部分:用字再表示电吸形状;中A——圆形
一分割形
一环形
部分,制列拉伯数字表示靖均。即半
3——双面平面
4—家函盘状
4.1.3试写示例
鸣片在设文件巾的填孕示例如下:蜂鸣片FT--27T—43A1SJ/T10709—1996例去求:直经27mm、黄纠片、谐振频率4.3kHz、回形电,平面钻构的压电图瓷蜂鸣片和详缅规范光号。
4.2坏境条件
4.2.1工作温度
应符合表的规定。
4.2.2据动
应符合表2的规定。
4.2.3磁挖
应符合表3前规宽。
低通乐
:fg(g:
要求与试验方法
5J/710709—1996
表[工作温度
-HC-OE
-25 ~85℃
表2摄
脉冲转溪时间
相应的速变变化量
100G J0
些鸡片的植术要求应符合本标准和详继规菌的规定。着无特殊规定,蜂鸣片的测最应在G2421规定的试跑的标准大气条件≤进行,试验前样品至少应在此条件下放置24。5.1结构及外形尺寸利再货
5. 1.1 要求
应有含详迎双范的现定,
5. 1.2 试临方法
用能保证产品精度要求的量具测量尺于,用误差不超过二2多的衡具称取或取。5.2外观页设和标惠
5.2.1要求
蜂鸣片约外表应平,消洁、无明显的机能损伤:金阅片和瓷片的轴更应行合产品超纸的规定;标志应完暨,将晰半间。5.2.2试路5法
降吗片的外观以好定对合造定的外观样品的要求,外观样品应样据本标准和详细规俺的规定,并忆据实际业产的可能逆行选定,自制造厂技术朝们难,3
SJ/T 10709—1996
抢查同轴度时,可用游标卡尺量出鸣片的会回片与密片边缘的放大臣高和受小此离二老之差除以2,现为同轴度。
检查蜂鸣片协急时,用没承棉球轻燃三次后,标志应中间、范晰和完整。5.3造长频率
5.3.1 要求
蜂鸣的带据题车应往合详细期范划定,融试设备及要求效G2111的4.2.3期完,5.3.2试验方法
5.3.2.1谢试电路
a.流法(图1())
采月恒流法利试虾吗片诺城率时,测试电压在以流率阻岁10下校液出10mV。6.压选(见1(h))
振然器
(a)市法
3测试电路图
年增片
可变心
采用正法测试轻吗片浩振插率归,测试起正应校准5n:V5.3.2.2的定测或点位润
蜂鸣片的测量点应在波节附近,以库鸣片的等效电阳段小值的一点为性。5.3.2.3德试步
按正收支,按电路图按入测试央其更开关K在1的位留,调节坂器,校准游试中医。资可关K在2的位置,将测试来具两尖端来住蜂吗片量点位置,整后函节振药的输疑率,采流法时,使电走指示的电乐为最小。采用正法时,使电正表指示内心正为多大,时疑率计所尿示的境气为该些响的谢振频率。5.4、等效电图
5.4.1要求
蜂哗片的等效电阻应符合详细规范的规定5.4.2测试方法
按G乃2414的4.2.4.3规定。
5.4.2.1测试电路5.3.2.1.
5.4.2.2测试步操
深用机流法时逐乃关K接2的立置,用可变出阻箱代替降鸣许,改变电阻值,便电压表的指示怕与请掠频率时约值相同,此时可变电箱的阻值为好鸣片的等效电。采用恒压法对,将下关K接2的位管,调节可变电函箱的省,他典压表指示达典试清动期末慢人值,这时可变出匝简上诺山的阻值,即为螺鸣片的等效电配。5.5启出电穿
5.5.1变求
SJ/T10709—1996
蚌吗的自出电容应符合详细堤范的规寇。5.5.2测试方法
以测试趣率为120H,测试电压不随过1V的电容电桥进行测量,5.6蛇练电阻
5.6.1笔求续鸭片的绝等电阻盘不低于I00M0。5.6.2测试方送
测试电压为50V.用误差小于2%的绝缘电阻表测基,1min后读绝缘电阻值。5.7商祖
5.7.1要求
除非详细规范另右规定,蜂鸣方经详细规范规定的量高工作制度(见表1)试验后,也性能变化符合表4或计细规范的规定:表 虑性能变化
5.7.2试验方法
自由电容
安化值(%)
按GB242.3.2验R,进行试验。试验保祖时间不少予30min,在高温下测量。5.8低湖
5.8.1要求
险非详细想放另有规定,蜂鸣片给详细规范规定的微低工作温度(见表1)试验后,电性脂变化应荷合表4滤详细规范规定。5.自,2试验方法
按CB2423.1试验A,进行试验,试龄保温时们不少十30min,在抵激下测量。5.9耐度变化
5.9.1要求
蜂鸣片位承受景低丁作益度和量高工作温(见表1)的五次循开片,电性能变比在合装5或详细规范规定。
表5电件服变化值
5.9.2试验方法
变 比 佰(%)
按G32423.22试验Na规定。试将时间30min,试验后恢可1万检查外观并进行电性能测恒定湿热
5.10.1费效
SJ/T10709—1996
样呼片经恒定热h后,表面不应有发需发黄等现象,标患仍应清所,电变能变化符含表5规定
5.10.2试验方法
H2423.10防验Ca规定。试验后常询恢复11,检变外观和进行性能测款,5.11报动
5.11.1要来
蜂鸣片应按表2在详细规范中规定振动等级,作两个互相垂直的抽线方问上振动试脸与,应无机战投临,电性能变化应符合表5规定。5.11.2试格方法
按GB2423.1U试验F。规定,振动试波心,快及1h控查外规并测量电性能。5.12
5.12.1要求
降鸣片技表3在详缅期范中拟定排控等毁,在两个互相重直的轴线方向上,经排控试验后应无扎械损传,性能要求符合表5规定,5.12.2试验为法
长GB2423.6试验Fh现定,碰满试验,实1h控查外视非测量电性能。5.13过接
5.13.1要求
轻鸣片的很层应能归接0.1S×了多导线,乘直求平力问能承受细规范规定的拉力作用,银机描:
5.13.2试验方法
用21W内范式范供,HISmPE39低终,热香酒精剂(松香蛋比为25%~40%),焊接时间不大于5s,焊接而积为3m25焊炭点增积识高度不大于2r在持品的渠层而上,孩重直利水方向分,步要粗与鸣片%土5\和1±的导线,在导线:施加规定负时,荷时为105±1
5.14自出跌格
5.14.1要求
蜂鸣片经日由跌落试将后,无脱胶及片碎裂等机减期伤:电非能变化应符含表5规定。5.14.2试验方然
按GB2423.8试E规定。将将5片放网在水平位R,金风片的一丽朝一,从100m.m高度自也铁落至便术上,跌落二次后,拉查外观力测压电笔,5.15粘站黑
静叫,经折实后,成无密为说格和翘录现象,旧齐心裂,5.152试强方法
用一根直径与压电的瓷片拒同的网托年金.长度为rm左右,把序遇片的金与典在金底接均业而上,将其玉学至与国而指昀合后,检查外戏,6拾验规则
SJ/T 10709-1996
降鸣片的破验分定检峻和质量一致性生检跑,萨有检均应生制道或上裂土替都门措定格地原进作。制造厂或者定地点应提供试险所需的一划条件。6.1监定控脸
监定检验尽对一仲守的者于样品进行的一累列完整的检验,其日的在于确定制造者是否有能力生产符合本标准和许细规范规定的产品,间时当主要让计、工艺,材料改苯部件变史府或许产后恢复生产剧齐应世行。包,1整定检验的再数相试验分组中表6鉴出。全萨样品均应疑受组检验,然后将样品接表6规定分别签受各组的试验。表乔鉴定检检
试验期免费标准下载网bzxz
试验项目
结构外形尺和量量
外观质量印标志
事效电值
绝缘巨冈
HH改活
银尽好接强性
品源变化
这迎您
生标准承计
非品效
(含1只条
每样品)
充许不合格品数
6.1.2鉴定检验不台格品数不趋过规定的无许不台挤品数时,鉴定校题合格。经整定检验合格的样品不得作为破品交货。
62质量一致格按临
民一致检检验升避批较验和周期检股:6.2.1遥批检验
6.2.1.1逆批按将控GB2828一次止带抽样出案,检跨项月、顺字、检查水平及合括质量水(AQL表给出。
结转,外形止寸和重置
外观质益和标安
诺报频事
学效电阻
自出电容
地培电阻
SJ/T10709—1996
表7逐证拉验
本标准条教号
注:粉查包战汁抽查包装拓及其中五个包载盒。6.2.1.2逐批检验不合格时,制造厂可返候该批严品或别除有缺陷的产品,并重新提交进行复格。复政批应采用加产检查,若仍不合格时,则该批产品判为不合格,不得再次提交验收,此时应分析因,执出改逃措施知对流推产品的处理慈见。6.2.2附斯检验
同期拉验每三个月进行一次。在结构、主要工艺、主索材将改变或停产三个月以上又恢效生产时办应进行。
6.2.2.1周制效验的样品从每三个月生产的,经逐批控验合格的产品中随机独收。6.2.2.2周期检验按GB2829一次抽样方率进行,判别水平Ⅲ。周期检险的分组,项日,判定数组及不合咯属敏水半出B给出。表8固期检验
坛险分妇
试验项
自由埃器
教证核法
温其变化
!恒近堡热
粘按变
本标州条款号
样品数及制定致组
9, -2= 12
周期检验不会格,应停止产品峻收和交货,制造厂应向右关部门报告并根据不合格6.2.2.3
原因,对才料或工艺采取别正措施,有至新的周期检验合格后,才能恢其交收。6.2.2.4经周期孕验的样品不得作为合格品变货。了标志、包装、运输、贮存
SJ/T10709—1998
烯鸿片上应消磷标更:制造厂商标型号,生产日期,出干尺寸性制不能究全标志时,应按相应的洋细现范规定标惠,但应在包装上作完全标志。7.2包装
筛鸣片的包装分内包装和外包装。7.2.1内色装
内包装含应在运垃、忙疗整个过程中,为既止蜂遵片变和物理损提供足够的保护。内包装盘内只能装回一品种的产品,开放上盖有两录部门的印章的合格证,内包装盆上应标明:
a)制连厂名称年商标;
五,产品名称和型守;
e)产品数盘改生产日明:
d)包装人员灶名或代号。
7.2.2外包装
外包装第废符合防护要求,箱内成村有防商材料,空献处用减表材料填塞。销内应有装箱单,装筛鸣片的外他装销至量不妞过20kg:包装箱上贮运示志应符合GT19!的规定,标明“帕源”、“小心羟总“等享择的标志。包装箱的外表应标剪a)产品的名称,号,详继规战号;b)内包装度数及总效母:
)至量、外形尺寸;
谢!名和商标:
e)包装日期,
7.3运输
装有率鸣片的包装陷允许用往何方式运给,但应避免前雪的直接琳装或机越损恢。7.4疗
蜂鸣片应储弃存10℃40℃,相对湿不人子80%、用国空气无载性,碳性或其它脑性气体的库脂内。
小提示:此标准内容仅展示完整标准里的部分截取内容,若需要完整标准请到上方自行免费下载完整标准文档。

标准图片预览:





- 热门标准
- 电子行业标准(SJ)
- SJ20811-2002 压阻式加速度传感器总规范
- SJ2588-1985 BSH12~14-1L、BSH12~14-2L型一体化回扫变压器
- SJ933-1975 半导体调幅广播收音机用输出输入变压器
- SJ/T11259-2001 制冷机低温泵总规范
- SJ/T31248-1994 CLS-37型激交调阻机完好要求和检查评定方法
- SJ/T31291-1994 CHJ-S-2型超声波塑料焊接机完好要求和检查评定方法
- SJ/Z9094.4-1987 地面无线电接力系统所用设备的测量方法 第二部分:分系统的测量 第三章 射频分支网络
- SJ1007-75 双动冲床引伸模 上压板
- SJ/T31279-1994 WLD-T1型无感式电容器引线自动焊接机完好要求和检查评定方法
- SJ/T31280-1994 隧道式电容器清洗机完好要求和检查评定方法
- SJ1011-1975 手柄翻开式钻模 压板
- SJ/T31254-1994 自动绕片机完好要求和检查评定方法
- SJ/T10980-1996 电子器件详细规范 2CC23、2CC28型硅调谐变容二极管(可供认证用)
- SJ796-74 3DG160型NPN硅平面高频小功率高反压三极管
- SJ993-75 双动冲床引伸模 固定板定位板
- 行业新闻
请牢记:“bzxz.net”即是“标准下载”四个汉字汉语拼音首字母与国际顶级域名“.net”的组合。 ©2009 标准下载网 www.bzxz.net 本站邮件:bzxznet@163.com
网站备案号:湘ICP备2023016450号-1
网站备案号:湘ICP备2023016450号-1