- 您的位置:
- 标准下载网 >>
- 标准分类 >>
- 汽车行业标准(QC) >>
- QC/T 228.1-1997 摩托车和轻便摩托车操纵拉索 技术条件
标准号:
QC/T 228.1-1997
标准名称:
摩托车和轻便摩托车操纵拉索 技术条件
标准类别:
汽车行业标准(QC)
标准状态:
现行出版语种:
简体中文下载格式:
.rar.pdf下载大小:
275.94 KB

部分标准内容:
1范围
中华人民共和国汽车行业标准
QC/T228.1-1997
摩托车和轻便摩托车操纵拉索技术条件本标准规定了摩托车和轻便摩托车(以下简称摩托车)操纵拉索和操纵拉索组件(以下简称拉索)的技术要求,试验方法、检验规则、标志、包装、运输和贮存。本标准适用于摩托车(含轻便摩托车)的前制动、后制动、离合器及油门控制器拉索。2
引用标准
GB2828
GB3873
GB6388
GB6543
逐批检验计数抽样程序及抽样表(适用于连续批的检查)通信设备产品包装通用技术条件运输包装收发货标志
瓦楞纸箱
QC/T228.2-1997
QC/T 228.3-1997
QC/T 228.4-1997
QC/T228.5-1997
QC/T228.6-1997
QC/T 228.7-1997
QC/T 228.8-1997
QC/T228.9-1997
QC/T 228.10-1997
3主要零件名称
摩托车操纵拉索
摩托车操纵拉索
摩托车操纵拉索
摩托车操纵拉索
摩托车操纵拉索
摩托车操纵拉索
摩托车操纵拉索
摩托车操纵拉索
摩托车操纵拉索
见图1~图3和表1。
钢丝绳
套管帽
调整螺管
调整螺母
试验方法
4技术要求
零件名称
钢丝绳
套管帽
标准导
QC/T228-2
QC/T228.3
QC/T228.4
QC/1228.5
零件名称bzxz.net
调整螺管
调整螺母
4.1拉索应按经规定程序批准的产品图样和技术文件制造,并应符合本标准的规定标准号
QC/T2286
QC/T228-7
QC/T228-8
QC/T228.9
4.2拉索表面应光滑平整,不应有划伤、裂纹、锈蚀、飞边和毛刺等缺陷,电镀件、非金属件色泽应均匀。4.3不带防尘罩拉索(见图4)和带有防尘罩拉索(见图5)的长度极限偏差的规定按表2。图4
4.4钢丝绳与接头连接应可靠,其拉脱力应符合QC/T228.3的规定:4.5纲丝绳与接头连接后表面应平整,应无断丝、松散。焊接接头外端面凸起应不大于外端面直径的1/4,钎料浸出长度应不大于15mm:压接接头的压痕应规则、整齐。4.6钢丝绳与套管组装时,钢丝绳表面应涂润滑脂,该润滑脂应能满足标准中有关性能的要求。4.7拉索组装后,钢丝绳在套管内应能滑动自由,不允许有阻涩、卡滞现象,滑动阻抗力应不大于3N338
基本尺寸
>500-1000
10002.000
极限偏拳
基本尺
>100m-200
股限偏盖
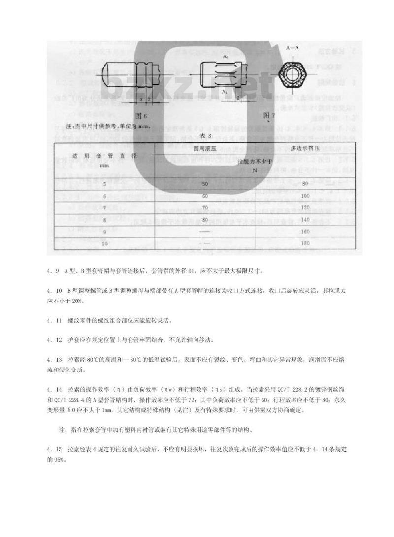
4.8A型套管帽与套管的连接方式为圆周滚压(见图6),其余各型为多边形挤压(如图7的六边形挤压),套管帽与套管连接后的拉脱力按表3的规定。图6
注:图中尺寸供参考,单位为mm.适用餐管直
周滚压
拉脱力不少于
4.9A型、B型套管帽与套管连接后,套管帽的外径D1,应不大于最大极限尺寸。AA
多边形轿压
4.10B型调整螺管或B型调整螺母与端部带有A型套管帽的连接为收口方式连接,收口后旋转应灵活,其拉脱力应不小于20N。
4.11螺纹零件的螺纹组合部位应能旋转灵活。4.12护套应在规定位置上与套管牢固结合,不允许轴向移动。4.13拉索经80℃的高温和一30℃的低温试验后,表面不应有裂纹、变色、弯曲和其它异常现象,润滑脂不应熔流和硬化变质。
4.14拉索的操作效率(n)由负荷效率(nw)和行程效率(ns)组成。当拉索采用QC/T228.2的镀锌钢丝绳和QC/T228.4的A型套管结构时,操作效率应不低于72:其中负荷效率应不低于60:行程效率应不低于80:永久变形量80应不大于1mm。其它结构或特殊结构(见注)及有特殊要求时,可由供需双方协商确定注:指在拉索套管中加有塑料内衬管或装有其它特殊用途零部件等的结构。4.15拉索经表4规定的往复耐久试验后,不应有明显损坏,往复次数完成后的操作效率值应不低于4.14条规定的95%。
5试验方法
索名称
后制动
剪制动
离合器
按QC/T228.10的规定。
检验规则
在复次数(万次)
拉索应由制造厂质量检验部门检验合格,并签发产品合格证后方能出厂。产品检验分为出厂检验(或交收检验)和型式检验。
6.1、出厂检验
6.1.1第4.4、4.8、4.10等拉脱力的检验按第6.1.5条所规定的批量,每批抽取五件,其中钢丝绳与接头拉脱力一件不合格判全批为不合格:其余仅一件不合格,但不低于规定值的80%时,应取加倍数对不合格项复检,仍有一件不合格,则判全批为不合格。6.1.2按第6.1.5条所规定的批量,每批抽取八件作滑动阻抗力试验,其中一件不合格应取加倍数量复检,仍有一件不合格,则判全批不合格。6.1.3除第6.1.16.1.2条外其余项目的出厂检验按GB2828中规定的一次抽样方案进行,并符合第6.1.4,6.15、6,16条的规定。
6.1.4批质量用每百单位产品不合格品数表示。6.1.5检查批的批量范围为501~1200件,或由供需双方协商确定。6.1.6不合格分类、检查项目,检查水平与每项的合格质量水平按表5规定。不合格分类
意合空兴#风赶,
检查项目
拉索长度公善
钢丝绳与接头结合要求
我管与在管帽连按要求
调整螺管,调整操母收口要求
螺纹副施合性要求
接头钎料漫出长度
拉需表面缺陷
钢丝绳表面要求
护套与餐管的结合要求
技术要求
见4.3条
见4.5条
见4.9条
见4.10条
见4.11条
见42条
见46条
见4.12条
检李水平(IL)
合格质量水平(AQL)
6.1.7产品图样和技术文件上要求的其它检查项目,当未作不合格分类时,可以按第6.1.6条所规定的C类检查。
6.1.8需方认为必要时,除可以按出厂检查的项目和规定检查外,也可以对主要零件的镀层质量、有装配关系或影响操作性能的主要尺寸、螺纹等进行检验;检查水平按S一I,合格质量水平按相应零件标准的有关规定。6.2型式检验
6.2.1拉索在下列情况之一时应进行型式检验。a)新产品或老产品转厂生产的试制定型鉴定:b)正式生产后,如结构、材料、工艺有较大改变,可能影响拉索性能时:c)正常情况下每生产一年时,(其中耐高低温性、耐久性能周期为两年):d)停产一年后恢复生产时:
e)各级质量监督机构提出型式检验要求时。6.2.2型式检验的项目
a)出厂检验的全部项目:
b)操作效率(负荷效率、行程效率)c)耐高低温性:
e)耐久性能。
6.2.3试验件的抽样
a)从出厂检验合格的同批产品中随机抽取6件:b)新试制拉索的检查批不少于30件,从中随机抽取6件6.2.4检验程序
6.2.4.1对全部试验件进行出厂检验中B类和C类不合格检查项目的检验。6.2.4.2按6.2.4.1条检验合格后取其中3件进行拉脱力和滑动阻抗力试验。6.2.4.3另外3件按顺序进行下列试验a)操作效率试验;
b)耐高低温性试验;
c)耐久性能试验。
6.2.5判定规则
6.2.5.1当第6.2.4.2条和第6:2.4.3条中规定的试验项目全部合格,则型式检验合格6.2.5.2上述试验中,除耐久性能试验外,如发生不合格项,且每项仅1件不合格,应重新抽取3件试验件进行不合格项目的复检,复检全部合格,才进行耐久性能试验,6.2.5.3耐久性能试验取操作效率最低的1件进行,如不合格但不低于规定次数的60%时,应取另外2件复检2件均合格时,判型式试验为合格。6.3根据需方要求,供方应提供型式检验报告。7标志、包装、运输、贮存
7.1产品标志采用印刷标签,其内容包括:a)制造厂名:
b)产品名称:
c)产品型号或标记;
d)产品数量:
e)制造日期。
7.2运输包装收发货标志应按GB6388的规定,包装箱上应有“怕湿”标志。7.3内包装采用塑料袋,外包装采用的瓦楞纸箱应按GB6543的规定,并进行捆扎;也可以采用木箱包装,木箱的类型与要求应按GB3873中第2.3.1条的规定。每箱净重不应超过20kg。7.4拉索应平直放入包装箱,数量少或直放有困难时,允许弯曲盘放,其弯曲半径应不小于150mm:拆箱后拉索应能恢复平直状态。
7.5包装箱中应附有产品标志标签和产品合格证,允许用产品标志标签代替产品合格证,但应印有合格标记7.6允许采用供需双方商定的其他形式的内外包装,但应保证在正常运输和存条件下,拉索不受损坏。7.7拉索在运输、贮存和安装时,不充许有使其产生不能弹性恢复的弯曲变形。7.8拉索应存放在通风、干燥,并无腐蚀性气体的库房内。在正常贮存条件下,自出厂之日起二年内制造厂应保证拉索不发生锈蚀和老化现象。附加说明
本标准由机械工业部汽车工业司提出。本标准由全国汽车标准化技术委员会归口。本标准由南昌飞机制造公司负责起草。本标准主要起草人:徐希生、王立满、史景琪、赵瑞林、任正言。
小提示:此标准内容仅展示完整标准里的部分截取内容,若需要完整标准请到上方自行免费下载完整标准文档。
中华人民共和国汽车行业标准
QC/T228.1-1997
摩托车和轻便摩托车操纵拉索技术条件本标准规定了摩托车和轻便摩托车(以下简称摩托车)操纵拉索和操纵拉索组件(以下简称拉索)的技术要求,试验方法、检验规则、标志、包装、运输和贮存。本标准适用于摩托车(含轻便摩托车)的前制动、后制动、离合器及油门控制器拉索。2
引用标准
GB2828
GB3873
GB6388
GB6543
逐批检验计数抽样程序及抽样表(适用于连续批的检查)通信设备产品包装通用技术条件运输包装收发货标志
瓦楞纸箱
QC/T228.2-1997
QC/T 228.3-1997
QC/T 228.4-1997
QC/T228.5-1997
QC/T228.6-1997
QC/T 228.7-1997
QC/T 228.8-1997
QC/T228.9-1997
QC/T 228.10-1997
3主要零件名称
摩托车操纵拉索
摩托车操纵拉索
摩托车操纵拉索
摩托车操纵拉索
摩托车操纵拉索
摩托车操纵拉索
摩托车操纵拉索
摩托车操纵拉索
摩托车操纵拉索
见图1~图3和表1。
钢丝绳
套管帽
调整螺管
调整螺母
试验方法
4技术要求
零件名称
钢丝绳
套管帽
标准导
QC/T228-2
QC/T228.3
QC/T228.4
QC/1228.5
零件名称bzxz.net
调整螺管
调整螺母
4.1拉索应按经规定程序批准的产品图样和技术文件制造,并应符合本标准的规定标准号
QC/T2286
QC/T228-7
QC/T228-8
QC/T228.9
4.2拉索表面应光滑平整,不应有划伤、裂纹、锈蚀、飞边和毛刺等缺陷,电镀件、非金属件色泽应均匀。4.3不带防尘罩拉索(见图4)和带有防尘罩拉索(见图5)的长度极限偏差的规定按表2。图4
4.4钢丝绳与接头连接应可靠,其拉脱力应符合QC/T228.3的规定:4.5纲丝绳与接头连接后表面应平整,应无断丝、松散。焊接接头外端面凸起应不大于外端面直径的1/4,钎料浸出长度应不大于15mm:压接接头的压痕应规则、整齐。4.6钢丝绳与套管组装时,钢丝绳表面应涂润滑脂,该润滑脂应能满足标准中有关性能的要求。4.7拉索组装后,钢丝绳在套管内应能滑动自由,不允许有阻涩、卡滞现象,滑动阻抗力应不大于3N338
基本尺寸
>500-1000
10002.000
极限偏拳
基本尺
>100m-200
股限偏盖
4.8A型套管帽与套管的连接方式为圆周滚压(见图6),其余各型为多边形挤压(如图7的六边形挤压),套管帽与套管连接后的拉脱力按表3的规定。图6
注:图中尺寸供参考,单位为mm.适用餐管直
周滚压
拉脱力不少于
4.9A型、B型套管帽与套管连接后,套管帽的外径D1,应不大于最大极限尺寸。AA
多边形轿压
4.10B型调整螺管或B型调整螺母与端部带有A型套管帽的连接为收口方式连接,收口后旋转应灵活,其拉脱力应不小于20N。
4.11螺纹零件的螺纹组合部位应能旋转灵活。4.12护套应在规定位置上与套管牢固结合,不允许轴向移动。4.13拉索经80℃的高温和一30℃的低温试验后,表面不应有裂纹、变色、弯曲和其它异常现象,润滑脂不应熔流和硬化变质。
4.14拉索的操作效率(n)由负荷效率(nw)和行程效率(ns)组成。当拉索采用QC/T228.2的镀锌钢丝绳和QC/T228.4的A型套管结构时,操作效率应不低于72:其中负荷效率应不低于60:行程效率应不低于80:永久变形量80应不大于1mm。其它结构或特殊结构(见注)及有特殊要求时,可由供需双方协商确定注:指在拉索套管中加有塑料内衬管或装有其它特殊用途零部件等的结构。4.15拉索经表4规定的往复耐久试验后,不应有明显损坏,往复次数完成后的操作效率值应不低于4.14条规定的95%。
5试验方法
索名称
后制动
剪制动
离合器
按QC/T228.10的规定。
检验规则
在复次数(万次)
拉索应由制造厂质量检验部门检验合格,并签发产品合格证后方能出厂。产品检验分为出厂检验(或交收检验)和型式检验。
6.1、出厂检验
6.1.1第4.4、4.8、4.10等拉脱力的检验按第6.1.5条所规定的批量,每批抽取五件,其中钢丝绳与接头拉脱力一件不合格判全批为不合格:其余仅一件不合格,但不低于规定值的80%时,应取加倍数对不合格项复检,仍有一件不合格,则判全批为不合格。6.1.2按第6.1.5条所规定的批量,每批抽取八件作滑动阻抗力试验,其中一件不合格应取加倍数量复检,仍有一件不合格,则判全批不合格。6.1.3除第6.1.16.1.2条外其余项目的出厂检验按GB2828中规定的一次抽样方案进行,并符合第6.1.4,6.15、6,16条的规定。
6.1.4批质量用每百单位产品不合格品数表示。6.1.5检查批的批量范围为501~1200件,或由供需双方协商确定。6.1.6不合格分类、检查项目,检查水平与每项的合格质量水平按表5规定。不合格分类
意合空兴#风赶,
检查项目
拉索长度公善
钢丝绳与接头结合要求
我管与在管帽连按要求
调整螺管,调整操母收口要求
螺纹副施合性要求
接头钎料漫出长度
拉需表面缺陷
钢丝绳表面要求
护套与餐管的结合要求
技术要求
见4.3条
见4.5条
见4.9条
见4.10条
见4.11条
见42条
见46条
见4.12条
检李水平(IL)
合格质量水平(AQL)
6.1.7产品图样和技术文件上要求的其它检查项目,当未作不合格分类时,可以按第6.1.6条所规定的C类检查。
6.1.8需方认为必要时,除可以按出厂检查的项目和规定检查外,也可以对主要零件的镀层质量、有装配关系或影响操作性能的主要尺寸、螺纹等进行检验;检查水平按S一I,合格质量水平按相应零件标准的有关规定。6.2型式检验
6.2.1拉索在下列情况之一时应进行型式检验。a)新产品或老产品转厂生产的试制定型鉴定:b)正式生产后,如结构、材料、工艺有较大改变,可能影响拉索性能时:c)正常情况下每生产一年时,(其中耐高低温性、耐久性能周期为两年):d)停产一年后恢复生产时:
e)各级质量监督机构提出型式检验要求时。6.2.2型式检验的项目
a)出厂检验的全部项目:
b)操作效率(负荷效率、行程效率)c)耐高低温性:
e)耐久性能。
6.2.3试验件的抽样
a)从出厂检验合格的同批产品中随机抽取6件:b)新试制拉索的检查批不少于30件,从中随机抽取6件6.2.4检验程序
6.2.4.1对全部试验件进行出厂检验中B类和C类不合格检查项目的检验。6.2.4.2按6.2.4.1条检验合格后取其中3件进行拉脱力和滑动阻抗力试验。6.2.4.3另外3件按顺序进行下列试验a)操作效率试验;
b)耐高低温性试验;
c)耐久性能试验。
6.2.5判定规则
6.2.5.1当第6.2.4.2条和第6:2.4.3条中规定的试验项目全部合格,则型式检验合格6.2.5.2上述试验中,除耐久性能试验外,如发生不合格项,且每项仅1件不合格,应重新抽取3件试验件进行不合格项目的复检,复检全部合格,才进行耐久性能试验,6.2.5.3耐久性能试验取操作效率最低的1件进行,如不合格但不低于规定次数的60%时,应取另外2件复检2件均合格时,判型式试验为合格。6.3根据需方要求,供方应提供型式检验报告。7标志、包装、运输、贮存
7.1产品标志采用印刷标签,其内容包括:a)制造厂名:
b)产品名称:
c)产品型号或标记;
d)产品数量:
e)制造日期。
7.2运输包装收发货标志应按GB6388的规定,包装箱上应有“怕湿”标志。7.3内包装采用塑料袋,外包装采用的瓦楞纸箱应按GB6543的规定,并进行捆扎;也可以采用木箱包装,木箱的类型与要求应按GB3873中第2.3.1条的规定。每箱净重不应超过20kg。7.4拉索应平直放入包装箱,数量少或直放有困难时,允许弯曲盘放,其弯曲半径应不小于150mm:拆箱后拉索应能恢复平直状态。
7.5包装箱中应附有产品标志标签和产品合格证,允许用产品标志标签代替产品合格证,但应印有合格标记7.6允许采用供需双方商定的其他形式的内外包装,但应保证在正常运输和存条件下,拉索不受损坏。7.7拉索在运输、贮存和安装时,不充许有使其产生不能弹性恢复的弯曲变形。7.8拉索应存放在通风、干燥,并无腐蚀性气体的库房内。在正常贮存条件下,自出厂之日起二年内制造厂应保证拉索不发生锈蚀和老化现象。附加说明
本标准由机械工业部汽车工业司提出。本标准由全国汽车标准化技术委员会归口。本标准由南昌飞机制造公司负责起草。本标准主要起草人:徐希生、王立满、史景琪、赵瑞林、任正言。
小提示:此标准内容仅展示完整标准里的部分截取内容,若需要完整标准请到上方自行免费下载完整标准文档。

标准图片预览:





- 热门标准
- 汽车行业标准(QC)
- QC/T593-2014 汽车液压比例阀性能要求及台架试验方法
- QC/T1141-2020 汽车离合器分离轴承总成
- QC/T709-2004 汽车密封条压缩永久变形试验方法
- QC/T639-2004 汽车用橡胶密封条
- QC/T932-2012 道路运输液体危险货物罐式车辆紧急切断阀
- QC/T216-1996 汽车用地毯的性能要求及试验方法
- QC/T1105-2019 接地螺栓性能要求及试验方法
- QC/T944-2013 汽车材料中多溴联苯(PBBs)和多溴二苯醚(PBDEs)的检测方法
- QC/T1007-2015 汽车用燃油滤清器过滤性能的评定颗粒计数法
- QC/T207-1996 汽车腊通气弹簧
- QC/T299.1-2014 汽车液压转向助力泵第1部分:技术要求
- QC/T269-1999 汽车铸造零件未注公差尺寸的极限偏差
- QC/T898-2013 摩托车和轻便摩托车辐条
- QC/T1066-2017 汽车驻车制动用拉索总成性能要求及台架试验方法
- QC/T401-2013 卡套式锥螺纹直角接头体
- 行业新闻
请牢记:“bzxz.net”即是“标准下载”四个汉字汉语拼音首字母与国际顶级域名“.net”的组合。 ©2009 标准下载网 www.bzxz.net 本站邮件:bzxznet@163.com
网站备案号:湘ICP备2023016450号-1
网站备案号:湘ICP备2023016450号-1