- 您的位置:
- 标准下载网 >>
- 标准分类 >>
- 国家标准(GB) >>
- GB 12312-1990 感官分析 味觉敏感度的测定
标准号:
GB 12312-1990
标准名称:
感官分析 味觉敏感度的测定
标准类别:
国家标准(GB)
英文名称:
Sensory analysis-Determination of sensitivity of taste标准状态:
已作废-
发布日期:
1990-04-10 -
实施日期:
1989-07-01 -
作废日期:
2012-11-01 出版语种:
简体中文下载格式:
.rar.pdf下载大小:
112.61 KB
标准ICS号:
食品技术>>67.240感观分析中标分类号:
农业、林业>>农业、林业综合>>B04基础标准与通用方法
替代情况:
被GB/T 12312-2012代替采标情况:
=ISO 3972-79

点击下载
标准简介:
标准下载解压密码:www.bzxz.net
本标准规定了四种基本味道的识别能力及其觉察阈,识别阈,差别阈的测定。本标准适用于味觉敏感度的测定,以及选择、培训评价员。 GB 12312-1990 感官分析 味觉敏感度的测定 GB12312-1990
本标准规定了四种基本味道的识别能力及其觉察阈,识别阈,差别阈的测定。
本标准适用于味觉敏感度的测定,以及选择、培训评价员。

部分标准内容:
中华人民共和国国聚标雅
GB 12810~12316—90
感官分析方法
Sensory aralysis ethod
1990-04-10发布
1990-12-01实施
国家技术监督厨发布
中华人民共和国国家标准
感官分析味觉敏感度的测定
Sensary analyslsDelerminatlon of sensitivily of tasteGB12312--90
本标准亲效果片盗际标准1S2了2,[分79《感有分析-味觉缺感度别定》。主期内容和适用范图
小标准规谁了叫种基车未道的试别能小及其党亲通,以别阐,差别阅的测定。本标准适用于味觉敏感度的测定,以及选择。培谢评价员。引用标准
GB10221,1~10221.4滤官分杯米语GB10220盛官分析方法总论
3方法提要
3.别盐本味遵的能厅
制备具有叫种基本咪道已划浓度的参比溶液,按卡知项序提供给评价风,每改品尝后作记录。a.2不同类型尚的谢定
将谐备资液波两种系列稀释,以浓逆增的断序南评价风提供某种基率道系列浓度的稀释磷液,每次出尝后,作汇求。
几何系列:稀择比率为2。
b、算术系列,浓度间差异轻小,开于味觉敏驱安的精谢测定。-试剂
无色、无味、无误、无泡袜沫,中性,纯度接近于蒸邂水,对实验结果无影响。4.2站备液
按表】规避制备。
国家技术监警竭1990-04-10批准11
189012-01实施
基本咪道
流酸(药品)
GH1231290
表1结条液
行酰(水化自物端品)
酸蛋(水在物)
咖啡风(-水化物转&)
无水氧北的
能:心许物质的销对分手历:,小配和蔗捌波,在试聚前儿小配,4.8稀释溶液
W = [50. ]
M = 196, 9
= 212. 12
= 34:23
根据试验百的,用储备滤(4,2)别备儿何系列或单术系列的稀释溶液。4.3,1儿何系列,见表2。
儿何系列
福程放
储备激
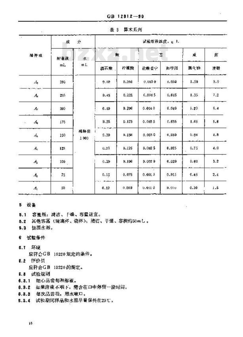
算术系列,见表3。
减晓浓旋浓良。β L
鼠化钠
浓唑,
5设备
制备液
格师至
QB12a12—90bZxz.net
表 3算术系列
试验冠沿浓度,1
西石胶
客量瓶:满洁、F焕、容量适宜。扩横
其他穿器(玻爽还、烧怀),清洁、于燥、容兜约50m。8.2
恒溢水浴。
试验条件
6.T环境
应符合GB10220规定的条件。
,2评价员
应符合GB1022的规定。
.。试验规则
细心品尝每种酋液。
如果溶液不咽,需告在口中停情--段时间。每次乱品尝后,用水啦口。
试验期阅样品和水温尽最保持在20亡:非因
飘化敏
.「试验步额
1.1四和基本味道识射能力的测考7.1.1试验滨液
GB12312—90
选用几何系列G,释溶液或算术系列A税释游被,配制每种成本味道溶液。11.2制定
把稀释落液分别效写在9个已编号的客器内,每种味逆的溶获分于13个容器心,另有容器盛水,评价员按险机提供的顺序分谢取约15而工溶液,品尝后,按附录A1墙写。7.2不同类型的阐限测定
7.,1试验溶
制备每种苗本味道的溶,见表2或表3。7.2.2测定
试验溶液按要求逐级帮,样品间可随机挪人相同浓度的样品,落液自水开始依次从低浓度到高浓度送交评价员,由评价员各取15mL落被,品尝后按附录日填写。在品替下一个基本味道之前,评价员要啦口井等1min。17
A1表格
各路编号
姓名×××
容当编号
末知菲
未知样
注:容塑烟取自险收致表
GB.12812-—90
附 录 A
四种基本味道测定实例
【考件】
1989年1A:5E
容案顺
客密编号
容罗师序
容医编号”
CB12312.~10
附录B
匹种基本味适不同阅值的测定记录实例(参考件)
注:光:宽觉:××识,
*×*识别不同游变。随识别浓度递资,树?数:附加说明:
本标准由中华人民共和国农业部提出。26
本标中中国内类食品综合研究中心,中国农科院分析测试中心起草。本标理主要起草人牛景金、朱红、淑文。华
××x×x
小提示:此标准内容仅展示完整标准里的部分截取内容,若需要完整标准请到上方自行免费下载完整标准文档。
GB 12810~12316—90
感官分析方法
Sensory aralysis ethod
1990-04-10发布
1990-12-01实施
国家技术监督厨发布
中华人民共和国国家标准
感官分析味觉敏感度的测定
Sensary analyslsDelerminatlon of sensitivily of tasteGB12312--90
本标准亲效果片盗际标准1S2了2,[分79《感有分析-味觉缺感度别定》。主期内容和适用范图
小标准规谁了叫种基车未道的试别能小及其党亲通,以别阐,差别阅的测定。本标准适用于味觉敏感度的测定,以及选择。培谢评价员。引用标准
GB10221,1~10221.4滤官分杯米语GB10220盛官分析方法总论
3方法提要
3.别盐本味遵的能厅
制备具有叫种基本咪道已划浓度的参比溶液,按卡知项序提供给评价风,每改品尝后作记录。a.2不同类型尚的谢定
将谐备资液波两种系列稀释,以浓逆增的断序南评价风提供某种基率道系列浓度的稀释磷液,每次出尝后,作汇求。
几何系列:稀择比率为2。
b、算术系列,浓度间差异轻小,开于味觉敏驱安的精谢测定。-试剂
无色、无味、无误、无泡袜沫,中性,纯度接近于蒸邂水,对实验结果无影响。4.2站备液
按表】规避制备。
国家技术监警竭1990-04-10批准11
189012-01实施
基本咪道
流酸(药品)
GH1231290
表1结条液
行酰(水化自物端品)
酸蛋(水在物)
咖啡风(-水化物转&)
无水氧北的
能:心许物质的销对分手历:,小配和蔗捌波,在试聚前儿小配,4.8稀释溶液
W = [50. ]
M = 196, 9
= 212. 12
= 34:23
根据试验百的,用储备滤(4,2)别备儿何系列或单术系列的稀释溶液。4.3,1儿何系列,见表2。
儿何系列
福程放
储备激
算术系列,见表3。
减晓浓旋浓良。β L
鼠化钠
浓唑,
5设备
制备液
格师至
QB12a12—90bZxz.net
表 3算术系列
试验冠沿浓度,1
西石胶
客量瓶:满洁、F焕、容量适宜。扩横
其他穿器(玻爽还、烧怀),清洁、于燥、容兜约50m。8.2
恒溢水浴。
试验条件
6.T环境
应符合GB10220规定的条件。
,2评价员
应符合GB1022的规定。
.。试验规则
细心品尝每种酋液。
如果溶液不咽,需告在口中停情--段时间。每次乱品尝后,用水啦口。
试验期阅样品和水温尽最保持在20亡:非因
飘化敏
.「试验步额
1.1四和基本味道识射能力的测考7.1.1试验滨液
GB12312—90
选用几何系列G,释溶液或算术系列A税释游被,配制每种成本味道溶液。11.2制定
把稀释落液分别效写在9个已编号的客器内,每种味逆的溶获分于13个容器心,另有容器盛水,评价员按险机提供的顺序分谢取约15而工溶液,品尝后,按附录A1墙写。7.2不同类型的阐限测定
7.,1试验溶
制备每种苗本味道的溶,见表2或表3。7.2.2测定
试验溶液按要求逐级帮,样品间可随机挪人相同浓度的样品,落液自水开始依次从低浓度到高浓度送交评价员,由评价员各取15mL落被,品尝后按附录日填写。在品替下一个基本味道之前,评价员要啦口井等1min。17
A1表格
各路编号
姓名×××
容当编号
末知菲
未知样
注:容塑烟取自险收致表
GB.12812-—90
附 录 A
四种基本味道测定实例
【考件】
1989年1A:5E
容案顺
客密编号
容罗师序
容医编号”
CB12312.~10
附录B
匹种基本味适不同阅值的测定记录实例(参考件)
注:光:宽觉:××识,
*×*识别不同游变。随识别浓度递资,树?数:附加说明:
本标准由中华人民共和国农业部提出。26
本标中中国内类食品综合研究中心,中国农科院分析测试中心起草。本标理主要起草人牛景金、朱红、淑文。华
××x×x
小提示:此标准内容仅展示完整标准里的部分截取内容,若需要完整标准请到上方自行免费下载完整标准文档。

标准图片预览:





- 其它标准
- 热门标准
- 国家标准(GB)
- GB16853-1997 结核病监测标准
- GB/T38142-2019 ISO 4918:2016 弹性、纺织和层压铺地物脚轮椅测试
- GB/T17273-2023 集装箱 设备数据交换 一般通信代码
- GB/T19250-2013 聚氨酯防水涂料
- GB/T23344-2009 纺织品 4-氨基偶氮苯的测定
- GB/T38987-2020 硬质合金螺旋孔棒材
- GB/T38557.1-2020 系统与软件工程 接口和数据交换 第1部分:企业资源计划系统与制造执行系统的接口规范
- GB/T5177.5-2002 工业直链烷基苯
- GB∕T40018-2021 信息安全技术 基于多信道的证书申请和应用协议
- GB/T39249-2020 橡胶和塑料软管及非增强软管织物增强型 低温压扁试验
- GB/T44103-2024 轮滑课程学生运动能力测评规范
- GB/T40442-2021 纸、纸板和纸浆纤维组成分析中质量因子的测定
- GB/T22089-2008 电水壶性能要求及试验方法
- GB/T27888.3-2011 船舶与海上技术 船舶与海上结构物的排水系统 第3部分:真空系统的卫生水排放及排放管道
- GB/T38971-2020 增材制造用球形钴铬合金粉
- 行业新闻
请牢记:“bzxz.net”即是“标准下载”四个汉字汉语拼音首字母与国际顶级域名“.net”的组合。 ©2009 标准下载网 www.bzxz.net 本站邮件:bzxznet@163.com
网站备案号:湘ICP备2023016450号-1
网站备案号:湘ICP备2023016450号-1