- 您的位置:
- 标准下载网 >>
- 标准分类 >>
- 国家标准(GB) >>
- GB/T 12248-1989 蒸汽疏水阀 术语
标准号:
GB/T 12248-1989
标准名称:
蒸汽疏水阀 术语
标准类别:
国家标准(GB)
标准状态:
已作废-
发布日期:
1990-01-04 -
实施日期:
1990-01-02 -
作废日期:
2006-01-01 出版语种:
简体中文下载格式:
.rar.pdf下载大小:
96.08 KB
替代情况:
被GB/T 12250-2005代替采标情况:
≈ISO 6552-82
点击下载
标准简介:
标准下载解压密码:www.bzxz.net
本标准规定了机械型、热静力型和热动力型蒸汽疏水阀有关压力、温度、排量和漏汽量方面的术语。 GB/T 12248-1989 蒸汽疏水阀 术语 GB/T12248-1989
部分标准内容:
中华人民共和国国家标准
蒸汽疏水阀
Automatic steam traps-
Definition of technical terms本标准参照采用国际标准ISO6552—1980《蒸汽疏水阀术语》主题内容
GB 12248—89
本标准规定了机械型、热静力型和热动力型蒸汽疏水阀有关压力、温度、排量和漏汽量力面的术语。
引用标准
GB12247蒸汽疏水阀
3术语
3.1有关压力的术语
最高允许压力
Maximum allowable pressure
作非力
Operating pressure
3.1.3最高1作压力
Maximum operating pressure
3.1.4最低上作压力
Minimum operating pressure
1作背压
Operating back pressure
国家技术监督局1990-01-04批准51
在给定温度下蒸汽疏水
阀壳体能够持久承受的最
高压方
在1作条件下蒸汽疏水
阀进口端的压力
在正确动作条件下,蒸
汽疏水阀进口端的最岛儿
力,它由制造」“给定
在正确动作情况下,蒸
汽疏水阀进口端的最低庄
在工作条件下,蒸汽疏
水凝出端的乐力
1990-12-01实施
3.1.6最高1作背压
GB12248—89
Maximum operating back pressure背压渐
Rate of back pressure
,最高背压率
Maximum rate of back pressure3.1.9
工作压差
Operating differential pressure最大压差
Maximm differential
pressure
最小压差
Minimum differential
3.2有关温度的术语
工作温度
Operating temperature
最高工作温度
Maximum operating
3.2.3最高元许温度
pressure
temperature
Maximum allowable temperature3.2.4开树温度
Opening valve temperaturc
IRMBP!
在最高1作压力下,能
正确动作时热汽疏水出
门端的最高压与
作背乐作乐的
百分比
最高作背压与最高工
作非力的分比
正作用力与是作背形的
工作服力与工作背用的
最大差候
工作压力与作背保的
最小举值
在!作条件下蒸汽疏水
阀进门端的温度
与最高1作压力机对应
的饱和温度
在给定压力下蒸汽疏水
阀壳体能持久承受的最高
在排水温度试验时,装
汽蔬水阀升瑞时的进口温
3.2.5关温度
Closing valve temperalure
3.2.6排水温度
GB 12248-89
Temperature at discharging
condensate
最高排水温度
Maxinum temperature at dischargingcondensate
3.2.8过冷度
Subcooled temperature
3.2.9开阀过冷度
Subcooled temperature of open valve3.2.10
关阀过冷度
Subcooled temperature of close valve最大过冷度
Maximum subcooled temperature最小过冷度
Minimum subcooled temperature有关排量的术语
冷凝结水排量
Cold condensate capacily
热凝结水排量
Hot condensate capacity
在排水温度试验时,蒸
汽疏水阀关闭时的进口溫
蒸汽疏水阀能连续排放
热凝结水的温度
在最高工作压力下蒸汽
疏水阀能连续排放热凝结bzxz.net
水的最高温度
凝结水温度马相应压力
下饱和温度之差的绝对值
开阀温度与相应力下
饱和温度之差的绝对值
关阀温度与相应压力下
饱和温度之差的绝对值
开阀过冷度中的最大值
关阀过冷度中的最大值
在给定压差和20℃条件
下蒸汽疏水阀小时内能
排出凝结水的最大重量
在给定压和温度下蒸
汽疏水阀小时内能排出
凝结水的最大重量
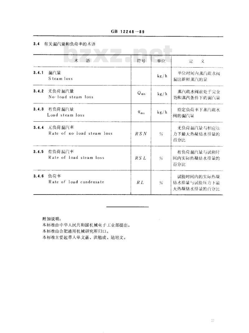
3.4有关漏汽量和负荷率的术语
漏汽量
Steam loss
3.4.2无负荷漏汽量
No-load steam loss
3.4.3有负荷漏汽量
Load steam loss
无负荷漏汽率
GB 12248--89
Rate of no load steam loss
有负荷漏汽率
Rate of load stcam loss
3.4.6负荷率
Rate of load condensate
附加说明:
本标准由中华人民共和国机械电子工业部提出。本标准由合肥通用机械研究所归口。本标准主要起草人单文嘉、洪勉成、陆培文。RSN
单时间内蒸汽疏水拟
潇出新鲜蒸汽的量
蒸汽疏水阀前处于完全
饱和蒸汽条件下的漏汽量
给定负荷率下蒸汽疏水
阀的漏汽量
无负荷漏汽量与相应压
力下最大热凝结水排量的
百分比
有负荷漏汽量与试验时
间内实际热凝结水排量的
百分比
试验时间内的实际热凝
结水排量与试验压力下最
大热凝结水排量的门分比
小提示:此标准内容仅展示完整标准里的部分截取内容,若需要完整标准请到上方自行免费下载完整标准文档。
蒸汽疏水阀
Automatic steam traps-
Definition of technical terms本标准参照采用国际标准ISO6552—1980《蒸汽疏水阀术语》主题内容
GB 12248—89
本标准规定了机械型、热静力型和热动力型蒸汽疏水阀有关压力、温度、排量和漏汽量力面的术语。
引用标准
GB12247蒸汽疏水阀
3术语
3.1有关压力的术语
最高允许压力
Maximum allowable pressure
作非力
Operating pressure
3.1.3最高1作压力
Maximum operating pressure
3.1.4最低上作压力
Minimum operating pressure
1作背压
Operating back pressure
国家技术监督局1990-01-04批准51
在给定温度下蒸汽疏水
阀壳体能够持久承受的最
高压方
在1作条件下蒸汽疏水
阀进口端的压力
在正确动作条件下,蒸
汽疏水阀进口端的最岛儿
力,它由制造」“给定
在正确动作情况下,蒸
汽疏水阀进口端的最低庄
在工作条件下,蒸汽疏
水凝出端的乐力
1990-12-01实施
3.1.6最高1作背压
GB12248—89
Maximum operating back pressure背压渐
Rate of back pressure
,最高背压率
Maximum rate of back pressure3.1.9
工作压差
Operating differential pressure最大压差
Maximm differential
pressure
最小压差
Minimum differential
3.2有关温度的术语
工作温度
Operating temperature
最高工作温度
Maximum operating
3.2.3最高元许温度
pressure
temperature
Maximum allowable temperature3.2.4开树温度
Opening valve temperaturc
IRMBP!
在最高1作压力下,能
正确动作时热汽疏水出
门端的最高压与
作背乐作乐的
百分比
最高作背压与最高工
作非力的分比
正作用力与是作背形的
工作服力与工作背用的
最大差候
工作压力与作背保的
最小举值
在!作条件下蒸汽疏水
阀进门端的温度
与最高1作压力机对应
的饱和温度
在给定压力下蒸汽疏水
阀壳体能持久承受的最高
在排水温度试验时,装
汽蔬水阀升瑞时的进口温
3.2.5关温度
Closing valve temperalure
3.2.6排水温度
GB 12248-89
Temperature at discharging
condensate
最高排水温度
Maxinum temperature at dischargingcondensate
3.2.8过冷度
Subcooled temperature
3.2.9开阀过冷度
Subcooled temperature of open valve3.2.10
关阀过冷度
Subcooled temperature of close valve最大过冷度
Maximum subcooled temperature最小过冷度
Minimum subcooled temperature有关排量的术语
冷凝结水排量
Cold condensate capacily
热凝结水排量
Hot condensate capacity
在排水温度试验时,蒸
汽疏水阀关闭时的进口溫
蒸汽疏水阀能连续排放
热凝结水的温度
在最高工作压力下蒸汽
疏水阀能连续排放热凝结bzxz.net
水的最高温度
凝结水温度马相应压力
下饱和温度之差的绝对值
开阀温度与相应力下
饱和温度之差的绝对值
关阀温度与相应压力下
饱和温度之差的绝对值
开阀过冷度中的最大值
关阀过冷度中的最大值
在给定压差和20℃条件
下蒸汽疏水阀小时内能
排出凝结水的最大重量
在给定压和温度下蒸
汽疏水阀小时内能排出
凝结水的最大重量
3.4有关漏汽量和负荷率的术语
漏汽量
Steam loss
3.4.2无负荷漏汽量
No-load steam loss
3.4.3有负荷漏汽量
Load steam loss
无负荷漏汽率
GB 12248--89
Rate of no load steam loss
有负荷漏汽率
Rate of load stcam loss
3.4.6负荷率
Rate of load condensate
附加说明:
本标准由中华人民共和国机械电子工业部提出。本标准由合肥通用机械研究所归口。本标准主要起草人单文嘉、洪勉成、陆培文。RSN
单时间内蒸汽疏水拟
潇出新鲜蒸汽的量
蒸汽疏水阀前处于完全
饱和蒸汽条件下的漏汽量
给定负荷率下蒸汽疏水
阀的漏汽量
无负荷漏汽量与相应压
力下最大热凝结水排量的
百分比
有负荷漏汽量与试验时
间内实际热凝结水排量的
百分比
试验时间内的实际热凝
结水排量与试验压力下最
大热凝结水排量的门分比
小提示:此标准内容仅展示完整标准里的部分截取内容,若需要完整标准请到上方自行免费下载完整标准文档。
标准图片预览:




- 其它标准
- 热门标准
- 国家标准(GB)
- GB/T2828.1-2012 计数抽样检验程序 第1部分:按接收质量限(AQL)检索的逐批检验抽样计划
- GB/T29863-2023 服装制图
- GB/T3836.1-2021 爆炸性环境 第1部分:设备 通用要求
- GB50367-2013 混凝土结构加固设计规范
- GB/T228.1-2021 金属材料 拉伸试验 第1部分:室温试验方法
- GB5009.225-2023 食品安全国家标准 酒和食用酒精中乙醇浓度的测定
- GB/T18204.4-2000 公共场所毛巾、床上卧具微生物检验方法细菌总数测定
- GB/T23892.3-2009 滑动轴承 稳态条件下流体动压可倾瓦块止推轴承 第3部分:可倾瓦块止推轴承计算的许用值
- GB/T9145-2003 普通螺纹 中等精度、优选系列的极限尺寸
- GB/T11839-1989 二氧化铀芯块中硼的测定 姜黄素萃取光度法
- GB/T12053-1989 光学识别用字母数字字符集 第一部分:OCR-A字符集印刷图象的形状和尺寸
- GB5725-2009 安全网
- GB/T18380.33-2022 电缆和光缆在火焰条件下的燃烧试验 第33部分:垂直安装的成束电线电缆火焰垂直蔓延试验 A类
- GB/T9239-1988 刚性转子平衡品质 许用不平衡的确定
- GB/T15917.3-1995 金属镝及氧化镝化学分析方法 对氯苯基荧光酮--溴化十六烷基三甲基胺分光光度法测定钽量
- 行业新闻
请牢记:“bzxz.net”即是“标准下载”四个汉字汉语拼音首字母与国际顶级域名“.net”的组合。 ©2025 标准下载网 www.bzxz.net 本站邮件:bzxznet@163.com
网站备案号:湘ICP备2025141790号-2
网站备案号:湘ICP备2025141790号-2