- 您的位置:
- 标准下载网 >>
- 标准分类 >>
- 机械行业标准(JB) >>
- JB/T 8825.1-1998 惠氏螺纹丝锥
标准号:
JB/T 8825.1-1998
标准名称:
惠氏螺纹丝锥
标准类别:
机械行业标准(JB)
英文名称:
Whitworth thread taps标准状态:
现行-
发布日期:
1998-12-29 -
实施日期:
1999-07-01 出版语种:
简体中文下载格式:
.rar.pdf下载大小:
135.44 KB
部分标准内容:
IC'S 25.100,50
中华人民共和国机械行业标准
JB/T8825.1-1998
惠氏螺纹丝锥
Taps forwhitworththreads
1998-12-29发布
国家机械工业局
1999-07-01实施
JB/T825.1—1998
本标准是参照国际标准1S0529:1993(短手用和机用丝钮》第4部分的有关规定制订的,型戏、尺寸与回际标准相同。
本标施于1998年12月29且首次发布。本标由全国万具标准化技术委员会提出并归口。中标准主要起卓单位:上海刃具厂。范围
中华人民共和国机捷行业标准
惠氏螺纹丝锥
Taps for #biteyorth threads
JB/TBB25.1—1998
本标准规定了恋氏螺纹丝耀(以下简称丝惟)的型式、尺小和标记等的基本要求。冰标准适用于加T螺较代号为1总-4患压螺纹的丝弹。2引用标准
下列标准所包含的文,通过在本标准中引用而构成为本标准的条文。本标准出版时,所示版本均为有效。所有标准都会被修订,使用本标准的各方应探讨使用下列标准最新版本的可能性:JB/T8825.2—199志氏螺纹丝雌螺效公差B/T8825.3—1998事氏螺致等惟技术条件3型式和尺寸
3.1粗柄带颈丝雄型式按图1所示,尺寸在表1、表2中给出。A
螺效代号
1/840BW
3/16-24BSW
17420BSW
5/[6-18 RSW
3.8-16 BSW
每25.4mm
上牙数
公称直径
性:无空刀增时爆续都分长度尺寸为1。窗家机械工业局1998-12-19批准1.15
1999-07-01实
螺统化号
3/16-32HSH
7/32-28RSF
1.4-26日5F
9/32-26BSF
511622BSF
3/B20 BSF
公称径
JB/T8825.1—1998
9了了
注:无空刀槽时螺较部分长度尺寸应为1+4
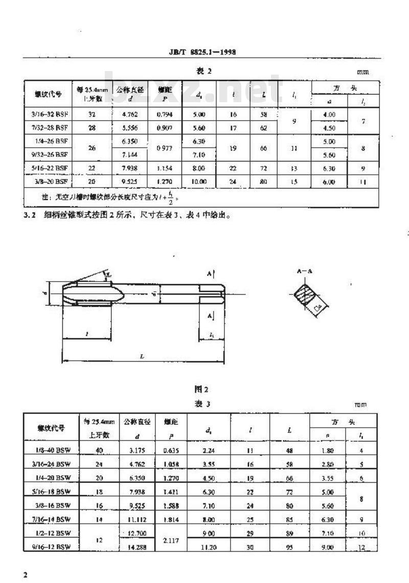
3.2细柄丝锥型式控图2所示,尺寸在表3、表4中给出。A
频续代号
3/1624 BW
1420BSW
16-18BSw
3/8-16BSW
7/16-14 BSW
1/2-12BSW
9F16-12 BSW
号25.4mml
上牙数
公称直径
:12.700
螺纹代号
5/8 LI eSw
X-11Bsw
7848SW
IX-7 BSW
1X-7 BSW
A-6 B5W
%-5 8SW
24-4BSW
2%4BSW
2X-3KBSW
3y-3y Bsw
4-3BSW
螺较状号
3/16-32BSF
7/32-28BSF
1/4-26BSF
9/32-26BSF
5/16~22 D5F
3/8-20BSF
7.16-18 BSF
1P216 BSF
9/16-16BSF
学25.4mm
上身数
每25.4mmm
上穿数
公称直径
公称径
$B/T8825.1-1998
表3 (完)
爆代号
5/8-14BSF
IX-14BSF
3/4-12BSF
7/8-1I BSF
[-10 BSF
1-9DSF
1%-9 BSF
1% -8 BSF
1%-8 BSF
1%-8SP
1-7BSF
2-7 BSF
2%-6B8F
3-5HSF
3%- BSF
1-4BSF
每z5.4mm
上牙魁
公称点径
19:050
57,130
J电/T8825.-1998
表4(完)
单支和成绍性锥适用范围,主们角:切前锥长度推荐征率5中给出。表5
单文和最组
【等径】些惟
成明(不等径)
适用范图
第一扭雄
第二粗惟
主偏角
效的惟长虚
JB/T BR25.1—1号98
3,4丝雄公称切前角度,在径向平面内测盘,推荐如下:a前角为8-10°
.b)后角α,4-6%。
3.#标记示例
右旋粗牙患氏螺纹,螺纹代号为1/8-40BSW每25.4mm上为40牙,2敏公差带,单支韧维(府推)磨制丝罐:
患氏螺纹磨制丝,初(底)1/8-40BSW-2B/T6625.1—1998右晚细牙惠氏螺蚊,攀较代号为5/16-22BSF、每25.4mm上为22牙,两支(初操和底)一组等径切制丝锥;
惠氏端切制丝键,韧(底)516-228SFJET8825.1—1998右旋粗牙恶氏螺教,螺纹代号为3/4-10BSW,每25.4Im上为 10牙,3级公差带,二,支一组不等轻磨制丝雄:免费标准下载网bzxz
惠氏螺较磨制丝链(不等轻)3-3/4-10BSW-3/T8825.1—1998左轻粗牙患氏螺纹,螺纹代号为[-BBSW、每25.4mm.上为名牙,单支中锥切制丝锥:惠氏螺较切制丝1-8B5WJB 8825.1—19984蜂蚊公些
丝维频纹公差按旧8825.2。
5技水紊件
技术条件按JB8825.3。
小提示:此标准内容仅展示完整标准里的部分截取内容,若需要完整标准请到上方自行免费下载完整标准文档。
中华人民共和国机械行业标准
JB/T8825.1-1998
惠氏螺纹丝锥
Taps forwhitworththreads
1998-12-29发布
国家机械工业局
1999-07-01实施
JB/T825.1—1998
本标准是参照国际标准1S0529:1993(短手用和机用丝钮》第4部分的有关规定制订的,型戏、尺寸与回际标准相同。
本标施于1998年12月29且首次发布。本标由全国万具标准化技术委员会提出并归口。中标准主要起卓单位:上海刃具厂。范围
中华人民共和国机捷行业标准
惠氏螺纹丝锥
Taps for #biteyorth threads
JB/TBB25.1—1998
本标准规定了恋氏螺纹丝耀(以下简称丝惟)的型式、尺小和标记等的基本要求。冰标准适用于加T螺较代号为1总-4患压螺纹的丝弹。2引用标准
下列标准所包含的文,通过在本标准中引用而构成为本标准的条文。本标准出版时,所示版本均为有效。所有标准都会被修订,使用本标准的各方应探讨使用下列标准最新版本的可能性:JB/T8825.2—199志氏螺纹丝雌螺效公差B/T8825.3—1998事氏螺致等惟技术条件3型式和尺寸
3.1粗柄带颈丝雄型式按图1所示,尺寸在表1、表2中给出。A
螺效代号
1/840BW
3/16-24BSW
17420BSW
5/[6-18 RSW
3.8-16 BSW
每25.4mm
上牙数
公称直径
性:无空刀增时爆续都分长度尺寸为1。窗家机械工业局1998-12-19批准1.15
1999-07-01实
螺统化号
3/16-32HSH
7/32-28RSF
1.4-26日5F
9/32-26BSF
511622BSF
3/B20 BSF
公称径
JB/T8825.1—1998
9了了
注:无空刀槽时螺较部分长度尺寸应为1+4
3.2细柄丝锥型式控图2所示,尺寸在表3、表4中给出。A
频续代号
3/1624 BW
1420BSW
16-18BSw
3/8-16BSW
7/16-14 BSW
1/2-12BSW
9F16-12 BSW
号25.4mml
上牙数
公称直径
:12.700
螺纹代号
5/8 LI eSw
X-11Bsw
7848SW
IX-7 BSW
1X-7 BSW
A-6 B5W
%-5 8SW
24-4BSW
2%4BSW
2X-3KBSW
3y-3y Bsw
4-3BSW
螺较状号
3/16-32BSF
7/32-28BSF
1/4-26BSF
9/32-26BSF
5/16~22 D5F
3/8-20BSF
7.16-18 BSF
1P216 BSF
9/16-16BSF
学25.4mm
上身数
每25.4mmm
上穿数
公称直径
公称径
$B/T8825.1-1998
表3 (完)
爆代号
5/8-14BSF
IX-14BSF
3/4-12BSF
7/8-1I BSF
[-10 BSF
1-9DSF
1%-9 BSF
1% -8 BSF
1%-8 BSF
1%-8SP
1-7BSF
2-7 BSF
2%-6B8F
3-5HSF
3%- BSF
1-4BSF
每z5.4mm
上牙魁
公称点径
19:050
57,130
J电/T8825.-1998
表4(完)
单支和成绍性锥适用范围,主们角:切前锥长度推荐征率5中给出。表5
单文和最组
【等径】些惟
成明(不等径)
适用范图
第一扭雄
第二粗惟
主偏角
效的惟长虚
JB/T BR25.1—1号98
3,4丝雄公称切前角度,在径向平面内测盘,推荐如下:a前角为8-10°
.b)后角α,4-6%。
3.#标记示例
右旋粗牙患氏螺纹,螺纹代号为1/8-40BSW每25.4mm上为40牙,2敏公差带,单支韧维(府推)磨制丝罐:
患氏螺纹磨制丝,初(底)1/8-40BSW-2B/T6625.1—1998右晚细牙惠氏螺蚊,攀较代号为5/16-22BSF、每25.4mm上为22牙,两支(初操和底)一组等径切制丝锥;
惠氏端切制丝键,韧(底)516-228SFJET8825.1—1998右旋粗牙恶氏螺教,螺纹代号为3/4-10BSW,每25.4Im上为 10牙,3级公差带,二,支一组不等轻磨制丝雄:免费标准下载网bzxz
惠氏螺较磨制丝链(不等轻)3-3/4-10BSW-3/T8825.1—1998左轻粗牙患氏螺纹,螺纹代号为[-BBSW、每25.4mm.上为名牙,单支中锥切制丝锥:惠氏螺较切制丝1-8B5WJB 8825.1—19984蜂蚊公些
丝维频纹公差按旧8825.2。
5技水紊件
技术条件按JB8825.3。
小提示:此标准内容仅展示完整标准里的部分截取内容,若需要完整标准请到上方自行免费下载完整标准文档。
标准图片预览:





- 其它标准
- 热门标准
- 机械行业标准(JB)
- JB/T10056-1999 直流电流互感器 技术条件
- JB/T2756-2006 无轨电车用炭滑块
- JB/T8679-2008 炭弧气刨炭棒 物理及使用性能试验方法
- JB/T7895-2008 永磁筒式磁选机
- JB/T9713-1999 工程机械 湿式铜基摩擦件 技术条件
- JB/T8840-2013 电热器具用电源开关
- JB/T11340.3-2012 阀控式铅酸蓄电池安全阀 第3部分:橡胶帽、阀芯
- JB/T9580-2008 炭石墨 产品分类及型号编制方法
- JB/T10677-2006 投影机 光源
- JB∕T12675-2016 拖拉机液压系统清洁度限值及测量方法
- JB/T6316-2006 Z4系列直流电动机技术条件(机座号100~450)
- JB/T10573-2006 工具显微镜
- JB/T10930-2010 200级耐电晕漆包铜圆线
- JB/T4328.10-1999 电工专用设备 球墨铸铁件通用技术条件
- JB3704-1984 特种调压器用碳电阻片柱电气机械性能试验方法
- 行业新闻
请牢记:“bzxz.net”即是“标准下载”四个汉字汉语拼音首字母与国际顶级域名“.net”的组合。 ©2025 标准下载网 www.bzxz.net 本站邮件:bzxznet@163.com
网站备案号:湘ICP备2025141790号-2
网站备案号:湘ICP备2025141790号-2