- 您的位置:
- 标准下载网 >>
- 标准分类 >>
- 机械行业标准(JB) >>
- JB/T 7273.8-1994 背面波纹手轮
标准号:
JB/T 7273.8-1994
标准名称:
背面波纹手轮
标准类别:
机械行业标准(JB)
标准状态:
现行-
发布日期:
1994-06-18 -
实施日期:
1995-01-01 出版语种:
简体中文下载格式:
.rar.pdf下载大小:
68.22 KB
点击下载
标准简介:
标准下载解压密码:www.bzxz.net
本标准规定了背面波纹手轮的型式、尺寸及技术要求。 JB/T 7273.8-1994 背面波纹手轮 JB/T7273.8-1994
部分标准内容:
中华人民共和国机械行业标准
JB/T7270~7277—94
操作件
1994-06-18 发布
中华人民共和国机械工业部
1995-01-01 实施
中华人民共和国机械行业标准
背面波纹手轮
主题内容与适用范围
本标准规定了肯而波纹手轮的型式.尺寸及技术要求,2引用标准
JB/T7270.5动-F辆
IB/T7275
JR/T7276
J8/T7277
3型式与尺对
操作件标记片法
操作件技术策件
3.1面被效手轮的型式与尺寸按固1及表1的阅定,机械工业部1994-06-银批准
JB/T 7273.8--94
1995-01-01实施
主要尺于
JB/T7273.8-94
于裤体!装频董
12×125
16×160
18×200
22×350
25×25G
手轮体的型式与尺寸按图2及表?的规定。3.2
M6×14bZxz.net
BM8×16
C16×20BM10×18
C18x25BM10x20
C22x28
转动手制
JK/T 7270.S
BM6X51
BM8X63-
M10X80-
KM12× 2EHM12 X1:K: -
C25×28
甚本尺寸
基本尺
JB/T 73.894
基本尺寸
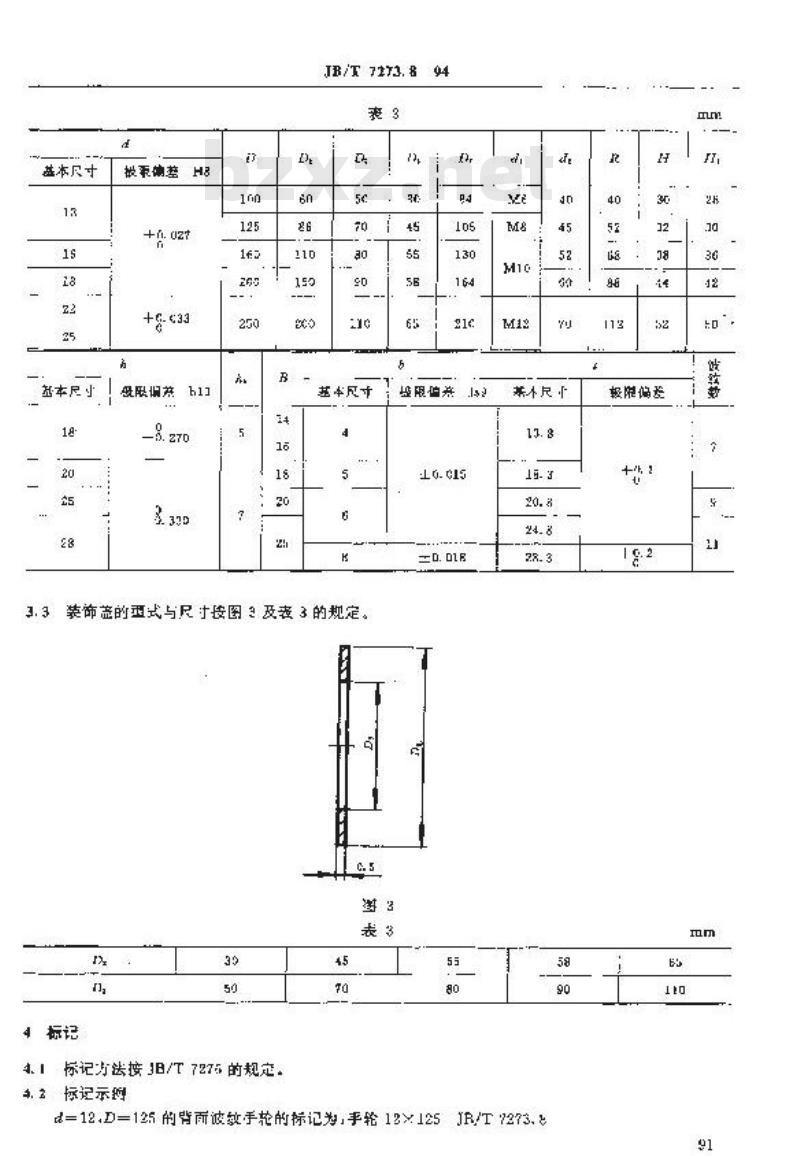
3.3装饰的亚式与尺寸按图3及率3的规定。C.5
吸限值来152
4标记
4.!标记方法接B/T7275的规定。4.2标记示短
基外尺
=12.=125的背面波效手轮的标记为手轮12×125JR/T7273.40
投困偏
做妆势
5技术要求
s.1 材料
于轮体:塑料:
装饰差.铝片
5.2表面处理
装饰差:阳极氧化(银白色)。JB/T273.A
其他技术要求按JB/T7277的规定。5.3
附加说明:
本标准出机械工业梯机械标准化研究所提出并归山,94
本标雅由机械工业部机械标准化研究所负击,上机床刷件六厂,上海机床厂参加起革92
小提示:此标准内容仅展示完整标准里的部分截取内容,若需要完整标准请到上方自行免费下载完整标准文档。
JB/T7270~7277—94
操作件
1994-06-18 发布
中华人民共和国机械工业部
1995-01-01 实施
中华人民共和国机械行业标准
背面波纹手轮
主题内容与适用范围
本标准规定了肯而波纹手轮的型式.尺寸及技术要求,2引用标准
JB/T7270.5动-F辆
IB/T7275
JR/T7276
J8/T7277
3型式与尺对
操作件标记片法
操作件技术策件
3.1面被效手轮的型式与尺寸按固1及表1的阅定,机械工业部1994-06-银批准
JB/T 7273.8--94
1995-01-01实施
主要尺于
JB/T7273.8-94
于裤体!装频董
12×125
16×160
18×200
22×350
25×25G
手轮体的型式与尺寸按图2及表?的规定。3.2
M6×14bZxz.net
BM8×16
C16×20BM10×18
C18x25BM10x20
C22x28
转动手制
JK/T 7270.S
BM6X51
BM8X63-
M10X80-
KM12× 2EHM12 X1:K: -
C25×28
甚本尺寸
基本尺
JB/T 73.894
基本尺寸
3.3装饰的亚式与尺寸按图3及率3的规定。C.5
吸限值来152
4标记
4.!标记方法接B/T7275的规定。4.2标记示短
基外尺
=12.=125的背面波效手轮的标记为手轮12×125JR/T7273.40
投困偏
做妆势
5技术要求
s.1 材料
于轮体:塑料:
装饰差.铝片
5.2表面处理
装饰差:阳极氧化(银白色)。JB/T273.A
其他技术要求按JB/T7277的规定。5.3
附加说明:
本标准出机械工业梯机械标准化研究所提出并归山,94
本标雅由机械工业部机械标准化研究所负击,上机床刷件六厂,上海机床厂参加起革92
小提示:此标准内容仅展示完整标准里的部分截取内容,若需要完整标准请到上方自行免费下载完整标准文档。
标准图片预览:





- 其它标准
- 上一篇: JB/T 7273.7-1994 内波纹手轮
- 下一篇: JB/T 7274.4-1994 星形把手
- 热门标准
- 机械行业标准(JB)
- JB/T7893.1-1999 立式振动离心机
- JB/T7899-1999 填充聚四氟乙烯软带导轨 技术条件
- JB/T7938-1999 液压泵站油箱公称容量系列
- JB/T1625-2002 工业锅炉焊接管孔
- JB/T7850-1995 手夹快换接头
- JB/T8009.4-1999 机床夹具零件及部件 弧形压块
- JB/T7936-1999 直廓环面蜗杆减速器
- JB/T7939-1999 单活塞杆液压缸两腔面积比
- JB/T7941.2-1995 旋入式圆形油杯
- JB/T7946.2-1999 铸造铝硅合金过烧
- JB/T7925.2-1995 滑动轴承 多层轴承减摩合金硬度检验方法
- JB/T6375-1992 气动阀用橡胶密封圈 尺寸系列和公差
- JB/T7945-1999 灰铸铁机械性能试验方法
- JB/T7966.3-1999 模具铣刀 第 3 部分:莫氏锥柄圆柱形球头立铣刀
- JB/T7946.3-1999 铸造铝合金针孔
- 行业新闻
请牢记:“bzxz.net”即是“标准下载”四个汉字汉语拼音首字母与国际顶级域名“.net”的组合。 ©2025 标准下载网 www.bzxz.net 本站邮件:bzxznet@163.com
网站备案号:湘ICP备2025141790号-2
网站备案号:湘ICP备2025141790号-2