- 您的位置:
- 标准下载网 >>
- 标准分类 >>
- 纺织行业标准(FZ) >>
- FZ/T 13009-1997 色织泡泡纱
标准号:
FZ/T 13009-1997
标准名称:
色织泡泡纱
标准类别:
纺织行业标准(FZ)
标准状态:
现行-
发布日期:
1997-05-26 -
实施日期:
1998-01-01 出版语种:
简体中文下载格式:
.rar.pdf下载大小:
182.02 KB
起草人:
蔡建和、姜志华、陈略明、陈定中、李莉起草单位:
江苏省纺织产品质t监价检验侧试中心、江苏通盟色织集团股份有限公司提出单位:
中国纺织总会科技发展部发布部门:
中国纺织总会相关标签:
色织
点击下载
标准简介:
标准下载解压密码:www.bzxz.net
本标准规定了色织泡泡纱的产品品种规格、技术要求、试验方法、检验规则、标志和包装。本标准适用于鉴定服饰用色织纯棉、涤棉(含涤50%及以上)的各种组织泡泡纱的品质。 FZ/T 13009-1997 色织泡泡纱 FZ/T13009-1997
部分标准内容:
FZ/T13009—1997
色织泡泡纱产品以其造型新颖、工艺独特、风格别致、立体感强、适用广泛等特点,多年来一直深受国内外消费者欢迎。鉴于目前生产企业较多,出口量大幅度增加,而国内却一直无国家、行业标准。为了与国际标准接轨,提高色织泡泡纱产品质量,制定了本标准。本标准内在质量试验方法,均引用了已采用国际标准的国家标准。本标准外观质量评分方法采用国外先进标准一一美国范友生公司的四分制评分方法。根据产品特点制定了起泡疵点评分规定。其他疵点评分分别按FZ/T10011—1996及GBn285--88执行。本标准优等品相当于国际先进水平,一等品相当于国际一般水平。本标准的附录 A、附录 B 都是标准的附录。 本标准的附录 C 是提示的附录。本标准由中国纺织总会科技发展部提出,由全国色织标准化技术妇口单位无锡市纺织产品质量监检验测试所归口。
本标准起草单位:江苏省纺织产品质量监督检验测试中心、江苏通盟色织集团股份有限公司、南通纺织产品质量监督检验测试所、上海新联纺进出口有限公司、无锡市纺织产品质量监督检验测试所。本标准主要起草人:蔡建和、姜志华、陈曙明、陈定中、李莉。587
1范围
中华人民共和国纺织行业标准
色织氵
Yarn-dyed blister fabric
FZ/T 13009—1997
本标准规定了色织泡泡纱的产品品种规格、技术要求、试验方法、检验规则、标志和包装。本标准适用于鉴定服饰用色织纯棉、涤棉(含涤50%及以上)的各种组织泡泡纱的品质。2引用标准
下列标准所包含的条文,通过在本标准中引用而构戒为本标准的条文。本标准出版时,所示版本均为有效。所有标准都会被修订,使用本标准的各方应探讨使用下列标准最新版本的可能性。GB250-1995评定变色用灰色样卡GB251—1995评定沾色用灰色样卡GB/T4666—1995机织物长度的测定GB/T4667—1995机织物幅宽的测定GB/T4668-1995机织物密度的测定GB3920—83纺织品耐摩擦色牢度试验方法GB3921—83纺织品耐洗色牢度试验方法GB3923—83机织物断裂强力和断裂伸长的测定(条样法)GB8628-88测定织物尺寸变化时试样的准备、标记和测量GB8629--88纺织品试验时采用的家庭洗涤及干燥程序GB 8630-—88
GBn 285—88
GBn 286—88Www.bzxZ.net
GBn 287—88
纺织品在洗涤和干燥时尺寸变化的测定精梳涤棉混纺色织布布面疵点评分方法色织布检验规则
色织布标志和包装
ZB W04 006. 2—89
温度与回潮率对棉及化纤纯纺、混纺制品断裂强力的修正方法本色布断裂强力的修正方法
ZB W04 006. 3—89
温度与回潮率对棉及化纤纯纺、混纺制品断裂强力的修正方法印染布断裂强力的修正方法
FZ/T10011—1996
色织棉布布面窥点评分方法
3产品品种规格
色织泡泡纱的品种规格,根据用户需要按合同规定执行。4技术要求
4.1技术要求分内在质量和外观质量两个方面。内在质量有纬纱密度、水洗尺寸变化,断裂强力、染色牢度四项;外观质量有幅宽、纬斜、色差、布面疵点四项。中国纺织总会1997-05-26批准
1998-07-01实施
4.2分等规定
FZ/T13009-1997
色织泡泡纱的品等分为优等品、一等品、二等品、三等品,低于三等品的为等外品4. 2. 1
色织泡泡纱的品等,内在质量按批评等,外观质量按段(匹)评等。4.2.2
色织泡泡纱的品等,以内在质量的等级与外观质量的等级结合定等,分等规定见表1。表1分等规定
外观质
内在质量评等
内在质量的评等见表2、表3。
表2纬密、染色牢度评等规定
标准极限偏差
纬密,%
染色牢
度,级
加工工艺
未整理
经整理
优等品
注:湿摩擦牢度;纯棉不得低于 2 级涤棉不得低于 2一3 级。3
一等品
级、不
级、不
表3水洗尺寸变化、断裂强力评等规定标准考核指标
水洗尺寸变化,%
断裂强力,N
优等品
一等品
- 4. 0~+1.5-
-2. 0~+1.5-5. 5~+1. 5
4. 0~~+1. 5
-4.5~+1.5—2.0~+1.5
不低于153
不低于176
二等品
超过一等品极限偏差
低于一等品极限偏差
二等品
超过一等
品指标
超过一等
品指标
FZ/T13009—1997
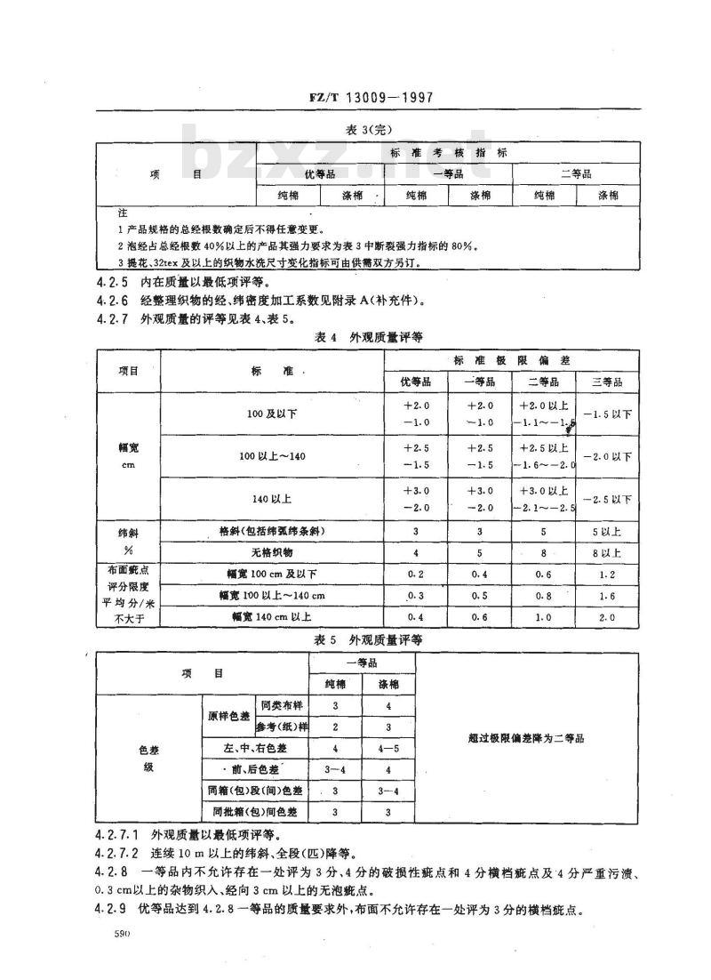
表3(完)
标准考核指标
优等品
1产品规格的总经根数确定后不得任意变更。涤棉
一等品
2泡经占总经根数40%以上的产品其强力要求为表3中断裂强力指标的80%。3提花、32tex及以上的织物水洗尺寸变化指标可由供需双方另订。4.2.5内在质量以最低项评等。
经整理织物的经、纬密度加工系数见附录A(补充件)。外观质量的评等见表4、表5。
外观质量评等
幅辐宽
布面点
评分限度
平均分/米
不大于
100及以下
100以上~140
140以上
格斜(包括纬弧纬条斜)
无格织物
幅宽100 cm及以下
幅宽 100 以上~140 cm
幅宽 140 cm 以上
优等品
表5外观质量评等
原样色差
类布样
参考(纸)样
左、中、右色差
·前、后色差
同箱(包)段(简)色差
同批箱(包)间色差
4.2.7.1外观质量以最低项评等
一等品
4.2.7.2连续10m以上的纬斜、全段(匹)降等,纯棉
三等品
标准极#
限偏差
一等品
二等品
+2.0以上
+2.5以上
- 1. 6~ — 2. 0
+3.0以上
2. 1~—2. 5
超过极限偏差降为二等品
三等品
-1.5以下
-2.0以下
-2.5以下
5以上
8以上
4.2.8一等品内不允许存在一处评为3分、4分的破损性疵点和4分横档点及4分严重污渍0.3cm以上的杂物织入、经向3cm以上的无泡疵点,4.2.9优等品达到4.2.8一等品的质量要求外,布面不允许存在一处评为3分的横档疵点。590
FZ/T 13009-1997
4.2.10假开剪一处疵点范围不可超过20cm,有一处假开剪匹长加放20cm。假开剪点间距不得少于10m,并距布端5m以上。假开剪疵点不再累计评分。假开剪的处数按有关协议执行。5布面疵点评分
布面起泡疵点评分见表6。
表6起泡疵点评分规定
疵点程度
布面无泡
(全幅)
经向1.0cm
及以内
全幅起泡不匀
(经向半米之内)
1.1~2.0 cm
2.1~3.0cm
介于明显与严重之间
5.2色织纯棉泡泡纱其他布面瘫点评分方法按FZ/T10011执行。5.3色织涤棉泡泡纱其他布面点评分方法按GBn285执行。6试验方法
6.1长度的测定按GB/T4666执行。6.2幅宽的测定按GB/T4667执行。6.3密度的测定按GB/T4668执行。6.4水洗尺寸变化测定
3.0cm以上
6.4.1色织纯棉泡泡纱按GB8628、GB8629中洗涤程序2A、干燥F和GB8630执行。洗涤液为清水。6.4.2色织涤棉泡泡纱按GB8628、GB8629中洗涤程序4A、干燥F和GB8630执行。洗涤液为清水。6.5耐洗色牢度测定
按GB3921中的6.3.1试液1配方,或6.3.2试液2试验条件方法3执行。6.6耐摩擦色牢度测定按GB3920执行。6.7断裂强力测定按GB3923执行。断裂强力试验如不在标准条件下进行,其测试后的断裂强力应修正。断裂强力修正计算公式见附录 B。
6.8变色的评定按GB250执行。
6.9沾色的评定按GB251执行。
检验规则
按GBn286执行。
8标志、包装
按GBn287执行。
9其他
9.1特殊品种或用户对产品有特殊要求,由供需双方另订协议。9.2在产品质量发生争议时,需查明原因,由责任方负责,必要时可进行仲裁检验。591
A1加工系数
A7.1色织纯棉泡泡纱密度加工系数经密加工系数1.05
纬密加工系数0.97
A1.2色织涤棉泡泡纱密度加工系数经密加工系数1.03
纬密加工系数0.97
A2计算方法
FZ/T13009-1997
附录A
(标准的附录)
色织泡泡纱密度加工系数
标准经纱密度=规格经纱密度×经纱密度加工系数标准纬纱密度一规格纬纱密度×纬纱密度加工系数附录B
(标准的附录)
用于常温测定断裂强力的温度回潮率的修正工厂在测定断裂强力时,如测定条件达不到标准温度,可在常温条件下进行,其测试强力应按“强力修正系数表”进行修正,但测试地点的温湿度应保持稳定。B1断裂强力的修正公式如下:
修正后的断裂强力(N)=实测断裂强力(N)×强力修正系数2色织纯棉泡泡纱强力修正系数值见ZBW04006.2—89表A1。B2
B3色织涤棉泡泡纱强力修正系数值见ZBW04006.3—89表A2。附录C
(提示的附录)
疵点名称
C1经向疵点
断经、沉纱、双经、起泡不匀、无泡、穿错、箍路、针路、吊经、松经、错经、经错花、油经、色经、条花、络条等。
纬向症点
FZ/T13009-1997
拆痕、密路、色档、起泡不匀、无泡、云织、条干不勾、错花、错格、百脚、稀纬、歇梭、双纬、脱纬、纬缩、错纬、油纬、色纬、纬斜、档、杂物织入等。经纬向共有的疵点
星跳、跳纱、竹节、搔损、边撑疵、经缩、油溃、污渍、锈渍、浆斑、搭色等。C4破损性症点
破洞、跳花、损伤布底的搔损、轧梭等。边症
破边、豁边、卷边、针眼边等。593
小提示:此标准内容仅展示完整标准里的部分截取内容,若需要完整标准请到上方自行免费下载完整标准文档。
色织泡泡纱产品以其造型新颖、工艺独特、风格别致、立体感强、适用广泛等特点,多年来一直深受国内外消费者欢迎。鉴于目前生产企业较多,出口量大幅度增加,而国内却一直无国家、行业标准。为了与国际标准接轨,提高色织泡泡纱产品质量,制定了本标准。本标准内在质量试验方法,均引用了已采用国际标准的国家标准。本标准外观质量评分方法采用国外先进标准一一美国范友生公司的四分制评分方法。根据产品特点制定了起泡疵点评分规定。其他疵点评分分别按FZ/T10011—1996及GBn285--88执行。本标准优等品相当于国际先进水平,一等品相当于国际一般水平。本标准的附录 A、附录 B 都是标准的附录。 本标准的附录 C 是提示的附录。本标准由中国纺织总会科技发展部提出,由全国色织标准化技术妇口单位无锡市纺织产品质量监检验测试所归口。
本标准起草单位:江苏省纺织产品质量监督检验测试中心、江苏通盟色织集团股份有限公司、南通纺织产品质量监督检验测试所、上海新联纺进出口有限公司、无锡市纺织产品质量监督检验测试所。本标准主要起草人:蔡建和、姜志华、陈曙明、陈定中、李莉。587
1范围
中华人民共和国纺织行业标准
色织氵
Yarn-dyed blister fabric
FZ/T 13009—1997
本标准规定了色织泡泡纱的产品品种规格、技术要求、试验方法、检验规则、标志和包装。本标准适用于鉴定服饰用色织纯棉、涤棉(含涤50%及以上)的各种组织泡泡纱的品质。2引用标准
下列标准所包含的条文,通过在本标准中引用而构戒为本标准的条文。本标准出版时,所示版本均为有效。所有标准都会被修订,使用本标准的各方应探讨使用下列标准最新版本的可能性。GB250-1995评定变色用灰色样卡GB251—1995评定沾色用灰色样卡GB/T4666—1995机织物长度的测定GB/T4667—1995机织物幅宽的测定GB/T4668-1995机织物密度的测定GB3920—83纺织品耐摩擦色牢度试验方法GB3921—83纺织品耐洗色牢度试验方法GB3923—83机织物断裂强力和断裂伸长的测定(条样法)GB8628-88测定织物尺寸变化时试样的准备、标记和测量GB8629--88纺织品试验时采用的家庭洗涤及干燥程序GB 8630-—88
GBn 285—88
GBn 286—88Www.bzxZ.net
GBn 287—88
纺织品在洗涤和干燥时尺寸变化的测定精梳涤棉混纺色织布布面疵点评分方法色织布检验规则
色织布标志和包装
ZB W04 006. 2—89
温度与回潮率对棉及化纤纯纺、混纺制品断裂强力的修正方法本色布断裂强力的修正方法
ZB W04 006. 3—89
温度与回潮率对棉及化纤纯纺、混纺制品断裂强力的修正方法印染布断裂强力的修正方法
FZ/T10011—1996
色织棉布布面窥点评分方法
3产品品种规格
色织泡泡纱的品种规格,根据用户需要按合同规定执行。4技术要求
4.1技术要求分内在质量和外观质量两个方面。内在质量有纬纱密度、水洗尺寸变化,断裂强力、染色牢度四项;外观质量有幅宽、纬斜、色差、布面疵点四项。中国纺织总会1997-05-26批准
1998-07-01实施
4.2分等规定
FZ/T13009-1997
色织泡泡纱的品等分为优等品、一等品、二等品、三等品,低于三等品的为等外品4. 2. 1
色织泡泡纱的品等,内在质量按批评等,外观质量按段(匹)评等。4.2.2
色织泡泡纱的品等,以内在质量的等级与外观质量的等级结合定等,分等规定见表1。表1分等规定
外观质
内在质量评等
内在质量的评等见表2、表3。
表2纬密、染色牢度评等规定
标准极限偏差
纬密,%
染色牢
度,级
加工工艺
未整理
经整理
优等品
注:湿摩擦牢度;纯棉不得低于 2 级涤棉不得低于 2一3 级。3
一等品
级、不
级、不
表3水洗尺寸变化、断裂强力评等规定标准考核指标
水洗尺寸变化,%
断裂强力,N
优等品
一等品
- 4. 0~+1.5-
-2. 0~+1.5-5. 5~+1. 5
4. 0~~+1. 5
-4.5~+1.5—2.0~+1.5
不低于153
不低于176
二等品
超过一等品极限偏差
低于一等品极限偏差
二等品
超过一等
品指标
超过一等
品指标
FZ/T13009—1997
表3(完)
标准考核指标
优等品
1产品规格的总经根数确定后不得任意变更。涤棉
一等品
2泡经占总经根数40%以上的产品其强力要求为表3中断裂强力指标的80%。3提花、32tex及以上的织物水洗尺寸变化指标可由供需双方另订。4.2.5内在质量以最低项评等。
经整理织物的经、纬密度加工系数见附录A(补充件)。外观质量的评等见表4、表5。
外观质量评等
幅辐宽
布面点
评分限度
平均分/米
不大于
100及以下
100以上~140
140以上
格斜(包括纬弧纬条斜)
无格织物
幅宽100 cm及以下
幅宽 100 以上~140 cm
幅宽 140 cm 以上
优等品
表5外观质量评等
原样色差
类布样
参考(纸)样
左、中、右色差
·前、后色差
同箱(包)段(简)色差
同批箱(包)间色差
4.2.7.1外观质量以最低项评等
一等品
4.2.7.2连续10m以上的纬斜、全段(匹)降等,纯棉
三等品
标准极#
限偏差
一等品
二等品
+2.0以上
+2.5以上
- 1. 6~ — 2. 0
+3.0以上
2. 1~—2. 5
超过极限偏差降为二等品
三等品
-1.5以下
-2.0以下
-2.5以下
5以上
8以上
4.2.8一等品内不允许存在一处评为3分、4分的破损性疵点和4分横档点及4分严重污渍0.3cm以上的杂物织入、经向3cm以上的无泡疵点,4.2.9优等品达到4.2.8一等品的质量要求外,布面不允许存在一处评为3分的横档疵点。590
FZ/T 13009-1997
4.2.10假开剪一处疵点范围不可超过20cm,有一处假开剪匹长加放20cm。假开剪点间距不得少于10m,并距布端5m以上。假开剪疵点不再累计评分。假开剪的处数按有关协议执行。5布面疵点评分
布面起泡疵点评分见表6。
表6起泡疵点评分规定
疵点程度
布面无泡
(全幅)
经向1.0cm
及以内
全幅起泡不匀
(经向半米之内)
1.1~2.0 cm
2.1~3.0cm
介于明显与严重之间
5.2色织纯棉泡泡纱其他布面瘫点评分方法按FZ/T10011执行。5.3色织涤棉泡泡纱其他布面点评分方法按GBn285执行。6试验方法
6.1长度的测定按GB/T4666执行。6.2幅宽的测定按GB/T4667执行。6.3密度的测定按GB/T4668执行。6.4水洗尺寸变化测定
3.0cm以上
6.4.1色织纯棉泡泡纱按GB8628、GB8629中洗涤程序2A、干燥F和GB8630执行。洗涤液为清水。6.4.2色织涤棉泡泡纱按GB8628、GB8629中洗涤程序4A、干燥F和GB8630执行。洗涤液为清水。6.5耐洗色牢度测定
按GB3921中的6.3.1试液1配方,或6.3.2试液2试验条件方法3执行。6.6耐摩擦色牢度测定按GB3920执行。6.7断裂强力测定按GB3923执行。断裂强力试验如不在标准条件下进行,其测试后的断裂强力应修正。断裂强力修正计算公式见附录 B。
6.8变色的评定按GB250执行。
6.9沾色的评定按GB251执行。
检验规则
按GBn286执行。
8标志、包装
按GBn287执行。
9其他
9.1特殊品种或用户对产品有特殊要求,由供需双方另订协议。9.2在产品质量发生争议时,需查明原因,由责任方负责,必要时可进行仲裁检验。591
A1加工系数
A7.1色织纯棉泡泡纱密度加工系数经密加工系数1.05
纬密加工系数0.97
A1.2色织涤棉泡泡纱密度加工系数经密加工系数1.03
纬密加工系数0.97
A2计算方法
FZ/T13009-1997
附录A
(标准的附录)
色织泡泡纱密度加工系数
标准经纱密度=规格经纱密度×经纱密度加工系数标准纬纱密度一规格纬纱密度×纬纱密度加工系数附录B
(标准的附录)
用于常温测定断裂强力的温度回潮率的修正工厂在测定断裂强力时,如测定条件达不到标准温度,可在常温条件下进行,其测试强力应按“强力修正系数表”进行修正,但测试地点的温湿度应保持稳定。B1断裂强力的修正公式如下:
修正后的断裂强力(N)=实测断裂强力(N)×强力修正系数2色织纯棉泡泡纱强力修正系数值见ZBW04006.2—89表A1。B2
B3色织涤棉泡泡纱强力修正系数值见ZBW04006.3—89表A2。附录C
(提示的附录)
疵点名称
C1经向疵点
断经、沉纱、双经、起泡不匀、无泡、穿错、箍路、针路、吊经、松经、错经、经错花、油经、色经、条花、络条等。
纬向症点
FZ/T13009-1997
拆痕、密路、色档、起泡不匀、无泡、云织、条干不勾、错花、错格、百脚、稀纬、歇梭、双纬、脱纬、纬缩、错纬、油纬、色纬、纬斜、档、杂物织入等。经纬向共有的疵点
星跳、跳纱、竹节、搔损、边撑疵、经缩、油溃、污渍、锈渍、浆斑、搭色等。C4破损性症点
破洞、跳花、损伤布底的搔损、轧梭等。边症
破边、豁边、卷边、针眼边等。593
小提示:此标准内容仅展示完整标准里的部分截取内容,若需要完整标准请到上方自行免费下载完整标准文档。
标准图片预览:





- 其它标准
- 热门标准
- 纺织行业标准(FZ)
- FZ/T90083-1995 纺织机械筒子架主要尺寸
- FZ/T92054-1996 倍捻锭子
- FZ/T92038-1995 熔融纺丝圆形孔喷丝板
- FZ/T92052-1995 轴承内径φ12mm环锭锭子
- FZ/T33010-1999 苎麻卷烟带
- FZ/T60033-2012 家用纺织品 毛巾不均匀水洗尺寸变化的测定
- FZ/T24010-2013 防缩毛纺织产品
- FZ/T43004-2013 桑蚕丝纬编针织绸
- FZ/T73011-2013 针织腹带
- FZ/T32024-2019 亚麻与棉混纺色纺纱
- FZ/T70012-2016 -次成型束身无缝内衣号型
- FZ/T70001-2003 针织和编结绒线试验方法
- FZ/T73018-2002 毛针织品
- FZ60007-1991 毛毯试验方法
- FZ/T01053-1998 纺织品 纤维含量的标识
- 行业新闻
请牢记:“bzxz.net”即是“标准下载”四个汉字汉语拼音首字母与国际顶级域名“.net”的组合。 ©2025 标准下载网 www.bzxz.net 本站邮件:bzxznet@163.com
网站备案号:湘ICP备2025141790号-2
网站备案号:湘ICP备2025141790号-2