- 您的位置:
- 标准下载网 >>
- 标准分类 >>
- 纺织行业标准(FZ) >>
- FZ/T 12030-2012 转杯纺棉色纺纱
标准号:
FZ/T 12030-2012
标准名称:
转杯纺棉色纺纱
标准类别:
纺织行业标准(FZ)
标准状态:
现行出版语种:
简体中文下载格式:
.rar .pdf下载大小:
部分标准内容:
科学、公正、高效、快捷
浙江中正检测技术服务有限公司Fz
中华人民共和国纺织行业标准
FZ/T 12030—2012
转杯纺棉色纺纱bzxZ.net
Rotor spinning cotton colour yarnsJ12-12-28发布
中华人民共和国工业和信息化部2013-06-01实施
本标推按照GB/T1.1—2009给出的规则起草。本标准由中国纺织工业联台会提出。FZ/T12030—2012
本标推由全国纺织品标准化技术委员会棉纺织印染分技术委员会(SAC/TC209/SC2)归口。本标准起草单位:百隆东方股份有限公司、断江潮州威达纺织集团有限公司、华孚色纺股份有限公司、江阴市茂达棉纺厂有限公司、宁波百隆纺织有限公司、上海市纺织工业技术所、中国棉纺织行业协会。
本标准主要起草人:卫国、吴爱儿、陈顺明、朱翠云、朱琴娣、王憬义、叶戳春、黄林海。1
1范围
转杯纺棉色纺纱
FZ/T12030—2012
本标准规定厂转杯纺棉色纺纱的产品分类、标记、要求,试验方法、检验规则和标志、包装。本标准适用于转杯纺棉色纺纱。本标谁不适用于天然彩色棉转坏纺纱及特种用途转杯纺棉纺纱。2 规范性引用文件
下列文件对于本文件的应用是必不可少的。凡是注口期的引用文件,仅注口期的版本适用于本文件。凡是不注日期的引用文件,其最新版本(包括所有的修改单)适用于本文件。GB/T250纺织品色牢度试验评定变色用灰色样卡GB/T398—2008棉水色纱线
GB/T3292.1纺织品纱线条于不勾试验方法第1部分:电容法GB/T3916纺织品卷装纱单根纱线断裂强力和断裂伸长率的测定GB/T3920纺织品色牢度试验耐摩擦色牢度GB/T39212008纺织品色牢度试验耐皂洗色牢度GB/T3922纺织品耐汗渍色牢度试验方法GB/T4743—2009纺织品卷装纱绞纱法线密度的测定GB18401国家纺织产品基本安全技术规范FZ/T01050
纺织品纱线疵点的分级与检验方法电容式FZ/T 10007
棉及化纤纯纺、混纺本色纱线检验规则F2/T10008#
棉及化纤纯纺、混纺本色纱线标志与包装FZ/T[2014—2006针织用棉色纺纱3术语和定义
下列术语和定义适用于本文件。3.1
转杯纺棉色纺纱rotorspinningcolluncolouryarns采用转杯纺技术,出一种及以上染色棉纯纺或与本色棉混纺而成的有色纱。4产品分类、标记
4.1转杯纺棉色纺纱以不同题色及线密度分类。4.2转杯纺棉色纺纱的原料代号为C。4.3在线密度前标明纱线的颜色代号(或色卡号)生产工艺过程代号及原料代号。示例:廉灰19.7tex转杯纺棉色纺纱,应写为:麻灰(或相应色卡号)0FC19.7tex,4.4出日产品按供需双方约定的方式标记。注:线度采用特克斯(1cx)制,如采用英制支数时需换算,换算常数为590.5。1
FZ/T12030—2012
5要求
5. 1项目
转杯纺棉色纺纱技术要求主要包拮单纱断裂强方变异系数、线密度变异系数、单纱断裂强度、线密度偏差率、条于均勾度变异系数、明显色结、于米棉结、十万米纱疵、色牢度(耐皂洗、耐摩擦、耐汗渍)九项指标。
5.2分等规定
5.2.1同一原料、同一工艺单连续生产的同:-规格的产品作为一个或若于检验批。按规定的各项试验方法逊行试验,并按其结果评定转杯棉色纺纱的品等。5.2.2产品质量等级分为优等品、一等品,二等品,低于二等品为等外品。5.2.3转杯纺棉色纺纱质量等级根据产品规格以考核项自中最低一项班行评等,5.3摄术要求
5、3. 1技术要求见表1、表2。
轰1转杯纺棉色纺纱技术要求
单纱断裂
公称线籍度!
13, 1-~16, 0
16. 120. 0
20. 1-~31. 0
31.1--37,0
37.1--60. 0
60.1 及以上
强力变算
系数/%
线游度
变异系数
单纱断裂
强度/
(eN/tex)2
线密度
偏差率
条于哟勾度
变异系数/
明显色结/
(粒/100 m)
千米棉结
(+200%)/
(粒/100tm)
十方米
纱藏/
(个)
10°m)
耐皂洗色牢度
耐江速色牢度
耐率擦色卒度 三
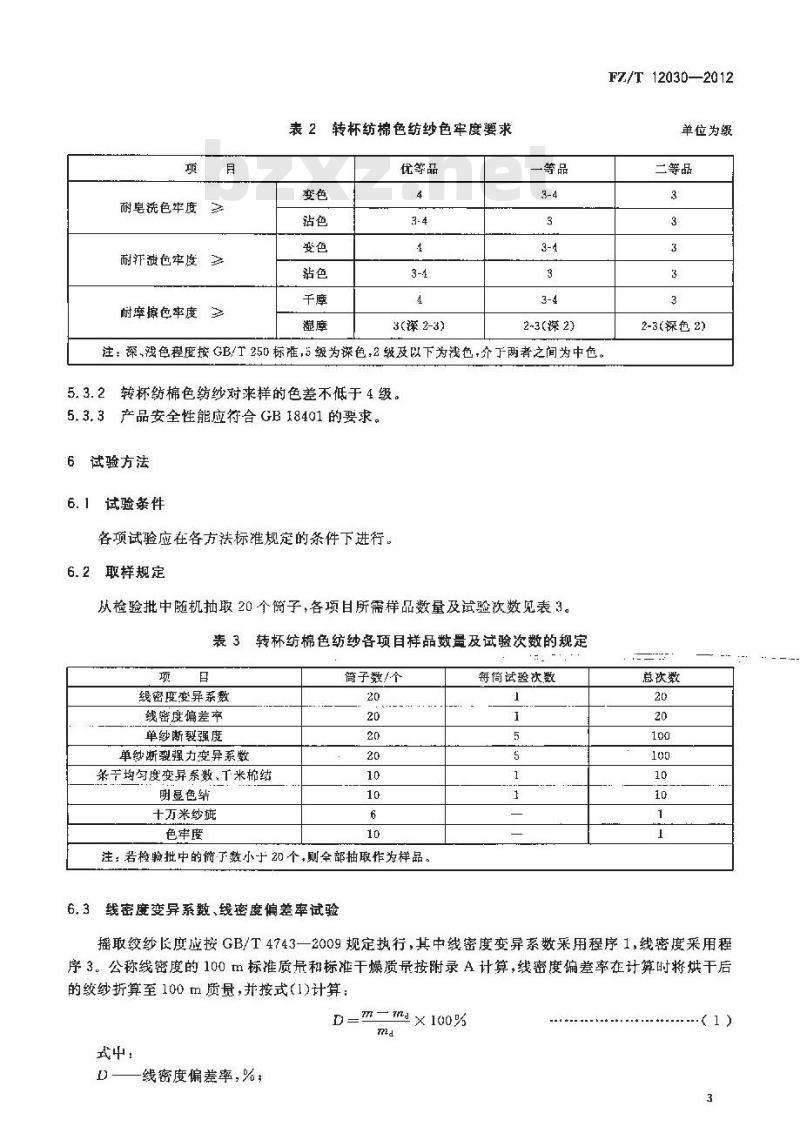
表2转杯纺棉色纺纱色牢度要求
优等品
3(深2-3)
一等品
2-3(深2)
注:深、浅色程度按GB/T250标准,5级为深色,2级及以下为浅色,介了两者之间为中色。5.3.2转杯纺棉色纺纱对来样的色差不低于4级。5.3.3产品安全性能应符合GB 18401的要求。6试验方法
试验条件
各项试验应在各方法标准规定的条件下进行。6.2取样规定
从检验批中随机抽取20个筒子,各项目所需样品数量及试验欢数表3,表3转杯纺棉色纺纱各项目样品数量及试验次数的规定项日
线密度变异系数
线密度偏差率
单纱断裂强度
单纱断裂强力变异系数
柔于均匀度变异数、下米棉结
明显色结
十万米纱
色牢度
筒子数/个
. .... ....
注:若检验批中的简了数小于20个,则全部抽取作为样品。6.3线密度变异系数、线密度偏差率试验每倚试验次数
F7./T 12030—2012
单位为级
二等品
2-3(深色2)
总次数
摇取绞纱长度应按GB/T4743一2009规定执行,其中线密度变异系数采用程序1,线密度采用程序3,公称线密度的100加标推质是和标准干爆质最按附录A计算,线密度编差率在计算时将烘干后的绞纱折算至100 m质量,并按式(1)计算:D=四二ma× 100%
式中:
线密度偏差率,%;
FZ/T 12030—2012
m一二\100 m\试样实际干燥质量,单位为克(g);md
\100m\试样标准于燥质量,单位为克(g)。6. 4单纱断裂强度及单纱断裂强力变异系数试验按GB/T3916规定执行。
6. 5条干均匀度变异系数,干米棉结(+200%)试验按GB/T3292.1规定执行。
6. 6 明显色结试验
按FZ/T12014—2006中附录A规定执行,6.7十万米纱疵试验,
按FZ/T 01050规定执行,十万米纱疵结果用As十B.十C:十D.之和表乐。6.8色牢度试验
6.8.1耐皂洗色牢度试验按GB/T39212008规定执行,采用单纤维贴衬,试验条件为C(3)。6.8.2耐汗溃色牢度试验按 GB/T 3922执行。6.8.3耐摩擦色牢度试验按GB/T3920执行。6.9
色差试验
按GB/T 250规定执行。
6.10纱的成包净重
按G3/T398—2008中5.9规定执行。6. T1 试验结果的表示
一批纱线的各种试验结果用该种试验的全部试验值的计算结果表示,各种试验结果的计算精确度,除已规定者外,按表4 规定执行。表4计算值的数值修约位数规定
单纱断裂强度/(eN/tex)
单纱断裂强力变异系数/%
线密度变异系数/%
线密度偏差率/%
百米质埋(每批乎均)/(g/100m)条干均勾度变异系数/%
干米棉结(+200%)/(个/km)
明显色结/(粒/100m)
七万米纱疵/(个/10°m)
平均线密度/tex
折算质量用回潮率/%
要求小数点后有效位数
检验规则
按F2/T10007规定执行。
标志、包装
FZ/T12030—2012
按FZ/T10008规定执行,同时供贷方应在所供产品上标明该产品的额色代号(或色卡号)。其他
用户对产品有特殊要求的,生产厂家与用另订协议。F7./T12030—2012
附录景A
(规范性附录)
转杯纺棉色纺纱百米质量的计算A,1转杯纺棉色纺纱的公定回潮率为8.5%。A.2100 m纱在公定回潮率时的标准质量(g)按式(A.1)计算,计算结果修药至小数点后三位T
式中:
--100m纱在公定回潮率时的标准质量,单位为克(g);m,
一纱的公称线密度,单位为特克斯(tex)。T
A.3100 m纱的标准干燥质量(g)按式(A.2)计算,计算结果修至小数点后三位。ma
式中:
-100 m纱标准干爆质量,单位为克(g):T。-——一纱的公称线密度,单位为特克斯(tex);W-公定回潮率,%。
-( A.1)
.(A, 2)
FZ/T12030-2012
打印日期:2013年5月7日F009
中华人民共和国纺织
行业标推
转杯纺棉色纺纱
FZ/T12030—2012
中国标准出版社出版发行
北京市朝阳区和平里西街甲2号(100013)北京市西城区三里河北街16号(100045)网址 spe.net. en
总编室:010)64275323发行中心:(010)51780235读者服务部:(010)68523946
中国标推出版杜拳皇岛印刷厂印刷各地新华书店经销
开本 880×1230 1/16 印张 0.75字数 11 千字2013年4月第一版2013年4月第一次印刷+
书号:155066·2-24622定价16.00元如有印装差错由本社发行中心调换版权专有侵权必究
举报电话:(010)68510107
小提示:此标准内容仅展示完整标准里的部分截取内容,若需要完整标准请到上方自行免费下载完整标准文档。
浙江中正检测技术服务有限公司Fz
中华人民共和国纺织行业标准
FZ/T 12030—2012
转杯纺棉色纺纱bzxZ.net
Rotor spinning cotton colour yarnsJ12-12-28发布
中华人民共和国工业和信息化部2013-06-01实施
本标推按照GB/T1.1—2009给出的规则起草。本标准由中国纺织工业联台会提出。FZ/T12030—2012
本标推由全国纺织品标准化技术委员会棉纺织印染分技术委员会(SAC/TC209/SC2)归口。本标准起草单位:百隆东方股份有限公司、断江潮州威达纺织集团有限公司、华孚色纺股份有限公司、江阴市茂达棉纺厂有限公司、宁波百隆纺织有限公司、上海市纺织工业技术所、中国棉纺织行业协会。
本标准主要起草人:卫国、吴爱儿、陈顺明、朱翠云、朱琴娣、王憬义、叶戳春、黄林海。1
1范围
转杯纺棉色纺纱
FZ/T12030—2012
本标准规定厂转杯纺棉色纺纱的产品分类、标记、要求,试验方法、检验规则和标志、包装。本标准适用于转杯纺棉色纺纱。本标谁不适用于天然彩色棉转坏纺纱及特种用途转杯纺棉纺纱。2 规范性引用文件
下列文件对于本文件的应用是必不可少的。凡是注口期的引用文件,仅注口期的版本适用于本文件。凡是不注日期的引用文件,其最新版本(包括所有的修改单)适用于本文件。GB/T250纺织品色牢度试验评定变色用灰色样卡GB/T398—2008棉水色纱线
GB/T3292.1纺织品纱线条于不勾试验方法第1部分:电容法GB/T3916纺织品卷装纱单根纱线断裂强力和断裂伸长率的测定GB/T3920纺织品色牢度试验耐摩擦色牢度GB/T39212008纺织品色牢度试验耐皂洗色牢度GB/T3922纺织品耐汗渍色牢度试验方法GB/T4743—2009纺织品卷装纱绞纱法线密度的测定GB18401国家纺织产品基本安全技术规范FZ/T01050
纺织品纱线疵点的分级与检验方法电容式FZ/T 10007
棉及化纤纯纺、混纺本色纱线检验规则F2/T10008#
棉及化纤纯纺、混纺本色纱线标志与包装FZ/T[2014—2006针织用棉色纺纱3术语和定义
下列术语和定义适用于本文件。3.1
转杯纺棉色纺纱rotorspinningcolluncolouryarns采用转杯纺技术,出一种及以上染色棉纯纺或与本色棉混纺而成的有色纱。4产品分类、标记
4.1转杯纺棉色纺纱以不同题色及线密度分类。4.2转杯纺棉色纺纱的原料代号为C。4.3在线密度前标明纱线的颜色代号(或色卡号)生产工艺过程代号及原料代号。示例:廉灰19.7tex转杯纺棉色纺纱,应写为:麻灰(或相应色卡号)0FC19.7tex,4.4出日产品按供需双方约定的方式标记。注:线度采用特克斯(1cx)制,如采用英制支数时需换算,换算常数为590.5。1
FZ/T12030—2012
5要求
5. 1项目
转杯纺棉色纺纱技术要求主要包拮单纱断裂强方变异系数、线密度变异系数、单纱断裂强度、线密度偏差率、条于均勾度变异系数、明显色结、于米棉结、十万米纱疵、色牢度(耐皂洗、耐摩擦、耐汗渍)九项指标。
5.2分等规定
5.2.1同一原料、同一工艺单连续生产的同:-规格的产品作为一个或若于检验批。按规定的各项试验方法逊行试验,并按其结果评定转杯棉色纺纱的品等。5.2.2产品质量等级分为优等品、一等品,二等品,低于二等品为等外品。5.2.3转杯纺棉色纺纱质量等级根据产品规格以考核项自中最低一项班行评等,5.3摄术要求
5、3. 1技术要求见表1、表2。
轰1转杯纺棉色纺纱技术要求
单纱断裂
公称线籍度!
13, 1-~16, 0
16. 120. 0
20. 1-~31. 0
31.1--37,0
37.1--60. 0
60.1 及以上
强力变算
系数/%
线游度
变异系数
单纱断裂
强度/
(eN/tex)2
线密度
偏差率
条于哟勾度
变异系数/
明显色结/
(粒/100 m)
千米棉结
(+200%)/
(粒/100tm)
十方米
纱藏/
(个)
10°m)
耐皂洗色牢度
耐江速色牢度
耐率擦色卒度 三
表2转杯纺棉色纺纱色牢度要求
优等品
3(深2-3)
一等品
2-3(深2)
注:深、浅色程度按GB/T250标准,5级为深色,2级及以下为浅色,介了两者之间为中色。5.3.2转杯纺棉色纺纱对来样的色差不低于4级。5.3.3产品安全性能应符合GB 18401的要求。6试验方法
试验条件
各项试验应在各方法标准规定的条件下进行。6.2取样规定
从检验批中随机抽取20个筒子,各项目所需样品数量及试验欢数表3,表3转杯纺棉色纺纱各项目样品数量及试验次数的规定项日
线密度变异系数
线密度偏差率
单纱断裂强度
单纱断裂强力变异系数
柔于均匀度变异数、下米棉结
明显色结
十万米纱
色牢度
筒子数/个
. .... ....
注:若检验批中的简了数小于20个,则全部抽取作为样品。6.3线密度变异系数、线密度偏差率试验每倚试验次数
F7./T 12030—2012
单位为级
二等品
2-3(深色2)
总次数
摇取绞纱长度应按GB/T4743一2009规定执行,其中线密度变异系数采用程序1,线密度采用程序3,公称线密度的100加标推质是和标准干爆质最按附录A计算,线密度编差率在计算时将烘干后的绞纱折算至100 m质量,并按式(1)计算:D=四二ma× 100%
式中:
线密度偏差率,%;
FZ/T 12030—2012
m一二\100 m\试样实际干燥质量,单位为克(g);md
\100m\试样标准于燥质量,单位为克(g)。6. 4单纱断裂强度及单纱断裂强力变异系数试验按GB/T3916规定执行。
6. 5条干均匀度变异系数,干米棉结(+200%)试验按GB/T3292.1规定执行。
6. 6 明显色结试验
按FZ/T12014—2006中附录A规定执行,6.7十万米纱疵试验,
按FZ/T 01050规定执行,十万米纱疵结果用As十B.十C:十D.之和表乐。6.8色牢度试验
6.8.1耐皂洗色牢度试验按GB/T39212008规定执行,采用单纤维贴衬,试验条件为C(3)。6.8.2耐汗溃色牢度试验按 GB/T 3922执行。6.8.3耐摩擦色牢度试验按GB/T3920执行。6.9
色差试验
按GB/T 250规定执行。
6.10纱的成包净重
按G3/T398—2008中5.9规定执行。6. T1 试验结果的表示
一批纱线的各种试验结果用该种试验的全部试验值的计算结果表示,各种试验结果的计算精确度,除已规定者外,按表4 规定执行。表4计算值的数值修约位数规定
单纱断裂强度/(eN/tex)
单纱断裂强力变异系数/%
线密度变异系数/%
线密度偏差率/%
百米质埋(每批乎均)/(g/100m)条干均勾度变异系数/%
干米棉结(+200%)/(个/km)
明显色结/(粒/100m)
七万米纱疵/(个/10°m)
平均线密度/tex
折算质量用回潮率/%
要求小数点后有效位数
检验规则
按F2/T10007规定执行。
标志、包装
FZ/T12030—2012
按FZ/T10008规定执行,同时供贷方应在所供产品上标明该产品的额色代号(或色卡号)。其他
用户对产品有特殊要求的,生产厂家与用另订协议。F7./T12030—2012
附录景A
(规范性附录)
转杯纺棉色纺纱百米质量的计算A,1转杯纺棉色纺纱的公定回潮率为8.5%。A.2100 m纱在公定回潮率时的标准质量(g)按式(A.1)计算,计算结果修药至小数点后三位T
式中:
--100m纱在公定回潮率时的标准质量,单位为克(g);m,
一纱的公称线密度,单位为特克斯(tex)。T
A.3100 m纱的标准干燥质量(g)按式(A.2)计算,计算结果修至小数点后三位。ma
式中:
-100 m纱标准干爆质量,单位为克(g):T。-——一纱的公称线密度,单位为特克斯(tex);W-公定回潮率,%。
-( A.1)
.(A, 2)
FZ/T12030-2012
打印日期:2013年5月7日F009
中华人民共和国纺织
行业标推
转杯纺棉色纺纱
FZ/T12030—2012
中国标准出版社出版发行
北京市朝阳区和平里西街甲2号(100013)北京市西城区三里河北街16号(100045)网址 spe.net. en
总编室:010)64275323发行中心:(010)51780235读者服务部:(010)68523946
中国标推出版杜拳皇岛印刷厂印刷各地新华书店经销
开本 880×1230 1/16 印张 0.75字数 11 千字2013年4月第一版2013年4月第一次印刷+
书号:155066·2-24622定价16.00元如有印装差错由本社发行中心调换版权专有侵权必究
举报电话:(010)68510107
小提示:此标准内容仅展示完整标准里的部分截取内容,若需要完整标准请到上方自行免费下载完整标准文档。
标准图片预览:





- 其它标准
- 热门标准
- 行业标准
- FZ/T32006-2016 苎麻本色线
- FZ/T92037-1995 P型齿链式无级变速器
- FZ/T62005-2003 被、被套
- FZ/T24024-2017 精梳单经单纬毛织品
- FZ/T20018-2000 毛纺织品中二氯甲烷可溶性物质的测定
- FZ/T92042-1995 边字提花装置
- FZ/T93053-2019 转杯纺纱机转杯
- FZ/T92024-2006 LZ系列下罗拉轴承
- FZ/T42007-2001 生丝/氨纶包缠丝
- FZ/T50001-2005 合成纤维长丝网络度试验方法
- FZ/T90069-1995 零件表面交接处图形所代表的圆角半径尺寸要求
- FZ/T73009—2021 山羊绒针织品
- FZ/T64058-2016 汽车隔音隔热垫用再加工纤维毡
- FZ/T63020-2013 混合聚烯烃纤维绳索
- FZ/T94007.1-2013 综第1部分:提花织造用镶入综眼的钢丝综
- 行业新闻
请牢记:“bzxz.net”即是“标准下载”四个汉字汉语拼音首字母与国际顶级域名“.net”的组合。 ©2025 标准下载网 www.bzxz.net 本站邮件:bzxznet@163.com
网站备案号:湘ICP备2025141790号-2
网站备案号:湘ICP备2025141790号-2