- 您的位置:
- 标准下载网 >>
- 标准分类 >>
- 纺织行业标准(FZ) >>
- FZ/T 94011.3-2013 筘 第3部分:喷水织机用筘
标准号:
FZ/T 94011.3-2013
标准名称:
筘 第3部分:喷水织机用筘
标准类别:
纺织行业标准(FZ)
标准状态:
现行出版语种:
简体中文下载格式:
.rar .pdf下载大小:
部分标准内容:
ICS 59. 120. 30
中化民共和国纺织行业标准
FZ/ 94011.3—2013
部分代警FZ/T94011—1992
第3部分:喷水织机用箱
Reeds---Part 3: Reeds for water-jet looms2013-10-17 发布
中华人民共和国工业和信息化部发布
2014-03-01实施
FZ/T94011《箍》分为以下5部分:-第1部分有梭织机用箱,
··.·第2部分·剑杆织机、片梭织机用箱;-第3部分:喷水织机用箍;
-第4部分:整经机、浆纱机用箍;一第5部分;喷气织机用异形箱片。本部分为 FZ/T 94(011 的第 3 部分。本部分按照GB/T 1.1—2009给出的规刚起草,rZ/T 94011.3--2013
本部分代替FZ/T94011—1992《织机用金属丝编》中的部分内容,未被代替的内容为“圆型梁金属丝扎箍”,这部分内容将被淘汰,与FZ/T94011一1992相比,除编辑性修改外的主要技术变化如下;
修改了标准名称;
b)增加了“筑号”“半圆条”的术语和定义(觅3.1、3.2);修了产品分类(见4.1,1992年版的第3章);修改了产品标记(觅4.2,1992年版的3.7):修改了技术要求、试验方法、检验规则和标志、包装、运输、贮存(见第5章~第8章,1992年版e)
的篇 4 章~篇 7 章)。
本部分由中国纺织工业联合会提出。本部分声全国纺织机械与附件标准化技术委员会纺织器材分技术委员会(SAC/TC215/SC2)口。
本部分起草单位:常州钢有限公司、绍兴市水富纺织器材有限公司、绍兴县鼎丰纺织器材有限公司、浙江友发机械有限公司,西纺织器材研究所。本部分主要起草人:秋藜风,赵玉生、施越浩、倪克岗、诸水夫、杜鹏、余定雅、淡培霞、来友法、裘文龙。
本部分所代替标推的历次版本发布情说为:-F2/T94011—1992;
.FJ1107-1981.
--FJ 1117---1981.
1范围
箱第3部分:喷水织机用箱
FZ/T94011.3--2013
FZ/T94011的本部分规定了喷水织机用翁(以下简称“喷水翁”)的术语和定义、分类和标记、要求、试验方法,检验规则和包装、标患、储存。本部分适用于瞻水织机用平板梁金属丝扎箍和槽形粱树脂圈化金属丝扎箱。2规范性引用文件
下列文件对于本文件的应用是必不可少的。凡是注日期的引用文件,仪注日期的版本适用于本文件。凡不注日期的引用文件,其最新版本(包括所有的修改单)适用于本文件。GB/T191包装储运图示标志
GB/T2829周期检验计数抽样程序及表(适用于对过程稳定性的检验)GB/T4340.1金属材料维氏硬度试验第1部分:试验方法纺织机械与附件
GB/T 24348.2—2009
GB/T 24348. 4—2009
GB/T24348.5-2009
GB/T 25874. 1—2010
GB/T 25874.2—2010
3 术语和定义
纺织机械与附件
纺织机械与附件
织机皴与附件
纺织机械与渐件
下列术语和定义适用于本文件。3.1
箍号recdcount
10cm有效宽内的齿数。
注1:箍号用籍齿每10厘米表示。注 2:改写 FZ/T 94046—2009,定义 3. 5.3.2
半国条scmicirclewire
第2部分:平板梁金属丝扎翁的尺寸利标记箍
箍第4部分:树脂固化金丝乳的尺寸和标记翁第5部分:槽形梁的尺寸和标记箱齿用钢片第1部分:冷轧钢片
箱齿用钢片第2部分:淬硬钢片
编扎翁时用以固定箱齿的裁面为半圆形的钢签。注:改写1Z/T94046-2009,定义3.8。4分类和标记
4.1分类
根据箍梁结构:分为平板梁金属丝扎[型号省略,见图1a)和槽形梁树脂固化金属丝扎箱[型号为C,见图1b);根据樽形梁截面形状,分为C1型和C2型。FZ/T 94011.3—2013
4.2标记
乎板梁
焊锦/树脂
a)平板梁
图1喷水箍
揸形粱
喷水箱的标记方法应遵守GB/T24348.2--2009第3章或GB/T24348.4—2009第4章的规定,需要时在标记最后端增加半字线,串连分类型号。示例1:
翁总高=100mm,梁厚d=5mm,输齿宽h2.2mm,箍齿用不锈钢片造的平板梁金属丝扎喷水箔,应标记为!
辛板染金属丝扎箱GB/T24348.2-100×5×2.2-不锈钢示例2:
内高em55mm,C2型染厚±-5.5mm,箱齿究6-2.2m齿用不钢片制造的树脂固化金屑丝,应标为:
树瞻固化金属丝扎籍GB/T24348.4-55×5.5×2.2-不锈钢-C25要求
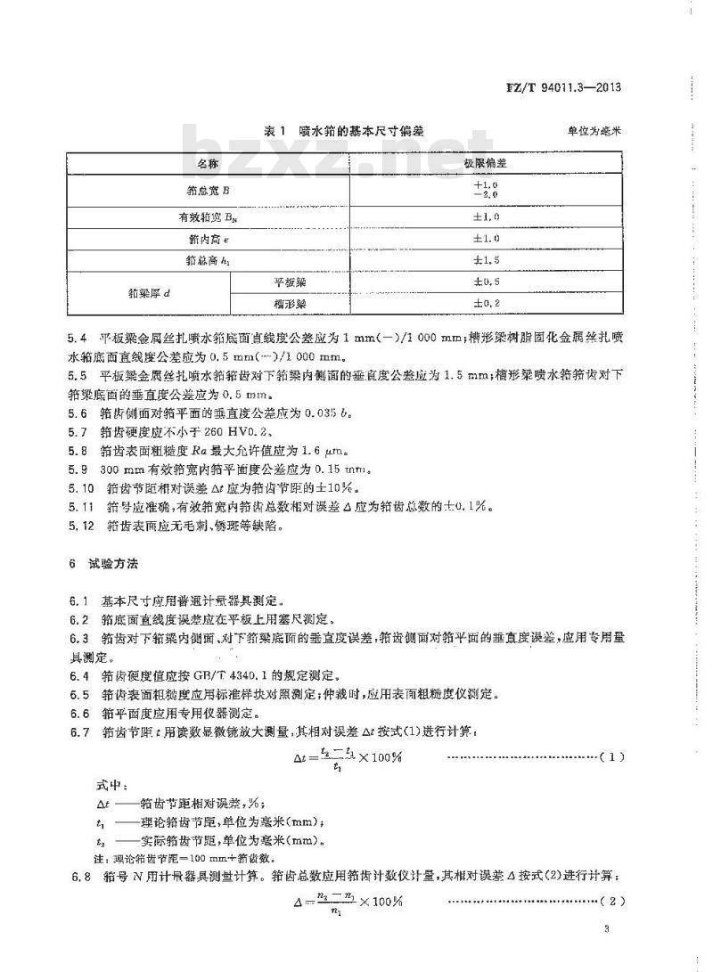
5.1喷水箍的基本尺寸应遵守GB/T24348.2—2009第2章或GB/T24348.4-—2009第3章的规定。5.2喷水用栖形梁的尺寸应遵守GB/T24348.52009第2章规定。5.3、水箍的基本尺寸偏差:
a)箍齿厚s、箍断宽b应符合GB/T25874.1--2010或GB/T25874.2—2010中表1规定;b)箍总宽B,有效箍宽B、箍内高e箱总高h1、箍梁愿d应符合表1规定,豁梁厚d
翁总宽B
有效转密BN
辑内高e
翁总高h
表 1喷水箱的基本尺寸偏差
平板架
Z/T 94011.3—2013
单位为离米
极限偏差
5.4平板梁金属丝扎喷水底面直线度公差应为1mm(-)/1000mm;槽形梁树脂固化金属丝扎喷水箍底面直线度公差应为0.5mm(~)/1000mm5.5平板梁金属丝扎喷水箍猎齿对下箱梁内侧面的垂直度公差应为1.5mm;槽形梁喷水箱箱齿对下箱梁底面的垂直度公差应为0.5mm。5.6齿侧面对翁平面的垂直度公差应为0.035。5.7箱齿硬度应不小于260HV0.2。5.8翁齿表面粗糙度Ra最大允许值应为1.6μt。5.9300 mm有效宽内翁平面度公差应为0. 15 tnml。5.10箍齿节距概对误差△t应为箍齿节距的士10%。5.11筑号应准确,有效箱宽内箍齿总数相对误差么应为齿总数的0.1%。5.12齿表面应无毛菊、锈斑等缺陷。6试验方法
6,1基本尺寸应崩普遥计最器县测定6.2箍底面直线度误差应在平板上用塞尽测定。6.3翁齿对下箍梁内侧面、对下翁底面的垂直度误差,箱齿侧面对平面的垂直度误差,应用专用量具测定。
6.4箍齿硬度值应按GB/T4340.1的规定测定,6.5箍齿表面相糖度应用标推样块对照测定;仲裁时,应用表面粗髓度仪测定。6.6箍平面度应用专用仪器测定,6.7齿节t用读数显微镜放大测量,其相对误差△t按式(1)进行计算:二东×100%bzxz.net
式中:
掂齿节距相对误差,%;
理论箍齿节距,单位为毫米(nm);实际翁齿节距,单位为毫米(mm)。注:理论箱齿节距=100 mm+箱齿数。(1)
6.8箱号N用计录器具测量计算。箱齿总数应用箱齿计数仪计量,其相对误差4按式(2)进行计算:A ≥三 × 100%
FZ/T 94011.3-2013
武中:
4翁齿总数相对误差,%
n1——理论箱齿总数,单位为离米(m);nz实际箍齿总数,单位为毫米(mm)。6.9外观质量应用手感、目测。
检验规则
7.1总则
7.1.1喷水应通过以下类别的检验:型式验
)出厂检验。
7.1.2型式检验和出厂检验应由制造厂质检验部门负责逃行,订货方也可按本部分中的出厂检验规定在1个月内对购进的筑进行验收;根据订货方要求,制造厂应提供出厂检验所在周期的型式检验报告。
7.1.3在型式检验或出厂检验中,被检验的样本单位若有不符合本部分表2,表3对检验项目的有关规定时,即为不合格;有一个或一个以上不合格,即为不合格甜。7.2检验
7.2.1型式检验
7.2.1.1连续生产的喷水应以生产过程稳定的时间为周期进行型式检验,在改进产品结构、主要追工艺,或更换材料、中断生产后再恢复生产时,也应进行型式检验。7.2.1.2型式检验应按G.B/T2829中判别水平Ⅱ的一次抽样为案,型式检验方案由表2给出。表2喷水箱的型式检验方案
检验项目名称
翁齿窥
齿厚s
豁总荒B
有效宽 BN
内高。
总高h
染摩a
箱癌面直线度
箱齿对下翁梁内測再、下翁梁底面垂直度
箱齿侧面对箍平面垂食度
箍齿硬度
翁齿表面粗糙度 Ra
箱平面度
箍齿节距相对误差t
要求的章条号
5. 1,5. 3 a)
5.1,5. 3 a)
5, 1,5. 3 b)
5, 1,5. 3 b)
5, 1,5. a b3
5. 1,5. 3 h)
5. 1,5. 3 b)
试验方法的章条号」不合格质量水平6.1
不合替分
检验项目名称
翁齿总数相对误差 4
外观质直
出广检
表2(续)
要求的辜条号
试验方法的章条母
FZ/T94011.3-—2013
不合格质盘水学
7.2.2.1解批水都应进行出」检验,经型式检验合格后方可进行出厂检验。每批喷水箱应以片为样本单位逐片进行出厂检,出厂检验项耳由表3给出。7.2.2.2
衰3喷水箱的出厂检验项目
有效箍宽B,
箍内高e
箍腐面直线度
检验项目名称
筑齿对下翁采内侧百、下箍梁底面垂真度箱平面度
外观质量
包装、标志、储存
要求的章条号
5. 1,5. 3 b)
5. 1. ,5. 3 b)
喷水箍底经检验舍格并射有合格证,打可进行包装。喷水箱以片交货,每片箍应密封在塑料内。喷水箍外包装箱应采用木籍或双瓦榜纸箱。8.2标志
8.2.1产品标志
每片喷水箍上应有产品标志,葚上标明:a)
制造广名或商标;
b)产品标记;
生产批号或生产日期。
8.2.2包装标志
8.2.2.1运输包装收发货标志
运输包装收发贷标志上应标明:制造厂名或商标,
b)产晶标记;
试验方法的章案号
不合格分类
不合格分类
FZ/T 94011.3---2013
数量;
毛重;
生产批号或生产日期;
体积(长x宽x高一m\)。
包装储运图示标志
“易碎物品\“怕丽”标应按GB/T191规定。8.3储存
喷水箍应包发完好地存放在通风干燥并无腐性介质的环境中,箍的在 1年内应符合FZ/T94011的本部分。
FZ/T94011.3-2013
打印日期:2013年12月26日F009中华人民共和国纺织
行业标准
箍第3部分:喷水织机角箱
FZ/T 94011. 3—2013
中国标滩出版社出版发行
北京市朝阳区和平里西甲2号(100013)北京市西城区三里河北街1.6号(100045)网址 spc. net, cn
总编室:(010)64275323发行中心:(010)51780235读者服务部:(010)68523946
中国标推出版社拳皇岛印刷厂印刷各地新华书店经销
开本880×12301/16印张0.75字数14千字2013 年 12月第一版 2013 年12月第一改印刷书号:156066·2-26289定价16.00元如有印装差错由本社发行中心调换版权专有侵权必究
举报电话:(010)68510107
t IluVO z
小提示:此标准内容仅展示完整标准里的部分截取内容,若需要完整标准请到上方自行免费下载完整标准文档。
中化民共和国纺织行业标准
FZ/ 94011.3—2013
部分代警FZ/T94011—1992
第3部分:喷水织机用箱
Reeds---Part 3: Reeds for water-jet looms2013-10-17 发布
中华人民共和国工业和信息化部发布
2014-03-01实施
FZ/T94011《箍》分为以下5部分:-第1部分有梭织机用箱,
··.·第2部分·剑杆织机、片梭织机用箱;-第3部分:喷水织机用箍;
-第4部分:整经机、浆纱机用箍;一第5部分;喷气织机用异形箱片。本部分为 FZ/T 94(011 的第 3 部分。本部分按照GB/T 1.1—2009给出的规刚起草,rZ/T 94011.3--2013
本部分代替FZ/T94011—1992《织机用金属丝编》中的部分内容,未被代替的内容为“圆型梁金属丝扎箍”,这部分内容将被淘汰,与FZ/T94011一1992相比,除编辑性修改外的主要技术变化如下;
修改了标准名称;
b)增加了“筑号”“半圆条”的术语和定义(觅3.1、3.2);修了产品分类(见4.1,1992年版的第3章);修改了产品标记(觅4.2,1992年版的3.7):修改了技术要求、试验方法、检验规则和标志、包装、运输、贮存(见第5章~第8章,1992年版e)
的篇 4 章~篇 7 章)。
本部分由中国纺织工业联合会提出。本部分声全国纺织机械与附件标准化技术委员会纺织器材分技术委员会(SAC/TC215/SC2)口。
本部分起草单位:常州钢有限公司、绍兴市水富纺织器材有限公司、绍兴县鼎丰纺织器材有限公司、浙江友发机械有限公司,西纺织器材研究所。本部分主要起草人:秋藜风,赵玉生、施越浩、倪克岗、诸水夫、杜鹏、余定雅、淡培霞、来友法、裘文龙。
本部分所代替标推的历次版本发布情说为:-F2/T94011—1992;
.FJ1107-1981.
--FJ 1117---1981.
1范围
箱第3部分:喷水织机用箱
FZ/T94011.3--2013
FZ/T94011的本部分规定了喷水织机用翁(以下简称“喷水翁”)的术语和定义、分类和标记、要求、试验方法,检验规则和包装、标患、储存。本部分适用于瞻水织机用平板梁金属丝扎箍和槽形粱树脂圈化金属丝扎箱。2规范性引用文件
下列文件对于本文件的应用是必不可少的。凡是注日期的引用文件,仪注日期的版本适用于本文件。凡不注日期的引用文件,其最新版本(包括所有的修改单)适用于本文件。GB/T191包装储运图示标志
GB/T2829周期检验计数抽样程序及表(适用于对过程稳定性的检验)GB/T4340.1金属材料维氏硬度试验第1部分:试验方法纺织机械与附件
GB/T 24348.2—2009
GB/T 24348. 4—2009
GB/T24348.5-2009
GB/T 25874. 1—2010
GB/T 25874.2—2010
3 术语和定义
纺织机械与附件
纺织机械与附件
织机皴与附件
纺织机械与渐件
下列术语和定义适用于本文件。3.1
箍号recdcount
10cm有效宽内的齿数。
注1:箍号用籍齿每10厘米表示。注 2:改写 FZ/T 94046—2009,定义 3. 5.3.2
半国条scmicirclewire
第2部分:平板梁金属丝扎翁的尺寸利标记箍
箍第4部分:树脂固化金丝乳的尺寸和标记翁第5部分:槽形梁的尺寸和标记箱齿用钢片第1部分:冷轧钢片
箱齿用钢片第2部分:淬硬钢片
编扎翁时用以固定箱齿的裁面为半圆形的钢签。注:改写1Z/T94046-2009,定义3.8。4分类和标记
4.1分类
根据箍梁结构:分为平板梁金属丝扎[型号省略,见图1a)和槽形梁树脂固化金属丝扎箱[型号为C,见图1b);根据樽形梁截面形状,分为C1型和C2型。FZ/T 94011.3—2013
4.2标记
乎板梁
焊锦/树脂
a)平板梁
图1喷水箍
揸形粱
喷水箱的标记方法应遵守GB/T24348.2--2009第3章或GB/T24348.4—2009第4章的规定,需要时在标记最后端增加半字线,串连分类型号。示例1:
翁总高=100mm,梁厚d=5mm,输齿宽h2.2mm,箍齿用不锈钢片造的平板梁金属丝扎喷水箔,应标记为!
辛板染金属丝扎箱GB/T24348.2-100×5×2.2-不锈钢示例2:
内高em55mm,C2型染厚±-5.5mm,箱齿究6-2.2m齿用不钢片制造的树脂固化金屑丝,应标为:
树瞻固化金属丝扎籍GB/T24348.4-55×5.5×2.2-不锈钢-C25要求
5.1喷水箍的基本尺寸应遵守GB/T24348.2—2009第2章或GB/T24348.4-—2009第3章的规定。5.2喷水用栖形梁的尺寸应遵守GB/T24348.52009第2章规定。5.3、水箍的基本尺寸偏差:
a)箍齿厚s、箍断宽b应符合GB/T25874.1--2010或GB/T25874.2—2010中表1规定;b)箍总宽B,有效箍宽B、箍内高e箱总高h1、箍梁愿d应符合表1规定,豁梁厚d
翁总宽B
有效转密BN
辑内高e
翁总高h
表 1喷水箱的基本尺寸偏差
平板架
Z/T 94011.3—2013
单位为离米
极限偏差
5.4平板梁金属丝扎喷水底面直线度公差应为1mm(-)/1000mm;槽形梁树脂固化金属丝扎喷水箍底面直线度公差应为0.5mm(~)/1000mm5.5平板梁金属丝扎喷水箍猎齿对下箱梁内侧面的垂直度公差应为1.5mm;槽形梁喷水箱箱齿对下箱梁底面的垂直度公差应为0.5mm。5.6齿侧面对翁平面的垂直度公差应为0.035。5.7箱齿硬度应不小于260HV0.2。5.8翁齿表面粗糙度Ra最大允许值应为1.6μt。5.9300 mm有效宽内翁平面度公差应为0. 15 tnml。5.10箍齿节距概对误差△t应为箍齿节距的士10%。5.11筑号应准确,有效箱宽内箍齿总数相对误差么应为齿总数的0.1%。5.12齿表面应无毛菊、锈斑等缺陷。6试验方法
6,1基本尺寸应崩普遥计最器县测定6.2箍底面直线度误差应在平板上用塞尽测定。6.3翁齿对下箍梁内侧面、对下翁底面的垂直度误差,箱齿侧面对平面的垂直度误差,应用专用量具测定。
6.4箍齿硬度值应按GB/T4340.1的规定测定,6.5箍齿表面相糖度应用标推样块对照测定;仲裁时,应用表面粗髓度仪测定。6.6箍平面度应用专用仪器测定,6.7齿节t用读数显微镜放大测量,其相对误差△t按式(1)进行计算:二东×100%bzxz.net
式中:
掂齿节距相对误差,%;
理论箍齿节距,单位为毫米(nm);实际翁齿节距,单位为毫米(mm)。注:理论箱齿节距=100 mm+箱齿数。(1)
6.8箱号N用计录器具测量计算。箱齿总数应用箱齿计数仪计量,其相对误差4按式(2)进行计算:A ≥三 × 100%
FZ/T 94011.3-2013
武中:
4翁齿总数相对误差,%
n1——理论箱齿总数,单位为离米(m);nz实际箍齿总数,单位为毫米(mm)。6.9外观质量应用手感、目测。
检验规则
7.1总则
7.1.1喷水应通过以下类别的检验:型式验
)出厂检验。
7.1.2型式检验和出厂检验应由制造厂质检验部门负责逃行,订货方也可按本部分中的出厂检验规定在1个月内对购进的筑进行验收;根据订货方要求,制造厂应提供出厂检验所在周期的型式检验报告。
7.1.3在型式检验或出厂检验中,被检验的样本单位若有不符合本部分表2,表3对检验项目的有关规定时,即为不合格;有一个或一个以上不合格,即为不合格甜。7.2检验
7.2.1型式检验
7.2.1.1连续生产的喷水应以生产过程稳定的时间为周期进行型式检验,在改进产品结构、主要追工艺,或更换材料、中断生产后再恢复生产时,也应进行型式检验。7.2.1.2型式检验应按G.B/T2829中判别水平Ⅱ的一次抽样为案,型式检验方案由表2给出。表2喷水箱的型式检验方案
检验项目名称
翁齿窥
齿厚s
豁总荒B
有效宽 BN
内高。
总高h
染摩a
箱癌面直线度
箱齿对下翁梁内測再、下翁梁底面垂直度
箱齿侧面对箍平面垂食度
箍齿硬度
翁齿表面粗糙度 Ra
箱平面度
箍齿节距相对误差t
要求的章条号
5. 1,5. 3 a)
5.1,5. 3 a)
5, 1,5. 3 b)
5, 1,5. 3 b)
5, 1,5. a b3
5. 1,5. 3 h)
5. 1,5. 3 b)
试验方法的章条号」不合格质量水平6.1
不合替分
检验项目名称
翁齿总数相对误差 4
外观质直
出广检
表2(续)
要求的辜条号
试验方法的章条母
FZ/T94011.3-—2013
不合格质盘水学
7.2.2.1解批水都应进行出」检验,经型式检验合格后方可进行出厂检验。每批喷水箱应以片为样本单位逐片进行出厂检,出厂检验项耳由表3给出。7.2.2.2
衰3喷水箱的出厂检验项目
有效箍宽B,
箍内高e
箍腐面直线度
检验项目名称
筑齿对下翁采内侧百、下箍梁底面垂真度箱平面度
外观质量
包装、标志、储存
要求的章条号
5. 1,5. 3 b)
5. 1. ,5. 3 b)
喷水箍底经检验舍格并射有合格证,打可进行包装。喷水箱以片交货,每片箍应密封在塑料内。喷水箍外包装箱应采用木籍或双瓦榜纸箱。8.2标志
8.2.1产品标志
每片喷水箍上应有产品标志,葚上标明:a)
制造广名或商标;
b)产品标记;
生产批号或生产日期。
8.2.2包装标志
8.2.2.1运输包装收发货标志
运输包装收发贷标志上应标明:制造厂名或商标,
b)产晶标记;
试验方法的章案号
不合格分类
不合格分类
FZ/T 94011.3---2013
数量;
毛重;
生产批号或生产日期;
体积(长x宽x高一m\)。
包装储运图示标志
“易碎物品\“怕丽”标应按GB/T191规定。8.3储存
喷水箍应包发完好地存放在通风干燥并无腐性介质的环境中,箍的在 1年内应符合FZ/T94011的本部分。
FZ/T94011.3-2013
打印日期:2013年12月26日F009中华人民共和国纺织
行业标准
箍第3部分:喷水织机角箱
FZ/T 94011. 3—2013
中国标滩出版社出版发行
北京市朝阳区和平里西甲2号(100013)北京市西城区三里河北街1.6号(100045)网址 spc. net, cn
总编室:(010)64275323发行中心:(010)51780235读者服务部:(010)68523946
中国标推出版社拳皇岛印刷厂印刷各地新华书店经销
开本880×12301/16印张0.75字数14千字2013 年 12月第一版 2013 年12月第一改印刷书号:156066·2-26289定价16.00元如有印装差错由本社发行中心调换版权专有侵权必究
举报电话:(010)68510107
t IluVO z
小提示:此标准内容仅展示完整标准里的部分截取内容,若需要完整标准请到上方自行免费下载完整标准文档。
标准图片预览:





- 其它标准
- 上一篇: FZ/T 92062-2012 普通轧车用橡胶轧辊
- 下一篇: GB 18267-2013 山羊绒
- 热门标准
- 行业标准
- FZ/T32006-2016 苎麻本色线
- FZ/T92037-1995 P型齿链式无级变速器
- FZ/T24024-2017 精梳单经单纬毛织品
- FZ/T62005-2003 被、被套
- FZ/T42007-2001 生丝/氨纶包缠丝
- FZ/T50001-2005 合成纤维长丝网络度试验方法
- FZ/T20018-2000 毛纺织品中二氯甲烷可溶性物质的测定
- FZ/T92042-1995 边字提花装置
- FZ/T62021-2012 厨浴清洁巾
- FZ/T93053-2019 转杯纺纱机转杯
- FZ/T92024-2006 LZ系列下罗拉轴承
- FZ/T64058-2016 汽车隔音隔热垫用再加工纤维毡
- FZ/T90069-1995 零件表面交接处图形所代表的圆角半径尺寸要求
- FZ/T12051-2016 腈纶粘胶纤维混纺本色纱线
- FZ/T63020-2013 混合聚烯烃纤维绳索
- 行业新闻
请牢记:“bzxz.net”即是“标准下载”四个汉字汉语拼音首字母与国际顶级域名“.net”的组合。 ©2025 标准下载网 www.bzxz.net 本站邮件:bzxznet@163.com
网站备案号:湘ICP备2025141790号-2
网站备案号:湘ICP备2025141790号-2