- 您的位置:
- 标准下载网 >>
- 标准分类 >>
- 国家标准(GB) >>
- GB/T 1702-1997 力车轮胎
标准号:
GB/T 1702-1997
标准名称:
力车轮胎
标准类别:
国家标准(GB)
标准状态:
已作废-
发布日期:
1997-09-10 -
实施日期:
1998-02-01 -
作废日期:
2009-02-01 出版语种:
简体中文下载格式:
.rar.pdf下载大小:
318.48 KB
替代情况:
替代GB/T 1702-1992;被GB/T 1702-2008代替采标情况:
JIS K6302-1994,REF
首发日期:
1979-09-15复审日期:
2004-10-14起草人:
夏启元、蔡树奎、容家昌、屠藕珍起草单位:
上海中南橡胶厂提出单位:
中华人民共和国化学工业部发布部门:
中国石油和化学工业协会主管部门:
中国石油和化学工业协会相关标签:
轮胎
点击下载
标准简介:
标准下载解压密码:www.bzxz.net
本标准规定了力车轮胎的产品要求、抽样和检验规则、试验方法、标志、包装、运输和贮存。本标准适用于GB/T 7377所规定的充气轮胎。本标准不适用于管式赛车轮胎和非充气轮胎。 GB/T 1702-1997 力车轮胎 GB/T1702-1997
部分标准内容:
GB/T 1702—1997
本称准极据口本下业标混JISK 63021991自行车轮胎》,继合我国国情,延续前版标催名称』年轮略。
本标准; JIS K 6302 1991 比较,增加了产品的仙样、检验规则、标,包装、这输和吡存要求+F将胎侧耐臭氧老化测试项用调整为适个我国轮胎产品实际使用条件的胎面胶磨耗测试项闻·并将载重型力年轮始扯断伸长率从300%商到100%。本标准与前版标准上要不同总将产品规格尺寸删除,编人GB/T73771997\力车轮胎系列”。J十要性能指标值较前版消有提高。将外规要求继人附录求A(标准的附录);抽样和检验规则编人附求B(标准的网录):运输和购存缩人附来(提示的附录)。
本标准从尘效之I起,同时代替GB/T 1702—92。本标准出中华人民共和国化学工业部提出。本标准内个因轮胎轮标准化技术委员会归!,本桥起草单位:上海中南橡鞍!本标主要起草人:豆启元、蔡树牵、潘韬御、容家、居灡本标准1979 伴0月首次放布(化学1.业部部标准1IG4 232-75提Ⅱ)J:1986 年1川等欢修
辽,于1992年1月第二次修订、
术标泄委托全国轮胎轮标泄化技术委员会库托车白行军轮胎轮捆标:化分技术委员会负点确范围
中华人民共和国国家标准
力车轮
Cyele lyres
GR/T 1702
/T 1702H2
本标谁规定了力车轮胎的产品要求、拥样愉验刻则、试验方法,标感,包装塔输有坚存。本标准迟用GB/77377所规宗的充《轮胎本标滩不适用}管式赛轮胎和非究气轮胎,2引用标准
下列标准所他含的条文,证过在术标滩中引用通构成为个标凝的条文。本标维尚版所,所示版本均为有效。所有标准都会被修订,使用木标游的各方成探讨使用下划标准最新版本用可能件。GI/T528·92硫化橡胶和热塑橡咬挖伸性能的测定GB/T 1689.---82(89)
硫化像胶能渐性能的泄是(川阿克磨基机)GR 2828--87
逐批检香计数抛样程序及拍样装(适!在纹批的检件)GB 282987
GB/T 7377
周期检查计数捕样程序及掘样表(点用卡生产过程稳证性纳检率)1997
力作轮胎系列
GR/T 9749---88
力车轮胎强度性能试验方法
GB/T 9762---88
GB/T 9763---88
才车轮胎久性能试验方法(转鼓法)力车轮胎脱圈水压试验行法
GH9863·88植化橡胶样品和试样的制备3定义
3.1轮胎须危在120kg以下扑为作载重型,3.2轮胎负荷量代120kg及共以上者为载计型,4类型图示
4.1性迅(55)轮胎测图1
4.2钩近(HIB)轮胎见图2.
4.3软边(BE)轮阶见图3。
国家技术监替局1997-09-10批准1998-02-01实施
5要求
图立达(SS)轮:断而
5.1轮胎的规格尺寸和基,本参数CB/T 1702- 1997
图 2 构边([113)羚哈断而
图3软迅(BE)轮价断面
轮胎的规格尺寸和基本参数应符告(B/T7377的规定5.2外
轮胎安装在符合GB/7377战祺尚双方商定的轮剩上,月测时不得有明最的摆动,轮胎的外观质要求鼠附录A(标准的附录)。
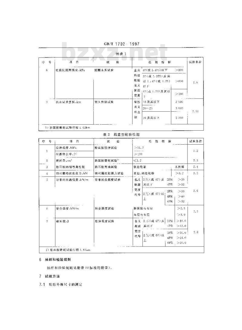
5.3轮胎性能应符合表1或2的规定,表!非载重轮拍性能
拉你迎疫.MPa
址断伸长率,环
磨托m
哈片胶的到与曲性能
解的抗张强
许行的航断都度kN
合度,kNm
抢而拉控伸试范
!验面磨耗试验
谢经风张察方试验
资布航张强理试验
培命保度试验
性能指标
非色轮临
碧负轻新
歌通抢胎
白效,伪迎纶聪
新通胶与有限
布语马有房
无折致
!试验条款
轮胎抗脱关强度-kPa
机床试监里释,kn
1) 脂面胶磨耗试验行程 1. 61km序
拉伸湿度,MA
耻断仲长争,
胺格 vcETE
的环胶的剂变性能
饲丝围的抗张张,kN
审非的址断血度,kN/m
格强度.kN/m
划能,
1)胎而胶率试验行恶1. 61k
6抽样和检验规则
GB/F 1702: 1997
续表1
脱围水下试验
耐久性能试验
灶能指标
直37(或1.375)以下
到边37(或1.876)其
以 1., 47 (或 1.75)
名义以下
;数日:17或1.75)及其以wwW.bzxz.Net
表2载重型轮胎性能
胎面胶拉伸就验
眙面胶磨耗试验1
胎胶声由试验
钢丝图抗张强力试验
帘布抗张塑度试验
粘合强度试监
胎体湿度试验
抑拌和检验规测延附录标准的附录),了试验方法
7.1轮胎外缘尺的测
18及其以下
26---25
26及其以F
性能指标
款边轮验
直还,约这轮胎
2(或)极
其以下
2(或 673以
胎面胶与作层
布尽步布层
无折激
名义2:5(或G7)及2PR
折面其以下
2(或 67)以
试验条款
试验条款
. 20. C
GB/T 1702-1997
轮胎外缘尺下的测定方法,按GB/T7377的规定进行。7. 2 胎而胶拉伸试验
7.2.1试验接GB/T528规延进行,采用2号裁刀7.2.2试样制备
a)在始冠或胎侧中部沿纵向划取不少于5个试样;b)情况特殊而不能取标准试样时,试样类持部分可按实际情况决定。7.2.3非裁重型轮胎胎面胶的测定,若取样困难,按(l9865用胎面胶料制成标准试样进行试验、7. 3 胎血胶磨耗试验
7.3. 1力轮胎胎面胶磨耗量测定按 GB/T 1689 的规定进行。7.3.2试样制备
a) 在轮胎胎冠中心部位,沿纵问划取觉约 1.3mm 到20mm 长约 250mm 的试样,胎冠花纹特殊而不能按规定位置韧取试样时,可不在此限,供应从冠部切取;b)切取的试样在砂轮上打厚2.(mm+0.2mm。7.3.3胎面皎试祥胎冠胶为磨面。7.3.4若取样有困雄.则可按GH9863川胎血料制成标准试样逊行试验,7.4胎开胺弯曲试验
从试验胎上切取长为1(>m虹的胎耳胶条作试样,并将胎环胶条上的胶布剂去,试样底部中段与根直径为[mum的圆棒垂接愈,绕圆棒缓焕地弯成直拍,静置1min后,检查是否发生折裂,试验在试验室条件下进行。
7.5钢丝网抗张强力试验
在胎圈部位裁取段长约200mm的钢丝,川精确度为上2的拉力试验机,在空温下进行试验,拉丹机的下降速度为25mm/min,如果试样是在单根钢丝上裁取的·成使其接头部位处十试样山心部位;如果在两根以上的钢丝圈上裁取,则抽取其中「械进行试验,其试恰侦计算应乘以根数。试验结果应取2个试样的平均俏,
7.6抗张强度试验
从轮胎胎冠对应部位,顺第一层带布径问,制取究度为1OIMI的试片,使川帝线拉力试验机、布拉力试验机或像胶拉力试验机进行试验,试验企试验率案件下进行,找仲述度为2001m/mi1~300nm/min,试验夹具间距应在20mm 以上。A,B法任避,A法:试验中所有带线用时扯断时的值为S,按式(1)计算扯断强度。试验结果取3个试样的平均值。
式中:
扯断强度.kN/m:
S-—-排:断力测定值+N;
试样宽度.mm
实际晨数:
层饭、
(1)
R法:测定宽度10mm试样的单报线扯断力,序求出样的扯断力总利、按式<2)求址断强度。试验结果以三个试样谢定的平均值表示,sP
t=,×PR
排断强度,kN/a;
单根线的扯断力总和,N;
b-—试样宽度,mm;
--—实际层数:
PR层级。
7.7粘介强度试验
7.7.1胎面胶与布层间的粘合强度GB/T 1702—1997
从轮胎 1:裁取与胎面胶相连,并与帘布径向平行,宽约15mm 的试样,切去~-端胎圈部位,并在此部位的布层与胎询胶边缘处刹开一段后,可经线成直角取10mm宽的帘布层,撕太两侧多余的帘线及大体削去胎面花纹胶后,即为试片。用橡胶拉力试验机的!夹其夹佳胎侧胶一端,在试验室条件下,拉力机以 25mtn/min 的下降速度进行试验。试验时,要用自动记录装骨记录,求出曲线上各峰顾点的平均值即为粘附强度。试验结果取3个试样的平均值。7.7.2布层与布层间的粘合强度
从轮胎上沿第--是帘布的轻向平行裁取觉度约 20rmm 的试样,在一端剩开一小段,保留 10n1 宽的第·层帘布,撕去两侧多余的帝线,并太体削去胎面花纹胶,按7.7.1方法进行试验,试验时应尽可能不山像胶附于第一层上
其他布与布层间的试样裁取,应是顺内层帘布的径向。7.8胎体强度试验
轮胎的胎体强度试验按(B/T974的规是进行7. 9脱阐水压试验
轮胎的脱圈水乐试验·按GB/T9763的规定进行7.10
谢久性能试验
轮胎的射久性能试验,按 GB/T 9762 的规定进行,8标志、包装,运输和贴存
8.1轮胎应有下列标志:
规格(级为2著可以省略2HR):
中文表示的制造」名,产地和商标;-一-推荐气压和推荐负荷:
“踏比期或代;
-恰验标记
上述行项标志的文字不应小于3mm×3mml8.2包装
包装应符合商品包装的要求,并有科丁运输和些存8.3运输和贮存
运输和存见附录心提示的附录)。9其他
如有特殊要求,可按照本标袜的主婴原则,由供帮双方协商解决。序
缺陷名称
帝布少景或顺层
钙丝(胎H胶)断型
降缔状
拍面接头开裂
帝绽打器
胎变形
無改裂痕
机被损势
胎冠胶边
花纹缺胶
衡缺胶
胎面杂质
汽泡(范痕)
花纹错位
胎不满(或教边)
帝践稀避
GB/T 1702—1997
附录A
(标推的附求)
外观质量要求
轮胎外观质虽
不解线线痕
疏度或10am
消边、衡边轮胎纲丝位移,软边轮胎正胎作lomml长度50mm
探度或1/2 胎例侧胶厚度
许度1. 5r1r 花纹基部不得显线癌深度1. 5n1mt第计长度≥1/4 周长深度不得品带线,累许长度1/5尚长深度不得见帝线
直径感10mm数量需4个
深度2nru.案计长度1/4周院
宽度≤醛 3mm,数量多3 处
附录B
(标准的附来)
抽样和检验规则
不合格分类
R1 轮胎产品由生产厂检验部门进行检验。出一产昂成符合本标痒规定,并谢有产显质量合格证。出厂检验以每次交货批处个检查批。B2检验分类
2.下轮胎产品的验分出厂检验(交收检验)和型式检验(例行检验):B2.2、出!检验项口为外观质量检查,型式检验项目包括产品尺可检存及产品性能检径。2.3如有下列悄况之一者,应进行型式检验:一润期性检查;
生产定型检查;
-一批塔生产检查:
复产检查:
GB/T 17021997
1艺源材料行较大变动时的检查;.…国家质其监督机构的检查。
H3产品出厂检验的检查程序和检企实施·接CB2828中第3帝和第4亨的规定进行。B3.1外观质母不合格分类见附录A(标准的附录).B3.2采川正常捡·次抽样方案,股检查水平 Ⅱ。R3. 3 合路质基水为: A 炎 AQL值 1. 9;B类 AQL值 2. 5:C类 AQL值 4. 0.B4产品型式验的检查程序和检查实施,按GB 2829 中第 3 章,第 1 章的规定进行,B4.1检查周期和相应检含项月:进行用期检查的产品其外观质量必须领合格;轮胎的规格尺寸检在周期为3个月:表1中的1、2.31、6项和表2中的.2,3.1,6项对每个代表规格产品其检查周期为1个片1-表1中的5.7,8.9项剂表2中的5,7项,对每个代表规格~品·其检查周期为6个月。B4.2采用·次描样检验方案,判别水平Ⅱ,B4. 3 不合格质量水平(RQI. 征)为10,B5检验后的处置
出!检验(交收检验)后的处暨按GB2828中4.12条有关规延执行.型式检验后的处按(B2829中1.12有美规定执行,
R6转移规则
接(B2828中4.6.3条有关规定执行、附录c
(提示的附录)
运输和贮存
1运输
[1.1运箍轮跆时应避免日栖丽琳,C1.2禁止将轮胎与油类、易燃及化学魔蚀等物品改在一起运输。心1. 3运输途中应防止轮胎避受机械损伤。C2购存
(2.1禁正露关有效轮胎,避免阳光照射。库房室温在15C~~~35℃,相对题度不人180不。2.2刀车轮胎堆放,可以平放或首堆放,位堆成的高度,不应有瑕产品的质景。每哚轮购「不应放其他物品,每4个至少倒垛一次。C2.3禁止将轮胎与油类、易燃及化学腐蚀性等物品存放在·起,并远离热源。c2. 4 轮胎应有放在离地面 200mm 以上的垫板上,并不应罪墙。[.2.5轮胎的发货成按进货日期顺序进行在遵守本忙存条件下贮存期白出」日起不超过1年
小提示:此标准内容仅展示完整标准里的部分截取内容,若需要完整标准请到上方自行免费下载完整标准文档。
本称准极据口本下业标混JISK 63021991自行车轮胎》,继合我国国情,延续前版标催名称』年轮略。
本标准; JIS K 6302 1991 比较,增加了产品的仙样、检验规则、标,包装、这输和吡存要求+F将胎侧耐臭氧老化测试项用调整为适个我国轮胎产品实际使用条件的胎面胶磨耗测试项闻·并将载重型力年轮始扯断伸长率从300%商到100%。本标准与前版标准上要不同总将产品规格尺寸删除,编人GB/T73771997\力车轮胎系列”。J十要性能指标值较前版消有提高。将外规要求继人附录求A(标准的附录);抽样和检验规则编人附求B(标准的网录):运输和购存缩人附来(提示的附录)。
本标准从尘效之I起,同时代替GB/T 1702—92。本标准出中华人民共和国化学工业部提出。本标准内个因轮胎轮标准化技术委员会归!,本桥起草单位:上海中南橡鞍!本标主要起草人:豆启元、蔡树牵、潘韬御、容家、居灡本标准1979 伴0月首次放布(化学1.业部部标准1IG4 232-75提Ⅱ)J:1986 年1川等欢修
辽,于1992年1月第二次修订、
术标泄委托全国轮胎轮标泄化技术委员会库托车白行军轮胎轮捆标:化分技术委员会负点确范围
中华人民共和国国家标准
力车轮
Cyele lyres
GR/T 1702
/T 1702H2
本标谁规定了力车轮胎的产品要求、拥样愉验刻则、试验方法,标感,包装塔输有坚存。本标准迟用GB/77377所规宗的充《轮胎本标滩不适用}管式赛轮胎和非究气轮胎,2引用标准
下列标准所他含的条文,证过在术标滩中引用通构成为个标凝的条文。本标维尚版所,所示版本均为有效。所有标准都会被修订,使用木标游的各方成探讨使用下划标准最新版本用可能件。GI/T528·92硫化橡胶和热塑橡咬挖伸性能的测定GB/T 1689.---82(89)
硫化像胶能渐性能的泄是(川阿克磨基机)GR 2828--87
逐批检香计数抛样程序及拍样装(适!在纹批的检件)GB 282987
GB/T 7377
周期检查计数捕样程序及掘样表(点用卡生产过程稳证性纳检率)1997
力作轮胎系列
GR/T 9749---88
力车轮胎强度性能试验方法
GB/T 9762---88
GB/T 9763---88
才车轮胎久性能试验方法(转鼓法)力车轮胎脱圈水压试验行法
GH9863·88植化橡胶样品和试样的制备3定义
3.1轮胎须危在120kg以下扑为作载重型,3.2轮胎负荷量代120kg及共以上者为载计型,4类型图示
4.1性迅(55)轮胎测图1
4.2钩近(HIB)轮胎见图2.
4.3软边(BE)轮阶见图3。
国家技术监替局1997-09-10批准1998-02-01实施
5要求
图立达(SS)轮:断而
5.1轮胎的规格尺寸和基,本参数CB/T 1702- 1997
图 2 构边([113)羚哈断而
图3软迅(BE)轮价断面
轮胎的规格尺寸和基本参数应符告(B/T7377的规定5.2外
轮胎安装在符合GB/7377战祺尚双方商定的轮剩上,月测时不得有明最的摆动,轮胎的外观质要求鼠附录A(标准的附录)。
5.3轮胎性能应符合表1或2的规定,表!非载重轮拍性能
拉你迎疫.MPa
址断伸长率,环
磨托m
哈片胶的到与曲性能
解的抗张强
许行的航断都度kN
合度,kNm
抢而拉控伸试范
!验面磨耗试验
谢经风张察方试验
资布航张强理试验
培命保度试验
性能指标
非色轮临
碧负轻新
歌通抢胎
白效,伪迎纶聪
新通胶与有限
布语马有房
无折致
!试验条款
轮胎抗脱关强度-kPa
机床试监里释,kn
1) 脂面胶磨耗试验行程 1. 61km序
拉伸湿度,MA
耻断仲长争,
胺格 vcETE
的环胶的剂变性能
饲丝围的抗张张,kN
审非的址断血度,kN/m
格强度.kN/m
划能,
1)胎而胶率试验行恶1. 61k
6抽样和检验规则
GB/F 1702: 1997
续表1
脱围水下试验
耐久性能试验
灶能指标
直37(或1.375)以下
到边37(或1.876)其
以 1., 47 (或 1.75)
名义以下
;数日:17或1.75)及其以wwW.bzxz.Net
表2载重型轮胎性能
胎面胶拉伸就验
眙面胶磨耗试验1
胎胶声由试验
钢丝图抗张强力试验
帘布抗张塑度试验
粘合强度试监
胎体湿度试验
抑拌和检验规测延附录标准的附录),了试验方法
7.1轮胎外缘尺的测
18及其以下
26---25
26及其以F
性能指标
款边轮验
直还,约这轮胎
2(或)极
其以下
2(或 673以
胎面胶与作层
布尽步布层
无折激
名义2:5(或G7)及2PR
折面其以下
2(或 67)以
试验条款
试验条款
. 20. C
GB/T 1702-1997
轮胎外缘尺下的测定方法,按GB/T7377的规定进行。7. 2 胎而胶拉伸试验
7.2.1试验接GB/T528规延进行,采用2号裁刀7.2.2试样制备
a)在始冠或胎侧中部沿纵向划取不少于5个试样;b)情况特殊而不能取标准试样时,试样类持部分可按实际情况决定。7.2.3非裁重型轮胎胎面胶的测定,若取样困难,按(l9865用胎面胶料制成标准试样进行试验、7. 3 胎血胶磨耗试验
7.3. 1力轮胎胎面胶磨耗量测定按 GB/T 1689 的规定进行。7.3.2试样制备
a) 在轮胎胎冠中心部位,沿纵问划取觉约 1.3mm 到20mm 长约 250mm 的试样,胎冠花纹特殊而不能按规定位置韧取试样时,可不在此限,供应从冠部切取;b)切取的试样在砂轮上打厚2.(mm+0.2mm。7.3.3胎面皎试祥胎冠胶为磨面。7.3.4若取样有困雄.则可按GH9863川胎血料制成标准试样逊行试验,7.4胎开胺弯曲试验
从试验胎上切取长为1(>m虹的胎耳胶条作试样,并将胎环胶条上的胶布剂去,试样底部中段与根直径为[mum的圆棒垂接愈,绕圆棒缓焕地弯成直拍,静置1min后,检查是否发生折裂,试验在试验室条件下进行。
7.5钢丝网抗张强力试验
在胎圈部位裁取段长约200mm的钢丝,川精确度为上2的拉力试验机,在空温下进行试验,拉丹机的下降速度为25mm/min,如果试样是在单根钢丝上裁取的·成使其接头部位处十试样山心部位;如果在两根以上的钢丝圈上裁取,则抽取其中「械进行试验,其试恰侦计算应乘以根数。试验结果应取2个试样的平均俏,
7.6抗张强度试验
从轮胎胎冠对应部位,顺第一层带布径问,制取究度为1OIMI的试片,使川帝线拉力试验机、布拉力试验机或像胶拉力试验机进行试验,试验企试验率案件下进行,找仲述度为2001m/mi1~300nm/min,试验夹具间距应在20mm 以上。A,B法任避,A法:试验中所有带线用时扯断时的值为S,按式(1)计算扯断强度。试验结果取3个试样的平均值。
式中:
扯断强度.kN/m:
S-—-排:断力测定值+N;
试样宽度.mm
实际晨数:
层饭、
(1)
R法:测定宽度10mm试样的单报线扯断力,序求出样的扯断力总利、按式<2)求址断强度。试验结果以三个试样谢定的平均值表示,sP
t=,×PR
排断强度,kN/a;
单根线的扯断力总和,N;
b-—试样宽度,mm;
--—实际层数:
PR层级。
7.7粘介强度试验
7.7.1胎面胶与布层间的粘合强度GB/T 1702—1997
从轮胎 1:裁取与胎面胶相连,并与帘布径向平行,宽约15mm 的试样,切去~-端胎圈部位,并在此部位的布层与胎询胶边缘处刹开一段后,可经线成直角取10mm宽的帘布层,撕太两侧多余的帘线及大体削去胎面花纹胶后,即为试片。用橡胶拉力试验机的!夹其夹佳胎侧胶一端,在试验室条件下,拉力机以 25mtn/min 的下降速度进行试验。试验时,要用自动记录装骨记录,求出曲线上各峰顾点的平均值即为粘附强度。试验结果取3个试样的平均值。7.7.2布层与布层间的粘合强度
从轮胎上沿第--是帘布的轻向平行裁取觉度约 20rmm 的试样,在一端剩开一小段,保留 10n1 宽的第·层帘布,撕去两侧多余的帝线,并太体削去胎面花纹胶,按7.7.1方法进行试验,试验时应尽可能不山像胶附于第一层上
其他布与布层间的试样裁取,应是顺内层帘布的径向。7.8胎体强度试验
轮胎的胎体强度试验按(B/T974的规是进行7. 9脱阐水压试验
轮胎的脱圈水乐试验·按GB/T9763的规定进行7.10
谢久性能试验
轮胎的射久性能试验,按 GB/T 9762 的规定进行,8标志、包装,运输和贴存
8.1轮胎应有下列标志:
规格(级为2著可以省略2HR):
中文表示的制造」名,产地和商标;-一-推荐气压和推荐负荷:
“踏比期或代;
-恰验标记
上述行项标志的文字不应小于3mm×3mml8.2包装
包装应符合商品包装的要求,并有科丁运输和些存8.3运输和贮存
运输和存见附录心提示的附录)。9其他
如有特殊要求,可按照本标袜的主婴原则,由供帮双方协商解决。序
缺陷名称
帝布少景或顺层
钙丝(胎H胶)断型
降缔状
拍面接头开裂
帝绽打器
胎变形
無改裂痕
机被损势
胎冠胶边
花纹缺胶
衡缺胶
胎面杂质
汽泡(范痕)
花纹错位
胎不满(或教边)
帝践稀避
GB/T 1702—1997
附录A
(标推的附求)
外观质量要求
轮胎外观质虽
不解线线痕
疏度或10am
消边、衡边轮胎纲丝位移,软边轮胎正胎作lomml长度50mm
探度或1/2 胎例侧胶厚度
许度1. 5r1r 花纹基部不得显线癌深度1. 5n1mt第计长度≥1/4 周长深度不得品带线,累许长度1/5尚长深度不得见帝线
直径感10mm数量需4个
深度2nru.案计长度1/4周院
宽度≤醛 3mm,数量多3 处
附录B
(标准的附来)
抽样和检验规则
不合格分类
R1 轮胎产品由生产厂检验部门进行检验。出一产昂成符合本标痒规定,并谢有产显质量合格证。出厂检验以每次交货批处个检查批。B2检验分类
2.下轮胎产品的验分出厂检验(交收检验)和型式检验(例行检验):B2.2、出!检验项口为外观质量检查,型式检验项目包括产品尺可检存及产品性能检径。2.3如有下列悄况之一者,应进行型式检验:一润期性检查;
生产定型检查;
-一批塔生产检查:
复产检查:
GB/T 17021997
1艺源材料行较大变动时的检查;.…国家质其监督机构的检查。
H3产品出厂检验的检查程序和检企实施·接CB2828中第3帝和第4亨的规定进行。B3.1外观质母不合格分类见附录A(标准的附录).B3.2采川正常捡·次抽样方案,股检查水平 Ⅱ。R3. 3 合路质基水为: A 炎 AQL值 1. 9;B类 AQL值 2. 5:C类 AQL值 4. 0.B4产品型式验的检查程序和检查实施,按GB 2829 中第 3 章,第 1 章的规定进行,B4.1检查周期和相应检含项月:进行用期检查的产品其外观质量必须领合格;轮胎的规格尺寸检在周期为3个月:表1中的1、2.31、6项和表2中的.2,3.1,6项对每个代表规格产品其检查周期为1个片1-表1中的5.7,8.9项剂表2中的5,7项,对每个代表规格~品·其检查周期为6个月。B4.2采用·次描样检验方案,判别水平Ⅱ,B4. 3 不合格质量水平(RQI. 征)为10,B5检验后的处置
出!检验(交收检验)后的处暨按GB2828中4.12条有关规延执行.型式检验后的处按(B2829中1.12有美规定执行,
R6转移规则
接(B2828中4.6.3条有关规定执行、附录c
(提示的附录)
运输和贮存
1运输
[1.1运箍轮跆时应避免日栖丽琳,C1.2禁止将轮胎与油类、易燃及化学魔蚀等物品改在一起运输。心1. 3运输途中应防止轮胎避受机械损伤。C2购存
(2.1禁正露关有效轮胎,避免阳光照射。库房室温在15C~~~35℃,相对题度不人180不。2.2刀车轮胎堆放,可以平放或首堆放,位堆成的高度,不应有瑕产品的质景。每哚轮购「不应放其他物品,每4个至少倒垛一次。C2.3禁止将轮胎与油类、易燃及化学腐蚀性等物品存放在·起,并远离热源。c2. 4 轮胎应有放在离地面 200mm 以上的垫板上,并不应罪墙。[.2.5轮胎的发货成按进货日期顺序进行在遵守本忙存条件下贮存期白出」日起不超过1年
小提示:此标准内容仅展示完整标准里的部分截取内容,若需要完整标准请到上方自行免费下载完整标准文档。
标准图片预览:





- 其它标准
- 热门标准
- 国家标准(GB)
- GB29140-2024 纯碱单位产品能源消耗限额
- GB/T29633.4-2020 南极地名 第4部分:罗马字母拼写
- GB15193.5-2003 骨髓细胞微核试验
- GB/T43225-2023 空间物体登记要求
- GB/T42970-2023 半导体集成电路 视频编解码电路测试方法
- GB/T18721.4-2024 印刷技术 印前数据交换 第4部分:显示用宽色域标准彩色图像数据 [Adobe RGB (1998)/SCID]
- GB5237.3-2008 铝合金建筑型材 第3部分:电泳涂漆型材
- GB/T15773-1995 水土保持综合治理 验收规范
- GB/T15412-1994 应用电视摄像机云台通用技术条件
- GB28129-2011 乙羧氟草醚原药
- GB30530-2024 二甲基硅氧烷单位产品能源消耗限额
- GB/T9771.6-2020 通信用单模光纤 第6部分:宽波长段 光传输用非零色散单模光纤特性
- GB14287.4-2014 电气火灾监控系统 第4部分:故障电弧探测器
- GB/T5750.13-2006 生活饮用水标准检验方法 放射性指标
- GB1913.2-1990 漂白浸渍绝缘纸
- 行业新闻
请牢记:“bzxz.net”即是“标准下载”四个汉字汉语拼音首字母与国际顶级域名“.net”的组合。 ©2025 标准下载网 www.bzxz.net 本站邮件:bzxznet@163.com
网站备案号:湘ICP备2025141790号-2
网站备案号:湘ICP备2025141790号-2