- 您的位置:
- 标准下载网 >>
- 标准分类 >>
- 国家标准(GB) >>
- GB/T 1697-2001 硬质橡胶冲击强度的测定
标准号:
GB/T 1697-2001
标准名称:
硬质橡胶冲击强度的测定
标准类别:
国家标准(GB)
标准状态:
已作废-
发布日期:
2001-08-28 -
实施日期:
2002-05-01 -
作废日期:
2007-09-29 出版语种:
简体中文下载格式:
.rar.pdf下载大小:
105.58 KB
标准ICS号:
橡胶和塑料工业>>83.060橡胶中标分类号:
化工>>合成材料>>G34合成橡胶基础标准与通用方法
替代情况:
替代GB/T 1697-1982;调整为HG/T 3845-2006采标情况:
EQV ГОСТ 258:1975(1990)
点击下载
标准简介:
标准下载解压密码:www.bzxz.net
本标准规定了用具有一定位能的摆锤冲击试样,测定硬质橡胶折断时所消耗能的方法。本标准适用于耐介质、耐电、耐热、耐冲击等硬质橡胶。 GB/T 1697-2001 硬质橡胶冲击强度的测定 GB/T1697-2001
部分标准内容:
GB/T1697—2001
本标准等效采用FOCT258一1975(1990)《用摆锤式冲击试验机测定硬质橡胶强度的方法》,对GB/T1697-1982《硬质橡胶抗冲击强度试验方法》进行修订。本标准与GB/T1697—1982的主要技术差异为:增加了试验仪器的允许公差,能量损失及摆锤范围。根据验证测试数据,对试验结果的取值方法进行了修改,规定试验结果以中位数表示。本标准与『OCT258-1975(1990)的差异:本标准无非标准试样的规定,取值方法与之不同。本标准自实施之日起,代替GB/T1697-—1982。本标准由国家石油和化学工业局提出。本标准由全国橡标委橡胶通用物理试验方法分技术委员会归口。本标准起草单位:沈阳第四橡胶厂。本标准主要起草人:张岩、脱锐、贺红艳,本标准于1979年10月首次发布,1982年3月第一次修订。139
中华人民共和国国家标准
硬质橡胶冲击强度的测定
Ebonite--Determination of impact strengthGB/T1697-2001
代替GB/T1697-1982
警告:使用本标准的人员应熟悉正规实验室操作规程。本标准无意涉及因使用本标准可能出现的所有安全问题。制定相应的安全和健康制度并确保符合国家法规是使用者的责任。1范围
本标准规定了用具有一定位能的摆锤冲击试样,测定硬质橡胶折断时所消耗能的方法。本标准适用于耐介质、耐电、耐热、耐冲击等硬质橡胶。2 引用标准
下列标准所包含的条文,通过在本标准中引用而构成为本标准的条文。本标准出版时,所示版本均为有效。所有标准都会被修订,使用本标准的各方应探讨使用下列标准最新版本的可能性,GB/T2941--1991橡胶试样环境调节和试验的标准温度、湿度及时间(eqvISO471:1983)3定义
本标准采用下列定义。
3.1硬质橡胶ebonite
是在橡胶中加人硫磺和其他配合剂,经硫化制造成的一种硬质材料,由于大量硫化剂的作用使它具有较高的硬度。
3.2冲击强度 impact strength
使试样受具有一定位能的摆锤冲击而折断,测定试样折断时所消耗的能量,计算出冲击破坏时的强度。
4试验仪器
4.1试验应在试样可以自由地安置于两支座上的摆锤式冲击试验机上进行。4.2摆锤式冲击试验机应满足下列条件:4.2.1A型试验机(见图1),摆锤锤头倾角为30°±1曲率半径为2.0mm士0.5mm,支架倾角水平方向为5°±1°,垂直方向为10°士1°,支点曲率半径为1.0mm士0.5mm。B型试验机(见图2)摆锤锤头倾角为45°士1°,曲率半径为3.0mm土0.5mm,支架倾角为15°士1°,支点曲率半径为3.0mm±0.5mm。两试验机的试验结果不可比较。中华人民共和国国家质量监督检验检疫总局2001-08-28批准140
2002-05-01实施
(5±1)
R1.0±0.5
(10±1)
R3.0±0.5
GB/T1697—2001
R2.0±0.5
(10±1)
1一摆锤,2一试样,3一支点
图1A型试验机
1摆锤,2-试样:3-支点
图2B型试验机
(5±1)°
R1.0±0.5
R3.0±0.5
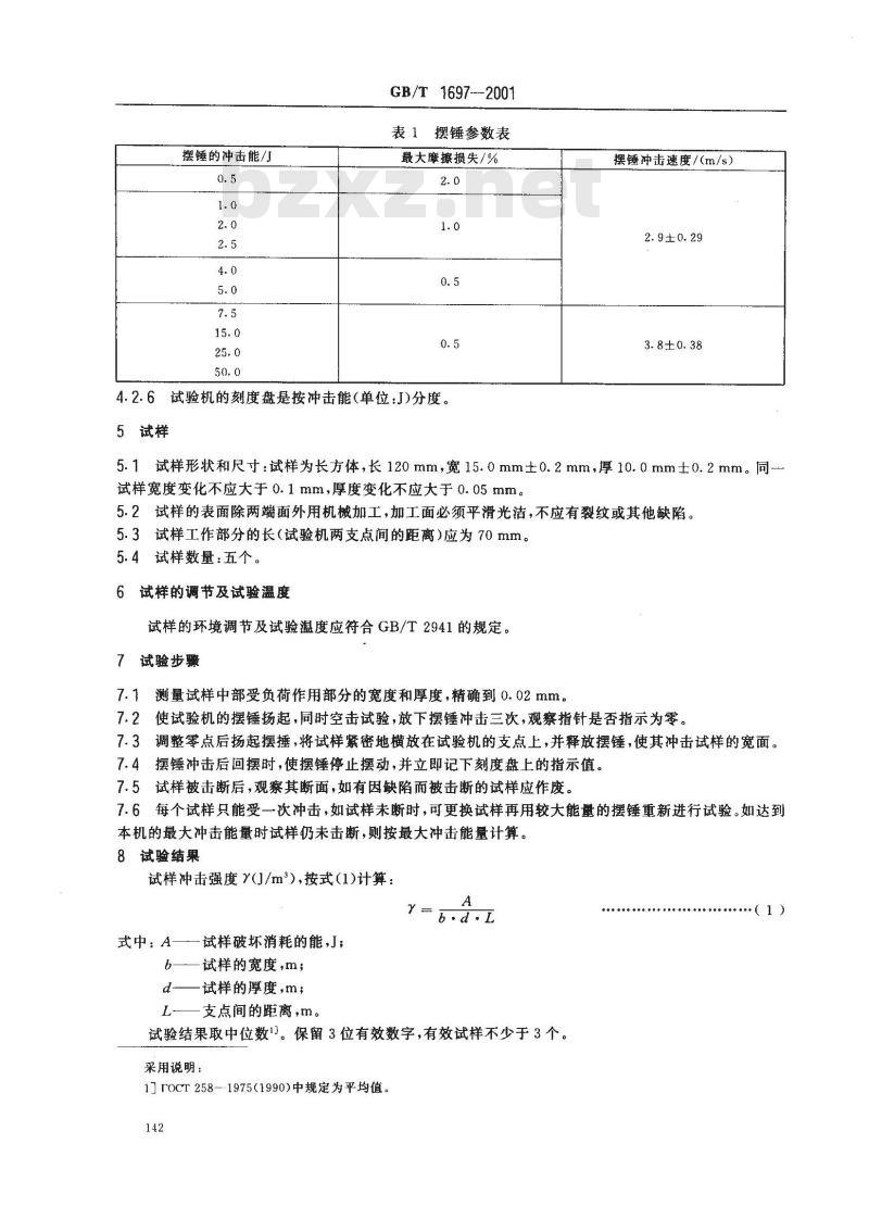
4.2.2为保证试样可以在摆锤最小势能下被折断,试样中心对摆锤锤头的安装误差不应大于0.5mm。4.2.3冲击时,摆锤的锤头应与试样的整个宽度相接触。接触线应与试样纵轴垂直,误差不大于1.8°。4.2.4试验机须有各种不同冲击能量的摆锤,用以试验各种不同材质的试样。各种摆锤的冲击能、速度及最大摩擦损失见表1。
4.2.5在选择摆锤时,其冲击能使试样破坏时,能量消耗应在10%~80%之间。在几种摆锤进行选择时,应选用能量大的。不同冲击能量的摆锤,测得结果不能相比。141
摆锤的冲击能/
GB/T1697--2001
表1摆锤参数表
最大摩擦损失/%
4.2.6试验机的刻度盘是按冲击能(单位:J)分度5试样
摆锤冲击速度/(m/s)
2.9±0.29wwW.bzxz.Net
3.8±0.38
5.1试样形状和尺寸:试样为长方体,长120mm,宽15.0mm±0.2mm,厚10.0mm士0.2mm。同一试样宽度变化不应大于0.1mm厚度变化不应大于0.05mm。5.2试样的表面除两端面外用机械加工,加工面必须平滑光洁,不应有裂纹或其他缺陷。5.3试样工作部分的长(试验机两支点间的距离)应为70mm。5.4试样数量:五个。
6试样的调节及试验温度
试样的环境调节及试验温度应符合GB/T2941的规定。7 试验步骤
7.1测量试样中部受负荷作用部分的宽度和厚度,精确到0.02mm。7.2
使试验机的摆锤扬起,同时空击试验,放下摆锤冲击三次,观察指针是否指示为零。7.3调整零点后扬起摆捶,将试样紧密地横放在试验机的支点上,并释放摆锤,使其冲击试样的宽面。摆锤冲击后回摆时,使摆锤停止摆动,并立即记下刻度盘上的指示值。7.4
7.5试样被击断后,观察其断面,如有因缺陷而被击断的试样应作废。7.6每个试样只能受一次冲击,如试样未断时,可更换试样再用较大能量的摆锤重新进行试验。如达到本机的最大冲击能量时试样仍未击断,则按最大冲击能量计算。8试验结果
试样冲击强度Y(J/m2),按式(1)计算:y
式中:A一一试样破坏消耗的能,J;b——试样的宽度,m;
d—试样的厚度,m;
支点间的距离,m。
试验结果取中位数。保留3位有效数字,有效试样不少于3个。采用说明:
1rOCT258-1975(1990)中规定为平均值。142
................( 1 )
试验报告
试验报告应包括下列内容:
a)本标准编号或名称;
b)所使用的试验机类型(A或B);c)样品的名称或代号;
d)试验环境;
e)硫化条件;
f)试验结果;
g)试验日期;
h)试验者;
i)审核者。
GB/T 1697--2001
小提示:此标准内容仅展示完整标准里的部分截取内容,若需要完整标准请到上方自行免费下载完整标准文档。
本标准等效采用FOCT258一1975(1990)《用摆锤式冲击试验机测定硬质橡胶强度的方法》,对GB/T1697-1982《硬质橡胶抗冲击强度试验方法》进行修订。本标准与GB/T1697—1982的主要技术差异为:增加了试验仪器的允许公差,能量损失及摆锤范围。根据验证测试数据,对试验结果的取值方法进行了修改,规定试验结果以中位数表示。本标准与『OCT258-1975(1990)的差异:本标准无非标准试样的规定,取值方法与之不同。本标准自实施之日起,代替GB/T1697-—1982。本标准由国家石油和化学工业局提出。本标准由全国橡标委橡胶通用物理试验方法分技术委员会归口。本标准起草单位:沈阳第四橡胶厂。本标准主要起草人:张岩、脱锐、贺红艳,本标准于1979年10月首次发布,1982年3月第一次修订。139
中华人民共和国国家标准
硬质橡胶冲击强度的测定
Ebonite--Determination of impact strengthGB/T1697-2001
代替GB/T1697-1982
警告:使用本标准的人员应熟悉正规实验室操作规程。本标准无意涉及因使用本标准可能出现的所有安全问题。制定相应的安全和健康制度并确保符合国家法规是使用者的责任。1范围
本标准规定了用具有一定位能的摆锤冲击试样,测定硬质橡胶折断时所消耗能的方法。本标准适用于耐介质、耐电、耐热、耐冲击等硬质橡胶。2 引用标准
下列标准所包含的条文,通过在本标准中引用而构成为本标准的条文。本标准出版时,所示版本均为有效。所有标准都会被修订,使用本标准的各方应探讨使用下列标准最新版本的可能性,GB/T2941--1991橡胶试样环境调节和试验的标准温度、湿度及时间(eqvISO471:1983)3定义
本标准采用下列定义。
3.1硬质橡胶ebonite
是在橡胶中加人硫磺和其他配合剂,经硫化制造成的一种硬质材料,由于大量硫化剂的作用使它具有较高的硬度。
3.2冲击强度 impact strength
使试样受具有一定位能的摆锤冲击而折断,测定试样折断时所消耗的能量,计算出冲击破坏时的强度。
4试验仪器
4.1试验应在试样可以自由地安置于两支座上的摆锤式冲击试验机上进行。4.2摆锤式冲击试验机应满足下列条件:4.2.1A型试验机(见图1),摆锤锤头倾角为30°±1曲率半径为2.0mm士0.5mm,支架倾角水平方向为5°±1°,垂直方向为10°士1°,支点曲率半径为1.0mm士0.5mm。B型试验机(见图2)摆锤锤头倾角为45°士1°,曲率半径为3.0mm土0.5mm,支架倾角为15°士1°,支点曲率半径为3.0mm±0.5mm。两试验机的试验结果不可比较。中华人民共和国国家质量监督检验检疫总局2001-08-28批准140
2002-05-01实施
(5±1)
R1.0±0.5
(10±1)
R3.0±0.5
GB/T1697—2001
R2.0±0.5
(10±1)
1一摆锤,2一试样,3一支点
图1A型试验机
1摆锤,2-试样:3-支点
图2B型试验机
(5±1)°
R1.0±0.5
R3.0±0.5
4.2.2为保证试样可以在摆锤最小势能下被折断,试样中心对摆锤锤头的安装误差不应大于0.5mm。4.2.3冲击时,摆锤的锤头应与试样的整个宽度相接触。接触线应与试样纵轴垂直,误差不大于1.8°。4.2.4试验机须有各种不同冲击能量的摆锤,用以试验各种不同材质的试样。各种摆锤的冲击能、速度及最大摩擦损失见表1。
4.2.5在选择摆锤时,其冲击能使试样破坏时,能量消耗应在10%~80%之间。在几种摆锤进行选择时,应选用能量大的。不同冲击能量的摆锤,测得结果不能相比。141
摆锤的冲击能/
GB/T1697--2001
表1摆锤参数表
最大摩擦损失/%
4.2.6试验机的刻度盘是按冲击能(单位:J)分度5试样
摆锤冲击速度/(m/s)
2.9±0.29wwW.bzxz.Net
3.8±0.38
5.1试样形状和尺寸:试样为长方体,长120mm,宽15.0mm±0.2mm,厚10.0mm士0.2mm。同一试样宽度变化不应大于0.1mm厚度变化不应大于0.05mm。5.2试样的表面除两端面外用机械加工,加工面必须平滑光洁,不应有裂纹或其他缺陷。5.3试样工作部分的长(试验机两支点间的距离)应为70mm。5.4试样数量:五个。
6试样的调节及试验温度
试样的环境调节及试验温度应符合GB/T2941的规定。7 试验步骤
7.1测量试样中部受负荷作用部分的宽度和厚度,精确到0.02mm。7.2
使试验机的摆锤扬起,同时空击试验,放下摆锤冲击三次,观察指针是否指示为零。7.3调整零点后扬起摆捶,将试样紧密地横放在试验机的支点上,并释放摆锤,使其冲击试样的宽面。摆锤冲击后回摆时,使摆锤停止摆动,并立即记下刻度盘上的指示值。7.4
7.5试样被击断后,观察其断面,如有因缺陷而被击断的试样应作废。7.6每个试样只能受一次冲击,如试样未断时,可更换试样再用较大能量的摆锤重新进行试验。如达到本机的最大冲击能量时试样仍未击断,则按最大冲击能量计算。8试验结果
试样冲击强度Y(J/m2),按式(1)计算:y
式中:A一一试样破坏消耗的能,J;b——试样的宽度,m;
d—试样的厚度,m;
支点间的距离,m。
试验结果取中位数。保留3位有效数字,有效试样不少于3个。采用说明:
1rOCT258-1975(1990)中规定为平均值。142
................( 1 )
试验报告
试验报告应包括下列内容:
a)本标准编号或名称;
b)所使用的试验机类型(A或B);c)样品的名称或代号;
d)试验环境;
e)硫化条件;
f)试验结果;
g)试验日期;
h)试验者;
i)审核者。
GB/T 1697--2001
小提示:此标准内容仅展示完整标准里的部分截取内容,若需要完整标准请到上方自行免费下载完整标准文档。
标准图片预览:





- 其它标准
- 热门标准
- 国家标准(GB)
- GB/T30917—2014 /ISo 29941:2010 天然胶乳橡胶避孕套中可迁移亚硝胺的测定
- GB/T12777-1999 金属波纹管膨胀节通用技术条件
- GB15193.5-2003 骨髓细胞微核试验
- GB/T29633.4-2020 南极地名 第4部分:罗马字母拼写
- GB/T39964-2021 造纸行业能源管理体系实施指南
- GB/T43929-2024 空间用纤维光学器件测试指南
- GB29140-2024 纯碱单位产品能源消耗限额
- GB/T42970-2023 半导体集成电路 视频编解码电路测试方法
- GB/T43225-2023 空间物体登记要求
- GB/T4074.3-1999 绕组线试验方法 第3部分:机械性能
- GB15985-1995 丝虫病诊断标准及处理原则
- GB19159-2003 车用液化石油气
- GB/T5515-1985 粮食、油料检验 粗纤维素测定法
- GB/T7407-1997 中国及世界主要海运贸易港口代码
- GB/T10599-1998 多绳摩擦式提升机
- 行业新闻
请牢记:“bzxz.net”即是“标准下载”四个汉字汉语拼音首字母与国际顶级域名“.net”的组合。 ©2025 标准下载网 www.bzxz.net 本站邮件:bzxznet@163.com
网站备案号:湘ICP备2025141790号-2
网站备案号:湘ICP备2025141790号-2