- 您的位置:
- 标准下载网 >>
- 标准分类 >>
- 国家标准(GB) >>
- GB/T 1696-2001 硬质橡胶弯曲强度的测定
标准号:
GB/T 1696-2001
标准名称:
硬质橡胶弯曲强度的测定
标准类别:
国家标准(GB)
标准状态:
已作废-
发布日期:
2001-08-28 -
实施日期:
2002-05-01 -
作废日期:
2007-09-29 出版语种:
简体中文下载格式:
.rar.pdf下载大小:
85.72 KB
标准ICS号:
橡胶和塑料工业>>83.060橡胶中标分类号:
化工>>合成材料>>G34合成橡胶基础标准与通用方法
替代情况:
替代GB/T 1696-1981;调整为HG/T 3844-2006采标情况:
EQV ГОСТ 255:1990
点击下载
标准简介:
标准下载解压密码:www.bzxz.net
本标准规定了在硬质橡胶两支座间的中心位置施加静力使式样弯曲,对于弯曲强度进行测定的一种方法。本标准适用于耐介质、耐电、耐热、耐冲击等硬质橡胶。 GB/T 1696-2001 硬质橡胶弯曲强度的测定 GB/T1696-2001
部分标准内容:
GB/T1696-2001
本标准等效采用前苏联标准IOCT255-1990《硬质橡胶在静力弯曲下极限强度的测定方法》。本标准根据前苏联标准『OCT255—1990,对GB/T1696—1981《硬质橡胶横向折断强度的测定方法》进行修订。本次修订与前版本的主要差异是:1、将原标准的名称改为硬质橡胶弯曲强度的测定。2.将原标准中用两个公式计算硬质橡胶弯曲强度,改为用一一个公式计算。3.根据验证测试数据,保留了GB/T1696一1981标准中取中位数的规定,这一点不同于IOCT255-1990标准中取平均值的规定。本标准自实施之日起,代替GB/T1696—1981。本标准由国家石油和化学工业局提出。本标准由全国橡标委橡胶通用物理试验方法分技术委员会归口。本标准起草单位:沈阳第四橡胶厂。本标准起草人:全玲、贺红艳。本标准于1979年10月首次发布,1981年11月第一次修订。135
中华人民共和国国家标准
硬质橡胶弯曲强度的测定
Ebonite-Determination of cross breaking strengthGB/T 1696—2001
代替GB/T16961981
警告:使用本标准的人员应熟悉正规实验室操作规程。本标准无意涉及因使用本标准可能出现的所有安全问题。制定相应的安全和健康制度并确保符合国家法规是使用者的责任。1范围
本标准规定了在硬质橡胶两支座间的中心位置施加静力使试样弯曲,对试样弯曲强度进行测定的种方法。
本标准适用于耐介质、耐电、耐热、耐冲击等硬质橡胶。2引用标准
下列标准所包含的条文,通过在本标准中引用而构成为本标准的条文。本标准出版时,所示版本均为有效。所有标准都会被修订,使用本标准的各方应探讨使用下列标准最新版本的可能性。GB/T2941-1991橡胶试样环境调节和试验的标准温度、湿度及时间(egvISO471:1983)3定义
本标准采用下列定义。
3.1硬质橡胶ebonite
是在橡胶中加人硫磺和其他配合剂,经硫化制造成的一种硬质材料,由于大量硫化剂的作用,使它具有较高的硬度。
3.2 弯曲强度 cross breaking strength试样在弯曲至破坏的过程中,所承受的最大弯曲应力。3.3弯曲应力bending stress
试样在弯曲时产生的应力,其值为施加的力所产生最大弯矩值与抗弯矩之比。4试验仪器
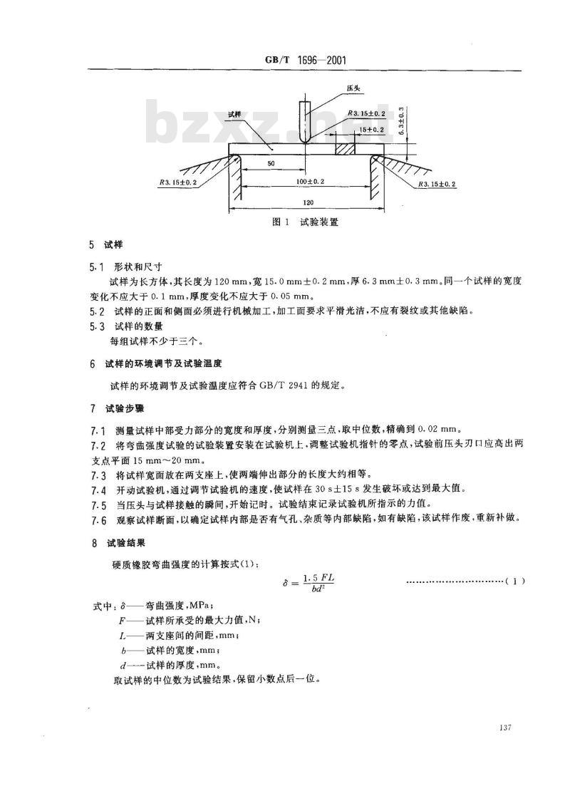
4.1试验机通过试验装置对试样施加作用力,要符合下列要求:4.1.1使用力值在满量程的15%~85%的范围内。4.1.2试验装置的移动速度必须均匀,并使施加的作用力在30s士15s内达到最大值。4.2试验装置见图1所示,由两个支座和一个压头构成。4.2.1支座是由两个坚固的截面三角状的金属支座构成,支座间距离为100.0mm土0.2mm,支座端部的半径为3.15mm士0.20mm,支座宽度应大于试样的宽度。4.2.2压头安装在两支架之间中心点的范围内。压头端半径为3.15mm士0.20mm,宽度应与两支座的宽度相同,支座与压头平行并与试样垂直。中华人民共和国国家质量监督检验检疫总局2001-08-28批准136
2002-05-01实施
5试样
R3.15±0.2
5.1形状和尺寸
GB/T1696—2001
图1试验装置
R3.15±0.2
试样为长方体,其长度为120mm,宽15.0mm士0.2mm,厚6.3mm士0.3mm。同一个试样的宽度变化不应大于0.1mm,厚度变化不应大于0.05mm。5.2试样的正面和侧面必须进行机械加工,加工面要求平滑光洁,不应有裂纹或其他缺陷。5.3试样的数量
每组试样不少于三个。bzxZ.net
6试样的环境调节及试验温度
试样的环境调节及试验温度应符合GB/T2941的规定。7试验步骤
7.1测量试样中部受力部分的宽度和厚度,分别测量三点,取中位数,精确到0.02mm。7.2将弯曲强度试验的试验装置安装在试验机上,调整试验机指针的零点,试验前压头刃口应高出两支点平面15mm~20 mm。
7.3将试样宽面放在两支座上,使两端伸出部分的长度大约相等。7.4开动试验机,通过调节试验机的速度,使试样在30s土15s发生破坏或达到最大值。7.5当压头与试样接触的瞬间,开始记时。试验结束记录试验机所指示的力值。7.6观察试样断面,以确定试样内部是否有气孔、杂质等内部缺陷,如有缺陷,该试样作废,重新补做。试验结果
硬质橡胶弯曲强度的计算按式(1):式中:a-
弯曲强度,MPa;
试样所承受的最大力值,N;
L——两支座间的间距,mm;
试样的宽度,mm;
d—试样的厚度,mm。
取试样的中位数为试验结果,保留小数点后一位。137
试验报告
试验报告应包括下列内容:
a)本标推编号或标谁名称;
b)试样的名称或代号;
c)试验环境;
d)硫化条件;
e)试验结果;
f)试验日期;
g)试验人;
h)审核人。
GB/T 1696--2001
小提示:此标准内容仅展示完整标准里的部分截取内容,若需要完整标准请到上方自行免费下载完整标准文档。
本标准等效采用前苏联标准IOCT255-1990《硬质橡胶在静力弯曲下极限强度的测定方法》。本标准根据前苏联标准『OCT255—1990,对GB/T1696—1981《硬质橡胶横向折断强度的测定方法》进行修订。本次修订与前版本的主要差异是:1、将原标准的名称改为硬质橡胶弯曲强度的测定。2.将原标准中用两个公式计算硬质橡胶弯曲强度,改为用一一个公式计算。3.根据验证测试数据,保留了GB/T1696一1981标准中取中位数的规定,这一点不同于IOCT255-1990标准中取平均值的规定。本标准自实施之日起,代替GB/T1696—1981。本标准由国家石油和化学工业局提出。本标准由全国橡标委橡胶通用物理试验方法分技术委员会归口。本标准起草单位:沈阳第四橡胶厂。本标准起草人:全玲、贺红艳。本标准于1979年10月首次发布,1981年11月第一次修订。135
中华人民共和国国家标准
硬质橡胶弯曲强度的测定
Ebonite-Determination of cross breaking strengthGB/T 1696—2001
代替GB/T16961981
警告:使用本标准的人员应熟悉正规实验室操作规程。本标准无意涉及因使用本标准可能出现的所有安全问题。制定相应的安全和健康制度并确保符合国家法规是使用者的责任。1范围
本标准规定了在硬质橡胶两支座间的中心位置施加静力使试样弯曲,对试样弯曲强度进行测定的种方法。
本标准适用于耐介质、耐电、耐热、耐冲击等硬质橡胶。2引用标准
下列标准所包含的条文,通过在本标准中引用而构成为本标准的条文。本标准出版时,所示版本均为有效。所有标准都会被修订,使用本标准的各方应探讨使用下列标准最新版本的可能性。GB/T2941-1991橡胶试样环境调节和试验的标准温度、湿度及时间(egvISO471:1983)3定义
本标准采用下列定义。
3.1硬质橡胶ebonite
是在橡胶中加人硫磺和其他配合剂,经硫化制造成的一种硬质材料,由于大量硫化剂的作用,使它具有较高的硬度。
3.2 弯曲强度 cross breaking strength试样在弯曲至破坏的过程中,所承受的最大弯曲应力。3.3弯曲应力bending stress
试样在弯曲时产生的应力,其值为施加的力所产生最大弯矩值与抗弯矩之比。4试验仪器
4.1试验机通过试验装置对试样施加作用力,要符合下列要求:4.1.1使用力值在满量程的15%~85%的范围内。4.1.2试验装置的移动速度必须均匀,并使施加的作用力在30s士15s内达到最大值。4.2试验装置见图1所示,由两个支座和一个压头构成。4.2.1支座是由两个坚固的截面三角状的金属支座构成,支座间距离为100.0mm土0.2mm,支座端部的半径为3.15mm士0.20mm,支座宽度应大于试样的宽度。4.2.2压头安装在两支架之间中心点的范围内。压头端半径为3.15mm士0.20mm,宽度应与两支座的宽度相同,支座与压头平行并与试样垂直。中华人民共和国国家质量监督检验检疫总局2001-08-28批准136
2002-05-01实施
5试样
R3.15±0.2
5.1形状和尺寸
GB/T1696—2001
图1试验装置
R3.15±0.2
试样为长方体,其长度为120mm,宽15.0mm士0.2mm,厚6.3mm士0.3mm。同一个试样的宽度变化不应大于0.1mm,厚度变化不应大于0.05mm。5.2试样的正面和侧面必须进行机械加工,加工面要求平滑光洁,不应有裂纹或其他缺陷。5.3试样的数量
每组试样不少于三个。bzxZ.net
6试样的环境调节及试验温度
试样的环境调节及试验温度应符合GB/T2941的规定。7试验步骤
7.1测量试样中部受力部分的宽度和厚度,分别测量三点,取中位数,精确到0.02mm。7.2将弯曲强度试验的试验装置安装在试验机上,调整试验机指针的零点,试验前压头刃口应高出两支点平面15mm~20 mm。
7.3将试样宽面放在两支座上,使两端伸出部分的长度大约相等。7.4开动试验机,通过调节试验机的速度,使试样在30s土15s发生破坏或达到最大值。7.5当压头与试样接触的瞬间,开始记时。试验结束记录试验机所指示的力值。7.6观察试样断面,以确定试样内部是否有气孔、杂质等内部缺陷,如有缺陷,该试样作废,重新补做。试验结果
硬质橡胶弯曲强度的计算按式(1):式中:a-
弯曲强度,MPa;
试样所承受的最大力值,N;
L——两支座间的间距,mm;
试样的宽度,mm;
d—试样的厚度,mm。
取试样的中位数为试验结果,保留小数点后一位。137
试验报告
试验报告应包括下列内容:
a)本标推编号或标谁名称;
b)试样的名称或代号;
c)试验环境;
d)硫化条件;
e)试验结果;
f)试验日期;
g)试验人;
h)审核人。
GB/T 1696--2001
小提示:此标准内容仅展示完整标准里的部分截取内容,若需要完整标准请到上方自行免费下载完整标准文档。
标准图片预览:




- 其它标准
- 热门标准
- 国家标准(GB)
- GB/T30917—2014 /ISo 29941:2010 天然胶乳橡胶避孕套中可迁移亚硝胺的测定
- GB/T12777-1999 金属波纹管膨胀节通用技术条件
- GB15193.5-2003 骨髓细胞微核试验
- GB/T29633.4-2020 南极地名 第4部分:罗马字母拼写
- GB/T39964-2021 造纸行业能源管理体系实施指南
- GB/T43929-2024 空间用纤维光学器件测试指南
- GB29140-2024 纯碱单位产品能源消耗限额
- GB/T42970-2023 半导体集成电路 视频编解码电路测试方法
- GB/T43225-2023 空间物体登记要求
- GB/T4074.3-1999 绕组线试验方法 第3部分:机械性能
- GB15985-1995 丝虫病诊断标准及处理原则
- GB19159-2003 车用液化石油气
- GB/T5515-1985 粮食、油料检验 粗纤维素测定法
- GB/T7407-1997 中国及世界主要海运贸易港口代码
- GB/T10599-1998 多绳摩擦式提升机
- 行业新闻
请牢记:“bzxz.net”即是“标准下载”四个汉字汉语拼音首字母与国际顶级域名“.net”的组合。 ©2025 标准下载网 www.bzxz.net 本站邮件:bzxznet@163.com
网站备案号:湘ICP备2025141790号-2
网站备案号:湘ICP备2025141790号-2