- 您的位置:
- 标准下载网 >>
- 标准分类 >>
- 机械行业标准(JB) >>
- JB/T 8043.1-1999 机床夹具零件及部件 塑料夹具用六角头螺钉
标准号:
JB/T 8043.1-1999
标准名称:
机床夹具零件及部件 塑料夹具用六角头螺钉
标准类别:
机械行业标准(JB)
英文名称:
Hexagon head screws for machine tool fixture parts and components plastic fixtures标准状态:
现行-
发布日期:
1999-08-06 -
实施日期:
2000-01-01 出版语种:
简体中文下载格式:
.rar.pdf下载大小:
42.79 KB
点击下载
标准简介:
标准下载解压密码:www.bzxz.net
JB/T 8043.1-1999 本标准是对 JB/T 8043.1-95《机床夹具零件及部件 塑料夹具用六角头螺钉》的修订,修订时仅按有关规定作了编辑性修改,技术内容没有改变。 本标准规定了螺纹规格为 M12×1.25~M24×1.5 的塑料夹具用六角头螺钉。 本标准于 1981 年以 GB 2256-80 首次发布,于 1991年 4 月 30 日第一次修订为 GB/T 2256-91,于 1996 年 4 调整为 JB/T 8043.1-95。 JB/T 8043.1-1999 机床夹具零件及部件 塑料夹具用六角头螺钉 JB/T8043.1-1999
部分标准内容:
ICS 25. 080. 01
中华人民共和国机械行业标准
机床夹具零件及部件
Theparts and units of jigsand fixtures1999-08-06发布
国家机械工业局
2000-01-01实施
中华人民共和国机械行业标准
机床夹具零件及部件
塑料夹具用六角头螺钉
Theparts and units of jigsand fixturesHexserewforplastiefixturewwW.bzxz.Net
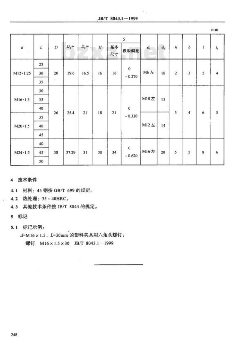
本标准规定了螺纹规格为M12×1.25~M24×1.5的塑料夹具用六角头螺钉。引用标准
JB/T 8043.11999
代替JB/T8043.1—1995
下列标准所包含的条文,通过在本标准中引用而构成为本标准的条文。本标准出版时,所示版本均为有效。所有标准都会被修订,使用本标准的各方应探讨使用下列标准最新版本的可能性。GB/T699—1988
优质碳素结构钢技术条件
JB/T8043.3—1999机床夹具零件及部件塑料夹其用柱塞JB/T8044—1999
3尺寸
机床夹具零件及部件技术要求
尺寸如下图及表所示。
JB/T 8043.3
国家机械工业局1999-08-06批准2000-01-01实施
M12×1.25
4技术条件
4.1材料:45钢按GB/T699的规定。4.2热处理:35~40HRC。
4.3其他技术条件按JB/T8044的规定。5标记
5.1标记示例:
JB/T8043.1-1999
极限偏差
d=M16×1.5、L=30mm的塑料夹具用六角头螺钉:螺钉M16×1.5×30JB/T8043.1—1999248
M10左
M12左
M16左
小提示:此标准内容仅展示完整标准里的部分截取内容,若需要完整标准请到上方自行免费下载完整标准文档。
中华人民共和国机械行业标准
机床夹具零件及部件
Theparts and units of jigsand fixtures1999-08-06发布
国家机械工业局
2000-01-01实施
中华人民共和国机械行业标准
机床夹具零件及部件
塑料夹具用六角头螺钉
Theparts and units of jigsand fixturesHexserewforplastiefixturewwW.bzxz.Net
本标准规定了螺纹规格为M12×1.25~M24×1.5的塑料夹具用六角头螺钉。引用标准
JB/T 8043.11999
代替JB/T8043.1—1995
下列标准所包含的条文,通过在本标准中引用而构成为本标准的条文。本标准出版时,所示版本均为有效。所有标准都会被修订,使用本标准的各方应探讨使用下列标准最新版本的可能性。GB/T699—1988
优质碳素结构钢技术条件
JB/T8043.3—1999机床夹具零件及部件塑料夹其用柱塞JB/T8044—1999
3尺寸
机床夹具零件及部件技术要求
尺寸如下图及表所示。
JB/T 8043.3
国家机械工业局1999-08-06批准2000-01-01实施
M12×1.25
4技术条件
4.1材料:45钢按GB/T699的规定。4.2热处理:35~40HRC。
4.3其他技术条件按JB/T8044的规定。5标记
5.1标记示例:
JB/T8043.1-1999
极限偏差
d=M16×1.5、L=30mm的塑料夹具用六角头螺钉:螺钉M16×1.5×30JB/T8043.1—1999248
M10左
M12左
M16左
小提示:此标准内容仅展示完整标准里的部分截取内容,若需要完整标准请到上方自行免费下载完整标准文档。
标准图片预览:



- 热门标准
- 机械行业标准(JB)
- JB/T9396-1999 环块磨损试验机 技术条件
- JB/T6664.2-1993 自吸泵 技术条件
- JB/T7732.1-1995 地膜覆盖机 技术条件
- JB/T7422.2-1999 立式内圆珩磨机 精度检验
- JB/T7665-1995 通用机械噪声声功率级现场测定 声强法
- JB/T9272-1999 氨压力表
- JB/T7273.8-1994 背面波纹手轮
- JB/T11340.3-2012 阀控式铅酸蓄电池安全阀 第3部分:橡胶帽、阀芯
- JB/T5810-1991 电机磁极线圈及磁场绕组匝间绝缘试验规范
- JB/T450-1992 PN16.0~32.0MPa锻造角式高压阀门、管件、紧固件 技术条件
- JB/T7840-1995 YZRW系列起重及冶金用涡流制动绕线转子三相异步电动机 技术条件
- JB/T8022.1-1999 机床夹具零件及部件 内涨器
- JB/T9014.7-1999 连续输送设备 散粒物料 堆积角的测定
- JB/T1308.8-1999 PN250a 内外螺母型式、尺寸和技术条件
- JB/T9541-1999 家用换气扇用电动机 通用技术条件
- 行业新闻
请牢记:“bzxz.net”即是“标准下载”四个汉字汉语拼音首字母与国际顶级域名“.net”的组合。 ©2025 标准下载网 www.bzxz.net 本站邮件:bzxznet@163.com
网站备案号:湘ICP备2025141790号-2
网站备案号:湘ICP备2025141790号-2