- 您的位置:
- 标准下载网 >>
- 标准分类 >>
- 机械行业标准(JB) >>
- JB/T 8010.6-1999 机床夹具零件及部件 转移动宽头压板
标准号:
JB/T 8010.6-1999
标准名称:
机床夹具零件及部件 转移动宽头压板
标准类别:
机械行业标准(JB)
英文名称:
Machine tool fixture parts and components - Moving wide head clamps标准状态:
现行-
发布日期:
1999-08-06 -
实施日期:
2000-01-01 出版语种:
简体中文下载格式:
.rar.pdf下载大小:
39.74 KB
点击下载
标准简介:
标准下载解压密码:www.bzxz.net
JB/T 8010.6-1999 本标准是对 JB/T 8010.6-95《机床夹具零件及部件 转动宽头压板》的修订,修订时仅按有关规定作了编辑性修改,技术内容没有改变。 本标准规定了适用于螺纹规格为 M8~M24 的转动宽头压板。 本标准于 1981 年以 GB 2180-80 首次发布,于 1991年 4 月 30 日第一次修订为 GB/T 2180-91,于 1996 年 4 调整为 JB/T 8010.6-95。 JB/T 8010.6-1999 机床夹具零件及部件 转移动宽头压板 JB/T8010.6-1999
部分标准内容:
ICS 25. 080. 01
中华人民共和国机械行业标准
机床夹具零件及部件
Theparts and units of jigsand fixtures1999-08-06发布
国家机械工业局
2000-01-01实施
中华人民共和国机械行业标准
机床夹具零件及部件
转动宽头压板
Theparts andunits ofjigsand fixturesTurning broad head.clamp plate本标准规定了适用于螺纹规格为M8~M24的转动宽头压板。2引用标准
JB/T8010.6—1999
代替JB/T 8010.6—1995
下列标准所包含的条文,通过在本标准中引用而构成为本标准的条文。本标准出版时,所示版本均为有效。所有标准都会被修订,使用本标准的各方应探讨使用下列标准最新版本的可能性。GB/T6991988
优质碳素结构钢技术条件
JB/T8044—1999
3尺寸
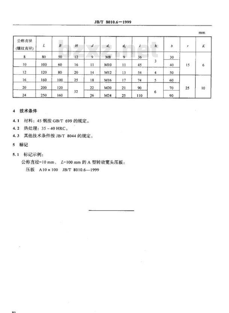
机床夹其零件及部件技术要求
尺寸如下图及表所示。
国家机械工业局1999-08-06批准合
2000-01-01实施
公称直径
(螺纹直径)
技术条件
材料:45钢按GB/T699的规定。
4.2热处理:35-40HRC。
JB/T8010.6-1999bzxZ.net
4.3其他技术条件按JB/T8044的规定。5标记
5.1标记示例:
公称直径=10mm、L=100mm的A型转动宽头压板:压板A10×100JB/T8010.6—199980
小提示:此标准内容仅展示完整标准里的部分截取内容,若需要完整标准请到上方自行免费下载完整标准文档。
中华人民共和国机械行业标准
机床夹具零件及部件
Theparts and units of jigsand fixtures1999-08-06发布
国家机械工业局
2000-01-01实施
中华人民共和国机械行业标准
机床夹具零件及部件
转动宽头压板
Theparts andunits ofjigsand fixturesTurning broad head.clamp plate本标准规定了适用于螺纹规格为M8~M24的转动宽头压板。2引用标准
JB/T8010.6—1999
代替JB/T 8010.6—1995
下列标准所包含的条文,通过在本标准中引用而构成为本标准的条文。本标准出版时,所示版本均为有效。所有标准都会被修订,使用本标准的各方应探讨使用下列标准最新版本的可能性。GB/T6991988
优质碳素结构钢技术条件
JB/T8044—1999
3尺寸
机床夹其零件及部件技术要求
尺寸如下图及表所示。
国家机械工业局1999-08-06批准合
2000-01-01实施
公称直径
(螺纹直径)
技术条件
材料:45钢按GB/T699的规定。
4.2热处理:35-40HRC。
JB/T8010.6-1999bzxZ.net
4.3其他技术条件按JB/T8044的规定。5标记
5.1标记示例:
公称直径=10mm、L=100mm的A型转动宽头压板:压板A10×100JB/T8010.6—199980
小提示:此标准内容仅展示完整标准里的部分截取内容,若需要完整标准请到上方自行免费下载完整标准文档。
标准图片预览:



- 热门标准
- 机械行业标准(JB)
- JB/T7092-1993 银基复层电触头 基本性能测量方法
- JB/T54427-1994 碟形砂轮磨齿机产品质量分等
- JB/T9396-1999 环块磨损试验机 技术条件
- JB2512-1978 组合机床通用部件 多边形中间底座名义尺寸、参数、互换尺寸
- JB3205-1983 轮胎气门芯扳手
- JB/DQ8193.3-1987 PND系列机用线盘 第3部分:钢板冲压卷边机用线盘
- JB/T2960-1999 巷道堆垛起重机 型式与基本参数
- JB/T11459-2013 印刷机械 卷筒料圆压圆烫印机
- JB/T6756.9-1993 电线电缆专用设备检测方法 第9部分:QH系列漆包设备
- JB2513-1978 组合机床通用部件 底座名义尺寸、互换尺寸
- JB872-1966 三极针状放电器
- JB/T3041-2011 组合机床 镗孔车端面头 精度检验
- JB/T11376-2013 聚氯乙烯反射放映软膜
- JB/T5174-1991 喷油嘴偶件 型式及连接尺寸
- JB/T5868-1991 印制绕组直流伺服电动机 通用技术条件
- 行业新闻
请牢记:“bzxz.net”即是“标准下载”四个汉字汉语拼音首字母与国际顶级域名“.net”的组合。 ©2025 标准下载网 www.bzxz.net 本站邮件:bzxznet@163.com
网站备案号:湘ICP备2025141790号-2
网站备案号:湘ICP备2025141790号-2