- 您的位置:
- 标准下载网 >>
- 标准分类 >>
- 机械行业标准(JB) >>
- JB/T 8009.2-1999 机床夹具零件及部件 槽面压块
标准号:
JB/T 8009.2-1999
标准名称:
机床夹具零件及部件 槽面压块
标准类别:
机械行业标准(JB)
英文名称:
Machine tool fixture parts and components groove surface block标准状态:
现行-
发布日期:
1999-08-06 -
实施日期:
2000-01-01 出版语种:
简体中文下载格式:
.rar.pdf下载大小:
43.22 KB
点击下载
标准简介:
标准下载解压密码:www.bzxz.net
JB/T 8009.2-1999 本标准是对 JB/T 8009.2-95《机床夹具零件及部件 槽面压块》的修订,修订时仅按有关规定作了编辑性修改,技术内容没有改变。 本标准规定了适用于螺纹规格为 M6~M24 的槽面压块。 本标准于 1981 年以 GB 2172-80 首次发布,于 1991年 4 月 30 日第一次修订为 GB/T 2172-91,于 1996 年 4 调整为 JB/T 8009.2-95。 JB/T 8009.2-1999 机床夹具零件及部件 槽面压块 JB/T8009.2-1999
部分标准内容:
ICS 25. 080. 01
中华人民共和国机械行业标准
机床夹具零件及部件
Theparts and units of jigsand fixtures1999-08-06发布
国家机械工业局
2000-01-01实施
1范围
中华人民共和国机械行业标准
机床夹具零件及部件
槽面压块
The parts and units of jigs and fixturesGroovefaceclampplate
本标准规定了适用于螺纹规格为M6~M24的槽面压块。2引用标准Www.bzxZ.net
JB/T8009.2—1999
代替JB/T8009.2—1995
下列标准所包含的条文,通过在本标准中引用而构成为本标准的条文。本标准出版时,所示版本均为有效。所有标准都会被修订,使用本标准的各方应探讨使用下列标准最新版本的可能性。GB/T 6991988
GB/T895.1—1986
JB/T 8044—1999
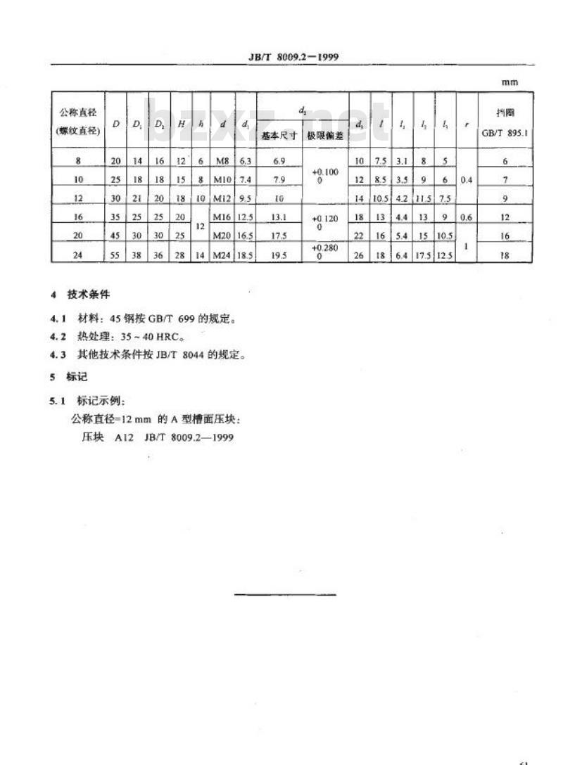
3尺寸
优质碳素结构钢技术条件
孔用钢丝挡圈
机床夹具零件及部件技术要求
尺寸如下图及表所示。
国家机械工业局1999-08-06批准60
GB/T89$+
2000-01-01实旅
公称直径
(螺纹直径)
4技术条件
JB/T8009.2-1999
基本尺寸
4.1材料:45钢按GB/T699的规定。4.2热处理:35~40HRC。
4.3其他技术条件按JB/T8044的规定。5标记
5.1标记示例:
公称直径=12mm的A型槽面压块:压块A12JB/T8009.2—1999
极限偏差
GB/T 895.1
小提示:此标准内容仅展示完整标准里的部分截取内容,若需要完整标准请到上方自行免费下载完整标准文档。
中华人民共和国机械行业标准
机床夹具零件及部件
Theparts and units of jigsand fixtures1999-08-06发布
国家机械工业局
2000-01-01实施
1范围
中华人民共和国机械行业标准
机床夹具零件及部件
槽面压块
The parts and units of jigs and fixturesGroovefaceclampplate
本标准规定了适用于螺纹规格为M6~M24的槽面压块。2引用标准Www.bzxZ.net
JB/T8009.2—1999
代替JB/T8009.2—1995
下列标准所包含的条文,通过在本标准中引用而构成为本标准的条文。本标准出版时,所示版本均为有效。所有标准都会被修订,使用本标准的各方应探讨使用下列标准最新版本的可能性。GB/T 6991988
GB/T895.1—1986
JB/T 8044—1999
3尺寸
优质碳素结构钢技术条件
孔用钢丝挡圈
机床夹具零件及部件技术要求
尺寸如下图及表所示。
国家机械工业局1999-08-06批准60
GB/T89$+
2000-01-01实旅
公称直径
(螺纹直径)
4技术条件
JB/T8009.2-1999
基本尺寸
4.1材料:45钢按GB/T699的规定。4.2热处理:35~40HRC。
4.3其他技术条件按JB/T8044的规定。5标记
5.1标记示例:
公称直径=12mm的A型槽面压块:压块A12JB/T8009.2—1999
极限偏差
GB/T 895.1
小提示:此标准内容仅展示完整标准里的部分截取内容,若需要完整标准请到上方自行免费下载完整标准文档。
标准图片预览:



- 其它标准
- 热门标准
- 机械行业标准(JB)
- JB/T7893.1-1999 立式振动离心机
- JB/T7899-1999 填充聚四氟乙烯软带导轨 技术条件
- JB/T7938-1999 液压泵站油箱公称容量系列
- JB/T1625-2002 工业锅炉焊接管孔
- JB/T7850-1995 手夹快换接头
- JB/T8009.4-1999 机床夹具零件及部件 弧形压块
- JB/T7936-1999 直廓环面蜗杆减速器
- JB/T7939-1999 单活塞杆液压缸两腔面积比
- JB/T7941.2-1995 旋入式圆形油杯
- JB/T7946.2-1999 铸造铝硅合金过烧
- JB/T7925.2-1995 滑动轴承 多层轴承减摩合金硬度检验方法
- JB/T6375-1992 气动阀用橡胶密封圈 尺寸系列和公差
- JB/T7945-1999 灰铸铁机械性能试验方法
- JB/T7966.3-1999 模具铣刀 第 3 部分:莫氏锥柄圆柱形球头立铣刀
- JB/T7946.3-1999 铸造铝合金针孔
- 行业新闻
请牢记:“bzxz.net”即是“标准下载”四个汉字汉语拼音首字母与国际顶级域名“.net”的组合。 ©2025 标准下载网 www.bzxz.net 本站邮件:bzxznet@163.com
网站备案号:湘ICP备2025141790号-2
网站备案号:湘ICP备2025141790号-2