- 您的位置:
- 标准下载网 >>
- 标准分类 >>
- 轻工行业标准(QB) >>
- QB/T 1104-1991 刮脸双面刀架
标准号:
QB/T 1104-1991
标准名称:
刮脸双面刀架
标准类别:
轻工行业标准(QB)
标准状态:
现行-
发布日期:
1991-03-30 -
实施日期:
1991-12-01 出版语种:
简体中文下载格式:
.rar.pdf下载大小:
132.37 KB
中标分类号:
轻工、文化与生活用品>>家用电器、日用机具>>Y62家用清洁、整容器具

点击下载
标准简介:
标准下载解压密码:www.bzxz.net
本标准规定了刮脸双面刀架的产品分类、技术要求、试验方法、检验规则、标志、包装、运输和贮存。本标准适用于装置刮脸双面刀片的刮脸双面刀架(以下简称刀架)。 QB/T 1104-1991 刮脸双面刀架 QB/T1104-1991

部分标准内容:
中华人民共和国轻工行业标准
刮脸双面刀架
1主题内容与适用范围
QB/T 1104—1991
本标准规定了刮脸双面刀架的产品分类、技术要求、试验方法、检验规则、标志、包装、运输和贮存。本标准适用于装置刮脸双面刀片的刮脸双面刀架(以下简称刀架)。2引用标准
GB/T2828逐批检查计数抽样程序及抽样表(适用于连续批的检查)GB/T 2829
周期检查计数抽样程序及抽样表(适用于生产过程稳定性的检查)GB5927轻工产品金属镀层的厚度测试方法计时液流法GB5945轻工产品铝或铝合金氧化处理层的测试方法产品分类
产品品种
产品按结构分为拆装式刀架(C)和旋开式刀架(K)两种。当顶盖、防护片、手柄三个零件拆开时,才能放入或取出刀片的刀架为拆装式刀架;a.
只需旋动手柄、顶盖即可开闭、放入或取出刀片的刀架为旋开式刀架。b.
3.2产品结构
3.2.1拆装式刀架结构及各部名称见图1。3.2.2旋开式刀架结构及各部名称见图2。图1
1—顶盖;2—防护片:3—手柄Www.bzxZ.net
中华人民共和国轻工业部1991-03-30批准图2
1--顶盖;2一定位架3—防护片;4—手柄1991-12-01实施
3.3主要零件基本尺及极限偏差
QB/T11041991
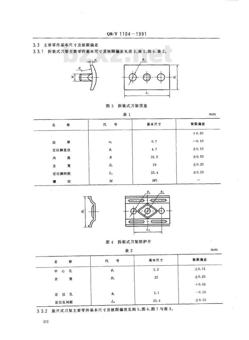
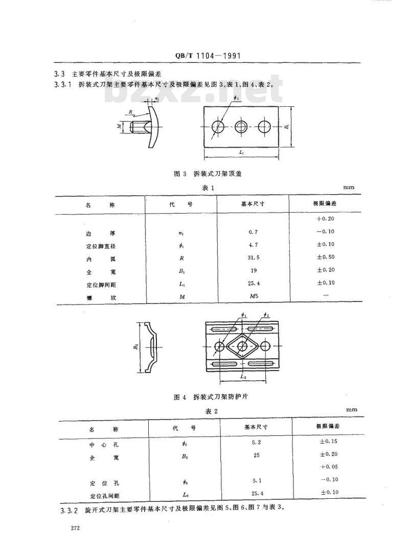
3.3.1拆装式刀架主要零件基本尺寸及极限偏差见图3表1、图4、表2。中
图3拆装武力架预盖
定位脚直毯
定位脚间避
中心孔
定位孔
定位孔间
基本尺寸
图4拆装式力架防护片
基本尺寸
3.3.2旋开式刀架主要零件基本尺寸及极限偏差见图5、图6、图7与表3。272
极限偏差
极限偏差
美美发童
防护片
定位架
3.4产品型号
QB/T 1104--1991
旋开式刀架顶盖
图6旋开式刀架防护片
图7旋开式刀架定位架
代購号
改进序号
品种代号
基本尺寸
-刮脸双面刀架
例:双面拆装式1型刮脸刀架:SC-14技术要求
4.1基本尺寸及极限偏差
刀架主要零件的基本尺寸及极限偏差应符合3.3条的规定。4.2耐温性能
极限偏差
QB/T1104—1991
刀架的非金属件须在耐温试验后不变形。4.3表面处理层
刀架项盖与防护片使用表面的镀镍层厚度应大于等于0.003mm;氧化处理层耐碱度测定的耐碱时间为5s。
4.4装配要求
刀架的紧固连接部位不得松动,活动连接部位应灵活,顶盖与防护片夹紧后缝隙不大于0.1mm。4.5外观质量
4.5.1刀架外观应线条清晰,花纹字迹完整,表面无毛刺及裂纹等缺陷,铝质刀架表面应无起皮、夹灰。4.5.2镀层表面无明显印渍、划伤,不得有起泡、脱落缺陷,氧化表面不得有电腐蚀、电击伤、气隔面、露底和明显水渍。
5试验方法
5.1刀架主要零件的基本尺寸及极限偏差,用游标卡尺及专用量具测量。5.2温试验应在温度为70~~80℃的水中浸泡20min。5.3镀层厚度按GB5927的规定进行;氧化处理层按GB5945中耐碱度滴定法进行。5.4用宽度不大于5mm的塞尺测量刀架顶盖与防护片夹紧缝隙,每边测左、中、右各一点。5.5其他装配要求及外观质量采用手感目测。6检验规则
6.1产品须经制造厂检验合格后方可出厂。6.2产品检验分交收检验和型式检验两种,采用每百单位不合格品数(计件法)检验。6.3交收检验按GB/T2828的规定进行。采用一般检查水平1的一次正常检查抽样方案。6.3.1交收检验的检验项目、不合格分类及合格质量水平见表4。表4
不合格分类
检验项目
装配要求
外观质量
技术要求条文
试验方法条文
合格质量水平(AQL)
6.3.2经交收检验判定为不合格时,该批产品由交货方返工整理后,方可再次提交检验。6.4型式检验按GB/T2829的规定进行。6.4.1型式检验应在下列情况之---时进行。a。新产品或老产品转广生产的定型鉴定;b.正式生产后,当结构、材料、工艺有较大改变,可能影响产品性能时;c,正常生产时,每年不少于一次;d.产品停产半年以上,恢复生产时;e.上级质量监督机构或收货单位提出进行型式检验的要求时。6.4.2型式检验的样本应从经交收检验合格的批中随机抽取,采用一次抽样方案。6.4.3型式检验可按需要选择以下一种方式进行。a.样本从合格批中抽取,按表5项目进行检验;b.样本从合格批中抽取,按表5的部分项目进行检验;c.抽取样本n一13,先按表4项目检验合格后再按表5项目进行检验。6.4.4型式检验项目、不合格分类、判别水平、判定数组、不合格质量水平等见表5。274
检验项目
基本尺寸
耐温性能
表面处理层
技术要求
试验方法
QB/T 1104—-1991
判别水平
不合格分类
不合格质量水平
样本大小
判定组数
6.4.5经型式检验判为不合格时,有下列情况之一并征得上级主管质量部门的许可,可重新进行型式检验。
a因试验设备故障或操作错误而影响检验结果时;b.受检企业提出复验要求时,
c、企业采取必要的纠正措施后。7标志、包装、运输、贮存
7.1标志
7.1.1产品小包装上应有制造厂名、产品名称、产品型号、商标等标志;中包装上除以上标志外,还应有数量标志。
7.1.2产品外包装上应有产品名称、产品型号、制造厂名、出厂日期、数量、重量、体积等标志。7.2包装
每把刀架应有小包装,并按一定数量装纸箱或木箱,并附有合格证,合格证上应有产品型号、产品名称、制造日期、制造厂名、检验员代号。7.3运输
在运输过程中产品应防止剧烈碰撞、重压与淋雨受潮。7.4贮存
产品应贮存在通风干燥的仓库中,周围无腐蚀气体,相对湿度小于80%,箱体应距地面200mm以上。
7.5在符合7.3与7.4条要求时,产品保质期为一年。附加说明:
本标准由轻工业部质量标准司提出。本标准由全国日用五金标准化中心归口。本标准由上海刀片厂负责起草。本标准主要起草人姚晓纯、贾恒明、金立言、王耀兴、孙禧连。275
小提示:此标准内容仅展示完整标准里的部分截取内容,若需要完整标准请到上方自行免费下载完整标准文档。
刮脸双面刀架
1主题内容与适用范围
QB/T 1104—1991
本标准规定了刮脸双面刀架的产品分类、技术要求、试验方法、检验规则、标志、包装、运输和贮存。本标准适用于装置刮脸双面刀片的刮脸双面刀架(以下简称刀架)。2引用标准
GB/T2828逐批检查计数抽样程序及抽样表(适用于连续批的检查)GB/T 2829
周期检查计数抽样程序及抽样表(适用于生产过程稳定性的检查)GB5927轻工产品金属镀层的厚度测试方法计时液流法GB5945轻工产品铝或铝合金氧化处理层的测试方法产品分类
产品品种
产品按结构分为拆装式刀架(C)和旋开式刀架(K)两种。当顶盖、防护片、手柄三个零件拆开时,才能放入或取出刀片的刀架为拆装式刀架;a.
只需旋动手柄、顶盖即可开闭、放入或取出刀片的刀架为旋开式刀架。b.
3.2产品结构
3.2.1拆装式刀架结构及各部名称见图1。3.2.2旋开式刀架结构及各部名称见图2。图1
1—顶盖;2—防护片:3—手柄Www.bzxZ.net
中华人民共和国轻工业部1991-03-30批准图2
1--顶盖;2一定位架3—防护片;4—手柄1991-12-01实施
3.3主要零件基本尺及极限偏差
QB/T11041991
3.3.1拆装式刀架主要零件基本尺寸及极限偏差见图3表1、图4、表2。中
图3拆装武力架预盖
定位脚直毯
定位脚间避
中心孔
定位孔
定位孔间
基本尺寸
图4拆装式力架防护片
基本尺寸
3.3.2旋开式刀架主要零件基本尺寸及极限偏差见图5、图6、图7与表3。272
极限偏差
极限偏差
美美发童
防护片
定位架
3.4产品型号
QB/T 1104--1991
旋开式刀架顶盖
图6旋开式刀架防护片
图7旋开式刀架定位架
代購号
改进序号
品种代号
基本尺寸
-刮脸双面刀架
例:双面拆装式1型刮脸刀架:SC-14技术要求
4.1基本尺寸及极限偏差
刀架主要零件的基本尺寸及极限偏差应符合3.3条的规定。4.2耐温性能
极限偏差
QB/T1104—1991
刀架的非金属件须在耐温试验后不变形。4.3表面处理层
刀架项盖与防护片使用表面的镀镍层厚度应大于等于0.003mm;氧化处理层耐碱度测定的耐碱时间为5s。
4.4装配要求
刀架的紧固连接部位不得松动,活动连接部位应灵活,顶盖与防护片夹紧后缝隙不大于0.1mm。4.5外观质量
4.5.1刀架外观应线条清晰,花纹字迹完整,表面无毛刺及裂纹等缺陷,铝质刀架表面应无起皮、夹灰。4.5.2镀层表面无明显印渍、划伤,不得有起泡、脱落缺陷,氧化表面不得有电腐蚀、电击伤、气隔面、露底和明显水渍。
5试验方法
5.1刀架主要零件的基本尺寸及极限偏差,用游标卡尺及专用量具测量。5.2温试验应在温度为70~~80℃的水中浸泡20min。5.3镀层厚度按GB5927的规定进行;氧化处理层按GB5945中耐碱度滴定法进行。5.4用宽度不大于5mm的塞尺测量刀架顶盖与防护片夹紧缝隙,每边测左、中、右各一点。5.5其他装配要求及外观质量采用手感目测。6检验规则
6.1产品须经制造厂检验合格后方可出厂。6.2产品检验分交收检验和型式检验两种,采用每百单位不合格品数(计件法)检验。6.3交收检验按GB/T2828的规定进行。采用一般检查水平1的一次正常检查抽样方案。6.3.1交收检验的检验项目、不合格分类及合格质量水平见表4。表4
不合格分类
检验项目
装配要求
外观质量
技术要求条文
试验方法条文
合格质量水平(AQL)
6.3.2经交收检验判定为不合格时,该批产品由交货方返工整理后,方可再次提交检验。6.4型式检验按GB/T2829的规定进行。6.4.1型式检验应在下列情况之---时进行。a。新产品或老产品转广生产的定型鉴定;b.正式生产后,当结构、材料、工艺有较大改变,可能影响产品性能时;c,正常生产时,每年不少于一次;d.产品停产半年以上,恢复生产时;e.上级质量监督机构或收货单位提出进行型式检验的要求时。6.4.2型式检验的样本应从经交收检验合格的批中随机抽取,采用一次抽样方案。6.4.3型式检验可按需要选择以下一种方式进行。a.样本从合格批中抽取,按表5项目进行检验;b.样本从合格批中抽取,按表5的部分项目进行检验;c.抽取样本n一13,先按表4项目检验合格后再按表5项目进行检验。6.4.4型式检验项目、不合格分类、判别水平、判定数组、不合格质量水平等见表5。274
检验项目
基本尺寸
耐温性能
表面处理层
技术要求
试验方法
QB/T 1104—-1991
判别水平
不合格分类
不合格质量水平
样本大小
判定组数
6.4.5经型式检验判为不合格时,有下列情况之一并征得上级主管质量部门的许可,可重新进行型式检验。
a因试验设备故障或操作错误而影响检验结果时;b.受检企业提出复验要求时,
c、企业采取必要的纠正措施后。7标志、包装、运输、贮存
7.1标志
7.1.1产品小包装上应有制造厂名、产品名称、产品型号、商标等标志;中包装上除以上标志外,还应有数量标志。
7.1.2产品外包装上应有产品名称、产品型号、制造厂名、出厂日期、数量、重量、体积等标志。7.2包装
每把刀架应有小包装,并按一定数量装纸箱或木箱,并附有合格证,合格证上应有产品型号、产品名称、制造日期、制造厂名、检验员代号。7.3运输
在运输过程中产品应防止剧烈碰撞、重压与淋雨受潮。7.4贮存
产品应贮存在通风干燥的仓库中,周围无腐蚀气体,相对湿度小于80%,箱体应距地面200mm以上。
7.5在符合7.3与7.4条要求时,产品保质期为一年。附加说明:
本标准由轻工业部质量标准司提出。本标准由全国日用五金标准化中心归口。本标准由上海刀片厂负责起草。本标准主要起草人姚晓纯、贾恒明、金立言、王耀兴、孙禧连。275
小提示:此标准内容仅展示完整标准里的部分截取内容,若需要完整标准请到上方自行免费下载完整标准文档。

标准图片预览:





- 其它标准
- 上一篇: QB/T 1103-2001 猪鬃漆刷
- 下一篇: QB/T 1106-1991 窗钩
- 热门标准
- 轻工行业标准(QB)
- QB/T5396-2019 水晶自动研磨机
- QB/T5244-2018 吊面毛皮服装
- QB/T1693-1993 制浆造纸机械设备术语
- QB/T2894-2007 丙烯腈-丁二烯-苯乙烯(ABS)色母料
- QB/T4567-2013 黑糖
- QB/T5201-2017 冰衬疫苗保存箱
- QB/T2578—2002 陶瓷原料化学成分光度分析方法
- QB/T2332-1997 不锈钢真空保温容器
- QB/T4625-2014 黄瓜罐头
- QB/T2232-1996 电动童车通用技术条件
- QB/T2896-2007 纸和纸板湿拉毛和湿排 斥的测定
- QB/T5287一2018 口腔清洁护理用品牙膏用美洲大蠊提取物
- QB/T5281-2018 数显花洒
- QB/T2961-2017 美工刀
- QB/T5033-2017 藤椅
- 行业新闻
请牢记:“bzxz.net”即是“标准下载”四个汉字汉语拼音首字母与国际顶级域名“.net”的组合。 ©2009 标准下载网 www.bzxz.net 本站邮件:bzxznet@163.com
网站备案号:湘ICP备2023016450号-1
网站备案号:湘ICP备2023016450号-1