- 您的位置:
- 标准下载网 >>
- 标准分类 >>
- 轻工行业标准(QB) >>
- QB 1231-1991 液体包装用聚乙烯吹塑薄膜
标准号:
QB 1231-1991
标准名称:
液体包装用聚乙烯吹塑薄膜
标准类别:
轻工行业标准(QB)
标准状态:
现行-
发布日期:
1991-09-10 -
实施日期:
1992-04-01 出版语种:
简体中文下载格式:
.rar.pdf下载大小:
179.81 KB
点击下载
标准简介:
标准下载解压密码:www.bzxz.net
本标准规定了液体包装用聚乙烯吹塑薄膜(以下简称薄膜)的技术要求、试验方法、检验规则及标志、包装、运输、贮存。本标准适用于以低密度聚乙烯树脂、线性低密度聚乙烯树脂或其共混物为主要原料,经吹塑、印刷、分切制得的薄膜。薄膜可用于各类自动灌装机包装牛奶、豆奶、酱油、豆腐、饮料,不宜用于包装食醋、油酷。 QB 1231-1991 液体包装用聚乙烯吹塑薄膜 QB1231-1991
部分标准内容:
中华人民共和国轻工行业标准
液体包装用聚乙烯吹塑薄膜
1主题内容与适用范围
QB1231 --91
本标准规定了液体包装用聚乙烯吹塑薄膜(以下简称薄膜)的技术要求、试验方法、检验规则及标志、包装、运输、贮存。
本标准适用于以低密度聚乙烯树脂、线性低密度聚乙烯树脂或其共混物为主要原料,经吹塑、印刷、分切制得的薄膜。
薄膜可用于各类自动灌装机包装牛奶、豆奶、酱油、豆腐、饮料,不宜用于包装食醋、油酯。2引用标准
GB 1037
GB1038
GB2828
GB2918
GB4456
塑料薄膜和片材透水蒸气性试验方法杯式法塑料薄膜透气性试验方法
逐批检查计数抽样程序及抽样表(适用于连续批的检查)塑料试样状态调节和试验的标准环境包装用聚乙烯吹塑薄膜
食品包装用聚乙烯、聚苯乙烯、聚丙烯成型品卫生标准的分析方法GB 5009. 601
GB5738
GB6672
GB6673
GB9639
GB 9687
饮料塑料周转箱
塑料薄膜和薄片厚度的测定机械测量法塑料薄膜与片材长度和宽度的测定塑料薄膜和薄片抗冲击性能试验方法自由落镖法
食品包装用聚乙烯成型品卫生标准GB 10006
GB13022
塑料薄膜和薄片摩擦系数测定方法塑料薄膜拉伸性能试验方法
ZB Y28 004
3技术要求
3.1规格尺寸
塑料薄膜包装袋热合强度测定方法3.1.1宽度及极限偏差应符合表1要求。表1
基本尺寸
3.1.2厚度及偏差应符合表2要求。中华人民共和国轻工业部1991~09-10批准极限偏差
1992-04-01实施
基本尺寸
0.07~0.09
优等品
QB1231-91
极限偏差,%
一等品
合格品
注:使用单位与生产单位协商可生产其他规格的薄膜。每卷薄膜接头数及每段长度应符合表3要求。3.1.3
接头数,个
每段长度,m
外观应符合表4要求。
水纹及云雾
气泡穿孔及破裂
表面划衰和污染
鱼眼和僵块
优等品
优等品
优等品、一等品
不明显
不明显
不允许
分散度,个/10cm×10cm
0.3~0. 6 rnm
分散度,个/10cm×10cm
平整度
3.3物理机械性能应符合表5要求。摩号
拉伸强度(纵,横向)
断裂伸长率
热合牢度
N/15mmm
动摩擦系数
(内、外层)
落镖冲击试验
水蒸气透过量
客/(ma·24h)
氧气透过量
cm*/(m. 24 h· atm)
3.4印刷质量应符合表6要求。
不充许
平均偏差,%
一等品
合格品
合格品
合格品
较明显
不允许
本允许
较明显
不允许
不充许
薄膜表面不允许有明显“活褶”优等品
≥450
一等品
≥400
合格品
文字、图案
版面位置偏差
套色偏差
同色同批色差
墨层结合牢度
QB 1231—91
优等品、一等品
清晰完整、无水纹状,11Q号字不误字意≤10mm
合格品
清晰完整,无明显水纹状,11Q号字不误字意≤15mm
基本一致
应不脱落
薄膜卫生性能应符合GB9687的规定。3.6膜卷质量要求
3.6.1膜卷表面不允许有明显“暴筋”,端面错位不大于2mm,芯管两端与端面基本齐平。3.6.2膜卷芯管的标准内径应为76mm。接头处应用薄形宽胶带整个宽度上下平接。3.6.3
膜卷印刷面应朝外。
4试验方法
4.1取样方法
在去掉膜卷外端3m后剪取长为4m的样品4块,一块作规格、外观及印刷质量检验,一块作物理机械性能测试,一块作卫生性能检验,一块备用。4.2试样状态调节和试验的标准环境按GB2918规定进行。温度:(23±2)℃;
湿度:常湿;
状态调节时间:1h以上。
4.3宽度的测定
按GB6673规定进行。
4.4厚度的测定
按GB6672规定进行。
4.4.1结果计算与表示
根据式(1)算出相对于公称厚度的厚度极限偏差和平均偏差的百分比。At =
式中:△t-
t max
式中:Ai-
厚度极限偏差,%;
实测最大厚度,mm;
实测最小厚度,mm;
-公称厚度,,mm。
-厚度平均偏差,%,
t—-平均厚度,mm;
to—公称厚度,mm。
4.5外观检查
按GB4456中2.4条检验。
4.6印刷质量检查
tmax(或 tmin) to
× 100
.(1)
QB 1231 --- 91
4.6.1印刷文字、图案、色差在自然光线下目测。4.6.2版面位置偏差、套色偏差用精度为0.5mm的钢直尺检查。4.6.3墨层结合牢度的检查
按GB5738附录A2规定进行。
4.7物理机械性能的测定下载标准就来标准下载网
4.7.1拉伸强度和断裂伸长率的测定按GB13022规定进行。
取I形样条,拉伸速度为(250士50)mm/min。4.7.2热合牢度的测定
按ZBY28004规定进行。
将二张同向薄膜(印刷面朝外)热合在一起,焊缝与薄膜纵向垂直,热合条件由生产厂提供或在温度为120~~150℃,时间为1s的条件下热封,然后截取宽(15士0.1)mm、长(100±1)mm的样条5片,试验速度为(300±20)mm/min。
4.7.3动摩擦系数的测定
按GB10006规定进行。
4.7.4落镖冲击试验应符合表7要求,落镖高度660mm。表7
薄膜厚度,mm
优等品
落镖质量,g
合格品
按GB9639规定以通过法对膜表面进行试验,确认10个试样中半数以上试样没有破损时,其冲击试验为合格。
4.7.5水蒸气透过量的测定
按GB1037规定进行。
温度:(38±1)℃。
4.7.6氧气透过量的测定
按GB1038规定进行。
温度:(23士2)℃。
4.8卫生性能的测定
按GB5009.60规定进行。
4.9膜卷质量检查
4.9.1“暴筋”在自然光线下目测。4.9.2端面错位用精度为0.5mm的钢直尺检查。5检验规则
5.1组批
薄膜验收以批为单位,以同一牌号原料、同一工艺条件生产的同一规格的薄膜400卷以下为一批。同一交付批号产品为一个交付检验批。5.2抽样
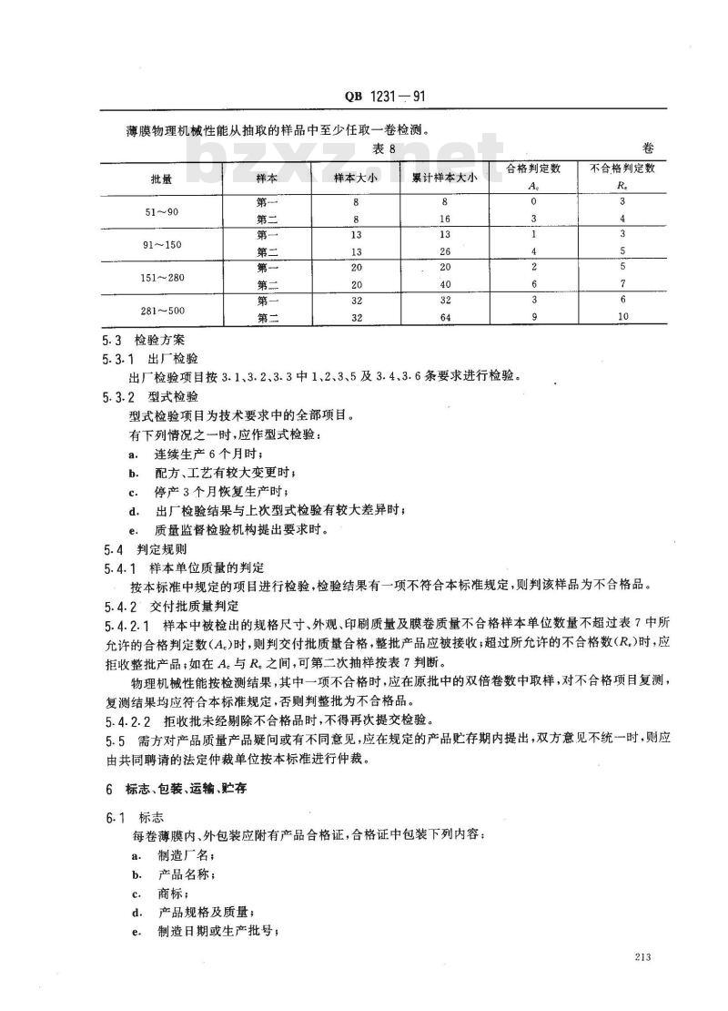
薄膜规格尺寸、外观、印刷质量及膜卷质量按GB2828规定的二次正常抽样方案进行,其中一般检验水平为正,合格质量水平(AQL)为6.5见表8。212
QB 1231—91
薄膜物理机械性能从抽取的样品中至少任取一卷检测。表8
91~150
151~280
281~500
5.3检验方案
5.3.1出厂检验
样本大小
累计样本大小
合格判定数
出厂检验项目按3.1、3.2、3.3中1、2、3、5及3.4、3.6条要求进行检验。5.3.2型式检验
型式检验项目为技术要求中的全部项目。有下列情况之一时,应作型式检验:a.
连续生产6个月时;
配方、工艺有较大变更时,
停产3个月恢复生产时;
出厂检验结果与上次型式检验有较大差异时;d.
质量监督检验机构提出要求时。5.4判定规则
不合格判定数
5.4.1样本单位质量的判定
按本标准中规定的项目进行检验,检验结果有一项不符合本标准规定,则判该样品为不合格品。5.4.2'交付批质量判定
5.4.2.1样本中被检出的规格尺寸、外观、印刷质量及膜卷质量不合格样本单位数量不超过表7中所允许的合格判定数(A.)时,则判交付批质量合格,整批产品应被接收;超过所允许的不合格数(R。)时,应拒收整批产品;如在A。与R。之间,可第二次抽样按表7判断。物理机械性能按检测结果,其中一项不合格时,应在原批中的双倍卷数中取样,对不合格项目复测,复测结果均应符合本标准规定,否则判整批为不合格品。5.4.2.2拒收批未经剔除不合格品时,不得再次提交检验。5.5需方对产品质量产品疑问或有不同意见,应在规定的产品贮存期内提出,双方意见不统一时,则应由共同聘请的法定仲裁单位按本标准进行仲裁。6标志、包装、运输、贮存
6.1标志
每卷薄膜内、外包装应附有产品合格证,合格证中包装下列内容:a.
制造厂名;
产品名称;
商标;
产品规格及质量;
制造日期或生产批号;
f.等级;
g检验员章;
h.标雁号。
6.2包装
QB 1231 -. 91
每卷薄膜用聚乙烯薄膜为内包装袋,再竖立装入瓦楞箱中,并用塑料打包带扎紧。特殊包装由供需双方协定。
6.3运输
薄膜在运输过程中应轻拿轻放,并竖立堆放,防止机械碰撞和雨淋曝晒,保证包装完整,防止有毒及异味物质污染。
6.4贮存
薄膜应贮存于清洁、阴凉、干爆的库房内,不得使薄膜挤压或损伤,距热源不少于2m。贮存期限从生产之日起不超过半年。
附加说明:
本标准由轻工业部质量标摊司提出。本标摊由全国塑料制品标准化中心归口。本标淮由浙江省皮革塑料工业公司、杭州新光塑料广负责起草。本标准主要起草人张知先、俞晓康、徐飞、潘富荣。本标准参照采用法国PREPAO企业标准《液体包装机聚乙烯薄膜包装材料的规格》、JISZ170286《包装用聚乙烯薄膜》和JISZ1707--83《食品包装用聚乙烯薄膜》。214
小提示:此标准内容仅展示完整标准里的部分截取内容,若需要完整标准请到上方自行免费下载完整标准文档。
液体包装用聚乙烯吹塑薄膜
1主题内容与适用范围
QB1231 --91
本标准规定了液体包装用聚乙烯吹塑薄膜(以下简称薄膜)的技术要求、试验方法、检验规则及标志、包装、运输、贮存。
本标准适用于以低密度聚乙烯树脂、线性低密度聚乙烯树脂或其共混物为主要原料,经吹塑、印刷、分切制得的薄膜。
薄膜可用于各类自动灌装机包装牛奶、豆奶、酱油、豆腐、饮料,不宜用于包装食醋、油酯。2引用标准
GB 1037
GB1038
GB2828
GB2918
GB4456
塑料薄膜和片材透水蒸气性试验方法杯式法塑料薄膜透气性试验方法
逐批检查计数抽样程序及抽样表(适用于连续批的检查)塑料试样状态调节和试验的标准环境包装用聚乙烯吹塑薄膜
食品包装用聚乙烯、聚苯乙烯、聚丙烯成型品卫生标准的分析方法GB 5009. 601
GB5738
GB6672
GB6673
GB9639
GB 9687
饮料塑料周转箱
塑料薄膜和薄片厚度的测定机械测量法塑料薄膜与片材长度和宽度的测定塑料薄膜和薄片抗冲击性能试验方法自由落镖法
食品包装用聚乙烯成型品卫生标准GB 10006
GB13022
塑料薄膜和薄片摩擦系数测定方法塑料薄膜拉伸性能试验方法
ZB Y28 004
3技术要求
3.1规格尺寸
塑料薄膜包装袋热合强度测定方法3.1.1宽度及极限偏差应符合表1要求。表1
基本尺寸
3.1.2厚度及偏差应符合表2要求。中华人民共和国轻工业部1991~09-10批准极限偏差
1992-04-01实施
基本尺寸
0.07~0.09
优等品
QB1231-91
极限偏差,%
一等品
合格品
注:使用单位与生产单位协商可生产其他规格的薄膜。每卷薄膜接头数及每段长度应符合表3要求。3.1.3
接头数,个
每段长度,m
外观应符合表4要求。
水纹及云雾
气泡穿孔及破裂
表面划衰和污染
鱼眼和僵块
优等品
优等品
优等品、一等品
不明显
不明显
不允许
分散度,个/10cm×10cm
0.3~0. 6 rnm
分散度,个/10cm×10cm
平整度
3.3物理机械性能应符合表5要求。摩号
拉伸强度(纵,横向)
断裂伸长率
热合牢度
N/15mmm
动摩擦系数
(内、外层)
落镖冲击试验
水蒸气透过量
客/(ma·24h)
氧气透过量
cm*/(m. 24 h· atm)
3.4印刷质量应符合表6要求。
不充许
平均偏差,%
一等品
合格品
合格品
合格品
较明显
不允许
本允许
较明显
不允许
不充许
薄膜表面不允许有明显“活褶”优等品
≥450
一等品
≥400
合格品
文字、图案
版面位置偏差
套色偏差
同色同批色差
墨层结合牢度
QB 1231—91
优等品、一等品
清晰完整、无水纹状,11Q号字不误字意≤10mm
合格品
清晰完整,无明显水纹状,11Q号字不误字意≤15mm
基本一致
应不脱落
薄膜卫生性能应符合GB9687的规定。3.6膜卷质量要求
3.6.1膜卷表面不允许有明显“暴筋”,端面错位不大于2mm,芯管两端与端面基本齐平。3.6.2膜卷芯管的标准内径应为76mm。接头处应用薄形宽胶带整个宽度上下平接。3.6.3
膜卷印刷面应朝外。
4试验方法
4.1取样方法
在去掉膜卷外端3m后剪取长为4m的样品4块,一块作规格、外观及印刷质量检验,一块作物理机械性能测试,一块作卫生性能检验,一块备用。4.2试样状态调节和试验的标准环境按GB2918规定进行。温度:(23±2)℃;
湿度:常湿;
状态调节时间:1h以上。
4.3宽度的测定
按GB6673规定进行。
4.4厚度的测定
按GB6672规定进行。
4.4.1结果计算与表示
根据式(1)算出相对于公称厚度的厚度极限偏差和平均偏差的百分比。At =
式中:△t-
t max
式中:Ai-
厚度极限偏差,%;
实测最大厚度,mm;
实测最小厚度,mm;
-公称厚度,,mm。
-厚度平均偏差,%,
t—-平均厚度,mm;
to—公称厚度,mm。
4.5外观检查
按GB4456中2.4条检验。
4.6印刷质量检查
tmax(或 tmin) to
× 100
.(1)
QB 1231 --- 91
4.6.1印刷文字、图案、色差在自然光线下目测。4.6.2版面位置偏差、套色偏差用精度为0.5mm的钢直尺检查。4.6.3墨层结合牢度的检查
按GB5738附录A2规定进行。
4.7物理机械性能的测定下载标准就来标准下载网
4.7.1拉伸强度和断裂伸长率的测定按GB13022规定进行。
取I形样条,拉伸速度为(250士50)mm/min。4.7.2热合牢度的测定
按ZBY28004规定进行。
将二张同向薄膜(印刷面朝外)热合在一起,焊缝与薄膜纵向垂直,热合条件由生产厂提供或在温度为120~~150℃,时间为1s的条件下热封,然后截取宽(15士0.1)mm、长(100±1)mm的样条5片,试验速度为(300±20)mm/min。
4.7.3动摩擦系数的测定
按GB10006规定进行。
4.7.4落镖冲击试验应符合表7要求,落镖高度660mm。表7
薄膜厚度,mm
优等品
落镖质量,g
合格品
按GB9639规定以通过法对膜表面进行试验,确认10个试样中半数以上试样没有破损时,其冲击试验为合格。
4.7.5水蒸气透过量的测定
按GB1037规定进行。
温度:(38±1)℃。
4.7.6氧气透过量的测定
按GB1038规定进行。
温度:(23士2)℃。
4.8卫生性能的测定
按GB5009.60规定进行。
4.9膜卷质量检查
4.9.1“暴筋”在自然光线下目测。4.9.2端面错位用精度为0.5mm的钢直尺检查。5检验规则
5.1组批
薄膜验收以批为单位,以同一牌号原料、同一工艺条件生产的同一规格的薄膜400卷以下为一批。同一交付批号产品为一个交付检验批。5.2抽样
薄膜规格尺寸、外观、印刷质量及膜卷质量按GB2828规定的二次正常抽样方案进行,其中一般检验水平为正,合格质量水平(AQL)为6.5见表8。212
QB 1231—91
薄膜物理机械性能从抽取的样品中至少任取一卷检测。表8
91~150
151~280
281~500
5.3检验方案
5.3.1出厂检验
样本大小
累计样本大小
合格判定数
出厂检验项目按3.1、3.2、3.3中1、2、3、5及3.4、3.6条要求进行检验。5.3.2型式检验
型式检验项目为技术要求中的全部项目。有下列情况之一时,应作型式检验:a.
连续生产6个月时;
配方、工艺有较大变更时,
停产3个月恢复生产时;
出厂检验结果与上次型式检验有较大差异时;d.
质量监督检验机构提出要求时。5.4判定规则
不合格判定数
5.4.1样本单位质量的判定
按本标准中规定的项目进行检验,检验结果有一项不符合本标准规定,则判该样品为不合格品。5.4.2'交付批质量判定
5.4.2.1样本中被检出的规格尺寸、外观、印刷质量及膜卷质量不合格样本单位数量不超过表7中所允许的合格判定数(A.)时,则判交付批质量合格,整批产品应被接收;超过所允许的不合格数(R。)时,应拒收整批产品;如在A。与R。之间,可第二次抽样按表7判断。物理机械性能按检测结果,其中一项不合格时,应在原批中的双倍卷数中取样,对不合格项目复测,复测结果均应符合本标准规定,否则判整批为不合格品。5.4.2.2拒收批未经剔除不合格品时,不得再次提交检验。5.5需方对产品质量产品疑问或有不同意见,应在规定的产品贮存期内提出,双方意见不统一时,则应由共同聘请的法定仲裁单位按本标准进行仲裁。6标志、包装、运输、贮存
6.1标志
每卷薄膜内、外包装应附有产品合格证,合格证中包装下列内容:a.
制造厂名;
产品名称;
商标;
产品规格及质量;
制造日期或生产批号;
f.等级;
g检验员章;
h.标雁号。
6.2包装
QB 1231 -. 91
每卷薄膜用聚乙烯薄膜为内包装袋,再竖立装入瓦楞箱中,并用塑料打包带扎紧。特殊包装由供需双方协定。
6.3运输
薄膜在运输过程中应轻拿轻放,并竖立堆放,防止机械碰撞和雨淋曝晒,保证包装完整,防止有毒及异味物质污染。
6.4贮存
薄膜应贮存于清洁、阴凉、干爆的库房内,不得使薄膜挤压或损伤,距热源不少于2m。贮存期限从生产之日起不超过半年。
附加说明:
本标准由轻工业部质量标摊司提出。本标摊由全国塑料制品标准化中心归口。本标淮由浙江省皮革塑料工业公司、杭州新光塑料广负责起草。本标准主要起草人张知先、俞晓康、徐飞、潘富荣。本标准参照采用法国PREPAO企业标准《液体包装机聚乙烯薄膜包装材料的规格》、JISZ170286《包装用聚乙烯薄膜》和JISZ1707--83《食品包装用聚乙烯薄膜》。214
小提示:此标准内容仅展示完整标准里的部分截取内容,若需要完整标准请到上方自行免费下载完整标准文档。
标准图片预览:





- 其它标准
- 上一篇: QB/T 1101-1991 纸伞
- 下一篇: QB/T 1102-1991 民用镜
- 热门标准
- 轻工行业标准(QB)
- QB/T5247-2018 箱包配件塑料插扣耐 用性能试验方法
- QB/T2856-2007 毛革服装
- QB/T2161-1995 儿童推车整车通用技术条件
- QB/T2425-1998 封箱用再湿性牛皮纸胶粘带
- QB/T3520-1999 500kV油纸套管绝缘纸
- QB2584-2003 蒸汽淋浴房
- QB/T1439-2005 帐册
- QB/T1584-2005 日用皮手套
- QB/T1756-1993 造纸机械湍流式中浓度浆泵
- QB/T1782-1993 苯乙醇
- QB/T1664-1998 纸板戳穿强度测定仪
- QB/T1702.2-1993 括板升运机
- QB/T2501-2000 重力式自动装料衡器
- QB/T3510-1999 Y311条粗条干仪用记录纸
- QB/T3607-1999 油浸鲅鱼罐头
- 行业新闻
请牢记:“bzxz.net”即是“标准下载”四个汉字汉语拼音首字母与国际顶级域名“.net”的组合。 ©2025 标准下载网 www.bzxz.net 本站邮件:bzxznet@163.com
网站备案号:湘ICP备2025141790号-2
网站备案号:湘ICP备2025141790号-2