- 您的位置:
- 标准下载网 >>
- 标准分类 >>
- 轻工行业标准(QB) >>
- QB/T 1097-1991 钢制文件柜
标准号:
QB/T 1097-1991
标准名称:
钢制文件柜
标准类别:
轻工行业标准(QB)
标准状态:
现行-
发布日期:
1991-03-30 -
实施日期:
1991-12-01 出版语种:
简体中文下载格式:
.rar.pdf下载大小:
154.02 KB
中标分类号:
轻工、文化与生活用品>>家具>>Y81家具制品
起草人:
孙建民、安志军、薛振刚、赵德才、杜砚中提出单位:
河北省怀安县刀具厂和沈阳市金属制品厂发布部门:
中华人民共和国轻工业部相关标签:
钢制
点击下载
标准简介:
标准下载解压密码:www.bzxz.net
本标准规定了组装式和焊接式钢制文件柜的产品分类、技术要求、试验方法、检验规则等。本标准适用于薄钢板制成的存放文件、档案、书刊、办公用品及其他资料的钢制文件柜。 QB/T 1097-1991 钢制文件柜 QB/T1097-1991
部分标准内容:
中华人民共和国轻工行业标准
钢制文件柜
1 主题内容与适用范围
QB/T 1097---1991
本标准规定了组装式和焊接式钢制文件柜的产品分类、技术要求、试验方法、检验规则等。本标准适用于薄钢板制成的存放文件、档案、书刊、办公用品及其他资料的钢制文件柜。2引用标准
GB/T912碳素结构钢和低合金结构钢热轧薄钢板及钢带GB/T1720漆膜附着力测定法
漆膜耐冲击性测定法
GB/T 1732
GB/T 1763
GB/T 2828
GB/T2829
GB/T 3325
3产品分类
漆膜耐化学试剂性测定法
逐批检查计数抽样程序及抽样表(适用于连续批的检查)周期检查计数抽样程序及抽样表(适用于生产过程稳定性的检查)金属家具
焊接式钢制文件柜按品种分整体式和多节式两种。其外形尺寸见表1、图1、图2。3.1
柜脚高H
整体式焊接文件柜
中华人民共和国轻工业部1991-03-30批准整体式及多节式焊接文件柜
750~1000
250~500(不含门把)
350~2000(不含柜脚)
35~100
图2多节式焊接文件柜
1991-12-01实施
QB/T1097--1991
组装式钢制文件柜按品种分密集书柜和书刊柜两种。其外形尺寸见表2。表2
外形尺
滑道高H
4技术要求
密集书柜
700~1000
300~650
1600~2500
40~150此内容来自标准下载网
4.1尺寸公差
4.1.1焊接式钢制文件柜外形尺寸偏差应符合表3规定。表3
单节高h
整体式焊接文件柜
组装式钢制文件柜外形尺寸偏差应符合表4规定。表4
4.2形状公差和位置公差
密集书柜
产品的形状公差和位置公差应符合表5规定。表5
邻边垂直度
平面度
平行度
对角线长
测试部位
门屉表面(150×150)
门屉与框架前面
书刊柜
700~1000
300~500
1000~2000
多节式焊接文件柜
书刊柜
4.3材料
4.3.1钢制文件柜使用的主要原材料薄钢板为普通碳素钢板,其材质应符合GB/T912或不低于同等性能的板料。
4.3.2钢制文件柜使用的其他材料应符合国家的有关标准要求。4.4工艺要求
4.4.1冲压件必须平整,各种钢制文件柜零部件折边圆楞的半径不得大于板料厚度的2.5倍4.4.2
气焊焊接件应平整牢固,其焊痕应均勾,焊痕高度不大于1mm,不得有焊穿、焊瘤、假焊、飞溅等TKKAa
缺陷。
QB/T 1097--1991
4.4.3点焊应车闻靠,焊点均匀,不得焊焦焊穿。焊点直径焊接柜为3一8m群,维装柜为3一5mm。工件外表面不允许有翻显的压痕,焊点间距应控制在100mm以内。4.4.4产品表面应进行喷漆、烤漆或塑料喷涂处理。表面色泽应均匀一致,漆、涂膜光滑,主要表面漆、涂膜厚度均匀,不得有明显的流挂、疙瘩、露底、皱纹等影响外观的缺陷。4.4.5漆膜理化性能应符合表6规定。表6
耐冲谢性能
耐魔蚀
4.5电镀件
电镀件要求见表7。
外观要求
kg· cm
镀层明亮,外露部位不得有烧焦、起泡,剥落、针孔、纹或明显的毛潮花斑、划痕等缺陷
抗盐雾试验
技术指标
镀层厚
≥10pr
4.6玻璃件
产品使用的玻璃件选用平整透明的平板玻璃或根据用户要求配备各种花色的玻璃,应完好无损,不得有缺角、裂纹和严重的划痕等缺陷。4.7塑料件
产品配套使用的塑料件必颈完好无损,具有定的强度,色泽应一致没有明显的尖楞、裂纹与缩坑。4.8成品
群、8.1零部件结合应平整、牢阁、严密,涂膜不有碰伤和划瘾、4.8.2合页或门轴焊装牢固,柜门开关灵活,门与框架的最大分缝应符合表8规定。表8
4.8.3产品与人体接触部分不允许有尖角和毛剩。4.8.4产品的商标牌应清晰完整、端正牢固。左
4.8.5产品应具有一定刚度,在莓层隔板和底板上负荷为25kz的请况下,其挠度值不得超过1.5mm,耳柜门、抽屉均不得卡死。
4.8.6组装式密集书柜,应移动灵活、平稳可靠。安装号码锁的产品,应保证号码准确无误,其误差不超建土1格。4.8.7
5试验方法
5.1外观质量的检验
QB/T 1097-1991
对4.4.4,4.6,4.7,4.8.1,4.8.3,4.8.4,4.8.6条采用手感目测法检验。5.2尺寸公差的检验
产品尺寸公差的检验用钢卷尺或钢直尺检验5.3形状公差和位置公差的检验
5.3.1邻边垂直度的检验
用钢卷尺测量产品正面的两条对角线,其差值应符合表5规定。5.3.2平面度的检验
将150mm钢直尺放置于被测表面上,用塞规测量钢直尺与产品表面最大间隙,其值应符合表5规定。
5.3.3平行度的检验
门、屉与框架配合时,在突出的部件上将钢直尺侧立搁平伸出,然后测量钢直尺距另一部件间距,其
值应符合表5规定。
5.4漆膜、涂膜理化性能的测定
采用随产品制备的样板检测。
硬度用Q61-5型摆杆式漆膜硬度计测定;b.
耐冲击性能按GB/T1732测定:
耐腐蚀按GB/T1763中3(2)乙法(加温耐盐水法)测定;附着力按GB/T1720或使用QC65-70附着力测定仪测定。d.
5.5分缝检验
用塞尺测量门、屉与框架间最大缝隙,其值应符合表8规定。5.6镀件镀层厚度和防腐能力的测定a.
镀层厚度用测厚仪测定;
防腐能力的测定按GB/T3325中4.10条进行。5.7刚度试验
在产品每层隔板和底板上均匀分布25kg重沙袋或类似重物,静置24h,隔板或底板前檐的最大弯曲值应在1.5mm以内。
6检验规则
6.1出检验
出厂或需方验收按GB/T2828采用正常检查二次抽样方案,一般检查水平I进行。其检验项目、合格质量水平(AQL)应符合表9规定。表9
6.2型式检验
检验项目
分缝检验
外观质量检验
开关灵活性检验
号码锁的检验
6.2.1进行型式检验的产品应是出厂检验后的合格品。258
检查水平
合格质量水平(AQL)
QB/T 1097--1991
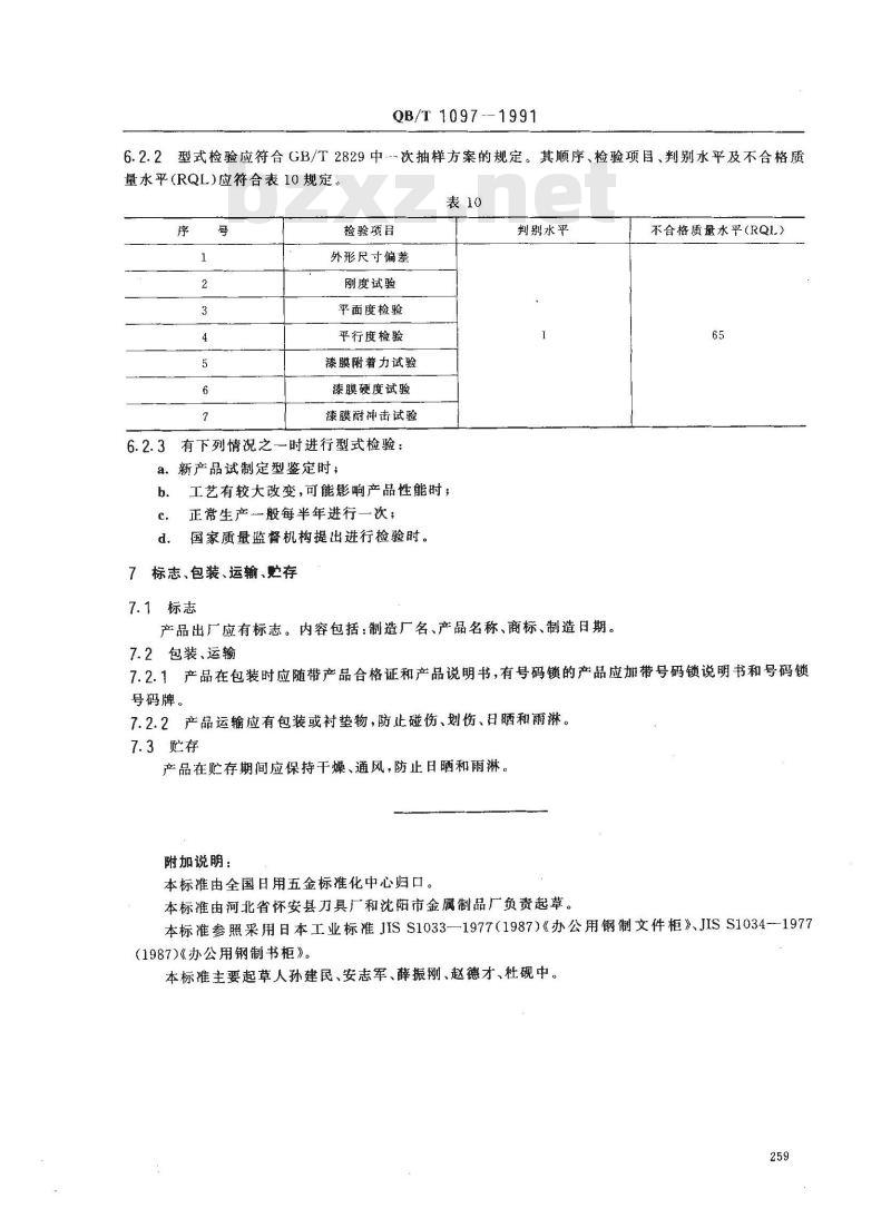
6.2.2型式检验应符合GB/T2829中次抽样方案的规定。其顺序、检验项目、判别水平及不合格质量水平(RQL)应符合表10规定。
检验项目
外形尺寸偏差
刚度试验
平面度检验
平行度检验
漆膜附着力试验
漆膜硬度试验
漆膜耐冲击试验
6.2.3有下列情况之一时进行型式检验:a.新产品试制定型鉴定时;
工艺有较大改变可能影响产品性能时;正常生产一般每半年进行一次;国家质量监督机构提出进行检验时。标志、包装、运输、贮存
判别水平
7.1标志
产品出厂应有标志。内容包括:制造厂名、产品名称、商标、制造日期。不合格质量水平(RQI)
7.2包装、运输
7.2.1产品在包装时应随带产品合格证和产品说明书,有号码锁的产品应加带号码锁说明书和号码锁号码牌。
7.2.2产品运输应有包装或衬垫物,防止碰伤、划伤、日晒和雨淋。7.3贮存
产品在贮存期间应保持干燥、通风,防止日晒和雨淋。附加说明:
本标准由全国日用五金标准化中心归口。本标准由河北省怀安县力具厂和沈阳市金属制品广负责起草。本标准参照采用日本工业标准JISS1033—1977(1987)《办公用钢制文件柜》、JISS1034--1977(1987)《办公用钢制书柜》。
本标准主要起草人孙建民、安志军、薛振刚、赵德才、杜砚中。259
小提示:此标准内容仅展示完整标准里的部分截取内容,若需要完整标准请到上方自行免费下载完整标准文档。
钢制文件柜
1 主题内容与适用范围
QB/T 1097---1991
本标准规定了组装式和焊接式钢制文件柜的产品分类、技术要求、试验方法、检验规则等。本标准适用于薄钢板制成的存放文件、档案、书刊、办公用品及其他资料的钢制文件柜。2引用标准
GB/T912碳素结构钢和低合金结构钢热轧薄钢板及钢带GB/T1720漆膜附着力测定法
漆膜耐冲击性测定法
GB/T 1732
GB/T 1763
GB/T 2828
GB/T2829
GB/T 3325
3产品分类
漆膜耐化学试剂性测定法
逐批检查计数抽样程序及抽样表(适用于连续批的检查)周期检查计数抽样程序及抽样表(适用于生产过程稳定性的检查)金属家具
焊接式钢制文件柜按品种分整体式和多节式两种。其外形尺寸见表1、图1、图2。3.1
柜脚高H
整体式焊接文件柜
中华人民共和国轻工业部1991-03-30批准整体式及多节式焊接文件柜
750~1000
250~500(不含门把)
350~2000(不含柜脚)
35~100
图2多节式焊接文件柜
1991-12-01实施
QB/T1097--1991
组装式钢制文件柜按品种分密集书柜和书刊柜两种。其外形尺寸见表2。表2
外形尺
滑道高H
4技术要求
密集书柜
700~1000
300~650
1600~2500
40~150此内容来自标准下载网
4.1尺寸公差
4.1.1焊接式钢制文件柜外形尺寸偏差应符合表3规定。表3
单节高h
整体式焊接文件柜
组装式钢制文件柜外形尺寸偏差应符合表4规定。表4
4.2形状公差和位置公差
密集书柜
产品的形状公差和位置公差应符合表5规定。表5
邻边垂直度
平面度
平行度
对角线长
测试部位
门屉表面(150×150)
门屉与框架前面
书刊柜
700~1000
300~500
1000~2000
多节式焊接文件柜
书刊柜
4.3材料
4.3.1钢制文件柜使用的主要原材料薄钢板为普通碳素钢板,其材质应符合GB/T912或不低于同等性能的板料。
4.3.2钢制文件柜使用的其他材料应符合国家的有关标准要求。4.4工艺要求
4.4.1冲压件必须平整,各种钢制文件柜零部件折边圆楞的半径不得大于板料厚度的2.5倍4.4.2
气焊焊接件应平整牢固,其焊痕应均勾,焊痕高度不大于1mm,不得有焊穿、焊瘤、假焊、飞溅等TKKAa
缺陷。
QB/T 1097--1991
4.4.3点焊应车闻靠,焊点均匀,不得焊焦焊穿。焊点直径焊接柜为3一8m群,维装柜为3一5mm。工件外表面不允许有翻显的压痕,焊点间距应控制在100mm以内。4.4.4产品表面应进行喷漆、烤漆或塑料喷涂处理。表面色泽应均匀一致,漆、涂膜光滑,主要表面漆、涂膜厚度均匀,不得有明显的流挂、疙瘩、露底、皱纹等影响外观的缺陷。4.4.5漆膜理化性能应符合表6规定。表6
耐冲谢性能
耐魔蚀
4.5电镀件
电镀件要求见表7。
外观要求
kg· cm
镀层明亮,外露部位不得有烧焦、起泡,剥落、针孔、纹或明显的毛潮花斑、划痕等缺陷
抗盐雾试验
技术指标
镀层厚
≥10pr
4.6玻璃件
产品使用的玻璃件选用平整透明的平板玻璃或根据用户要求配备各种花色的玻璃,应完好无损,不得有缺角、裂纹和严重的划痕等缺陷。4.7塑料件
产品配套使用的塑料件必颈完好无损,具有定的强度,色泽应一致没有明显的尖楞、裂纹与缩坑。4.8成品
群、8.1零部件结合应平整、牢阁、严密,涂膜不有碰伤和划瘾、4.8.2合页或门轴焊装牢固,柜门开关灵活,门与框架的最大分缝应符合表8规定。表8
4.8.3产品与人体接触部分不允许有尖角和毛剩。4.8.4产品的商标牌应清晰完整、端正牢固。左
4.8.5产品应具有一定刚度,在莓层隔板和底板上负荷为25kz的请况下,其挠度值不得超过1.5mm,耳柜门、抽屉均不得卡死。
4.8.6组装式密集书柜,应移动灵活、平稳可靠。安装号码锁的产品,应保证号码准确无误,其误差不超建土1格。4.8.7
5试验方法
5.1外观质量的检验
QB/T 1097-1991
对4.4.4,4.6,4.7,4.8.1,4.8.3,4.8.4,4.8.6条采用手感目测法检验。5.2尺寸公差的检验
产品尺寸公差的检验用钢卷尺或钢直尺检验5.3形状公差和位置公差的检验
5.3.1邻边垂直度的检验
用钢卷尺测量产品正面的两条对角线,其差值应符合表5规定。5.3.2平面度的检验
将150mm钢直尺放置于被测表面上,用塞规测量钢直尺与产品表面最大间隙,其值应符合表5规定。
5.3.3平行度的检验
门、屉与框架配合时,在突出的部件上将钢直尺侧立搁平伸出,然后测量钢直尺距另一部件间距,其
值应符合表5规定。
5.4漆膜、涂膜理化性能的测定
采用随产品制备的样板检测。
硬度用Q61-5型摆杆式漆膜硬度计测定;b.
耐冲击性能按GB/T1732测定:
耐腐蚀按GB/T1763中3(2)乙法(加温耐盐水法)测定;附着力按GB/T1720或使用QC65-70附着力测定仪测定。d.
5.5分缝检验
用塞尺测量门、屉与框架间最大缝隙,其值应符合表8规定。5.6镀件镀层厚度和防腐能力的测定a.
镀层厚度用测厚仪测定;
防腐能力的测定按GB/T3325中4.10条进行。5.7刚度试验
在产品每层隔板和底板上均匀分布25kg重沙袋或类似重物,静置24h,隔板或底板前檐的最大弯曲值应在1.5mm以内。
6检验规则
6.1出检验
出厂或需方验收按GB/T2828采用正常检查二次抽样方案,一般检查水平I进行。其检验项目、合格质量水平(AQL)应符合表9规定。表9
6.2型式检验
检验项目
分缝检验
外观质量检验
开关灵活性检验
号码锁的检验
6.2.1进行型式检验的产品应是出厂检验后的合格品。258
检查水平
合格质量水平(AQL)
QB/T 1097--1991
6.2.2型式检验应符合GB/T2829中次抽样方案的规定。其顺序、检验项目、判别水平及不合格质量水平(RQL)应符合表10规定。
检验项目
外形尺寸偏差
刚度试验
平面度检验
平行度检验
漆膜附着力试验
漆膜硬度试验
漆膜耐冲击试验
6.2.3有下列情况之一时进行型式检验:a.新产品试制定型鉴定时;
工艺有较大改变可能影响产品性能时;正常生产一般每半年进行一次;国家质量监督机构提出进行检验时。标志、包装、运输、贮存
判别水平
7.1标志
产品出厂应有标志。内容包括:制造厂名、产品名称、商标、制造日期。不合格质量水平(RQI)
7.2包装、运输
7.2.1产品在包装时应随带产品合格证和产品说明书,有号码锁的产品应加带号码锁说明书和号码锁号码牌。
7.2.2产品运输应有包装或衬垫物,防止碰伤、划伤、日晒和雨淋。7.3贮存
产品在贮存期间应保持干燥、通风,防止日晒和雨淋。附加说明:
本标准由全国日用五金标准化中心归口。本标准由河北省怀安县力具厂和沈阳市金属制品广负责起草。本标准参照采用日本工业标准JISS1033—1977(1987)《办公用钢制文件柜》、JISS1034--1977(1987)《办公用钢制书柜》。
本标准主要起草人孙建民、安志军、薛振刚、赵德才、杜砚中。259
小提示:此标准内容仅展示完整标准里的部分截取内容,若需要完整标准请到上方自行免费下载完整标准文档。
标准图片预览:





- 其它标准
- 热门标准
- 轻工行业标准(QB)
- QB/T5247-2018 箱包配件塑料插扣耐 用性能试验方法
- QB/T2856-2007 毛革服装
- QB/T2425-1998 封箱用再湿性牛皮纸胶粘带
- QB/T3520-1999 500kV油纸套管绝缘纸
- QB2584-2003 蒸汽淋浴房
- QB/T1439-2005 帐册
- QB/T1584-2005 日用皮手套
- QB/T1756-1993 造纸机械湍流式中浓度浆泵
- QB/T1782-1993 苯乙醇
- QB/T1664-1998 纸板戳穿强度测定仪
- QB/T1702.2-1993 括板升运机
- QB/T2501-2000 重力式自动装料衡器
- QB/T2161-1995 儿童推车整车通用技术条件
- QB/T3510-1999 Y311条粗条干仪用记录纸
- QB/T3607-1999 油浸鲅鱼罐头
- 行业新闻
请牢记:“bzxz.net”即是“标准下载”四个汉字汉语拼音首字母与国际顶级域名“.net”的组合。 ©2025 标准下载网 www.bzxz.net 本站邮件:bzxznet@163.com
网站备案号:湘ICP备2025141790号-2
网站备案号:湘ICP备2025141790号-2