- 您的位置:
- 标准下载网 >>
- 标准分类 >>
- 轻工行业标准(QB) >>
- QB/T 1106-1991 窗钩
标准号:
QB/T 1106-1991
标准名称:
窗钩
标准类别:
轻工行业标准(QB)
标准状态:
现行-
发布日期:
1991-03-30 -
实施日期:
1991-12-01 出版语种:
简体中文下载格式:
.rar.pdf下载大小:
162.27 KB
中标分类号:
轻工、文化与生活用品>>五金制品>>Y71建筑五金
点击下载
标准简介:
标准下载解压密码:www.bzxz.net
本标准规定了窗钩的产品分类、型式尺寸、技术要求、试验方法、检验规则、标志、包装、运输及贮存本标准适用于木质门、窗开启后固定,也适用于木质家具等支撑定位用的窗钩。 QB/T 1106-1991 窗钩 QB/T1106-1991
部分标准内容:
中华人民共和国轻工行业标准
主题内容与适用范围
QB/T 1106-1991
本标准规定了窗钩的产品分类、型式尺寸、技术要求、试验方法、检验规则、标志、包装、运输及贮存。本标准适用于木质门、窗开启后固定,也适用于本质家具等支撑定位用的窗钩。2引用标准
漆膜耐湿热测定法
GB/T 1740
GB/T 1771
GB/T 2828
GB/T 2829
GB5938
GB5944
3产品分类
3.1分类
漆膜耐盐雾测定法
逐批检查计数抽样程序及抽样表(适用于连续批的检查)周期检查计数抽样程序及抽样表(适用于生产过程稳定性的检查)轻工产品金属镀层和化学处理层的耐腐蚀试验方法中性盐雾试验(NSS)法轻工产品金属镀层腐蚀试验结果的评价产品按钢丝直径的大小,分为普通型(P型)窗钩和粗型(C型)窗钩。3.2标记示例
例1:长度为65mm的普通型衡钩
窗钩P65 QB/T1106
例2:长度为125mm的粗型窗钩
窗钩C125QB/T1106
3.3型式尺寸
窗钩由钩子、羊眼组成,其型式按图1规定。钩子的型式及尺寸按图2及表1规定,羊眼的型式及尺寸按图3及表2规定。
图1窗钩
1—钩子;2—羊眼
中华人民共和国轻工业部1991-03-30批准280
1991-12-01实施
公称尺寸
钢丝直径
金长L
钩长H
美生美屋
极限偏
公称尺寸
QB/T 1106-
图2钩子
图3羊眼bZxz.net
IP50/P65/P75
506575
极限偏差±0.30
公称只寸
极限偏差
公称尺寸
钩上部公称尺寸
极限偏整
公称尺寸
辫内宽
钩杆角α
极服差
公称尺寸
极限偏
公称尺时
极限備蒸
钩子型式尺寸
P125/P150/P200 P250]
125150
200250
C100C125/C1501
±1.60±0.95
钢丝直径d公称尺寸
外径D
全长L
极限偏差
公称尺寸
极限偏差
公称尺寸
极限偏差
QB/T 1106
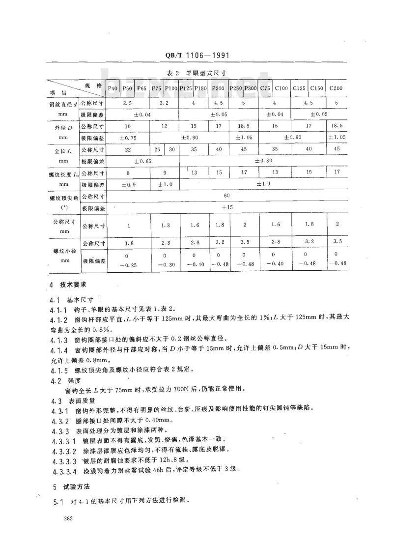
羊眼型式尺寸
P75P100P125|P150
P200|P250|P300|C75|C100|C125|C150P40P50P65
螺纹长度10公称尺寸
螺纹项尖角
公称尺寸
螺纹小径
极限偏差
公称尺寸
极限偏差
公称尺寸
公称尺寸
极限偏差
4技术要求
基本尺寸
4.1.1钩子、羊眼的基本尺寸见表1、表2。4.1.2窗钩杆部应平直,L小于等于125mm时,其最大弯曲为全长的1%;L大于125mm时,其最大弯曲为全长的0.8%。
4.1.3窗钩圈部接口处的偏斜应不大于0.2钢丝公称直径。4.1.4窗钩圈部外径与杆部应对称,当D小于等于15mm时,允许上偏差0.5mm;D大于15mm时,允许上偏差0.8mm。
4.1.5螺纹顶尖角及螺纹小径应符合表2规定。4.2强度
窗钩全长L大于75mm时,承受拉力700N后,仍能正常使用。4.3表面质量
4.3.1窗钩外形完整,不得有明显的丝纹、台阶、压痕及影响使用性能的钉尖圆钝等缺陷。4.3.2
圈部接口处间隙不大于0.40mm。4.3.3表面处理分为镀层和涂漆两种。4.3.3.1镀层表面不得有露底、发黑、烧焦,色泽基本-致。,涂漆层漆膜应色泽均勾,不得有流挂、露底及脱漆。4.3.3.2
4.3.3.3~镀层的耐腐蚀要求不低于12h、8级。漆膜附着力耐盐雾试验48h后,评定等级不低于3级。4. 3. 3.4
5试验方法
对4.1的基本尺寸用下列方法进行检测。5.1
QB/T 1106--1991
5.1.1对4.1.1的全长、外径、钩长、钩上部、钩内宽、螺纹长度采用示值为0.02mm的游标卡尺进行检测;钢丝直径采用示值为0.01mm的外径千分尺进行检测;钩杆角、钩端角采用专用量规进行检测。5.1.2对4.1.2按图4采用间隙规、平板进行检测。简隙规
图4弯度检测
5.1.3对4.1.3采用示值为0.02mm的游标卡尺进行检测5.1.4对4.1.4按图5采用示值为0.01mm的百分表进行检測。百分表
百分表
邀部对称检测
V形块
V形块
5.1.5对4.1.5螺纹顶尖角小径的检测:顶尖角按目测进行,有争议时用投影仪仲裁;螺纹小径采用尖头干分尺进行检测。
QB/T1106-1991
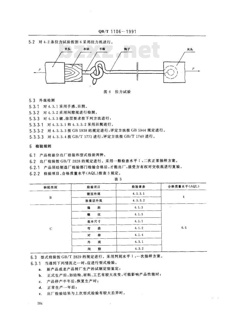
5.2对4.2条拉力试验按图6采用拉力机进行。夹头
5.3外观检测
5.3.1对4.3.1采用手感、目测。5.3.2对4.3.2采用间隙规进行检测。羊眼
图6拉力试验
5.3.3对4.3.3镀、涂层要求按下列方法进行:5.3.3.1对4.3.3.1和4.3.3.2采用目测进行。5.3.3.2对4.3.3.3按GB5938的规定进行,评定方法按GB5944规定进行。5.3.3.3对4.3.3.4按GB/T1771进行,评定方法按GB/T1740进行。6检验规则
6.1产品检验分出厂检验和型式检验两种。6.2出厂检验按GB/T2828的规定进行。采用一般检查水平I,二次正常抽样方案。6.2.1产品须经制造厂检验部门检验合格后,才能出厂,接受方有权对交收批进行复验。6.2.2检验项目、合格质量水平(AQL)按表3规定。表3
缺陷类别
检验项目
镀层外观
涂漆层外观
基本尺寸
检验章条
6.3型式检验按GB/T2829的规定进行。采用判别水平I,-次抽样方案。1当遇到下列情况之一时,应进行型式检验。6.3.1
新产品或老产品转厂生产的试制定型鉴定;正式生产后,如结构、材料、工艺有较大改变,可能影响产品性能时;产品停产半年后,恢复生产时;正常生产一年后;
出厂检验结果与上次型式检验有较大差异时。夹头
合格质量水乎(AQL)
6—1991
QB/T 1106
2型式检验样本应在合格批中提取。检验项目、判别数组、不合格质量水平(RQL)按表4规定。表4
检验项目
镀层耐腐蚀要求
漆膜附着力耐盐雾试验
标志、包装、运输、贮存
7.1标志
7.1.1外包装标志内容
a.制造厂名、产地;
b.产品名称;
c。产品标记;
d.商标,
e.质量、体积;
f.数量;
g.出厂日期。
7.1.2内包装标志内容
a.制造厂名;
b.产品名称;
c.商标,
d.产品标记;
e.数量。
7.2包装
检验章条
判别数组
7.2.1产品应盒装,包装盒材质应干燥、清洁,外包装箱应牢固。7.2.2内包装应附合格证,合格证应有包装日期和检验员代号。7.2.3采用柳条箱的外包装必须内衬防潮纸。7.3运输
产品在运输中避免冲击、雨淋、受潮及化学品的腐蚀。7.4贮存
产品应贮存在通风、相对湿度不大于85%、无腐蚀性介质的仓库中。7.5产品在以上条件下,自出厂日起,贮存期为半年。附加说明:
本标准由轻工业部质量标准司提出。本标准由全国建筑五金标准化质量检测中心负责技术归口。不合格质量水平
本标准由上海窗钩厂、上海建筑五金工业研究所、广州建联五金厂、葫芦岛五金厂负责起草。本标准主要起草人姚鹤翔、区锡头、吴于惠、许家骏、石景晨。285
小提示:此标准内容仅展示完整标准里的部分截取内容,若需要完整标准请到上方自行免费下载完整标准文档。
主题内容与适用范围
QB/T 1106-1991
本标准规定了窗钩的产品分类、型式尺寸、技术要求、试验方法、检验规则、标志、包装、运输及贮存。本标准适用于木质门、窗开启后固定,也适用于本质家具等支撑定位用的窗钩。2引用标准
漆膜耐湿热测定法
GB/T 1740
GB/T 1771
GB/T 2828
GB/T 2829
GB5938
GB5944
3产品分类
3.1分类
漆膜耐盐雾测定法
逐批检查计数抽样程序及抽样表(适用于连续批的检查)周期检查计数抽样程序及抽样表(适用于生产过程稳定性的检查)轻工产品金属镀层和化学处理层的耐腐蚀试验方法中性盐雾试验(NSS)法轻工产品金属镀层腐蚀试验结果的评价产品按钢丝直径的大小,分为普通型(P型)窗钩和粗型(C型)窗钩。3.2标记示例
例1:长度为65mm的普通型衡钩
窗钩P65 QB/T1106
例2:长度为125mm的粗型窗钩
窗钩C125QB/T1106
3.3型式尺寸
窗钩由钩子、羊眼组成,其型式按图1规定。钩子的型式及尺寸按图2及表1规定,羊眼的型式及尺寸按图3及表2规定。
图1窗钩
1—钩子;2—羊眼
中华人民共和国轻工业部1991-03-30批准280
1991-12-01实施
公称尺寸
钢丝直径
金长L
钩长H
美生美屋
极限偏
公称尺寸
QB/T 1106-
图2钩子
图3羊眼bZxz.net
IP50/P65/P75
506575
极限偏差±0.30
公称只寸
极限偏差
公称尺寸
钩上部公称尺寸
极限偏整
公称尺寸
辫内宽
钩杆角α
极服差
公称尺寸
极限偏
公称尺时
极限備蒸
钩子型式尺寸
P125/P150/P200 P250]
125150
200250
C100C125/C1501
±1.60±0.95
钢丝直径d公称尺寸
外径D
全长L
极限偏差
公称尺寸
极限偏差
公称尺寸
极限偏差
QB/T 1106
羊眼型式尺寸
P75P100P125|P150
P200|P250|P300|C75|C100|C125|C150P40P50P65
螺纹长度10公称尺寸
螺纹项尖角
公称尺寸
螺纹小径
极限偏差
公称尺寸
极限偏差
公称尺寸
公称尺寸
极限偏差
4技术要求
基本尺寸
4.1.1钩子、羊眼的基本尺寸见表1、表2。4.1.2窗钩杆部应平直,L小于等于125mm时,其最大弯曲为全长的1%;L大于125mm时,其最大弯曲为全长的0.8%。
4.1.3窗钩圈部接口处的偏斜应不大于0.2钢丝公称直径。4.1.4窗钩圈部外径与杆部应对称,当D小于等于15mm时,允许上偏差0.5mm;D大于15mm时,允许上偏差0.8mm。
4.1.5螺纹顶尖角及螺纹小径应符合表2规定。4.2强度
窗钩全长L大于75mm时,承受拉力700N后,仍能正常使用。4.3表面质量
4.3.1窗钩外形完整,不得有明显的丝纹、台阶、压痕及影响使用性能的钉尖圆钝等缺陷。4.3.2
圈部接口处间隙不大于0.40mm。4.3.3表面处理分为镀层和涂漆两种。4.3.3.1镀层表面不得有露底、发黑、烧焦,色泽基本-致。,涂漆层漆膜应色泽均勾,不得有流挂、露底及脱漆。4.3.3.2
4.3.3.3~镀层的耐腐蚀要求不低于12h、8级。漆膜附着力耐盐雾试验48h后,评定等级不低于3级。4. 3. 3.4
5试验方法
对4.1的基本尺寸用下列方法进行检测。5.1
QB/T 1106--1991
5.1.1对4.1.1的全长、外径、钩长、钩上部、钩内宽、螺纹长度采用示值为0.02mm的游标卡尺进行检测;钢丝直径采用示值为0.01mm的外径千分尺进行检测;钩杆角、钩端角采用专用量规进行检测。5.1.2对4.1.2按图4采用间隙规、平板进行检测。简隙规
图4弯度检测
5.1.3对4.1.3采用示值为0.02mm的游标卡尺进行检测5.1.4对4.1.4按图5采用示值为0.01mm的百分表进行检測。百分表
百分表
邀部对称检测
V形块
V形块
5.1.5对4.1.5螺纹顶尖角小径的检测:顶尖角按目测进行,有争议时用投影仪仲裁;螺纹小径采用尖头干分尺进行检测。
QB/T1106-1991
5.2对4.2条拉力试验按图6采用拉力机进行。夹头
5.3外观检测
5.3.1对4.3.1采用手感、目测。5.3.2对4.3.2采用间隙规进行检测。羊眼
图6拉力试验
5.3.3对4.3.3镀、涂层要求按下列方法进行:5.3.3.1对4.3.3.1和4.3.3.2采用目测进行。5.3.3.2对4.3.3.3按GB5938的规定进行,评定方法按GB5944规定进行。5.3.3.3对4.3.3.4按GB/T1771进行,评定方法按GB/T1740进行。6检验规则
6.1产品检验分出厂检验和型式检验两种。6.2出厂检验按GB/T2828的规定进行。采用一般检查水平I,二次正常抽样方案。6.2.1产品须经制造厂检验部门检验合格后,才能出厂,接受方有权对交收批进行复验。6.2.2检验项目、合格质量水平(AQL)按表3规定。表3
缺陷类别
检验项目
镀层外观
涂漆层外观
基本尺寸
检验章条
6.3型式检验按GB/T2829的规定进行。采用判别水平I,-次抽样方案。1当遇到下列情况之一时,应进行型式检验。6.3.1
新产品或老产品转厂生产的试制定型鉴定;正式生产后,如结构、材料、工艺有较大改变,可能影响产品性能时;产品停产半年后,恢复生产时;正常生产一年后;
出厂检验结果与上次型式检验有较大差异时。夹头
合格质量水乎(AQL)
6—1991
QB/T 1106
2型式检验样本应在合格批中提取。检验项目、判别数组、不合格质量水平(RQL)按表4规定。表4
检验项目
镀层耐腐蚀要求
漆膜附着力耐盐雾试验
标志、包装、运输、贮存
7.1标志
7.1.1外包装标志内容
a.制造厂名、产地;
b.产品名称;
c。产品标记;
d.商标,
e.质量、体积;
f.数量;
g.出厂日期。
7.1.2内包装标志内容
a.制造厂名;
b.产品名称;
c.商标,
d.产品标记;
e.数量。
7.2包装
检验章条
判别数组
7.2.1产品应盒装,包装盒材质应干燥、清洁,外包装箱应牢固。7.2.2内包装应附合格证,合格证应有包装日期和检验员代号。7.2.3采用柳条箱的外包装必须内衬防潮纸。7.3运输
产品在运输中避免冲击、雨淋、受潮及化学品的腐蚀。7.4贮存
产品应贮存在通风、相对湿度不大于85%、无腐蚀性介质的仓库中。7.5产品在以上条件下,自出厂日起,贮存期为半年。附加说明:
本标准由轻工业部质量标准司提出。本标准由全国建筑五金标准化质量检测中心负责技术归口。不合格质量水平
本标准由上海窗钩厂、上海建筑五金工业研究所、广州建联五金厂、葫芦岛五金厂负责起草。本标准主要起草人姚鹤翔、区锡头、吴于惠、许家骏、石景晨。285
小提示:此标准内容仅展示完整标准里的部分截取内容,若需要完整标准请到上方自行免费下载完整标准文档。
标准图片预览:





- 其它标准
- 上一篇: QB/T 1104-1991 刮脸双面刀架
- 下一篇: QB/T 1107-1991 铝合金毛衣编织针
- 热门标准
- 轻工行业标准(QB)
- QB/T5247-2018 箱包配件塑料插扣耐 用性能试验方法
- QB/T2856-2007 毛革服装
- QB/T2425-1998 封箱用再湿性牛皮纸胶粘带
- QB/T3520-1999 500kV油纸套管绝缘纸
- QB2584-2003 蒸汽淋浴房
- QB/T2591-2003 抗菌塑料-抗菌性能试验方法和抗菌效果
- QB/T1439-2005 帐册
- QB/T1584-2005 日用皮手套
- QB/T1756-1993 造纸机械湍流式中浓度浆泵
- QB/T1782-1993 苯乙醇
- QB/T1664-1998 纸板戳穿强度测定仪
- QB/T1702.2-1993 括板升运机
- QB/T2501-2000 重力式自动装料衡器
- QB/T2161-1995 儿童推车整车通用技术条件
- QB/T3510-1999 Y311条粗条干仪用记录纸
- 行业新闻
请牢记:“bzxz.net”即是“标准下载”四个汉字汉语拼音首字母与国际顶级域名“.net”的组合。 ©2025 标准下载网 www.bzxz.net 本站邮件:bzxznet@163.com
网站备案号:湘ICP备2025141790号-2
网站备案号:湘ICP备2025141790号-2