- 您的位置:
- 标准下载网 >>
- 标准分类 >>
- 机械行业标准(JB) >>
- JB/T 7659.3-1995 氟利昂制冷装置用吊顶式空气冷却器
标准号:
JB/T 7659.3-1995
标准名称:
氟利昂制冷装置用吊顶式空气冷却器
标准类别:
机械行业标准(JB)
英文名称:
Ceiling air cooler for Freon refrigeration equipment标准状态:
现行-
发布日期:
1995-06-16 -
实施日期:
1996-07-01 出版语种:
简体中文下载格式:
.rar.pdf下载大小:
215.60 KB
点击下载
标准简介:
标准下载解压密码:www.bzxz.net
本标准代替ZB J73 038-89和ZB J73 034-89两项标准。 本标准规定了氟利昂制冷装置用吊顶式空气冷却器的产品分类、技术要求、试验方法、检验规则、标志、包装和运输。 本标准适用于单独供应的以R12(R134a)、R22、R502为制冷剂的中、小型冷藏库用氟利昂直接蒸发吊顶式空气冷却器。 JB/T 7659.3-1995 氟利昂制冷装置用吊顶式空气冷却器 JB/T7659.3-1995
部分标准内容:
中华人民共和国机械行业标准
氟利昂制冷装置用
吊顶式空气冷却器
1主题内容与适用范围
JB/T 7659.3--95
代替ZBJ73038—89
ZB J73 034—89
本标准规定了氟利昂制冷装置用吊顶式空气冷却器(以下简称空气冷却器)的术语、产品分类、技术要求、试验方法、检验规则、标志、包装和贮存。本标准适用于单独供应的以R12(R134a).R22、R502为制冷剂的中、小型冷藏库用氟利昂直接蒸发吊顶式空气冷却器。
2引用标准
GB699优质碳素结构钢技术条件
GB700碳素结构钢
冷轧钢板和钢带的尺寸、外形、重量及允许偏差GB708
碳素结构钢冷轧钢带
GB1527
拉制铜管
GB/T 1804
一般公差
GB2040
纯铜板
GB 2059
纯铜带
线性尺寸的未注公差
铝及铝合金板材的尺寸及允许偏差GB 3194
GB/T3618铝及铝合金花纹板
GB3880铝及铝合金板材
GB 5066
GB 5117
GB 8162bzxZ.net
单张热镀锌薄钢板
碳钢焊条
结构用无缝钢管
GB/T13274般用途轴流通风机技术条件GB/T13306标牌
JB4088日用管状电热元件
JB/T6917制冷装置用压力容器
3术语
3.1吊顶式空气冷却器
用风扇或鼓风机促使空气循环流动,当空气流过该产品时,使空气温度降低,是一种适用于各种库温而悬挂在库顶附近的直接蒸发冷却降温设备。4产品分类
4.1型式
机械工业部1995-06-16批准
1996-07-01实施
吊顶式。
4.2型号
4.2.1型号表示方法
JB/T7659.3—95
空气冷却器的型号由大写汉语拼音字母和阿拉伯数字组成,其型号的表示方法规定如下:改型编号:用数字表示,第一次设计的产品省略名义冷却面积:以换热管的外表面积为基准,用数字表示(取整),m2冷却物冷藏用L表示,冻结物冷藏用D表示,冻结用J表示吊顶式代号
制冷剂氟利昂代号
4.2.2型号示例
FDL20:表示冷却物冷藏用,名义冷却面积为20m2,第一次设计的吊顶式空气冷却器。FDD60:表示冻结物冷藏用,名义冷却面积为60m2,第一次设计的吊顶式空气冷却器。FDJ100:表示冻结用,名义冷却面积为,100m2,第一次设计的吊顶式空气冷却器。4.3基本参数
4.3.1名义冷却面积
空气冷却器名义冷却面积优先选用系列见表1。表1
冷却面积,m2
4.3.2热工参数
空气冷却器在名义工况下的传热系数按表2的规定。表2
制冷剂
R12(R134a)
4.3.3名义工况
供液方式
力膨胀阀
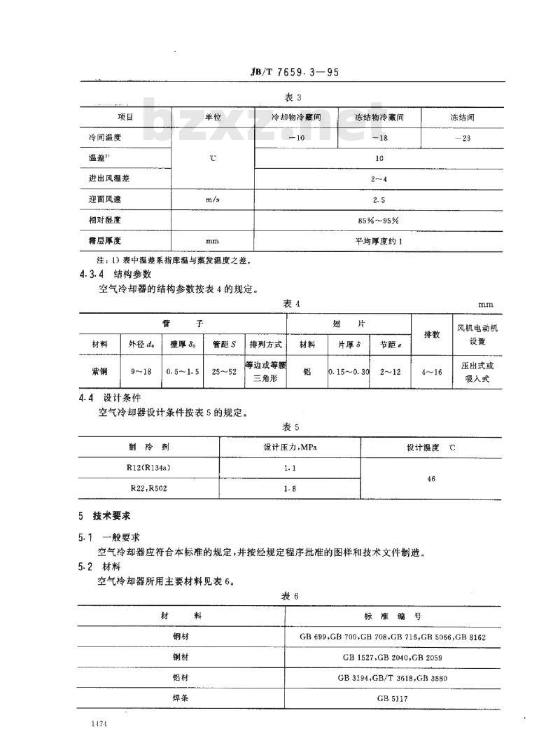
空气冷却器的名义工况按表3的规定。冷却物冷藏间
冻结物冷藏间
冻结间
冷间温度
进出风温差
迎面风速
相对湿度
霜层厚度
注:1)表中温差系指库温与蒸发温度之差。4.3.4
结构参数
B/T7659.3—95
冷却物冷藏间
空气冷却器的结构参数按表4的规定。表4
外径d。
4.4设计条件
壁厚8。
0. 5~1.5
管距S
25~52
排列方式
等边或等腰
三角形
空气冷却器设计条件按表5的规定。材料
制冷剂
R12(R134a)
5技术要求
一般要求
设计压力,MPa
冻结物冷藏间
85%~95%
平均厚度约1
片厚?
0.15~0.30
节距:
2~12
冻结间
风机电动机
压出式或
吸入式
投计温度℃
空气冷却器应符合本标的规定,并按经规定程序批准的图样和技术文件制造5.2材料
空气冷却器所用主要材料见表6。表6
标准编号
GB699,GB700,GB708,GB716,GB5066,GB8162GB 1527,GB 2040,GB 2059
GB 3194,GB/T 3618,GB 3880
GB5117
5.3加工要求
JB/T7659.3—95
5.3.1换热管为套片胀管时,翅片冲孔为“L\形或“L”形延伸翻边,翻边处不应破裂。5.3.2端板应平整,不应翘裂、歪斜。5.3.3翅片间的片距应均匀。
5.3.4翅片和管子接触应紧固,机械胀管后内壁应无划痕。5.3.5空气冷却器应设置有效的融霜设施。在融霜过程中不应有水滴溅出空气冷却器外。5.3.6空气冷却器应设有适当深度的盛凝水的集水盘,集水盘不应水,集水盘底部应有泄水管,并能在融霜期间将全部凝水排除(应有防止水冻结电加热器件)。5.3.7空气冷却器所使用的风机应符合GB/T13274的要求,转动应灵活、平稳,无卡阻。空气冷却器风机的电动机应全部加以封闭或作适当封闭,以防受潮。5.3.8空气冷却器的融霜电热管应符合JB4088的要求,电热管外壳应采用不锈钢材料。5.3.9气液集管与翅片管焊接后应通畅无堵。5.3.10空气冷却器所用的黑色金属制件,表面应进行防锈蚀处理。5.4加工公差要求
5.4.1弯头的管截面圆度公差不大于公称直径的15%,壁厚减薄量应不超过壁厚的17%。5.4.2集水盘应平整,其直线度、平面度在1m内应不超过1mm。5.4.3机械加工件表面尺寸的未注公差应符合GB/T1804规定的m级,非机械加工表面尺寸的未注公差应符合℃级。
5.4.4空气冷却器两端板间传热管的有效长度不大于1m时允差士4mm,有效长度大于1m时允差±6mma
5.4.5空气冷却器的迎风面,对角线长不大于1m时,两条对角线差值允差土5mm;对角线长大于1m时,两条对角线差值允差士10mm。5.5性能要求
5.5.1气压试验
按6.3的规定进行试验,空气冷却器不得产生变形和泄漏。5.5.2清洁度
空气冷却器内部应清洁、干燥,其与制冷剂接触表面的杂质含量应不超过200mg/m。5.5.3性能参数测试
按6.7的规定进行检查,制冷量、风量、全压应符合设计要求。5.5.4绝缘电阻要求
空气冷却器带电部位对地、对非带电金属部位的绝缘电阻(冷态)应不小于20M2。5.5.5电气强度要求
空气冷却器带电部位和非带电金属部位间电气绝缘应能承受电气强度试验,历时1min不应击穿及闪络。
5.6外观要求
5.6.1翅片表面不应有腐蚀、裂纹、明显刻痕及擦伤等缺陷,且表面应清洁光亮,无油污及其他残留物。5.6.2翅片边缘应平直,不应有毛刺、飞边、裂口。5.6.3管子内、外表面应清洁、无锈痕,管子应无凹陷、弯曲、扭曲等明显变形,管口应平整、无毛刺。5.6.4弯头表面不应有皱折、压痕等缺陷。5.6.5空气冷却器的外表面应清洁干净,漆层应均匀光滑、色泽一致,不应有影响外观的缺陷。5.7成套性
5.7.1空气冷却器应具有:
a.制冷剂液体进口接头,
制冷剂气体出口接头,
接管螺母或成组装配法兰,
d.风机;
JB/T7659.3—95
融霜淋水盘、进水接口或融霜电热管;集水盘及泄水接口
g.安装支架。
5.7.2根据设计要求,空气冷却器应具有制冷剂阀。5.8保用期
在用户遵守产品说明书所示各项规定的条件下,从制造厂发货之日起18个月内,产品确因制造质量不良而造成损坏或不能正常工作时,制造厂应免费更换或修理。6试验方法
6.1外观检查
外观检查应在正常照度下,按5.6的各项要求,逐项进行目测。6.2加工公差检查
加工公差检查应采用具有计量合格的、最小分度值不低于1mm的长度度量量具,按5.4的各项要求,逐项进行测量。
6.3压力试验
6.3.1空气冷却器制成后,应经不低于1.15倍设计压力的气压试验。气压试验时,气体压力应缓慢上升,达到试验压力后,保压10min,降到设计压力后进行检查,应无泄漏和异常变形。6.3.2气压试验所用的气体应是干燥的洁净空气或干燥氮气。试验时气体温度应不低于5℃。6.3.3气压试验时,应有可靠的安全措施。6.3.4压力试验应用两个量程相同的并经过校正的压力表。压力表的量程应为试验压力的1.5~2倍,压力表刻度盘直径应不小于100mm,压力表精度应不低于1.5级。6.3.5压力试验后应清除管内残余水汽,并经干燥处理。6.3.6每台空气冷却器制造完工后应充以正压干燥氮气或经专门处理的干燥空气(指露点低于30℃),其最大压力不超过0.1MPa,并立即封口。6.3.7试验方法和试验安全注意事项见JB/T6917。6.4绝缘电阻试验
采用500V兆欧表测量。
6.5绝缘电气强度试验
空气冷却器带电部位和非带电的金属部位之间的电气强度试验,试验电压为1000V十2倍额定电压,试验时间1min,无击穿及闪络。同一产品大量试验无问题时允许采用120%的试验电压,历时1s代替上述试验,在电动机及其他电气元件做过电气强度试验时,本试验可脱开其接线端子。6.6清洁度检查
产品管簇内用三氯乙烯进行压力冲洗5min,冲洗压力必须保证能有效地冲走脏物。用38um滤网过滤清洗液,滤网在过滤前、后分别在105士5℃的干燥箱内干燥并测量重量,两次测量重量之差为产品清洁度。
6.7 性能参数测试
空气冷却器性能参数测试可采用工业试验或有关标准测试。试验报告至少应提供下列数据:空气冷却器的型号;
使用制冷剂;
空气冷却器风机的风量,m\/h;JB/T 7659.3—95
每个电动机的输入功率,W;使用的电压,V,电流,A,空气冷却器进口处的干球温度,℃;空气冷却器进口处的湿球温度,C;空气冷却器出口处的干球温度,℃,空气冷却器出口处的湿球温度,℃;进入空气冷却器的制冷剂的温度,C;压力,MPa,离开空气冷却器的制冷剂的温度,,压力,MPa;总制冷量,kw;
试验室的大气压,Pa。
了检验规则
7.1一般要求
空气冷却器应由制造厂的技术检验部门按本标准和技术文件进行检验,合格后方准出厂7.2检验项目
7.2.1检验分类
空气冷却器的检验分出厂检验、型式检验两类。7.2.2检验项目
空气冷却器的检验项目应按表7的规定。表?
检验项目
性能试验
清洁度
加工质量
外观质量
气压试验
绝缘电阻
电气强度
产品的成套性
产品标牌内容及出厂文件
7.3出严检验
每台空气冷却器制成后应进行出厂检验。7.4型式检验
出厂检验
型式检验
7.4.1对空气冷却器至少一种规格的新产品或经重大改革的老产品应进行型式检验。7.4.2性能试验的试验方法可采用工业试验或有关标准测试。7.4.3对空气冷却器内部清洁度及水分应采用严格工艺保证来实施。8标志、包装、运输和贮存
8.1标志
JB/T 7659.3-95
每台空气冷却器应在明显部位上固定标牌,标牌应符合GB/T13306的规定,标牌内容应包括:型号、名称、出厂编号:
设计压力、试验压力;
使用制冷剂:
冷却面积,
风机总风量、风压;
总功率、电制:
制造厂厂名及商标;
重量:
制造日期。
2风机应标明旋转方向。
8.2包装
8.2.1空气冷却器应罩有塑料薄膜层,包装层应有适当刚性。空气冷却器应适当固定,以防碰撞,损坏翅片。
空气冷却器内腔应充入压力不高于0.1MPa的氮气,并封严管口。8.2.3空气冷却器单独供应出厂时,应随带下列技术文件:产品合格证:
b.产品说明书;
装箱单。
8.3贮存
空气冷却器应贮存在无腐蚀性气体、通风良好、干燥的库房中。附加说明:
本标准由机械工业部合肥通用机械研究所提出并归口。本标准由上海冷气机厂、南京五洲制冷(集团)公司负责起草。本标准主要起草人吕林泉、沈和笙、毛永年。1478
小提示:此标准内容仅展示完整标准里的部分截取内容,若需要完整标准请到上方自行免费下载完整标准文档。
氟利昂制冷装置用
吊顶式空气冷却器
1主题内容与适用范围
JB/T 7659.3--95
代替ZBJ73038—89
ZB J73 034—89
本标准规定了氟利昂制冷装置用吊顶式空气冷却器(以下简称空气冷却器)的术语、产品分类、技术要求、试验方法、检验规则、标志、包装和贮存。本标准适用于单独供应的以R12(R134a).R22、R502为制冷剂的中、小型冷藏库用氟利昂直接蒸发吊顶式空气冷却器。
2引用标准
GB699优质碳素结构钢技术条件
GB700碳素结构钢
冷轧钢板和钢带的尺寸、外形、重量及允许偏差GB708
碳素结构钢冷轧钢带
GB1527
拉制铜管
GB/T 1804
一般公差
GB2040
纯铜板
GB 2059
纯铜带
线性尺寸的未注公差
铝及铝合金板材的尺寸及允许偏差GB 3194
GB/T3618铝及铝合金花纹板
GB3880铝及铝合金板材
GB 5066
GB 5117
GB 8162bzxZ.net
单张热镀锌薄钢板
碳钢焊条
结构用无缝钢管
GB/T13274般用途轴流通风机技术条件GB/T13306标牌
JB4088日用管状电热元件
JB/T6917制冷装置用压力容器
3术语
3.1吊顶式空气冷却器
用风扇或鼓风机促使空气循环流动,当空气流过该产品时,使空气温度降低,是一种适用于各种库温而悬挂在库顶附近的直接蒸发冷却降温设备。4产品分类
4.1型式
机械工业部1995-06-16批准
1996-07-01实施
吊顶式。
4.2型号
4.2.1型号表示方法
JB/T7659.3—95
空气冷却器的型号由大写汉语拼音字母和阿拉伯数字组成,其型号的表示方法规定如下:改型编号:用数字表示,第一次设计的产品省略名义冷却面积:以换热管的外表面积为基准,用数字表示(取整),m2冷却物冷藏用L表示,冻结物冷藏用D表示,冻结用J表示吊顶式代号
制冷剂氟利昂代号
4.2.2型号示例
FDL20:表示冷却物冷藏用,名义冷却面积为20m2,第一次设计的吊顶式空气冷却器。FDD60:表示冻结物冷藏用,名义冷却面积为60m2,第一次设计的吊顶式空气冷却器。FDJ100:表示冻结用,名义冷却面积为,100m2,第一次设计的吊顶式空气冷却器。4.3基本参数
4.3.1名义冷却面积
空气冷却器名义冷却面积优先选用系列见表1。表1
冷却面积,m2
4.3.2热工参数
空气冷却器在名义工况下的传热系数按表2的规定。表2
制冷剂
R12(R134a)
4.3.3名义工况
供液方式
力膨胀阀
空气冷却器的名义工况按表3的规定。冷却物冷藏间
冻结物冷藏间
冻结间
冷间温度
进出风温差
迎面风速
相对湿度
霜层厚度
注:1)表中温差系指库温与蒸发温度之差。4.3.4
结构参数
B/T7659.3—95
冷却物冷藏间
空气冷却器的结构参数按表4的规定。表4
外径d。
4.4设计条件
壁厚8。
0. 5~1.5
管距S
25~52
排列方式
等边或等腰
三角形
空气冷却器设计条件按表5的规定。材料
制冷剂
R12(R134a)
5技术要求
一般要求
设计压力,MPa
冻结物冷藏间
85%~95%
平均厚度约1
片厚?
0.15~0.30
节距:
2~12
冻结间
风机电动机
压出式或
吸入式
投计温度℃
空气冷却器应符合本标的规定,并按经规定程序批准的图样和技术文件制造5.2材料
空气冷却器所用主要材料见表6。表6
标准编号
GB699,GB700,GB708,GB716,GB5066,GB8162GB 1527,GB 2040,GB 2059
GB 3194,GB/T 3618,GB 3880
GB5117
5.3加工要求
JB/T7659.3—95
5.3.1换热管为套片胀管时,翅片冲孔为“L\形或“L”形延伸翻边,翻边处不应破裂。5.3.2端板应平整,不应翘裂、歪斜。5.3.3翅片间的片距应均匀。
5.3.4翅片和管子接触应紧固,机械胀管后内壁应无划痕。5.3.5空气冷却器应设置有效的融霜设施。在融霜过程中不应有水滴溅出空气冷却器外。5.3.6空气冷却器应设有适当深度的盛凝水的集水盘,集水盘不应水,集水盘底部应有泄水管,并能在融霜期间将全部凝水排除(应有防止水冻结电加热器件)。5.3.7空气冷却器所使用的风机应符合GB/T13274的要求,转动应灵活、平稳,无卡阻。空气冷却器风机的电动机应全部加以封闭或作适当封闭,以防受潮。5.3.8空气冷却器的融霜电热管应符合JB4088的要求,电热管外壳应采用不锈钢材料。5.3.9气液集管与翅片管焊接后应通畅无堵。5.3.10空气冷却器所用的黑色金属制件,表面应进行防锈蚀处理。5.4加工公差要求
5.4.1弯头的管截面圆度公差不大于公称直径的15%,壁厚减薄量应不超过壁厚的17%。5.4.2集水盘应平整,其直线度、平面度在1m内应不超过1mm。5.4.3机械加工件表面尺寸的未注公差应符合GB/T1804规定的m级,非机械加工表面尺寸的未注公差应符合℃级。
5.4.4空气冷却器两端板间传热管的有效长度不大于1m时允差士4mm,有效长度大于1m时允差±6mma
5.4.5空气冷却器的迎风面,对角线长不大于1m时,两条对角线差值允差土5mm;对角线长大于1m时,两条对角线差值允差士10mm。5.5性能要求
5.5.1气压试验
按6.3的规定进行试验,空气冷却器不得产生变形和泄漏。5.5.2清洁度
空气冷却器内部应清洁、干燥,其与制冷剂接触表面的杂质含量应不超过200mg/m。5.5.3性能参数测试
按6.7的规定进行检查,制冷量、风量、全压应符合设计要求。5.5.4绝缘电阻要求
空气冷却器带电部位对地、对非带电金属部位的绝缘电阻(冷态)应不小于20M2。5.5.5电气强度要求
空气冷却器带电部位和非带电金属部位间电气绝缘应能承受电气强度试验,历时1min不应击穿及闪络。
5.6外观要求
5.6.1翅片表面不应有腐蚀、裂纹、明显刻痕及擦伤等缺陷,且表面应清洁光亮,无油污及其他残留物。5.6.2翅片边缘应平直,不应有毛刺、飞边、裂口。5.6.3管子内、外表面应清洁、无锈痕,管子应无凹陷、弯曲、扭曲等明显变形,管口应平整、无毛刺。5.6.4弯头表面不应有皱折、压痕等缺陷。5.6.5空气冷却器的外表面应清洁干净,漆层应均匀光滑、色泽一致,不应有影响外观的缺陷。5.7成套性
5.7.1空气冷却器应具有:
a.制冷剂液体进口接头,
制冷剂气体出口接头,
接管螺母或成组装配法兰,
d.风机;
JB/T7659.3—95
融霜淋水盘、进水接口或融霜电热管;集水盘及泄水接口
g.安装支架。
5.7.2根据设计要求,空气冷却器应具有制冷剂阀。5.8保用期
在用户遵守产品说明书所示各项规定的条件下,从制造厂发货之日起18个月内,产品确因制造质量不良而造成损坏或不能正常工作时,制造厂应免费更换或修理。6试验方法
6.1外观检查
外观检查应在正常照度下,按5.6的各项要求,逐项进行目测。6.2加工公差检查
加工公差检查应采用具有计量合格的、最小分度值不低于1mm的长度度量量具,按5.4的各项要求,逐项进行测量。
6.3压力试验
6.3.1空气冷却器制成后,应经不低于1.15倍设计压力的气压试验。气压试验时,气体压力应缓慢上升,达到试验压力后,保压10min,降到设计压力后进行检查,应无泄漏和异常变形。6.3.2气压试验所用的气体应是干燥的洁净空气或干燥氮气。试验时气体温度应不低于5℃。6.3.3气压试验时,应有可靠的安全措施。6.3.4压力试验应用两个量程相同的并经过校正的压力表。压力表的量程应为试验压力的1.5~2倍,压力表刻度盘直径应不小于100mm,压力表精度应不低于1.5级。6.3.5压力试验后应清除管内残余水汽,并经干燥处理。6.3.6每台空气冷却器制造完工后应充以正压干燥氮气或经专门处理的干燥空气(指露点低于30℃),其最大压力不超过0.1MPa,并立即封口。6.3.7试验方法和试验安全注意事项见JB/T6917。6.4绝缘电阻试验
采用500V兆欧表测量。
6.5绝缘电气强度试验
空气冷却器带电部位和非带电的金属部位之间的电气强度试验,试验电压为1000V十2倍额定电压,试验时间1min,无击穿及闪络。同一产品大量试验无问题时允许采用120%的试验电压,历时1s代替上述试验,在电动机及其他电气元件做过电气强度试验时,本试验可脱开其接线端子。6.6清洁度检查
产品管簇内用三氯乙烯进行压力冲洗5min,冲洗压力必须保证能有效地冲走脏物。用38um滤网过滤清洗液,滤网在过滤前、后分别在105士5℃的干燥箱内干燥并测量重量,两次测量重量之差为产品清洁度。
6.7 性能参数测试
空气冷却器性能参数测试可采用工业试验或有关标准测试。试验报告至少应提供下列数据:空气冷却器的型号;
使用制冷剂;
空气冷却器风机的风量,m\/h;JB/T 7659.3—95
每个电动机的输入功率,W;使用的电压,V,电流,A,空气冷却器进口处的干球温度,℃;空气冷却器进口处的湿球温度,C;空气冷却器出口处的干球温度,℃,空气冷却器出口处的湿球温度,℃;进入空气冷却器的制冷剂的温度,C;压力,MPa,离开空气冷却器的制冷剂的温度,,压力,MPa;总制冷量,kw;
试验室的大气压,Pa。
了检验规则
7.1一般要求
空气冷却器应由制造厂的技术检验部门按本标准和技术文件进行检验,合格后方准出厂7.2检验项目
7.2.1检验分类
空气冷却器的检验分出厂检验、型式检验两类。7.2.2检验项目
空气冷却器的检验项目应按表7的规定。表?
检验项目
性能试验
清洁度
加工质量
外观质量
气压试验
绝缘电阻
电气强度
产品的成套性
产品标牌内容及出厂文件
7.3出严检验
每台空气冷却器制成后应进行出厂检验。7.4型式检验
出厂检验
型式检验
7.4.1对空气冷却器至少一种规格的新产品或经重大改革的老产品应进行型式检验。7.4.2性能试验的试验方法可采用工业试验或有关标准测试。7.4.3对空气冷却器内部清洁度及水分应采用严格工艺保证来实施。8标志、包装、运输和贮存
8.1标志
JB/T 7659.3-95
每台空气冷却器应在明显部位上固定标牌,标牌应符合GB/T13306的规定,标牌内容应包括:型号、名称、出厂编号:
设计压力、试验压力;
使用制冷剂:
冷却面积,
风机总风量、风压;
总功率、电制:
制造厂厂名及商标;
重量:
制造日期。
2风机应标明旋转方向。
8.2包装
8.2.1空气冷却器应罩有塑料薄膜层,包装层应有适当刚性。空气冷却器应适当固定,以防碰撞,损坏翅片。
空气冷却器内腔应充入压力不高于0.1MPa的氮气,并封严管口。8.2.3空气冷却器单独供应出厂时,应随带下列技术文件:产品合格证:
b.产品说明书;
装箱单。
8.3贮存
空气冷却器应贮存在无腐蚀性气体、通风良好、干燥的库房中。附加说明:
本标准由机械工业部合肥通用机械研究所提出并归口。本标准由上海冷气机厂、南京五洲制冷(集团)公司负责起草。本标准主要起草人吕林泉、沈和笙、毛永年。1478
小提示:此标准内容仅展示完整标准里的部分截取内容,若需要完整标准请到上方自行免费下载完整标准文档。
标准图片预览:





- 其它标准
- 热门标准
- 机械行业标准(JB)
- JB/T9396-1999 环块磨损试验机 技术条件
- JB/T7928-2014 工业阀门 供货要求
- JB/T7732.1-1995 地膜覆盖机 技术条件
- JB/T9868.1-1999 散装饲料运输车 型式与参数
- JB/T5761.1-1999 数控弯管机 技术条件
- JB/T6664.2-1993 自吸泵 技术条件
- JB/T7665-1995 通用机械噪声声功率级现场测定 声强法
- JB/T8368.1-1996 电锤钻
- JB/T9272-1999 氨压力表
- JB/T10438-2004 额定电压450/750V及以下交联聚氯乙烯绝缘电线和电缆
- JB/T9159.9-1999 单轴纵切自动车床辅具 丝锥夹套 B 型尺寸
- JB/T3235-1999 人造金刚石烧结体磨耗比测定方法
- JB/T3411.87-1999 锥柄卡口镗铰刀杆 尺寸
- JB/T6619.1-1999 轻型机械密封 技术条件
- JB/T6695-1993 汽轮机润滑油系统 技术条件
- 行业新闻
请牢记:“bzxz.net”即是“标准下载”四个汉字汉语拼音首字母与国际顶级域名“.net”的组合。 ©2025 标准下载网 www.bzxz.net 本站邮件:bzxznet@163.com
网站备案号:湘ICP备2025141790号-2
网站备案号:湘ICP备2025141790号-2