- 您的位置:
- 标准下载网 >>
- 标准分类 >>
- 机械行业标准(JB) >>
- JB/T 5146.3-1991 空调设备用加湿器 性能试验方法
标准号:
JB/T 5146.3-1991
标准名称:
空调设备用加湿器 性能试验方法
标准类别:
机械行业标准(JB)
英文名称:
Performance test method for humidifiers used in air conditioning equipment标准状态:
现行-
发布日期:
1991-07-22 -
实施日期:
1992-07-01 出版语种:
简体中文下载格式:
.rar.pdf下载大小:
174.38 KB
点击下载
标准简介:
标准下载解压密码:www.bzxz.net
本标准规定了空调设备用加湿器(以下简称“加湿器”)的性能试验方法。本标准适用于JB/T 5146.1 所规定的加湿器。 JB/T 5146.3-1991 空调设备用加湿器 性能试验方法 JB/T5146.3-1991
部分标准内容:
中华人民共和国机械行业标准
空调设备用加湿器
性能试验方法
主题内容与适用范围
本标准规定了空调设备用加湿器(以下简称\加湿器”)的性能试验方法。本标准适用于JB/T5146.1所规定的加湿器。2引用标准
房间空气调节器
GB 7725
GB10223空气冷却器与空气加热器性能试验方法GBJ19采暖通风与空气调节设计规范JB/T5146.1空调设备用加湿器型式与基本参数3术语
单位电功率的加湿量
加湿器在标准工况下运行时,加湿量与所消耗的电功率之比,单位kg/kW。3.2加湿效率
加湿器在标准工况下运行时,加湿量与所消耗的总水量之比。3.3空气湿差法
JB/T 5146.3—91
一种直接测定加湿器加湿量的方法,对通过加湿器前、后的空气参数及风量进行测量,用测出的风量与通过加湿器前、后的空气含湿量差的乘积来确定加湿量。4
试验用仪表的精度
试验用仪表的精度按表1的规定。表1
温度测量wwW.bzxz.Net
压力测量
电气测量
测量仪表
液体温度计
热电偶温度计
电阻温度计
压力测量仪表
气压表
指示型
积算型
中华人民共和国机械电子工业部199107-22批准948
仪表准确度
!空气干、湿球温度
其他温度
空气动压、静压
水压、蒸汽压
大气压
±1kPa
±10kPa
1992-07-01实施
时间测量
水量测量
5试验条件
JB/T 5146. 3—91
续表1
测量仪表
计时器
液体计量器
液体计量计
5.1加湿量的试验装置见附录A(补充件)。5.2试验工况见JB/T5146.1。
5.3加湿器所有试验均应按铭牌上的额定电压和频率进行。5.4空气干、湿温度的测量装置按附录B(补充件)的规定。6试验方法
6.1供水控制试验
仪表准确度
仪表准确度应达被测值的士0.2%仪表准确度应达被测值的士0.1%将加湿器与供水水源接通,供水温度为10~16C,运行1h,观测水位控制器的工作情况。6.2加湿量试验
6.2.1按附录A给定的方法和JB/T5146.1中6.3条的规定。6.2.2蒸汽喷管的长度大于1m和数量多于3根时,可采用不同长度和数量的喷管作模拟试验来推算长度和数量增加后的加湿量。
6.3消耗功率试验
按附录A给定的方法,在加湿量测量的同时,测量输人功率、电压、频率和电流。6.4加湿效率试验
6.4.1供水的加湿器按附录A给定的方法,在测量加湿量的同时,测量总给水量,按A4.5和A4.6条规定的方法计算。
6.4.2蒸汽供给式加湿器按附录A给定的方法,在测量加湿量的同时,测量凝结水排除量,按A4.5和A4.6条规定的方法计算。
6.5空气流通阻力试验
按附录A给定的方法,在测量加湿量的同时,测量加混器前、后的静压差。6.6断水保护运行试验
加湿器运行到正常工作状态,切断供水,继续运行到保护装置工作后,再接通供水到正常启动,连续上述三个循环。
7试验结果及允差
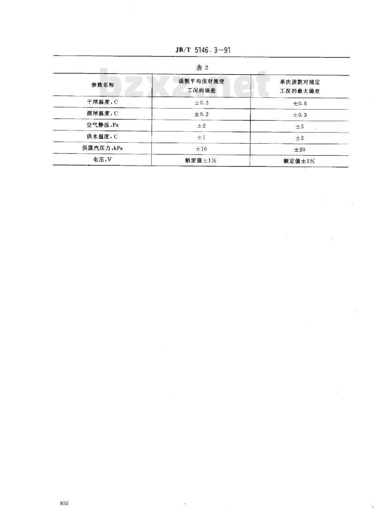
7.1按附录A给定的方法试验时,加湿量均以空气侧测量的结果为准。7.2蒸汽发生式加湿器按空气侧测得的加湿量和水侧消耗的水量之差不大于5%,试验为有效。7.3加湿量试验时,各参数读数允许偏差应符合表2的规定。949
参数名称
干球温度,C
褪球温度,℃
空气静压,Pa
供水温度,C
供蒸汽压力,kPa
电压,V
JB/T 5146. 3--91
读数平均值对规定
工况的偏差
额定值士1%
单次读数对规定
工况的最大偏差
额定值士2%
A1试验装置
A1.1试验装置布置
JB/T 5146.3—91
附录A
空气湿差法
(补充件)
空气湿差法的试验装置由空气处理装置、空气取样装置、加湿器试验段、空气混合器、风量测定装置和水量测定装置等组成,其布置如图A1所示。均流板≥300=300300
A1.2空气处理装置
300/300
静压测量环
≥1800
水平混合器
a/2, b/2--360 -
空气流量
测甚装置
干,湿球润度取消装置
空气处理装置应能满足性能试验所要求的空气于、湿球温度范围及空气流速和压力的调节。A1.3加湿器试验段
按加湿器在空调设备中的安装方式分蒸汽喷管在气流中安装和加湿器整体在气流中安装两种。A1.3.1蒸汽喷管在气流中安装,蒸汽发生器在气流外安装的试验段如图A2所示,其蒸汽喷孔距离管壁应不小于200mm。
300,300
≥1500
压力测点位置
被测加混器
A1.3.2加湿器整体在气流中安装时,应按制造厂的有关要求进行安装,加湿器不应作任何变更。A1.3.3加湿器试验段与其他装置相联结时,应采用对气流干扰最小的过渡配件或转角配件。A1.4空气混合器
按GB10223附录B给定的装置和要求。A2试验步骤
A2.1调节空气处理装置的冷量、加热量和风量,使加湿器试验段中的空气干、湿球温度和空气流速、压力满足试验测量的要求。
A2.2当试验工况稳定后,连续进行1h的试验,每10min读数一次,连续7次。A2.3加湿量按连续7次测量平均值计算。951
A3数据记录
A3.1一般数据
试验日期;
试验者;
JB/T 5146.3—91
被测加湿器的制造厂厂名、型号、额定加湿量及功率。A3.2测量参数
加湿器输人功率,W:
加湿器工作电压,V;
加湿器工作电流,A:
频率,Hz,
加湿器前空气干球温度,C;
加湿器前空气湿球温度,℃;
加湿器后空气干球温度,C;
t2—加湿器后空气湿球温度,C;p.-加湿器前试验段空气静压,Pa;Ap——空气流量喷嘴前、后静压差,Pa;p
大气压,hPa。
A3.3供水的加湿器还应记录下列参数:h.
加湿器补水箱初始读数,m;
加湿器补水箱终读数,mm;
Th-Tha
测量hihz的时间,h,min;s;
供水压力,kPa:
供水温度,C。
A3.4供蒸汽的加湿器还应记录下列参数:Wn、Waz
ThnlTa2-
加湿器排除凝结水的初、终重量,kg:测量Wnl、Wnz的时间,h,min;s;供给蒸汽压力,Pa。
A4 试验结果计算
A4.1空气流量计算
按GB10223附录A给定的公式计算。A4.2空气含湿量计算
应用测得的空气湿球温度近似等于热力学湿球温度、干球湿度和大气压用式(A1)计算含湿量。d = d,- (1. 005 + 1.86d) × (tg t.)/(2 500. 9 + 1.86t— 4.19t.) **(A1 )式中:d-
空气含湿量,kg/kg
湿球温度下的饱和湿量,d=0.622e/(—e)ew.湿球温度下的饱和水蒸气分压力,hPa,) 5.028 10g()
logew =10. 795 74/ 1 - 1
+ 1. 504 75 X 10-4[1 - 10-8. 296 9(T/T,-1)]+ 0. 428 73 × 10-[104. 769 551 -T,/7) - 1] + 0. 786 14952
e ws —— 10log wa
T一273.16K(水的三相点温度)T,=273.15+tsK;
T2=273.15+t2,K。
A4.3加湿量计算
式中:w-—
空气加湿量,kg/h;
空气流量,kg/h,
JB/T 5146.3—91
W = q(dz - di)
di、d,加湿前、后的空气含湿量,kg/kg。A4.4加湿器供水量计算
加湿器供水量按式(A4)计算:
式中:W.加湿器供水量,kg/h;
K—--补水箱标定系数,kg/mm。
A4.5加湿器供汽量计算
加湿器供汽量按式(A5)计算:K(h, h2)
Th2 — Thi
式中:w,--
加湿器供汽量,kg/h;
W—·由测量计算的空气加湿量,kg/h;W.-—被测加湿器排出的凝结水量,kg/hA4.6
5加湿效率计算
式中:7.-加湿效率.%。
A4.7单位功率加湿量计算
W. = (Wn2 - W.)/(Tn2 -T.l)
n = W/W(W) × 100%
单位功率加湿量按式(A8)计算:E=W/N
式中:E——单位功率加湿量,kg/kw。附录B
空气干、湿球温度测量装置
(补充件)
B1 装量的组成
绿自音邮
(A4)
(A5)
(A6)
(A7)
(A8)
空气干、湿球温度测量装置是用来测量流过该断面空气的平均温、湿度的,由采样管、干、湿球温度测量管和风机组成,如图BI所示。B2
来样管
采样管设在加湿器试验段内,应使采样孔均布该断面,至少每0.01m的断面有采样孔。953
B3干、湿球温度测量管
JB/T5146.3—91
干、湿球温度测量管的当量直径应不小于75mm,干、湿球温度测量仪的感温元件应靠近,以便测量同一采样空气。干球温度计应设在湿球温度计的上游或某一旁侧,使干球温度的测量结果不会受到湿球温度计水分蒸发的影响。测量管外部应保温。B4采样风机
采样风机应位于测温仪的下游,以防止风机产生热量影响温度计读数,其空气流量应能保证流过湿球温度计的风速为5±1m/s。
B5确定干、湿球温度整的规定
B5.1湿球纱布套应采用经过脱脂处理的专用纱布制作,纱布应紧贴感温元件,重叠1/4周。为防止热量从感温元件上部连接杆传人,纱布还应覆盖上部连接杆约2.5cm。B5.2纱布套应经常洗净或更换。润湿纱布用蒸馏水B5.3被测空气可能带水时,为防止感温线圈上积聚水分,应加防护罩。取样管
测量管
干球温度计
湿球温度计
图B1取样装置
附加说明:
本标推由机械电子工业部合肥通用机械研究所提出并归口。本标推由中国建筑科学研究院空气调节研究所和北京青云仪器厂负责起草。本标准主要起草人:黄之美、刘宗源。954
小提示:此标准内容仅展示完整标准里的部分截取内容,若需要完整标准请到上方自行免费下载完整标准文档。
空调设备用加湿器
性能试验方法
主题内容与适用范围
本标准规定了空调设备用加湿器(以下简称\加湿器”)的性能试验方法。本标准适用于JB/T5146.1所规定的加湿器。2引用标准
房间空气调节器
GB 7725
GB10223空气冷却器与空气加热器性能试验方法GBJ19采暖通风与空气调节设计规范JB/T5146.1空调设备用加湿器型式与基本参数3术语
单位电功率的加湿量
加湿器在标准工况下运行时,加湿量与所消耗的电功率之比,单位kg/kW。3.2加湿效率
加湿器在标准工况下运行时,加湿量与所消耗的总水量之比。3.3空气湿差法
JB/T 5146.3—91
一种直接测定加湿器加湿量的方法,对通过加湿器前、后的空气参数及风量进行测量,用测出的风量与通过加湿器前、后的空气含湿量差的乘积来确定加湿量。4
试验用仪表的精度
试验用仪表的精度按表1的规定。表1
温度测量wwW.bzxz.Net
压力测量
电气测量
测量仪表
液体温度计
热电偶温度计
电阻温度计
压力测量仪表
气压表
指示型
积算型
中华人民共和国机械电子工业部199107-22批准948
仪表准确度
!空气干、湿球温度
其他温度
空气动压、静压
水压、蒸汽压
大气压
±1kPa
±10kPa
1992-07-01实施
时间测量
水量测量
5试验条件
JB/T 5146. 3—91
续表1
测量仪表
计时器
液体计量器
液体计量计
5.1加湿量的试验装置见附录A(补充件)。5.2试验工况见JB/T5146.1。
5.3加湿器所有试验均应按铭牌上的额定电压和频率进行。5.4空气干、湿温度的测量装置按附录B(补充件)的规定。6试验方法
6.1供水控制试验
仪表准确度
仪表准确度应达被测值的士0.2%仪表准确度应达被测值的士0.1%将加湿器与供水水源接通,供水温度为10~16C,运行1h,观测水位控制器的工作情况。6.2加湿量试验
6.2.1按附录A给定的方法和JB/T5146.1中6.3条的规定。6.2.2蒸汽喷管的长度大于1m和数量多于3根时,可采用不同长度和数量的喷管作模拟试验来推算长度和数量增加后的加湿量。
6.3消耗功率试验
按附录A给定的方法,在加湿量测量的同时,测量输人功率、电压、频率和电流。6.4加湿效率试验
6.4.1供水的加湿器按附录A给定的方法,在测量加湿量的同时,测量总给水量,按A4.5和A4.6条规定的方法计算。
6.4.2蒸汽供给式加湿器按附录A给定的方法,在测量加湿量的同时,测量凝结水排除量,按A4.5和A4.6条规定的方法计算。
6.5空气流通阻力试验
按附录A给定的方法,在测量加湿量的同时,测量加混器前、后的静压差。6.6断水保护运行试验
加湿器运行到正常工作状态,切断供水,继续运行到保护装置工作后,再接通供水到正常启动,连续上述三个循环。
7试验结果及允差
7.1按附录A给定的方法试验时,加湿量均以空气侧测量的结果为准。7.2蒸汽发生式加湿器按空气侧测得的加湿量和水侧消耗的水量之差不大于5%,试验为有效。7.3加湿量试验时,各参数读数允许偏差应符合表2的规定。949
参数名称
干球温度,C
褪球温度,℃
空气静压,Pa
供水温度,C
供蒸汽压力,kPa
电压,V
JB/T 5146. 3--91
读数平均值对规定
工况的偏差
额定值士1%
单次读数对规定
工况的最大偏差
额定值士2%
A1试验装置
A1.1试验装置布置
JB/T 5146.3—91
附录A
空气湿差法
(补充件)
空气湿差法的试验装置由空气处理装置、空气取样装置、加湿器试验段、空气混合器、风量测定装置和水量测定装置等组成,其布置如图A1所示。均流板≥300=300300
A1.2空气处理装置
300/300
静压测量环
≥1800
水平混合器
a/2, b/2--360 -
空气流量
测甚装置
干,湿球润度取消装置
空气处理装置应能满足性能试验所要求的空气于、湿球温度范围及空气流速和压力的调节。A1.3加湿器试验段
按加湿器在空调设备中的安装方式分蒸汽喷管在气流中安装和加湿器整体在气流中安装两种。A1.3.1蒸汽喷管在气流中安装,蒸汽发生器在气流外安装的试验段如图A2所示,其蒸汽喷孔距离管壁应不小于200mm。
300,300
≥1500
压力测点位置
被测加混器
A1.3.2加湿器整体在气流中安装时,应按制造厂的有关要求进行安装,加湿器不应作任何变更。A1.3.3加湿器试验段与其他装置相联结时,应采用对气流干扰最小的过渡配件或转角配件。A1.4空气混合器
按GB10223附录B给定的装置和要求。A2试验步骤
A2.1调节空气处理装置的冷量、加热量和风量,使加湿器试验段中的空气干、湿球温度和空气流速、压力满足试验测量的要求。
A2.2当试验工况稳定后,连续进行1h的试验,每10min读数一次,连续7次。A2.3加湿量按连续7次测量平均值计算。951
A3数据记录
A3.1一般数据
试验日期;
试验者;
JB/T 5146.3—91
被测加湿器的制造厂厂名、型号、额定加湿量及功率。A3.2测量参数
加湿器输人功率,W:
加湿器工作电压,V;
加湿器工作电流,A:
频率,Hz,
加湿器前空气干球温度,C;
加湿器前空气湿球温度,℃;
加湿器后空气干球温度,C;
t2—加湿器后空气湿球温度,C;p.-加湿器前试验段空气静压,Pa;Ap——空气流量喷嘴前、后静压差,Pa;p
大气压,hPa。
A3.3供水的加湿器还应记录下列参数:h.
加湿器补水箱初始读数,m;
加湿器补水箱终读数,mm;
Th-Tha
测量hihz的时间,h,min;s;
供水压力,kPa:
供水温度,C。
A3.4供蒸汽的加湿器还应记录下列参数:Wn、Waz
ThnlTa2-
加湿器排除凝结水的初、终重量,kg:测量Wnl、Wnz的时间,h,min;s;供给蒸汽压力,Pa。
A4 试验结果计算
A4.1空气流量计算
按GB10223附录A给定的公式计算。A4.2空气含湿量计算
应用测得的空气湿球温度近似等于热力学湿球温度、干球湿度和大气压用式(A1)计算含湿量。d = d,- (1. 005 + 1.86d) × (tg t.)/(2 500. 9 + 1.86t— 4.19t.) **(A1 )式中:d-
空气含湿量,kg/kg
湿球温度下的饱和湿量,d=0.622e/(—e)ew.湿球温度下的饱和水蒸气分压力,hPa,) 5.028 10g()
logew =10. 795 74/ 1 - 1
+ 1. 504 75 X 10-4[1 - 10-8. 296 9(T/T,-1)]+ 0. 428 73 × 10-[104. 769 551 -T,/7) - 1] + 0. 786 14952
e ws —— 10log wa
T一273.16K(水的三相点温度)T,=273.15+tsK;
T2=273.15+t2,K。
A4.3加湿量计算
式中:w-—
空气加湿量,kg/h;
空气流量,kg/h,
JB/T 5146.3—91
W = q(dz - di)
di、d,加湿前、后的空气含湿量,kg/kg。A4.4加湿器供水量计算
加湿器供水量按式(A4)计算:
式中:W.加湿器供水量,kg/h;
K—--补水箱标定系数,kg/mm。
A4.5加湿器供汽量计算
加湿器供汽量按式(A5)计算:K(h, h2)
Th2 — Thi
式中:w,--
加湿器供汽量,kg/h;
W—·由测量计算的空气加湿量,kg/h;W.-—被测加湿器排出的凝结水量,kg/hA4.6
5加湿效率计算
式中:7.-加湿效率.%。
A4.7单位功率加湿量计算
W. = (Wn2 - W.)/(Tn2 -T.l)
n = W/W(W) × 100%
单位功率加湿量按式(A8)计算:E=W/N
式中:E——单位功率加湿量,kg/kw。附录B
空气干、湿球温度测量装置
(补充件)
B1 装量的组成
绿自音邮
(A4)
(A5)
(A6)
(A7)
(A8)
空气干、湿球温度测量装置是用来测量流过该断面空气的平均温、湿度的,由采样管、干、湿球温度测量管和风机组成,如图BI所示。B2
来样管
采样管设在加湿器试验段内,应使采样孔均布该断面,至少每0.01m的断面有采样孔。953
B3干、湿球温度测量管
JB/T5146.3—91
干、湿球温度测量管的当量直径应不小于75mm,干、湿球温度测量仪的感温元件应靠近,以便测量同一采样空气。干球温度计应设在湿球温度计的上游或某一旁侧,使干球温度的测量结果不会受到湿球温度计水分蒸发的影响。测量管外部应保温。B4采样风机
采样风机应位于测温仪的下游,以防止风机产生热量影响温度计读数,其空气流量应能保证流过湿球温度计的风速为5±1m/s。
B5确定干、湿球温度整的规定
B5.1湿球纱布套应采用经过脱脂处理的专用纱布制作,纱布应紧贴感温元件,重叠1/4周。为防止热量从感温元件上部连接杆传人,纱布还应覆盖上部连接杆约2.5cm。B5.2纱布套应经常洗净或更换。润湿纱布用蒸馏水B5.3被测空气可能带水时,为防止感温线圈上积聚水分,应加防护罩。取样管
测量管
干球温度计
湿球温度计
图B1取样装置
附加说明:
本标推由机械电子工业部合肥通用机械研究所提出并归口。本标推由中国建筑科学研究院空气调节研究所和北京青云仪器厂负责起草。本标准主要起草人:黄之美、刘宗源。954
小提示:此标准内容仅展示完整标准里的部分截取内容,若需要完整标准请到上方自行免费下载完整标准文档。
标准图片预览:





- 其它标准
- 热门标准
- 机械行业标准(JB)
- JB/T6316-2006 Z4系列直流电动机技术条件(机座号100~450)
- JB/T8679-2008 炭弧气刨炭棒 物理及使用性能试验方法
- JB/T7895-2008 永磁筒式磁选机
- JB/T10930-2010 200级耐电晕漆包铜圆线
- JB∕T12675-2016 拖拉机液压系统清洁度限值及测量方法
- JB/T10573-2006 工具显微镜
- JB3704-1984 特种调压器用碳电阻片柱电气机械性能试验方法
- JB2664-1980 自动电压调整器用碳电阻片柱
- JB/T8674-2007 YB2系列高压隔爆型三相异步电动机 技术条件(机座号355~560)
- JB/T5425-2013 印刷机械 真空压力复合气泵
- JB/T8511-2011 空气绝缘母线干线系统(空气绝缘母线槽)
- JB/T7140.1-1993 牲畜药浴机械 型式与基本参数
- JB/T56054.1-XXXX 电焊机产品质量分等 总则(内部使用)
- JB/T6387-2010 轴装式圆弧圆柱蜗杆减速器
- JB/T10007-2012 大外径千分尺(测量范围为1000mm~3000mm)
- 行业新闻
请牢记:“bzxz.net”即是“标准下载”四个汉字汉语拼音首字母与国际顶级域名“.net”的组合。 ©2025 标准下载网 www.bzxz.net 本站邮件:bzxznet@163.com
网站备案号:湘ICP备2025141790号-2
网站备案号:湘ICP备2025141790号-2