- 您的位置:
- 标准下载网 >>
- 标准分类 >>
- 机械行业标准(JB) >>
- JB/T 2984.3-1999 履带式推土机 履带和齿块用螺母
标准号:
JB/T 2984.3-1999
标准名称:
履带式推土机 履带和齿块用螺母
标准类别:
机械行业标准(JB)
英文名称:
Nuts for tracks and gear segments of crawler bulldozers标准状态:
现行-
发布日期:
1999-08-06 -
实施日期:
2000-01-01 出版语种:
简体中文下载格式:
.rar.pdf下载大小:
164.75 KB
替代情况:
ZB J85004.2-1987
点击下载
标准简介:
标准下载解压密码:www.bzxz.net
JB/T 2984.3-1999 本标准是对 ZB J85 004.2-87《履带式推土机 履带和齿块用螺母》的修订。修订时仅按有关规定作了编辑性修改,主要技术内容基本是没有变化。 本标准规定了履带式推土机履带和齿块用螺母的型式和尺寸,要求,试验方法,检验规则,标记方法,包装、运输及贮存。 本标准于 1987 年 4 月 4 日首次发布。 JB/T 2984.3-1999 履带式推土机 履带和齿块用螺母 JB/T2984.3-1999
部分标准内容:
ICS53.100
中华人民共和国机械行业标准
JB/T2984.3-1999
履带式推土机
履带和齿块用螺母
Crawlerbulldozer
Nuts fortrack shoe and sprocket segment1999-08-06发布
国家机械工业局
2000-01-01实施
JB/T2984.3—1999
本标准是对ZBJ85004.287《履带式推土机履带和齿块用螺母》的修订。修订时,对原标准作了编辑性的修改,主要技术内容基本上没有变化本标准自实施之日起代替ZBJ85004.2—87。本标准由工程机械标准化技术委员会提出并归口。本标准起草单位:天津工程机械研究所、湖北省阳新高强度螺栓厂、宁波市镇海高强度紧固件实业公司、常熟市英沪国际标准紧固件有限公司。本标准主要起草人:李名祥、邓昌明、张贤康、赵庆云。本标准于1987年4月4日首次发布,1999年第一次修订。1范围
中华人民共和国机械行业标准
履带式推士机履带和齿块用螺母Crawlerbulldozer-
Nuts fortradk shoe and sprodket segmentJB/T2984.3—1999
代替ZBJ85004.2-87
本标准规定了履带式推土机履带和齿块用螺母的型式和尺寸、要求、试验方法、检验规则、包装、运输及贮存。
2引用标准
下列标准所包含的条文,通过在本标准中引用而构成为本标准的条文。本标准出版时,所示版本均为有效。所有标准都会被修订,使用本标准的各方应探讨使用下列标准最新版本的可能性。GB/T901985
GB/T 193-1981
GB/T1971981
GB/T3098.2—1982
GB/T 3098.41986
3型式和尺寸
紧固件验收检查、标志与包装
普通螺纹直径与螺距系列(直径1~600mm)普通螺纹公差与配合(直径1~355mm)紧固件机械性能螺母
紧固件机械性能细牙螺母
螺母的型式和尺寸按图1和表1的规定。标记示例:
细牙普通螺纹,直径22mm,螺距1.5mm,螺纹精度6H,机械性能8.8级的螺母,标记为:螺母M22×1.5-6H-8.8JB/T2984.3-1999其会
国家机械工业局1999-08-06批准2000-01-01实施
4要求
基本尺寸
螺母按规定的45钢制造。
JB/T2984.3—1999
极限偏差
基本尺寸
极限偏差
螺纹按GB/T193规定的细牙普通螺纹,其公差带按GB/T197规定的6H级。内螺纹侧面的表面粗糙度R值为3.2um,小径的表面粗糙度不作规定。螺母表面应进行氧化处理,涂防锈油。其它技术条件按GB/T3098.2的规定。螺母的机械性能应符合表2的规定。表2
5试验方法
5.1保证载荷试验
抗拉强度
屈届服强度6
冲击值(
每1000个Www.bzxZ.net
螺母的质量
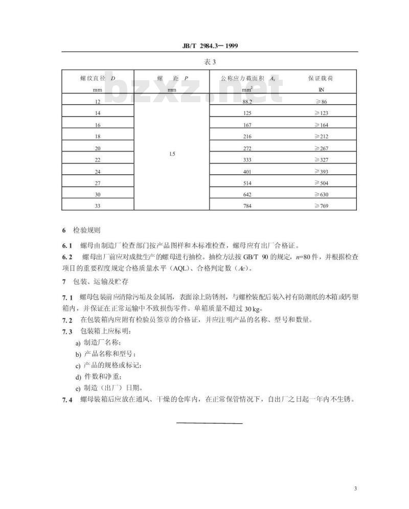
螺母的保证载荷试验按GB/T3098.41986中8.1的规定进行,保证载荷按表3的规定。5.2
硬度试验
螺母的硬度试验应在支承面或侧面上进行,取间隔为120P的三点硬度平均值作为该螺母的硬度。2
螺纹直径
检验规则
JB/T2984.3—1999
公称应力截面积As
螺母由制造厂检查部门按产品图样和本标准检查,螺母应有出厂合格证。保证载荷
≥123
≥164
≥212
≥267
≥327
≥393
≥630
≥769
螺母出厂前应对成批生产的螺母进行抽检。抽检方法按GB/T90的规定,n=80件,并根据检查项目的重要程度规定合格质量水平(AQL)、合格判定数(Ac)。包装、运输及贮存
螺母包装前应清除污垢及金属屑,表面涂上防锈剂,与螺栓装配后装入衬有防潮纸的木箱或钙塑7.1
箱内,并保证在正常运输中不致损伤零件。单箱质量不超过30kg。在包装箱内应附有检验员签章的合格证,并应注明产品的名称、型号和数量。7.2
包装箱上应标明:
a)制造厂名称;
b)产品名称和型号;
c)产品的规格或标记;
d)件数和净重:
e)制造(出厂)日期。
7.4螺母装箱后应放在通风、干燥的仓库内,在正常保管情况下,自出厂之日起一年内不生锈3
共和国
机械行业标准
履带式推土机履带和齿块用螺母JB/T29843-1999
机械科学研究院出版发行
机械科学研究院印刷
(北京首体南路2号:邮编100044)*
开本880×12301/16印张1/2字数80002000年3月第一版2000年3月第一次印刷印数1-500定价500元
编号99-1278.2
机械工业标准服务网:htp/AvwwJB.ac.cn6
小提示:此标准内容仅展示完整标准里的部分截取内容,若需要完整标准请到上方自行免费下载完整标准文档。
中华人民共和国机械行业标准
JB/T2984.3-1999
履带式推土机
履带和齿块用螺母
Crawlerbulldozer
Nuts fortrack shoe and sprocket segment1999-08-06发布
国家机械工业局
2000-01-01实施
JB/T2984.3—1999
本标准是对ZBJ85004.287《履带式推土机履带和齿块用螺母》的修订。修订时,对原标准作了编辑性的修改,主要技术内容基本上没有变化本标准自实施之日起代替ZBJ85004.2—87。本标准由工程机械标准化技术委员会提出并归口。本标准起草单位:天津工程机械研究所、湖北省阳新高强度螺栓厂、宁波市镇海高强度紧固件实业公司、常熟市英沪国际标准紧固件有限公司。本标准主要起草人:李名祥、邓昌明、张贤康、赵庆云。本标准于1987年4月4日首次发布,1999年第一次修订。1范围
中华人民共和国机械行业标准
履带式推士机履带和齿块用螺母Crawlerbulldozer-
Nuts fortradk shoe and sprodket segmentJB/T2984.3—1999
代替ZBJ85004.2-87
本标准规定了履带式推土机履带和齿块用螺母的型式和尺寸、要求、试验方法、检验规则、包装、运输及贮存。
2引用标准
下列标准所包含的条文,通过在本标准中引用而构成为本标准的条文。本标准出版时,所示版本均为有效。所有标准都会被修订,使用本标准的各方应探讨使用下列标准最新版本的可能性。GB/T901985
GB/T 193-1981
GB/T1971981
GB/T3098.2—1982
GB/T 3098.41986
3型式和尺寸
紧固件验收检查、标志与包装
普通螺纹直径与螺距系列(直径1~600mm)普通螺纹公差与配合(直径1~355mm)紧固件机械性能螺母
紧固件机械性能细牙螺母
螺母的型式和尺寸按图1和表1的规定。标记示例:
细牙普通螺纹,直径22mm,螺距1.5mm,螺纹精度6H,机械性能8.8级的螺母,标记为:螺母M22×1.5-6H-8.8JB/T2984.3-1999其会
国家机械工业局1999-08-06批准2000-01-01实施
4要求
基本尺寸
螺母按规定的45钢制造。
JB/T2984.3—1999
极限偏差
基本尺寸
极限偏差
螺纹按GB/T193规定的细牙普通螺纹,其公差带按GB/T197规定的6H级。内螺纹侧面的表面粗糙度R值为3.2um,小径的表面粗糙度不作规定。螺母表面应进行氧化处理,涂防锈油。其它技术条件按GB/T3098.2的规定。螺母的机械性能应符合表2的规定。表2
5试验方法
5.1保证载荷试验
抗拉强度
屈届服强度6
冲击值(
每1000个Www.bzxZ.net
螺母的质量
螺母的保证载荷试验按GB/T3098.41986中8.1的规定进行,保证载荷按表3的规定。5.2
硬度试验
螺母的硬度试验应在支承面或侧面上进行,取间隔为120P的三点硬度平均值作为该螺母的硬度。2
螺纹直径
检验规则
JB/T2984.3—1999
公称应力截面积As
螺母由制造厂检查部门按产品图样和本标准检查,螺母应有出厂合格证。保证载荷
≥123
≥164
≥212
≥267
≥327
≥393
≥630
≥769
螺母出厂前应对成批生产的螺母进行抽检。抽检方法按GB/T90的规定,n=80件,并根据检查项目的重要程度规定合格质量水平(AQL)、合格判定数(Ac)。包装、运输及贮存
螺母包装前应清除污垢及金属屑,表面涂上防锈剂,与螺栓装配后装入衬有防潮纸的木箱或钙塑7.1
箱内,并保证在正常运输中不致损伤零件。单箱质量不超过30kg。在包装箱内应附有检验员签章的合格证,并应注明产品的名称、型号和数量。7.2
包装箱上应标明:
a)制造厂名称;
b)产品名称和型号;
c)产品的规格或标记;
d)件数和净重:
e)制造(出厂)日期。
7.4螺母装箱后应放在通风、干燥的仓库内,在正常保管情况下,自出厂之日起一年内不生锈3
共和国
机械行业标准
履带式推土机履带和齿块用螺母JB/T29843-1999
机械科学研究院出版发行
机械科学研究院印刷
(北京首体南路2号:邮编100044)*
开本880×12301/16印张1/2字数80002000年3月第一版2000年3月第一次印刷印数1-500定价500元
编号99-1278.2
机械工业标准服务网:htp/AvwwJB.ac.cn6
小提示:此标准内容仅展示完整标准里的部分截取内容,若需要完整标准请到上方自行免费下载完整标准文档。
标准图片预览:





- 其它标准
- 热门标准
- 机械行业标准(JB)
- JB/T2756-2006 无轨电车用炭滑块
- JB/T10056-1999 直流电流互感器 技术条件
- JB/T8679-2008 炭弧气刨炭棒 物理及使用性能试验方法
- JB/T8840-2013 电热器具用电源开关
- JB/T7895-2008 永磁筒式磁选机
- JB/T11340.3-2012 阀控式铅酸蓄电池安全阀 第3部分:橡胶帽、阀芯
- JB/T6316-2006 Z4系列直流电动机技术条件(机座号100~450)
- JB/T4328.10-1999 电工专用设备 球墨铸铁件通用技术条件
- JB/T9713-1999 工程机械 湿式铜基摩擦件 技术条件
- JB/T10930-2010 200级耐电晕漆包铜圆线
- JB∕T12675-2016 拖拉机液压系统清洁度限值及测量方法
- JB/T10677-2006 投影机 光源
- JB/T10573-2006 工具显微镜
- JB∕T12848-2016 拖拉机性能试验用跑道要求
- JB3704-1984 特种调压器用碳电阻片柱电气机械性能试验方法
- 行业新闻
请牢记:“bzxz.net”即是“标准下载”四个汉字汉语拼音首字母与国际顶级域名“.net”的组合。 ©2025 标准下载网 www.bzxz.net 本站邮件:bzxznet@163.com
网站备案号:湘ICP备2025141790号-2
网站备案号:湘ICP备2025141790号-2