- 您的位置:
- 标准下载网 >>
- 标准分类 >>
- 机械行业标准(JB) >>
- JB/T 7504-1994 静电喷涂装备 技术条件
- 标准号: - JB/T 7504-1994
- 标准名称: - 静电喷涂装备 技术条件
- 标准类别: - 机械行业标准(JB)
- 英文名称: Technical requirements for electrostatic spraying equipment
- 标准状态: 现行
- 
          	发布日期: 1994-10-25
- 
		 实施日期: 1995-10-01
- 出版语种: 简体中文
- 下载格式: .rar.pdf
- 下载大小: 160.42 KB
 标准简介/下载
标准简介/下载点击下载
标准简介:
										 标准下载解压密码:www.bzxz.net
					 					 
						 
	        
	      
					本标准规定了静电喷枪和其相关设备的型号、技术要求、试验、安装和安全使用。本标准适用于各种喷涂易姗物的静电喷枪及其相关设备,也适用于喷涂易燃物时可能产生易爆气体的其他类似装备。 JB/T 7504-1994 静电喷涂装备 技术条件 JB/T7504-1994 
  
               本标准规定了静电喷枪和其相关设备的型号、技术要求、试验、安装和安全使用。
本标准适用于各种喷涂易姗物的静电喷枪及其相关设备,也适用于喷涂易燃物时可能产生易爆气体的其他类似装备。
 标准内容
标准内容部分标准内容:
					
					中华人民共和国机械行业标准
静电喷涂装备技术条件
主题内容与适用范围
JB/T7504-1994
本标准规定了静电喷枪和其相关设备的型号、技术要求、试验、安装和安全使用。本标准适用于各种喷涂易燃物的静电喷枪及其相关设备,也适用于喷涂易燃物时可能产生易爆气体的其他类似装备。
引用标准
GB14773—1993涂装作业安全规程静电喷枪及其辅助装置安全技术条件JB5832--1991涂装用高压静电发生器3术语
3.1涂料喷出量
单位时间内由喷枪喷嘴喷出的指定粘度的涂料的容积。3.2雾幅
喷出涂料雾在指定距离的法面上的几何形状的大小。3.3静电压
指喷枪喷嘴处输出直流电压的平均值。3.4环抱作用
指涂料微粒沿高压静电场内电力线运动时对工件背面的环绕作用。3.5空气消耗量
指静电喷涂装备工作时单位时间的空气耗量。3.6雾幅方位
指喷出涂料雾立体的中轴方位。3.7当量口径
以圆孔喷嘴孔尺寸描述涂料喷出量相当的异形孔喷嘴。4
型号及型谱
4.1 型号
机械工业部1994-10-25批准
1995-10-01实施
(1,2.3,4,5)
JB/T7504—1994
输出直流电压额定值(kV)
涂料喷出量(mL/tnin)
辅助雾化方式
1一压缩空气式;2一涂料加压式;3一高压无气式4一空气辅压式;5—离心式
-装备
注:ESEq为静电喷涂装备各英语单词的第一个字母。其中;E=Electrostatic,S-Spray,Eq=Equipment4.2型谱
4.2.1直流高压输出额定值等级
静电喷涂装备的直流高压输出额定值应在下列数值中选取(单位:kV)60,80,100,120,140
4.2.2最大涂料喷出量等级
静电喷涂装备的最大涂料喷出量应在下列数值中选取(单位:mL/min)50,100,200,400,800,1000,1500例:ESEq3一1000/80为高压无气静电喷涂设备,喷料喷出量1000mL/min输出直流电压额定值80 kV.
5性能
5.1涂料喷出量,空气消耗量和喷涂雾幅本标准规定的静电喷涂装备是使用压缩空气作涂料辅助雾化动力,或辅以直接加压涂料膨胀雾化。还有利用机械旋转的离心力作涂料辅助雾化动力。表1
涂料供给方式
空气压送式
泵压送武
高压无气式
空气辅压式www.bzxz.net
被涂面积大小
大、小
漆雾形状
椭圆,圆
糖圆,圆
椭圆,圆
椭圆,圆
喷嘴当量口径
0. 8~-1. 8
0. 4~2. 0
空气消耗量
/(L/min)
160~300
280~560
270~340
500~720
160~300
涂料喷出量
/(mL/min)
45~130
120270
150~~240
250~~700
500~1500
4001500
雾幅尺寸
60~150
150~260
150~180
200~340
400-680
300~700
喷出涂料雾立体形状应可调,雾幅方位正确不得偏移,雾幅分布应正常、应没有影响膜厚及膜外观的粗大涂料粒子。
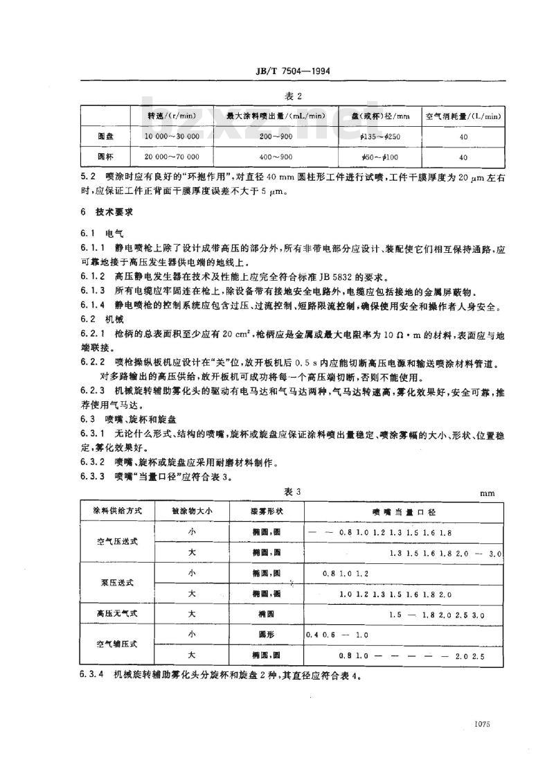
静电喷涂装备的喷嘴(旋盘或旋杯)尺寸、涂料喷出量、空气消耗和喷涂雾幅大小如表1、表2所示。
转速/(r/min)
10 000~30 000
20 000~70 000
JB/T 7504—1994
最大涂料喷出量/(mL/min)
200-900
400~900
盘(或杯)径/mm
135~$250
$50100
空气消耗量/(L/min)
5.2喷涂时应有良好的\环抱作用”,对直径40mm圆柱形工件进行试喷,工件干膜厚度为20μm左右时,应保证工件正背面干膜厚度误差不大于5um。6技术要求
6.1电气
6.1.1静电枪上除了设计成带高压的部分外,所有非带电部分应设计、装配使它们相互保持通路,应可靠地接于高压发生器供电端的地线上。6.1.2高压静电发生器在技术及性能上应完全符合标准JB5832的要求。6.1.3所有电缆应牢固连在枪上,除设备带有接地安全电路外,电缆应包括接地的金属屏蔽物。6.1.4静电喷枪的控制系统应包含过压、过流控制、短路限流控制,确保使用安全和操作者人身安全。6.2机械
6.2.1枪柄的总表面积至少应有20cm,枪柄应是金属或最大电阻率为10α·m的材料,表面应与地端联接。
6.2.2喷枪操纵板机应设计在\关”位,放开板机后0.5s内应能切断高压电源和输送喷涂材料管道。对多路输出的高压供给,放开板机可成功将每一个高压端切断,否则不能使用。6.2.3机械旋转辅助雾化头的驱动有电马达和气马达两种,气马达转速高,雾化效果好,安全可靠,推荐使用气马达。,
6.3喷嘴、旋杯和旋盘
6.3.1无论什么形式、结构的喷嘴,旋杯或旋盘应保证涂料喷出量稳定、喷涂雾幅的大小、形状、位置稳定,募化效果好。
6.3.2喷嘴、旋杯或旋盘应采用耐磨材料制作。喷喘“当量口径”应符合表3。
涂料供给方式
空气压送式
泵压送式
高压无气式
空气辅压式
被涂物大小
森募形状
椭圆,圆
椭圆,圆
糖圆,圆
橘国,菌
椭圆,圆
喷嘴当量口径
0.81.01.21.31.51.61.8
1.31.51.6 1.8 2.0- 3.0
0.8 1.0 1.2
1.01.21.31.51.61.82.0
0. 4 0.6- 1. 0
6.3.4机旋转辅助募化头分旋杯和旋盘2种,其直径应符合表4。1.8 2. 0 2.5 3. 0
旋杯直径
旋盘直径
6.4供漆设备
JB/T 7504—1994
6.4.1供漆设备可采用多种形式:涂料桶、压力桶、压力泵、高压无气泵等。6.4.2供漆设备应保证输漆量大小稳定、均匀。6.4.3供漆设备一般应有搅拌功能。6.4.4用于水性漆的供漆设备应对地有足够的绝缘电阻。使用环境
(1)温度:—10℃~~+40℃
(2)相对湿度:≤85%(空气温度为(20土5)℃时)(3)海拔高度不超过:1000m
(4)电源电压:a.c.(220士10%)V(特殊订货例外)(5)电源频率:50Hz(特殊订货例外)(6)发生器接地电阻:≤4Q
(7)运行地点无导电爆炸尘埃,无腐蚀金属和破坏绝缘的气体或液体,无剧烈振动与冲击。8标志、包装、运输及贮存
8.1标志
静电喷涂装备及相关装僵的明显处应设置耐久标志。标志应包括以下内容:
a)制造厂名或注册商标;
b)产品名称型号:
c)电源电压,频率;
d)输出额定电压、电流;
e)防护型式及等级,
f)制造日期及编号。
8.2包装
8.2.1静电喷枪及相关设备应包装良好其易损、易变形部位应置于固定缓冲材料中。8.2.2枪及设备应采用防潮湿性能较好的材料包装并有防雨淋措施。mm
8.2.3包装箱明显处应标有“”和“宁”的清晰标志并在其标志上方写有“向上”和“防止雨淋”字样。8.3运输及储存
8.3.1在装卸、运输过程中,应防止强烈振动及倒置,淋雨。8.3.2应储存于干燥、通风良好的室内,其周围应无腐蚀性气体或液体。9使用及使用说明书
使用说明书应由设备的制造单位提供,说明书的语种应符合顾客要求。使用说明书内容应包括设备的使用、安装、维护和安全注意事项等。9.1使用
9.1.1静电喷涂装备应由受过岗位技术培训并取得操作合格证的操作者使用。9.1.2操作场所应在显著位置上,用操作者理解的语言设立警告标牌,标牌上应注明各种操作过程中1076
的安全问题。
JB/T 7504—1994
9.1.3操作者使用的鞋和手套应具备抗静电功能(其电阻推荐值不大于10″0)。9.2安装
9.2.1地板
操作场所的地板应抗静电,地板上不允许积累任何残余物。9.2.2操作场所
操作场所周围结构的表面对地电阻应小于1Ma,工件通道的开口不得被天们用作过道。9.2.3排风
操作场所应强制换气、保证将易爆气体及时排出,同时换人清洁的新鲜空气。应保证排风系统停止时不得开启静电喷涂装备,有条件的地方应将排风系统与静电喷涂设备联锁。9.3保养和维修
关于喷枪清洗和维修应包括在使用说明书内,至少应有如下警告:9.3.1在喷漆场地开始清洗喷枪或执行其它工作之前必须关掉电源,并事先对地短路,消除喷涂设备内电蓄能。
9.3.2金属容器才可用于装清洗液,容器应可靠接地。9.3.3使用清洗溶剂的闪点应尽可能高,最好高于室温。9.3.4静电喷涂装备应按制造单位的说明按期维修保养。10试验和检验
静电喷涂装备须由生产厂家经过静电发生器试验与检验、安装试验与检验、喷涂性能试验与检验。10.1静电发生器试验与检验
静电发生器试验根据JB5832-1991中6.3和6.4条进行试验。其项目有:
a)绝缘试验;
b)负载试验;
c)短路电流试验;
d)过流保护试验;
e)空载电压试验:
f)空载冲击试验;
g)负载运行试验;
n)温升试验;
i)安全试验;
j)一般试验。
10.2安全试验与检验
安全试验和检验按GB14773—1993进行,其主要内容包括:a)冲击试验;
b)跌落试验;
c)点火试验;
d)高压电缆拉力试验;
e)高压绝缘试验:
f)压力试验。
10.3喷涂性能试验和检验
静电喷涂装备整体须按本标准第5章进行性能试验和检验。1077
JB/T7504—1994
性能试验和检验包括涂料喷出量、空气消耗量、喷涂雾幅、漆膜厚度、环抱作用等静电喷涂装备安装时使用的抗静电手套和抗静电地板须经相应试验。10.4
附加说明:
本标准由武汉材料保护研究所提出并归口。本标准由武汉材料保护研究所负责起草,北京静电设备厂参加起草。本标准主要起草人:张少山、孙南四。1078
小提示:此标准内容仅展示完整标准里的部分截取内容,若需要完整标准请到上方自行免费下载完整标准文档。
	 
	        
	      静电喷涂装备技术条件
主题内容与适用范围
JB/T7504-1994
本标准规定了静电喷枪和其相关设备的型号、技术要求、试验、安装和安全使用。本标准适用于各种喷涂易燃物的静电喷枪及其相关设备,也适用于喷涂易燃物时可能产生易爆气体的其他类似装备。
引用标准
GB14773—1993涂装作业安全规程静电喷枪及其辅助装置安全技术条件JB5832--1991涂装用高压静电发生器3术语
3.1涂料喷出量
单位时间内由喷枪喷嘴喷出的指定粘度的涂料的容积。3.2雾幅
喷出涂料雾在指定距离的法面上的几何形状的大小。3.3静电压
指喷枪喷嘴处输出直流电压的平均值。3.4环抱作用
指涂料微粒沿高压静电场内电力线运动时对工件背面的环绕作用。3.5空气消耗量
指静电喷涂装备工作时单位时间的空气耗量。3.6雾幅方位
指喷出涂料雾立体的中轴方位。3.7当量口径
以圆孔喷嘴孔尺寸描述涂料喷出量相当的异形孔喷嘴。4
型号及型谱
4.1 型号
机械工业部1994-10-25批准
1995-10-01实施
(1,2.3,4,5)
JB/T7504—1994
输出直流电压额定值(kV)
涂料喷出量(mL/tnin)
辅助雾化方式
1一压缩空气式;2一涂料加压式;3一高压无气式4一空气辅压式;5—离心式
-装备
注:ESEq为静电喷涂装备各英语单词的第一个字母。其中;E=Electrostatic,S-Spray,Eq=Equipment4.2型谱
4.2.1直流高压输出额定值等级
静电喷涂装备的直流高压输出额定值应在下列数值中选取(单位:kV)60,80,100,120,140
4.2.2最大涂料喷出量等级
静电喷涂装备的最大涂料喷出量应在下列数值中选取(单位:mL/min)50,100,200,400,800,1000,1500例:ESEq3一1000/80为高压无气静电喷涂设备,喷料喷出量1000mL/min输出直流电压额定值80 kV.
5性能
5.1涂料喷出量,空气消耗量和喷涂雾幅本标准规定的静电喷涂装备是使用压缩空气作涂料辅助雾化动力,或辅以直接加压涂料膨胀雾化。还有利用机械旋转的离心力作涂料辅助雾化动力。表1
涂料供给方式
空气压送式
泵压送武
高压无气式
空气辅压式www.bzxz.net
被涂面积大小
大、小
漆雾形状
椭圆,圆
糖圆,圆
椭圆,圆
椭圆,圆
喷嘴当量口径
0. 8~-1. 8
0. 4~2. 0
空气消耗量
/(L/min)
160~300
280~560
270~340
500~720
160~300
涂料喷出量
/(mL/min)
45~130
120270
150~~240
250~~700
500~1500
4001500
雾幅尺寸
60~150
150~260
150~180
200~340
400-680
300~700
喷出涂料雾立体形状应可调,雾幅方位正确不得偏移,雾幅分布应正常、应没有影响膜厚及膜外观的粗大涂料粒子。
静电喷涂装备的喷嘴(旋盘或旋杯)尺寸、涂料喷出量、空气消耗和喷涂雾幅大小如表1、表2所示。
转速/(r/min)
10 000~30 000
20 000~70 000
JB/T 7504—1994
最大涂料喷出量/(mL/min)
200-900
400~900
盘(或杯)径/mm
135~$250
$50100
空气消耗量/(L/min)
5.2喷涂时应有良好的\环抱作用”,对直径40mm圆柱形工件进行试喷,工件干膜厚度为20μm左右时,应保证工件正背面干膜厚度误差不大于5um。6技术要求
6.1电气
6.1.1静电枪上除了设计成带高压的部分外,所有非带电部分应设计、装配使它们相互保持通路,应可靠地接于高压发生器供电端的地线上。6.1.2高压静电发生器在技术及性能上应完全符合标准JB5832的要求。6.1.3所有电缆应牢固连在枪上,除设备带有接地安全电路外,电缆应包括接地的金属屏蔽物。6.1.4静电喷枪的控制系统应包含过压、过流控制、短路限流控制,确保使用安全和操作者人身安全。6.2机械
6.2.1枪柄的总表面积至少应有20cm,枪柄应是金属或最大电阻率为10α·m的材料,表面应与地端联接。
6.2.2喷枪操纵板机应设计在\关”位,放开板机后0.5s内应能切断高压电源和输送喷涂材料管道。对多路输出的高压供给,放开板机可成功将每一个高压端切断,否则不能使用。6.2.3机械旋转辅助雾化头的驱动有电马达和气马达两种,气马达转速高,雾化效果好,安全可靠,推荐使用气马达。,
6.3喷嘴、旋杯和旋盘
6.3.1无论什么形式、结构的喷嘴,旋杯或旋盘应保证涂料喷出量稳定、喷涂雾幅的大小、形状、位置稳定,募化效果好。
6.3.2喷嘴、旋杯或旋盘应采用耐磨材料制作。喷喘“当量口径”应符合表3。
涂料供给方式
空气压送式
泵压送式
高压无气式
空气辅压式
被涂物大小
森募形状
椭圆,圆
椭圆,圆
糖圆,圆
橘国,菌
椭圆,圆
喷嘴当量口径
0.81.01.21.31.51.61.8
1.31.51.6 1.8 2.0- 3.0
0.8 1.0 1.2
1.01.21.31.51.61.82.0
0. 4 0.6- 1. 0
6.3.4机旋转辅助募化头分旋杯和旋盘2种,其直径应符合表4。1.8 2. 0 2.5 3. 0
旋杯直径
旋盘直径
6.4供漆设备
JB/T 7504—1994
6.4.1供漆设备可采用多种形式:涂料桶、压力桶、压力泵、高压无气泵等。6.4.2供漆设备应保证输漆量大小稳定、均匀。6.4.3供漆设备一般应有搅拌功能。6.4.4用于水性漆的供漆设备应对地有足够的绝缘电阻。使用环境
(1)温度:—10℃~~+40℃
(2)相对湿度:≤85%(空气温度为(20土5)℃时)(3)海拔高度不超过:1000m
(4)电源电压:a.c.(220士10%)V(特殊订货例外)(5)电源频率:50Hz(特殊订货例外)(6)发生器接地电阻:≤4Q
(7)运行地点无导电爆炸尘埃,无腐蚀金属和破坏绝缘的气体或液体,无剧烈振动与冲击。8标志、包装、运输及贮存
8.1标志
静电喷涂装备及相关装僵的明显处应设置耐久标志。标志应包括以下内容:
a)制造厂名或注册商标;
b)产品名称型号:
c)电源电压,频率;
d)输出额定电压、电流;
e)防护型式及等级,
f)制造日期及编号。
8.2包装
8.2.1静电喷枪及相关设备应包装良好其易损、易变形部位应置于固定缓冲材料中。8.2.2枪及设备应采用防潮湿性能较好的材料包装并有防雨淋措施。mm
8.2.3包装箱明显处应标有“”和“宁”的清晰标志并在其标志上方写有“向上”和“防止雨淋”字样。8.3运输及储存
8.3.1在装卸、运输过程中,应防止强烈振动及倒置,淋雨。8.3.2应储存于干燥、通风良好的室内,其周围应无腐蚀性气体或液体。9使用及使用说明书
使用说明书应由设备的制造单位提供,说明书的语种应符合顾客要求。使用说明书内容应包括设备的使用、安装、维护和安全注意事项等。9.1使用
9.1.1静电喷涂装备应由受过岗位技术培训并取得操作合格证的操作者使用。9.1.2操作场所应在显著位置上,用操作者理解的语言设立警告标牌,标牌上应注明各种操作过程中1076
的安全问题。
JB/T 7504—1994
9.1.3操作者使用的鞋和手套应具备抗静电功能(其电阻推荐值不大于10″0)。9.2安装
9.2.1地板
操作场所的地板应抗静电,地板上不允许积累任何残余物。9.2.2操作场所
操作场所周围结构的表面对地电阻应小于1Ma,工件通道的开口不得被天们用作过道。9.2.3排风
操作场所应强制换气、保证将易爆气体及时排出,同时换人清洁的新鲜空气。应保证排风系统停止时不得开启静电喷涂装备,有条件的地方应将排风系统与静电喷涂设备联锁。9.3保养和维修
关于喷枪清洗和维修应包括在使用说明书内,至少应有如下警告:9.3.1在喷漆场地开始清洗喷枪或执行其它工作之前必须关掉电源,并事先对地短路,消除喷涂设备内电蓄能。
9.3.2金属容器才可用于装清洗液,容器应可靠接地。9.3.3使用清洗溶剂的闪点应尽可能高,最好高于室温。9.3.4静电喷涂装备应按制造单位的说明按期维修保养。10试验和检验
静电喷涂装备须由生产厂家经过静电发生器试验与检验、安装试验与检验、喷涂性能试验与检验。10.1静电发生器试验与检验
静电发生器试验根据JB5832-1991中6.3和6.4条进行试验。其项目有:
a)绝缘试验;
b)负载试验;
c)短路电流试验;
d)过流保护试验;
e)空载电压试验:
f)空载冲击试验;
g)负载运行试验;
n)温升试验;
i)安全试验;
j)一般试验。
10.2安全试验与检验
安全试验和检验按GB14773—1993进行,其主要内容包括:a)冲击试验;
b)跌落试验;
c)点火试验;
d)高压电缆拉力试验;
e)高压绝缘试验:
f)压力试验。
10.3喷涂性能试验和检验
静电喷涂装备整体须按本标准第5章进行性能试验和检验。1077
JB/T7504—1994
性能试验和检验包括涂料喷出量、空气消耗量、喷涂雾幅、漆膜厚度、环抱作用等静电喷涂装备安装时使用的抗静电手套和抗静电地板须经相应试验。10.4
附加说明:
本标准由武汉材料保护研究所提出并归口。本标准由武汉材料保护研究所负责起草,北京静电设备厂参加起草。本标准主要起草人:张少山、孙南四。1078
小提示:此标准内容仅展示完整标准里的部分截取内容,若需要完整标准请到上方自行免费下载完整标准文档。
 标准图片预览
标准图片预览 标准图片预览:





- 其它标准
- 热门标准
- 机械行业标准(JB)
- JB/T7895-2008 永磁筒式磁选机
- JB/T10930-2010 200级耐电晕漆包铜圆线
- JB/T10288-2001 连栋温室结构
- JB/T3411.50-1999 两爪顶拔器 尺寸
- JB/T10056-1999 直流电流互感器 技术条件
- JB/T2756-2006 无轨电车用炭滑块
- JB/T7140.1-1993 牲畜药浴机械 型式与基本参数
- JB/T9933.2-1999 小模数齿轮滚齿机 精度检验
- JB/T20086-2006 药用容器 料斗
- JB/T5934-1991 工程机械门锁 技术条件
- JB/T8108.2-1999 起重用短环链 用于葫芦的其他起重设备的T(8)级校准链条
- JB/T8528-1997 普通型阀门电动装置 技术条件
- JB/T9768-1999 内燃机 气缸套平台珩磨网纹 技术规范及检测方法
- JB/T5000.14-2007 重型机械通用技术条件 第14部分:铸钢件无损探伤
- JB∕T12618-2016 家用和类似用途电器的触摸开关
- 行业新闻
请牢记:“bzxz.net”即是“标准下载”四个汉字汉语拼音首字母与国际顶级域名“.net”的组合。 ©2025 标准下载网 www.bzxz.net 本站邮件:bzxznet@163.com
网站备案号:湘ICP备2025141790号-2
网站备案号:湘ICP备2025141790号-2
