- 您的位置:
- 标准下载网 >>
- 标准分类 >>
- 其他行业标准 >>
- FZ/T 63054-2021涤纶色纺缝纫线
标准号:
FZ/T 63054-2021
标准名称:
涤纶色纺缝纫线
标准类别:
其他行业标准
英文名称:
Sewing threads of colored polyester fiber标准状态:
现行-
发布日期:
2021-08-21 -
实施日期:
2022-02-01 出版语种:
简体中文下载格式:
.pdf .zip
部分标准内容:
ICS59.080.20
CCSW58
中华人民共和国纺织行业标准
FZ/T63054-—2021
涤纶色纺缝纫线
Sewing threads of coloredpolyesterfiber2021-08-21发布
中华人民共和国工业和信息化部2022-02-01实施
FZ/T63054—2021免费标准bzxz.net
本文件按照GB/T1.1一2020《标准化工作导则第1部分:标准化文件的结构和起草规则》的规定起草。
请注意本文件的某些内容可能涉及专利。本文件的发布机构不承担识别专利的责任。本文件由中国纺织工业联合会提出。本文件由全国家用纺织品标准化技术委员会线带分技术委员会(SAC/TC302/SC2)归口。本文件起草单位:江阴市无染彩实业有限公司、上海市纺织工业技术监督所、石狮市飞轮线带织造有限公司、沪江线业有限公司、浙江沪江线业有限公司、张家港市创新线业有限公司、沈阳新区弘曲棉纺织有限公司、浙江耿基实业有限公司、杭州长翼纺织机械有限公司、浙江日发纺机技术有限公司、成都同兴德线业有限公司、江苏金和泰纤维科技有限公司。本文件主要起草人:陈建忠、朱晓红、奚德昌、段丽慧、吴金星、唐映华、杨兴伟、季超、孙会儒、丁玉龙、傅岳琴、江国勇、程燕、王玉萍。I
1范围
涤纶色纺缝纫线
FZ/T63054—2021
本文件规定了涤纶色纺缝纫线产品的术语和定义、产品分类、标记、要求、分等规定、试验方法、检验规则,包装标志和运输贮存。
本文件适用于涤纶色纺缝纫线。2规范性引用文件
下列文件中的内容通过文中的规范性引用而构成本文件必不可少的条款。其中,注日期的引用文件,仅该日期对应的版本适用于本文件;不注日期的引用文件,其最新版本(包括所有的修改单)适用于本文件。
GB/T250纺织品
GB/T251
纺织品
色牢度试验
金评定变色用灰色样卡
色牢度试验评定沾色用灰色样卡1计数抽样检验程序第1部分:按接收质量限(AQL)检索的逐批检验抽样计划GB/T2828.1
GB/T3916
GB/T3920
纺织品
卷装纱单根纱线断裂强力和断裂伸长率的测定(CRE法)纺织品
色牢度试验耐摩擦色牢度
GB/T3921一2008纺织品色牢度试验耐皂洗色牢度GB/T4743—2009
GB/T6152--1997
纺织品卷装纱绞纱法线密度的测定色牢度试验耐热压色牢度
纺织品
GB/T6836—2018
缝纫线
GB18401
GB31701
国家纺织产品基本安全技术规范婴幼儿及儿童纺织产品安全技术规范FZ/T10008
棉及化纤纯纺、混纺纱线标志与包装3术语和定义
下列术语和定义适用于本文件。3.1
sewingthreadsofcoloredpolyesterfiber涤纶色纺缝纫线
以有色缝纫线用涤纶短纤维为原料,经纺纱、抢线、定型、上油卷绕成筒等工艺制成的涤纶色纺缝纫线。
4产品分类、标记
涤纶色纺缝纫线以线密度分类。4.2涤纶色纺缝纫线原料代号为PC。涤纶色纺缝纫线标记时,应分别标明原料代号、单纱线密度和股数。4.3
示例:涤纶色纺缝纫线的单纱线密度为14.8tex,股数为2股,应写成:PC14.8texX2。1
FZ/T63054—2021
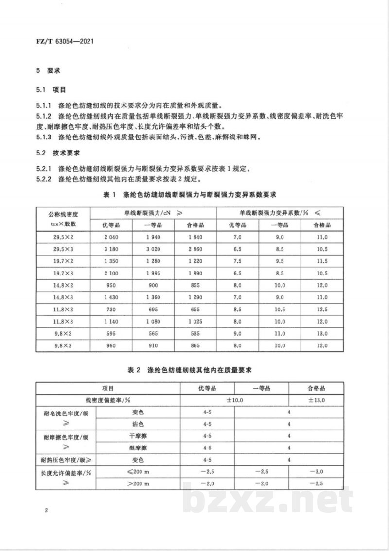
涤纶色纺缝纫线的技术要求分为内在质量和外观质量。5.1.1
5.1.2涤纶色纺缝纫线内在质量包括单线断裂强力、单线断裂强力变异系数、线密度偏差率、耐洗色牢度、耐摩擦色牢度、耐热压色牢度、长度允许偏差率和结头个数。5.1.3涤纶色纺缝纫线外观质量包括表面结头、污渍、色差、麻懈线和蛛网。5.2
技术要求
涤纶色纺缝纫线断裂强力与断裂强力变异系数要求按表1规定。涤纶色纺缝纫线其他内在质量要求按表2规定。表1
涤纶色纺缝纫线断裂强力与断裂强力变异系数要求公称线密度
tex×股数
优等品
单线断裂强力/cN
一等品
线密度偏差率/%
耐皂洗色牢度/级
耐摩擦色牢度/级
耐热压色牢度/级≥
长度允许偏差率/%
合格品
单线断裂强力变异系数/%
优等品
涤纶色纺缝纫线其他内在质量要求优等品
干摩擦
湿摩擦
≤200m
一等品
一等品
合格品
合格品
结头个数
(包括面结)
表2涤纶色纺缝纫线其他内在质量要求(续)优等品
≤1000m
1000m~5000m含5000m)
>5000m
注:面结为相当于结头的严重疵点。5.2.3
涤纶色纺缝纫线外观质量要求按表3。0
一等品
FZ/T63054—2021
合格品
每增加1000m,允许增加0.2个结头(不足1000m按1000m计算)
表3涤纶色纺缝纫线外观质量要求项目
表面结头
色差/级
按色卡或来样
盒内个与个之间
优等品
4级及以上面积不超
过1cm或单根线
不超过4cm
不允许
大小头不允许跳线
一等品
a)3级及以上,面积不超过
1cm2或单根线不超过
2级以上面积不超过0.16
cm或单根线不超过
轻微者允许
塔筒线小头允许跳线1根,每
根跳线长度不超过半圈。大
头不允许跳线
注:表面结头为在产品表面或端面的股线结头或相当于结头的棉结。3产品的安全性能
合格品
3级以上,面积不超过2cm2
或单根线不超过16cm;
2级以上面积不超过0.32
cm2或单根线不超过6cm
不符合一等品要求
塔简线小头允许跳线2根,每根
跳线长度不超过半圈。大头不
允许跳线
产品应符合GB18401要求;应用于婴幼儿及儿童类的应符合GB31701的要求。6分等规定
6.1同一原料、同一工艺连续生产的同一规格的产品作为一个或若干检验批。6.2涤纶色纺缝纫线内在质量按批评定,并以其中最低的一项评等,外观质量按筒评定,以其中最低的一项评等。产品最终等级由内在质量等级与外观质量等级进行综合评定,按其中最低一项评定。6.3产品质量等级分为优等品、一等品、合格品。7试验方法
单线断裂强力、单线断裂强力变异系数试验7.1
按GB/T3916规定执行。
FZ/T63054—2021
7.2线密度偏差率试验
按GB/T4743一2009中程序3执行,线密度偏差率按式(1)计算。T,-T。
式中:
线密度偏差率,%;
T,-实际线密度,单位为特克斯(tex);T。—设计线密度,单位为特克斯(tex)。7.3耐皂洗色牢度试验
按GB/T3921一2008规定执行,试验条件为C(3),采用单纤维贴衬。7.4耐摩擦色牢度试验
按GB/T3920执行。
7.5耐热压色牢度试验
按GB/T6152--1997中温度为(150士2)℃干压执行。7.6长度偏差率试验
7.6.1长度试验用测长器应符合GB/T4743规定。7.6.2测试长度时,单线预加张力为(0.5士0.1)cN/tex。·(1)
7.6.3样品在测长器上每摇满100m后更换一个卷绕位置,依次类推,直至全部摇完为止,不足1m长的线用米尺测量,精确至0.01m。7.6.4实测长度应以该试验值的平均值表示,计算结果修约至一位小数。7.6.5长度偏差率按公式(2)计算,结果修约至一位小数。L-L×100
式中:
长度偏差率,%;
L一一涤纶色纺缝纫线的实测长度,单位为米(m);L.
-涤纶色纺缝纫线的名义长度,单位为米(m)。7.7结头试验
按GB/T6836—2018中5.5规定执行。7.8外观质量检验
7.8.1外观质量检验条件
..(2)
采用室内北向自然光源,如光源不足,照度低于6001x时,可用标准光源D65或近似40W正常青光日光灯(70士10)cm距离间补足照度。7.8.2外观质量检验规定
外观质量检验内容按目测评定,色差按GB/T250、污渍的深浅程度按GB/T251评定。4
8检验规则
内在质量检验
内在质量检验按表4进行取样,各试验项目试验分别按7.1~7.7执行,表4内在质量每批抽取试样数量及试验次数规定项目
单线断裂强力
单线断裂强力变异系数
线密度偏差率
耐皂洗色牢度
耐摩擦色牢度
耐热压色牢度
外观质量检验
数量/简
FZ/T63054—2021
总次数
外观质量批以筒为单位抽验,抽样数量按照GB/T2828.1标准正常一次抽样方案,一般检验水平I,接收质量限(AQL)为2.5规定抽样,具体抽样方案按表5。表5
5涤纶色纺缝纫线外观质量检验抽样方案单位为筒
批量范围N
151~500
501~1200
1201~3200
3201~10000
样本大小n
注:当批量范围小于样本大小时,全数检验。8.3验收
合格判定数Ac
不合格判定数Re
收货方在收到缝纫线时应立即进行验收,如不验收,可按供货方检验结果收货。若收货方按8.1和8.2进行抽验后,其结果达不到标准规定时,可由双方共同重新抽取相同数量的产品进行复验,复验结果应为该批产品的最终结果值。包装标志
按FZ/T10008规定执行。
FZ/T63054—2021
10运输贮存
10.1在运输过程中,应有严密遮盖,不能受雨、受潮和高温,以防变质。10.2应堆放在干燥仓库,应保存在离地5cm以上的地基上,四周空隙10cm以上处,并做好通风散湿工作,以防受潮。
10.3存放应先进先出,并经常翻堆检查。10.4工厂交货后,如因运输、储存、保管不善,以致产品质量受到影响或发生变质时,应由责任方负责。若不能确定运输、储存或保管的因素影响时,应由供需双方共同研究分析,分清责任,由责任方负责。FZ/T63054-2021
码上扫一扫正版服务到
中华人民共和国纺织
行业标准
涤纶色纺缝纫线
FZ/T63054—2021
中国标准出版社出版发行
北京市朝阳区和平里西街甲2号(100029)北京市西城区三里河北街16号(100045)网址www.spc.net.cn
总编室:(010)68533533发行中心:(010)51780238读者服务部:(010)68523946
中国标准出版社秦皇岛印刷厂印刷各地新华书店经销
开本880×12301/16
2021年12月第一版
印张0.75字数18千字
2021年12月第一次印刷
书号:155066·2-36429
如有印装差错
由本社发行中心调换
版权专有
侵权必究
举报电话:(010)68510107
小提示:此标准内容仅展示完整标准里的部分截取内容,若需要完整标准请到上方自行免费下载完整标准文档。
CCSW58
中华人民共和国纺织行业标准
FZ/T63054-—2021
涤纶色纺缝纫线
Sewing threads of coloredpolyesterfiber2021-08-21发布
中华人民共和国工业和信息化部2022-02-01实施
FZ/T63054—2021免费标准bzxz.net
本文件按照GB/T1.1一2020《标准化工作导则第1部分:标准化文件的结构和起草规则》的规定起草。
请注意本文件的某些内容可能涉及专利。本文件的发布机构不承担识别专利的责任。本文件由中国纺织工业联合会提出。本文件由全国家用纺织品标准化技术委员会线带分技术委员会(SAC/TC302/SC2)归口。本文件起草单位:江阴市无染彩实业有限公司、上海市纺织工业技术监督所、石狮市飞轮线带织造有限公司、沪江线业有限公司、浙江沪江线业有限公司、张家港市创新线业有限公司、沈阳新区弘曲棉纺织有限公司、浙江耿基实业有限公司、杭州长翼纺织机械有限公司、浙江日发纺机技术有限公司、成都同兴德线业有限公司、江苏金和泰纤维科技有限公司。本文件主要起草人:陈建忠、朱晓红、奚德昌、段丽慧、吴金星、唐映华、杨兴伟、季超、孙会儒、丁玉龙、傅岳琴、江国勇、程燕、王玉萍。I
1范围
涤纶色纺缝纫线
FZ/T63054—2021
本文件规定了涤纶色纺缝纫线产品的术语和定义、产品分类、标记、要求、分等规定、试验方法、检验规则,包装标志和运输贮存。
本文件适用于涤纶色纺缝纫线。2规范性引用文件
下列文件中的内容通过文中的规范性引用而构成本文件必不可少的条款。其中,注日期的引用文件,仅该日期对应的版本适用于本文件;不注日期的引用文件,其最新版本(包括所有的修改单)适用于本文件。
GB/T250纺织品
GB/T251
纺织品
色牢度试验
金评定变色用灰色样卡
色牢度试验评定沾色用灰色样卡1计数抽样检验程序第1部分:按接收质量限(AQL)检索的逐批检验抽样计划GB/T2828.1
GB/T3916
GB/T3920
纺织品
卷装纱单根纱线断裂强力和断裂伸长率的测定(CRE法)纺织品
色牢度试验耐摩擦色牢度
GB/T3921一2008纺织品色牢度试验耐皂洗色牢度GB/T4743—2009
GB/T6152--1997
纺织品卷装纱绞纱法线密度的测定色牢度试验耐热压色牢度
纺织品
GB/T6836—2018
缝纫线
GB18401
GB31701
国家纺织产品基本安全技术规范婴幼儿及儿童纺织产品安全技术规范FZ/T10008
棉及化纤纯纺、混纺纱线标志与包装3术语和定义
下列术语和定义适用于本文件。3.1
sewingthreadsofcoloredpolyesterfiber涤纶色纺缝纫线
以有色缝纫线用涤纶短纤维为原料,经纺纱、抢线、定型、上油卷绕成筒等工艺制成的涤纶色纺缝纫线。
4产品分类、标记
涤纶色纺缝纫线以线密度分类。4.2涤纶色纺缝纫线原料代号为PC。涤纶色纺缝纫线标记时,应分别标明原料代号、单纱线密度和股数。4.3
示例:涤纶色纺缝纫线的单纱线密度为14.8tex,股数为2股,应写成:PC14.8texX2。1
FZ/T63054—2021
涤纶色纺缝纫线的技术要求分为内在质量和外观质量。5.1.1
5.1.2涤纶色纺缝纫线内在质量包括单线断裂强力、单线断裂强力变异系数、线密度偏差率、耐洗色牢度、耐摩擦色牢度、耐热压色牢度、长度允许偏差率和结头个数。5.1.3涤纶色纺缝纫线外观质量包括表面结头、污渍、色差、麻懈线和蛛网。5.2
技术要求
涤纶色纺缝纫线断裂强力与断裂强力变异系数要求按表1规定。涤纶色纺缝纫线其他内在质量要求按表2规定。表1
涤纶色纺缝纫线断裂强力与断裂强力变异系数要求公称线密度
tex×股数
优等品
单线断裂强力/cN
一等品
线密度偏差率/%
耐皂洗色牢度/级
耐摩擦色牢度/级
耐热压色牢度/级≥
长度允许偏差率/%
合格品
单线断裂强力变异系数/%
优等品
涤纶色纺缝纫线其他内在质量要求优等品
干摩擦
湿摩擦
≤200m
一等品
一等品
合格品
合格品
结头个数
(包括面结)
表2涤纶色纺缝纫线其他内在质量要求(续)优等品
≤1000m
1000m~5000m含5000m)
>5000m
注:面结为相当于结头的严重疵点。5.2.3
涤纶色纺缝纫线外观质量要求按表3。0
一等品
FZ/T63054—2021
合格品
每增加1000m,允许增加0.2个结头(不足1000m按1000m计算)
表3涤纶色纺缝纫线外观质量要求项目
表面结头
色差/级
按色卡或来样
盒内个与个之间
优等品
4级及以上面积不超
过1cm或单根线
不超过4cm
不允许
大小头不允许跳线
一等品
a)3级及以上,面积不超过
1cm2或单根线不超过
2级以上面积不超过0.16
cm或单根线不超过
轻微者允许
塔筒线小头允许跳线1根,每
根跳线长度不超过半圈。大
头不允许跳线
注:表面结头为在产品表面或端面的股线结头或相当于结头的棉结。3产品的安全性能
合格品
3级以上,面积不超过2cm2
或单根线不超过16cm;
2级以上面积不超过0.32
cm2或单根线不超过6cm
不符合一等品要求
塔简线小头允许跳线2根,每根
跳线长度不超过半圈。大头不
允许跳线
产品应符合GB18401要求;应用于婴幼儿及儿童类的应符合GB31701的要求。6分等规定
6.1同一原料、同一工艺连续生产的同一规格的产品作为一个或若干检验批。6.2涤纶色纺缝纫线内在质量按批评定,并以其中最低的一项评等,外观质量按筒评定,以其中最低的一项评等。产品最终等级由内在质量等级与外观质量等级进行综合评定,按其中最低一项评定。6.3产品质量等级分为优等品、一等品、合格品。7试验方法
单线断裂强力、单线断裂强力变异系数试验7.1
按GB/T3916规定执行。
FZ/T63054—2021
7.2线密度偏差率试验
按GB/T4743一2009中程序3执行,线密度偏差率按式(1)计算。T,-T。
式中:
线密度偏差率,%;
T,-实际线密度,单位为特克斯(tex);T。—设计线密度,单位为特克斯(tex)。7.3耐皂洗色牢度试验
按GB/T3921一2008规定执行,试验条件为C(3),采用单纤维贴衬。7.4耐摩擦色牢度试验
按GB/T3920执行。
7.5耐热压色牢度试验
按GB/T6152--1997中温度为(150士2)℃干压执行。7.6长度偏差率试验
7.6.1长度试验用测长器应符合GB/T4743规定。7.6.2测试长度时,单线预加张力为(0.5士0.1)cN/tex。·(1)
7.6.3样品在测长器上每摇满100m后更换一个卷绕位置,依次类推,直至全部摇完为止,不足1m长的线用米尺测量,精确至0.01m。7.6.4实测长度应以该试验值的平均值表示,计算结果修约至一位小数。7.6.5长度偏差率按公式(2)计算,结果修约至一位小数。L-L×100
式中:
长度偏差率,%;
L一一涤纶色纺缝纫线的实测长度,单位为米(m);L.
-涤纶色纺缝纫线的名义长度,单位为米(m)。7.7结头试验
按GB/T6836—2018中5.5规定执行。7.8外观质量检验
7.8.1外观质量检验条件
..(2)
采用室内北向自然光源,如光源不足,照度低于6001x时,可用标准光源D65或近似40W正常青光日光灯(70士10)cm距离间补足照度。7.8.2外观质量检验规定
外观质量检验内容按目测评定,色差按GB/T250、污渍的深浅程度按GB/T251评定。4
8检验规则
内在质量检验
内在质量检验按表4进行取样,各试验项目试验分别按7.1~7.7执行,表4内在质量每批抽取试样数量及试验次数规定项目
单线断裂强力
单线断裂强力变异系数
线密度偏差率
耐皂洗色牢度
耐摩擦色牢度
耐热压色牢度
外观质量检验
数量/简
FZ/T63054—2021
总次数
外观质量批以筒为单位抽验,抽样数量按照GB/T2828.1标准正常一次抽样方案,一般检验水平I,接收质量限(AQL)为2.5规定抽样,具体抽样方案按表5。表5
5涤纶色纺缝纫线外观质量检验抽样方案单位为筒
批量范围N
151~500
501~1200
1201~3200
3201~10000
样本大小n
注:当批量范围小于样本大小时,全数检验。8.3验收
合格判定数Ac
不合格判定数Re
收货方在收到缝纫线时应立即进行验收,如不验收,可按供货方检验结果收货。若收货方按8.1和8.2进行抽验后,其结果达不到标准规定时,可由双方共同重新抽取相同数量的产品进行复验,复验结果应为该批产品的最终结果值。包装标志
按FZ/T10008规定执行。
FZ/T63054—2021
10运输贮存
10.1在运输过程中,应有严密遮盖,不能受雨、受潮和高温,以防变质。10.2应堆放在干燥仓库,应保存在离地5cm以上的地基上,四周空隙10cm以上处,并做好通风散湿工作,以防受潮。
10.3存放应先进先出,并经常翻堆检查。10.4工厂交货后,如因运输、储存、保管不善,以致产品质量受到影响或发生变质时,应由责任方负责。若不能确定运输、储存或保管的因素影响时,应由供需双方共同研究分析,分清责任,由责任方负责。FZ/T63054-2021
码上扫一扫正版服务到
中华人民共和国纺织
行业标准
涤纶色纺缝纫线
FZ/T63054—2021
中国标准出版社出版发行
北京市朝阳区和平里西街甲2号(100029)北京市西城区三里河北街16号(100045)网址www.spc.net.cn
总编室:(010)68533533发行中心:(010)51780238读者服务部:(010)68523946
中国标准出版社秦皇岛印刷厂印刷各地新华书店经销
开本880×12301/16
2021年12月第一版
印张0.75字数18千字
2021年12月第一次印刷
书号:155066·2-36429
如有印装差错
由本社发行中心调换
版权专有
侵权必究
举报电话:(010)68510107
小提示:此标准内容仅展示完整标准里的部分截取内容,若需要完整标准请到上方自行免费下载完整标准文档。
标准图片预览:





- 其它标准
- 热门标准
- 其他行业标准
- QB/T4320-2012 鲜花包装纸
- FZ/T92024-2017 LZ系列下罗拉轴承
- YB/T2406-2015 富锰渣
- QB/T1151-2011 订书钉
- CECS:8997 建筑与建筑群综合布线系统工程施工及验收规范CECS89:97
- GJB910-1990 玻璃纤维增强塑料蜂窝夹层结构通用规范
- QB/T4621-2013 水平尺通用技术条件
- YS/T1101-2016 船舶压缩机零件用铝白铜棒
- JB/T9444-2015 复印机械基本环境试验方法
- YS/T990.2-2014 冰铜化学分析方法 第2部分:金量和银量的测定 原子吸收光谱法和火试金法
- QX/T337-2016 高清晰度电视气象节目演播室录制技术规范
- QX/T263-2015 太阳能光伏系统防雷技术规范
- QB/T5005-2016 甜菜糖蜜
- QB/T4196-2011 聚氨酯转移薄膜
- QB/T4686-2014 家用和类似用途湿巾机
- 行业新闻
请牢记:“bzxz.net”即是“标准下载”四个汉字汉语拼音首字母与国际顶级域名“.net”的组合。 ©2025 标准下载网 www.bzxz.net 本站邮件:bzxznet@163.com
网站备案号:湘ICP备2025141790号-2
网站备案号:湘ICP备2025141790号-2