- 您的位置:
- 标准下载网 >>
- 标准分类 >>
- 其他行业标准 >>
- FZ/T 62042-2020凉感面料床上用品
标准号:
FZ/T 62042-2020
标准名称:
凉感面料床上用品
标准类别:
其他行业标准
英文名称:
Cool-feeling fabric bedding标准状态:
现行-
发布日期:
2020-12-09 -
实施日期:
2021-04-01 出版语种:
简体中文下载格式:
.pdf .zip
部分标准内容:
ICS_97.160
中华人民共和国纺织行业标准
FZ/T62042—2020
凉感面料床上用品
Cool-feelingfabricbedding
2020-12-09发布
中华人民共和国工业和信息化部2021-04-01实施
本标准按照GB/T1.1一2009给出的规则起草。本标准由中国纺织工业联合会提出并归口。FZ/T62042—2020
本标准起草单位:安徽锦庭家纺有限公司、愉悦家纺有限公司、纺织工业科学技术发展中心、中纺标检验认证股份有限公司、广东产品质量监督检验研究院、罗莱生活科技股份有限公司、深圳市富安娜家居用品股份有限公司、宁波市纤维检验所、厦门市华喜针纺有限公司、安徽农业大学。本标准主要起草人:吕静、田琳琳、杨福斌、胡勇杰、黄敏、张天祥、朱建芳、王健、张国清、林国芳、陆敬京。
1范围
凉感面料床上用品
FZ/T62042—2020
本标准规定了凉感面料床上用品的要求、试验方法、检验规则、标志、包装、运输和贮存。本标准适用于以含有接触瞬间凉感功能的织物为面料加工制成的床上用品。2规范性引用文件
下列文件对于本文件的应用是必不可少的。凡是注日期的引用文件,仅注日期的版本适用于本文件。凡是不注日期的引用文件,其最新版本(包括所有的修改单)适用于本文件。GB/T250纺织品
色牢度试验评定变色用灰色样卡GB/T2910(所有部分)
纺织品定量化学分析
GB/T3920
色牢度试验耐摩擦色牢度
纺织品
GB/T3921一2008纺织品色牢度试验耐皂洗色牢度纺织品色牢度试验耐汗渍色牢度GB/T3922
GB/T3923.1
GB/T4802.2
GB/T4841.3
GB/T5296.4
GB/T5711
GB/T6977
纺织品织物拉伸性能第1部分:断裂强力和断裂伸长率的测定(条样法)纺织品织物起毛起球性能的测定第2部分:改型马丁代尔法染料染色标准深度色卡2/1、1/3、1/6、1/12、1/25消费品使用说明第4部分:纺织品和服装色牢度试验耐四氯乙烯干洗色牢度纺织品
洗净羊毛乙醇萃取物、灰分、植物性杂质、总碱不溶物含量试验方法GB/T8427一2008纺织品色牢度试验耐人造光色牢度:氙弧GB/T8628
纺织品测定尺寸变化的试验中织物试祥和服装的准备、标记及测量GB/T8629—2017纺织品试验用家庭洗涤和干燥程序GB/T8630
GB/T14340
GB/T14801
纺织品洗涤和干燥后尺寸变化的测定合成短纤维含油率试验方法
机织物与针织物纬斜和弓纬试验方法絮用纤维制品通用技术要求
GB18383
GB18401
国家纺织产品基本安全技术规范5纺织品顶破强力的测定钢球法
GB/T19976
GB/T19981.2纺织品织物和服装的专业维护、干洗和湿洗第2部分:使用四氯乙烯干洗和
整烫时性能试验的程序
GB/T22796—2009
被、被套
纺织制品断针类残留物的检测方法GB/T24121
GB/T24252—2009蚕丝被
GB/T29862
纺织品纤维含量标识
婴幼儿及儿童纺织产品安全技术规范GB31701
FZ/T62042—2020
GB/T35263
FZ/T01026
纺织品
纺织品
接触瞬间凉感性能的检测和评价定量化学分析多组分纤维混合物FZ/T01057(所有部分)
3要求
安全和内在质量要求
纺织纤维鉴别试验方法
安全要求至少应符合GB18401的B类要求、GB31701的B类和GB18383有关要求。产品无缝针、断针等对人体有伤害的金属异物。内在质量要求见表1。
考核项目
纤维含量偏差/%
填充物质量偏差率\/%
填充物含油率*/%
织物断裂强力°/N
织物顶破强力\/N
织物起球性能\/级
洗后尺寸变化率\/%
耐光*
耐皂洗
耐干洗
织物染色牢度/级
耐汗渍
耐摩擦
接触凉感系数(洗前和洗
后)/J/(cm2·s)
松紧带连接强力\/Nwww.bzxz.net
内在质量要求
符合GB/T29862要求
化学纤维类
蚕丝类
机织类
针织类
AAA级
-4.0~+2.0
-5.5~+3.0
洗后外观
考核项目
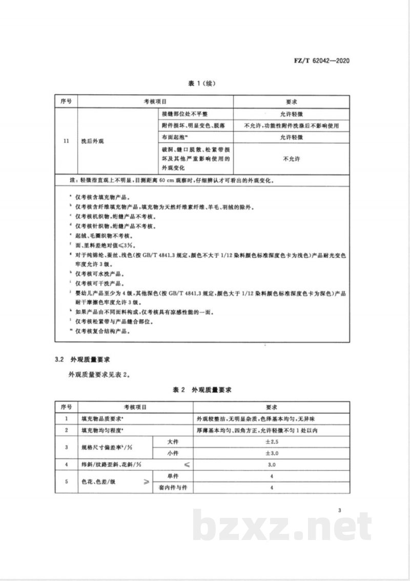
表1(续)
接缝部位处不平整
附件损坏、明显变色、脱落
布面起泡”
破洞、缝口脱散、松紧带损
坏及其他严重影响使用的
外观变化
FZ/T62042—2020
允许轻微
不允许,功能性附件洗涤后不影响使用允许轻微
不允许
注:轻微指直观上不明显,目测距离60cm观察时,仔细辨认才可看出的外观变化,仅考核含填充物产品。
仅考核含纤维填充物产品,填充物为天然纤维素纤维、羊毛、羽绒的除外。仅考核机织物,缝产品不考核。a
仅考核针织物,绗缝产品不考核。起绒、毛圈织物不考核。
面、里料差绝对值≤3%。
对于纯锦纶、蚕丝、浅色(按GB/T4841.3规定,颜色不大于1/12染料颜色标准深度色卡为浅色)产品耐光变色牢度允许3级。
仅考核可水洗产品。
仅考核可干洗产品。
婴幼儿产品至少为4级,其他深色(按GB/T4841.3规定,颜色大于1/12染料颜色标准深度色卡为深色)产品耐干摩擦色牢度允许3级。
如果产品由不同面料构成,仅考核具有凉感性能的一面。仅考核松紧带与产品缝合部位。”仅考核复合结构产品。
外观质量要求
外观质量要求见表2。
考核项目
填充物品质要求?
填充物均匀程度
规格尺寸偏差率\/%
纬斜/纹路歪斜、花斜/%
色花、色差/级
套内件与件
外观质量要求
外观较整洁,无明显杂质,色泽基本均匀,无异味厚薄基本均匀、四角方正,允许轻微不匀1处以内±2.5
FZ/T62042—2020
外观症点
缝纫质量
绗缝质量
绣花质量
考核项目
破损、针眼
色斑、污渍
线状症点
表2(续)
条块状症点
印花不良
不允许
不允许
允许轻微(≤1处/面)
允许轻微(≤1处/面)
轻微搭、沾、渗色、漏印,不影响外观应不与人体直接接触,拉链拉合时不得夹持面料轨迹匀、直、牢固,卷边拼缝平服齐直,宽窄一致,不露毛,面/里料缝制错位小于1cm;接针套正,边口处应打回针。针迹密度:平缝≥10针/3cm,缝针;包缝≥9针/3cm轨迹流畅、平服、无折皱夹布;绗缝起止处应打回针,接针套正、无线头;针迹整齐均匀
针码平服,绣面平整;绣边轮廊整齐;针码均匀细薄、细密适当;行针流畅,掺色自然,富有立体感;绣面整洁无沾污。贴绣平服,无明显漏绣,喷绣色彩准确、牢固、过渡自然,不重叠、不错位
注1:最大尺寸(长度或宽度方向)大于100cm为大件,小于等于100cm为小件。注2:轻微指直观上不明显,目测距离60cm观察时,仔细辨认才可以看出的外观变化。:仅考核含填充物的产品。
。床单规格尺寸只考核负偏差。e
外观点及程度说明见附录A。
试验方法
安全和内在质量
4.1.1缝针、断针等金属异物按GB/T24121执行,婴幼儿床上用品采用测试卡范围为1.0mm,其他为1.2mm。
4.1.2纤维含量的测定按GB/T2910(所有部分)、FZ/T01026、FZ/T01057(所有部分)执行,填充物取样按GB/T22796—2009附录C中规定执行。填充物质量偏差率的测定按GB/T22796一2009中6.1.1规定执行。4.1.3
4.1.4填充物含油率的测定:化学纤维按GB/T14340执行,天然蛋白质纤维按GB/T6977执行,蚕丝按GB/T24252—2009附录C中规定执行,填充物取样按GB/T22796—2009附录C中规定执行。4.1.5
机织物断裂强力的测定按GB/T3923.1执行。针织物项破强力的测定按GB/T19976执行,钢球直径采用(38士0.02)mm。起球性能的测定按GB/T4802.2执行,摩擦次数2000转,取与试样相同的织物作为磨料。洗后尺寸变化率的测定按产品标签上明示的洗涤方法进行水洗或干洗,若产品标签未明示洗涤方法,则水洗尺寸变化率的测定按GB/T8628和GB/T8630执行,采用GB/T8629—2017洗涤程序4N,洗后将试样悬挂晾干;干洗尺寸变化率的测定按GB/T19981.2规定执行。4
4.1.9耐光色牢度的测定按GB/T8427-2008中方法3执行。4.1.10耐皂洗色牢度的测定按GB/T3921-2008中A(1)执行。4.1.11耐干洗色牢度检测按GB/T5711执行。4.1.12耐汗渍色牢度的测定按GB/T3922执行。4.1.13耐摩擦色牢度的测定按GB/T3920执行。FZ/T62042—2020
4.1.14洗后外观试验方法:取整件产品按产品标签上的明示的洗涤方法进行水洗或干洗,若产品标签未明示洗涤方法,水洗程序采用GB/T8629—2017中A型洗衣机4N程序洗涤,洗后悬挂晾干;干洗程序按GB/T19981.2规定执行。
4.1.15接触凉感性能的测定按GB/T35263执行,测试温差15℃,以凉感床上用品整体作测试对象。对于洗涤后接触凉感性能的测定,试样按GB/T35263测试前,按产品标签上的明示的洗涤方法进行水洗或干洗,若产品标签未明示洗涤方法,水洗程序采用GB/T8629一2017中A型洗衣机4N洗涤程序循环洗涤5次,洗后悬挂晾干;干洗程序按GB/T19981.2规定执行。4.1.16松紧带连接强力按GB/T3923.1执行。取待测样品上所有松紧带与产品的缝合部位进行测试。松紧带部位取样:在松紧带与产品缝合部位,以缝合线为中心线左右各剪取50mm士1mm,隔距为50mm士1mm,拉伸速度为100mm/min士10mm/min。夹样时保证试样的接缝位于两夹持器中间且平行于夹持线。当所有试样在拉力达到70N未发生断裂或破损时判定为合格,当有一个或以上试样在拉力达到70N发生断裂或破损时判定为不合格。4.2外观质量
4.2.1在自然北昼光或日光灯下进行,检验台表面照度不低于6001x。且照度均匀,检验人员眼部距产品60cm左右,检验人员以目光、手感进行检验。4.2.2填充物均匀程度的测定以检验人员双手用力触摸产品进行。4.2.3规格尺寸偏差率的测定:将产品平放在检验台上,用手轻轻理平,使产品呈自然伸缩状态,用直尺、钢卷尺或软尺在整个产品长、宽方向的四分之一和四分之三处测量实际值,精确至1mm,按式(1)进行计算,结果保留1位小数。
式中:
P——规格尺寸偏差率,%;
L-Lo×100
L,——产品规格尺寸实测值,单位为毫米(mm);L。一—产品规格尺寸明示值,单位为毫米(mm)。4.2.4纬斜、纹路歪斜、花斜的测定按GB/T14801执行。4.2.5色花、色差的测定按GB/T250评定变色用灰色样卡进行评定。5检验规则
5.1抽样
5.1.1按同一品种、同一色别的产品作为检验批。..(1)
5.1.2安全和内在质量检验抽样:在检验批中随机抽取1个单元样本,样本大小应满足4.1中各项试验的用量。对于需要经过洗涤后测试的项目,在检验批中随机抽取2个单元样本,其中1个用于洗前试验,另1个用于洗后试验。
5.1.3外观质量检验抽样方案见表3。5
FZ/T62042—2020
批量范围N
91~150
151~280
281~500
501~1200
外观质量检验抽样方案
样品量n
4检验样本从检验批中随机抽取,外包装应完整。5.1.4
合格判定数Ac
5当样本量n大于批量N时,实施全检,合格判定数Ac为0。5.1.5
5抽样方案另有规定和合同协议的,按有关规定和合同协议执行。5.1.6
5.2判定
安全和内在质量要求的判定
单位为套或件
不合格判定数Re
所有安全和内在质量要求项目检验结果符合3.1全部要求时则判定该批产品的安全和内在质量合格,否则为不合格。对于凉感性能等级的评定,产品洗涤前和洗涤后均应达到相应等级要求。5.2.2
外观质量的判定
按表2对批样的每个样本进行外观质量评定,符合表2全部要求的为外观质量合格,否则为不合格。如果外观质量不合格数小于或等于表3的接收数Ac,则判检验批合格;如果不合格样本数大于或等于表3的拒收数Re,则判检验批不合格。3结果判定
按5.2.1和5.2.2判定均为合格,则该批产品合格,否则判定该批产品不合格。6标志、包装、运输和贮存
产品使用说明应符合GB/T5296.4的要求,至少包含下列内容:a)
产品名称;
安全类别:
产品规格(如长度、宽度)和填充物质量;纤维成分及含量;
凉感性能等级,即凉感A级、凉感AA级、凉感AAA级;维护方法;
本标准编号;
制造商名称和地址;
需要时,明示具有接触凉感性能的一面。每件产品应有包装,包装大小根据具体产品而定。包装材料应选择适当,应保证在储运过程中不6.2
散落、不破损、不沾污、不受潮。6.3产品运输时应防潮、防破损、防污染。6.4
产品应贮存在防潮、通风、干燥的仓库内,不得与易燃、易爆、带腐蚀性的物品一起堆放。6
机织外观疵点
(规范性附录)
外观疵点及程度说明
线状症点:沿经向或纬向延伸的、宽度不超过0.2cm的所有各类疵点。FZ/T62042—2020
条块状疵点:沿经向或纬向延伸的、宽度超过0.2cm的疵点,不包括色、污渍。破损:相邻的纱、线断2根及以上的破洞、破边,0.3cm及以上的跳花。针织外观疵点
线状疵点:一个针柱或一根纱线或宽度在1mm及以内的疵点。条块状疵点:超过线状疵点的疵点。破损:断掉一根及以上纱线或织物结构不完整的疵点。疵点轻微、明显程度规定
见表A.1。
外观疵点及程度说明
疵点名称
印染症
纱、织症
程度说明
参比GB/T250评定变色用灰色样卡,3-4级及以上为轻微,3-4级以下为明显轻
条块状
粗度不大于线密度3倍的粗经,线状错经,稀1~2根纱的箍路,粗度不大于线密度3倍的粗纬、双纬、纬纱百脚、竹节纱等疵点轮廊模糊,隐约可见,对产品美观和使用影响较小粗度大于线密度3倍的粗经,锯齿状错经、断经、跳纱,稀2根纱以上的箍路,粗度大于线密度3倍的粗纬、竹节纱,脱纬,锯齿状百脚,一梭3根的多纱,色、油、污纱等
症点轮廊清晰,直观可见,影响美观和使用杂物织人,条干不匀,经缩波纹,叠起来看不易发现的稀密路,拆痕不起毛症点轮廊模糊,隐约可见,对产品美观和使用影响较小并列跳纱,明显影响外观的杂物织入,条干不匀,叠起来看容易发现的稀密路,折痕起毛,经缩浪纹,宽0.2cm以上的箍路,针路等疵点轮廊清晰,直观可见,影响美观和使用
小提示:此标准内容仅展示完整标准里的部分截取内容,若需要完整标准请到上方自行免费下载完整标准文档。
中华人民共和国纺织行业标准
FZ/T62042—2020
凉感面料床上用品
Cool-feelingfabricbedding
2020-12-09发布
中华人民共和国工业和信息化部2021-04-01实施
本标准按照GB/T1.1一2009给出的规则起草。本标准由中国纺织工业联合会提出并归口。FZ/T62042—2020
本标准起草单位:安徽锦庭家纺有限公司、愉悦家纺有限公司、纺织工业科学技术发展中心、中纺标检验认证股份有限公司、广东产品质量监督检验研究院、罗莱生活科技股份有限公司、深圳市富安娜家居用品股份有限公司、宁波市纤维检验所、厦门市华喜针纺有限公司、安徽农业大学。本标准主要起草人:吕静、田琳琳、杨福斌、胡勇杰、黄敏、张天祥、朱建芳、王健、张国清、林国芳、陆敬京。
1范围
凉感面料床上用品
FZ/T62042—2020
本标准规定了凉感面料床上用品的要求、试验方法、检验规则、标志、包装、运输和贮存。本标准适用于以含有接触瞬间凉感功能的织物为面料加工制成的床上用品。2规范性引用文件
下列文件对于本文件的应用是必不可少的。凡是注日期的引用文件,仅注日期的版本适用于本文件。凡是不注日期的引用文件,其最新版本(包括所有的修改单)适用于本文件。GB/T250纺织品
色牢度试验评定变色用灰色样卡GB/T2910(所有部分)
纺织品定量化学分析
GB/T3920
色牢度试验耐摩擦色牢度
纺织品
GB/T3921一2008纺织品色牢度试验耐皂洗色牢度纺织品色牢度试验耐汗渍色牢度GB/T3922
GB/T3923.1
GB/T4802.2
GB/T4841.3
GB/T5296.4
GB/T5711
GB/T6977
纺织品织物拉伸性能第1部分:断裂强力和断裂伸长率的测定(条样法)纺织品织物起毛起球性能的测定第2部分:改型马丁代尔法染料染色标准深度色卡2/1、1/3、1/6、1/12、1/25消费品使用说明第4部分:纺织品和服装色牢度试验耐四氯乙烯干洗色牢度纺织品
洗净羊毛乙醇萃取物、灰分、植物性杂质、总碱不溶物含量试验方法GB/T8427一2008纺织品色牢度试验耐人造光色牢度:氙弧GB/T8628
纺织品测定尺寸变化的试验中织物试祥和服装的准备、标记及测量GB/T8629—2017纺织品试验用家庭洗涤和干燥程序GB/T8630
GB/T14340
GB/T14801
纺织品洗涤和干燥后尺寸变化的测定合成短纤维含油率试验方法
机织物与针织物纬斜和弓纬试验方法絮用纤维制品通用技术要求
GB18383
GB18401
国家纺织产品基本安全技术规范5纺织品顶破强力的测定钢球法
GB/T19976
GB/T19981.2纺织品织物和服装的专业维护、干洗和湿洗第2部分:使用四氯乙烯干洗和
整烫时性能试验的程序
GB/T22796—2009
被、被套
纺织制品断针类残留物的检测方法GB/T24121
GB/T24252—2009蚕丝被
GB/T29862
纺织品纤维含量标识
婴幼儿及儿童纺织产品安全技术规范GB31701
FZ/T62042—2020
GB/T35263
FZ/T01026
纺织品
纺织品
接触瞬间凉感性能的检测和评价定量化学分析多组分纤维混合物FZ/T01057(所有部分)
3要求
安全和内在质量要求
纺织纤维鉴别试验方法
安全要求至少应符合GB18401的B类要求、GB31701的B类和GB18383有关要求。产品无缝针、断针等对人体有伤害的金属异物。内在质量要求见表1。
考核项目
纤维含量偏差/%
填充物质量偏差率\/%
填充物含油率*/%
织物断裂强力°/N
织物顶破强力\/N
织物起球性能\/级
洗后尺寸变化率\/%
耐光*
耐皂洗
耐干洗
织物染色牢度/级
耐汗渍
耐摩擦
接触凉感系数(洗前和洗
后)/J/(cm2·s)
松紧带连接强力\/Nwww.bzxz.net
内在质量要求
符合GB/T29862要求
化学纤维类
蚕丝类
机织类
针织类
AAA级
-4.0~+2.0
-5.5~+3.0
洗后外观
考核项目
表1(续)
接缝部位处不平整
附件损坏、明显变色、脱落
布面起泡”
破洞、缝口脱散、松紧带损
坏及其他严重影响使用的
外观变化
FZ/T62042—2020
允许轻微
不允许,功能性附件洗涤后不影响使用允许轻微
不允许
注:轻微指直观上不明显,目测距离60cm观察时,仔细辨认才可看出的外观变化,仅考核含填充物产品。
仅考核含纤维填充物产品,填充物为天然纤维素纤维、羊毛、羽绒的除外。仅考核机织物,缝产品不考核。a
仅考核针织物,绗缝产品不考核。起绒、毛圈织物不考核。
面、里料差绝对值≤3%。
对于纯锦纶、蚕丝、浅色(按GB/T4841.3规定,颜色不大于1/12染料颜色标准深度色卡为浅色)产品耐光变色牢度允许3级。
仅考核可水洗产品。
仅考核可干洗产品。
婴幼儿产品至少为4级,其他深色(按GB/T4841.3规定,颜色大于1/12染料颜色标准深度色卡为深色)产品耐干摩擦色牢度允许3级。
如果产品由不同面料构成,仅考核具有凉感性能的一面。仅考核松紧带与产品缝合部位。”仅考核复合结构产品。
外观质量要求
外观质量要求见表2。
考核项目
填充物品质要求?
填充物均匀程度
规格尺寸偏差率\/%
纬斜/纹路歪斜、花斜/%
色花、色差/级
套内件与件
外观质量要求
外观较整洁,无明显杂质,色泽基本均匀,无异味厚薄基本均匀、四角方正,允许轻微不匀1处以内±2.5
FZ/T62042—2020
外观症点
缝纫质量
绗缝质量
绣花质量
考核项目
破损、针眼
色斑、污渍
线状症点
表2(续)
条块状症点
印花不良
不允许
不允许
允许轻微(≤1处/面)
允许轻微(≤1处/面)
轻微搭、沾、渗色、漏印,不影响外观应不与人体直接接触,拉链拉合时不得夹持面料轨迹匀、直、牢固,卷边拼缝平服齐直,宽窄一致,不露毛,面/里料缝制错位小于1cm;接针套正,边口处应打回针。针迹密度:平缝≥10针/3cm,缝针;包缝≥9针/3cm轨迹流畅、平服、无折皱夹布;绗缝起止处应打回针,接针套正、无线头;针迹整齐均匀
针码平服,绣面平整;绣边轮廊整齐;针码均匀细薄、细密适当;行针流畅,掺色自然,富有立体感;绣面整洁无沾污。贴绣平服,无明显漏绣,喷绣色彩准确、牢固、过渡自然,不重叠、不错位
注1:最大尺寸(长度或宽度方向)大于100cm为大件,小于等于100cm为小件。注2:轻微指直观上不明显,目测距离60cm观察时,仔细辨认才可以看出的外观变化。:仅考核含填充物的产品。
。床单规格尺寸只考核负偏差。e
外观点及程度说明见附录A。
试验方法
安全和内在质量
4.1.1缝针、断针等金属异物按GB/T24121执行,婴幼儿床上用品采用测试卡范围为1.0mm,其他为1.2mm。
4.1.2纤维含量的测定按GB/T2910(所有部分)、FZ/T01026、FZ/T01057(所有部分)执行,填充物取样按GB/T22796—2009附录C中规定执行。填充物质量偏差率的测定按GB/T22796一2009中6.1.1规定执行。4.1.3
4.1.4填充物含油率的测定:化学纤维按GB/T14340执行,天然蛋白质纤维按GB/T6977执行,蚕丝按GB/T24252—2009附录C中规定执行,填充物取样按GB/T22796—2009附录C中规定执行。4.1.5
机织物断裂强力的测定按GB/T3923.1执行。针织物项破强力的测定按GB/T19976执行,钢球直径采用(38士0.02)mm。起球性能的测定按GB/T4802.2执行,摩擦次数2000转,取与试样相同的织物作为磨料。洗后尺寸变化率的测定按产品标签上明示的洗涤方法进行水洗或干洗,若产品标签未明示洗涤方法,则水洗尺寸变化率的测定按GB/T8628和GB/T8630执行,采用GB/T8629—2017洗涤程序4N,洗后将试样悬挂晾干;干洗尺寸变化率的测定按GB/T19981.2规定执行。4
4.1.9耐光色牢度的测定按GB/T8427-2008中方法3执行。4.1.10耐皂洗色牢度的测定按GB/T3921-2008中A(1)执行。4.1.11耐干洗色牢度检测按GB/T5711执行。4.1.12耐汗渍色牢度的测定按GB/T3922执行。4.1.13耐摩擦色牢度的测定按GB/T3920执行。FZ/T62042—2020
4.1.14洗后外观试验方法:取整件产品按产品标签上的明示的洗涤方法进行水洗或干洗,若产品标签未明示洗涤方法,水洗程序采用GB/T8629—2017中A型洗衣机4N程序洗涤,洗后悬挂晾干;干洗程序按GB/T19981.2规定执行。
4.1.15接触凉感性能的测定按GB/T35263执行,测试温差15℃,以凉感床上用品整体作测试对象。对于洗涤后接触凉感性能的测定,试样按GB/T35263测试前,按产品标签上的明示的洗涤方法进行水洗或干洗,若产品标签未明示洗涤方法,水洗程序采用GB/T8629一2017中A型洗衣机4N洗涤程序循环洗涤5次,洗后悬挂晾干;干洗程序按GB/T19981.2规定执行。4.1.16松紧带连接强力按GB/T3923.1执行。取待测样品上所有松紧带与产品的缝合部位进行测试。松紧带部位取样:在松紧带与产品缝合部位,以缝合线为中心线左右各剪取50mm士1mm,隔距为50mm士1mm,拉伸速度为100mm/min士10mm/min。夹样时保证试样的接缝位于两夹持器中间且平行于夹持线。当所有试样在拉力达到70N未发生断裂或破损时判定为合格,当有一个或以上试样在拉力达到70N发生断裂或破损时判定为不合格。4.2外观质量
4.2.1在自然北昼光或日光灯下进行,检验台表面照度不低于6001x。且照度均匀,检验人员眼部距产品60cm左右,检验人员以目光、手感进行检验。4.2.2填充物均匀程度的测定以检验人员双手用力触摸产品进行。4.2.3规格尺寸偏差率的测定:将产品平放在检验台上,用手轻轻理平,使产品呈自然伸缩状态,用直尺、钢卷尺或软尺在整个产品长、宽方向的四分之一和四分之三处测量实际值,精确至1mm,按式(1)进行计算,结果保留1位小数。
式中:
P——规格尺寸偏差率,%;
L-Lo×100
L,——产品规格尺寸实测值,单位为毫米(mm);L。一—产品规格尺寸明示值,单位为毫米(mm)。4.2.4纬斜、纹路歪斜、花斜的测定按GB/T14801执行。4.2.5色花、色差的测定按GB/T250评定变色用灰色样卡进行评定。5检验规则
5.1抽样
5.1.1按同一品种、同一色别的产品作为检验批。..(1)
5.1.2安全和内在质量检验抽样:在检验批中随机抽取1个单元样本,样本大小应满足4.1中各项试验的用量。对于需要经过洗涤后测试的项目,在检验批中随机抽取2个单元样本,其中1个用于洗前试验,另1个用于洗后试验。
5.1.3外观质量检验抽样方案见表3。5
FZ/T62042—2020
批量范围N
91~150
151~280
281~500
501~1200
外观质量检验抽样方案
样品量n
4检验样本从检验批中随机抽取,外包装应完整。5.1.4
合格判定数Ac
5当样本量n大于批量N时,实施全检,合格判定数Ac为0。5.1.5
5抽样方案另有规定和合同协议的,按有关规定和合同协议执行。5.1.6
5.2判定
安全和内在质量要求的判定
单位为套或件
不合格判定数Re
所有安全和内在质量要求项目检验结果符合3.1全部要求时则判定该批产品的安全和内在质量合格,否则为不合格。对于凉感性能等级的评定,产品洗涤前和洗涤后均应达到相应等级要求。5.2.2
外观质量的判定
按表2对批样的每个样本进行外观质量评定,符合表2全部要求的为外观质量合格,否则为不合格。如果外观质量不合格数小于或等于表3的接收数Ac,则判检验批合格;如果不合格样本数大于或等于表3的拒收数Re,则判检验批不合格。3结果判定
按5.2.1和5.2.2判定均为合格,则该批产品合格,否则判定该批产品不合格。6标志、包装、运输和贮存
产品使用说明应符合GB/T5296.4的要求,至少包含下列内容:a)
产品名称;
安全类别:
产品规格(如长度、宽度)和填充物质量;纤维成分及含量;
凉感性能等级,即凉感A级、凉感AA级、凉感AAA级;维护方法;
本标准编号;
制造商名称和地址;
需要时,明示具有接触凉感性能的一面。每件产品应有包装,包装大小根据具体产品而定。包装材料应选择适当,应保证在储运过程中不6.2
散落、不破损、不沾污、不受潮。6.3产品运输时应防潮、防破损、防污染。6.4
产品应贮存在防潮、通风、干燥的仓库内,不得与易燃、易爆、带腐蚀性的物品一起堆放。6
机织外观疵点
(规范性附录)
外观疵点及程度说明
线状症点:沿经向或纬向延伸的、宽度不超过0.2cm的所有各类疵点。FZ/T62042—2020
条块状疵点:沿经向或纬向延伸的、宽度超过0.2cm的疵点,不包括色、污渍。破损:相邻的纱、线断2根及以上的破洞、破边,0.3cm及以上的跳花。针织外观疵点
线状疵点:一个针柱或一根纱线或宽度在1mm及以内的疵点。条块状疵点:超过线状疵点的疵点。破损:断掉一根及以上纱线或织物结构不完整的疵点。疵点轻微、明显程度规定
见表A.1。
外观疵点及程度说明
疵点名称
印染症
纱、织症
程度说明
参比GB/T250评定变色用灰色样卡,3-4级及以上为轻微,3-4级以下为明显轻
条块状
粗度不大于线密度3倍的粗经,线状错经,稀1~2根纱的箍路,粗度不大于线密度3倍的粗纬、双纬、纬纱百脚、竹节纱等疵点轮廊模糊,隐约可见,对产品美观和使用影响较小粗度大于线密度3倍的粗经,锯齿状错经、断经、跳纱,稀2根纱以上的箍路,粗度大于线密度3倍的粗纬、竹节纱,脱纬,锯齿状百脚,一梭3根的多纱,色、油、污纱等
症点轮廊清晰,直观可见,影响美观和使用杂物织人,条干不匀,经缩波纹,叠起来看不易发现的稀密路,拆痕不起毛症点轮廊模糊,隐约可见,对产品美观和使用影响较小并列跳纱,明显影响外观的杂物织入,条干不匀,叠起来看容易发现的稀密路,折痕起毛,经缩浪纹,宽0.2cm以上的箍路,针路等疵点轮廊清晰,直观可见,影响美观和使用
小提示:此标准内容仅展示完整标准里的部分截取内容,若需要完整标准请到上方自行免费下载完整标准文档。
标准图片预览:





- 其它标准
- 上一篇: FZ/T 62041-2020数码印花毛巾
- 下一篇: FZ/T 63054-2021涤纶色纺缝纫线
- 热门标准
- 其他行业标准
- QB/T4320-2012 鲜花包装纸
- FZ/T92024-2017 LZ系列下罗拉轴承
- YB/T2406-2015 富锰渣
- QB/T1151-2011 订书钉
- CECS:8997 建筑与建筑群综合布线系统工程施工及验收规范CECS89:97
- GJB910-1990 玻璃纤维增强塑料蜂窝夹层结构通用规范
- QB/T4621-2013 水平尺通用技术条件
- YS/T1101-2016 船舶压缩机零件用铝白铜棒
- JB/T9444-2015 复印机械基本环境试验方法
- YS/T990.2-2014 冰铜化学分析方法 第2部分:金量和银量的测定 原子吸收光谱法和火试金法
- QX/T337-2016 高清晰度电视气象节目演播室录制技术规范
- QX/T263-2015 太阳能光伏系统防雷技术规范
- QB/T5005-2016 甜菜糖蜜
- QB/T4196-2011 聚氨酯转移薄膜
- QB/T4686-2014 家用和类似用途湿巾机
- 行业新闻
请牢记:“bzxz.net”即是“标准下载”四个汉字汉语拼音首字母与国际顶级域名“.net”的组合。 ©2025 标准下载网 www.bzxz.net 本站邮件:bzxznet@163.com
网站备案号:湘ICP备2025141790号-2
网站备案号:湘ICP备2025141790号-2