- 您的位置:
- 标准下载网 >>
- 标准分类 >>
- 其他行业标准 >>
- FZ/T 62041-2020数码印花毛巾
标准号:
FZ/T 62041-2020
标准名称:
数码印花毛巾
标准类别:
其他行业标准
英文名称:
Digital printed towel标准状态:
现行-
发布日期:
2020-04-16 -
实施日期:
2020-10-01 出版语种:
简体中文下载格式:
.pdf .zip
部分标准内容:
ICS.97.160
中华人民共和国纺织行业标准
FZ/T62041—2020
数码印花毛巾
Digital printed towel
2020-04-16发布
中华人民共和国工业和信息化部发布
2020-10-01实施
本标准按照GB/T1.1一2009给出的规则起草。本标准由中国纺织工业联合会提出。FZ/T62041-2020
本标准由全国家用纺织品标准化技术委员会毛巾分技术委员会(SAC/TC302/SC3)归口。本标准主要起草单位:山东滨州亚光毛巾有限公司、滨州市纺织纤维检验所、孚日集团股份有限公司、中国家用纺织品行业协会、南通大东有限公司、浙江双灯家纺有限公司、浙江洁丽雅针织品销售有限公司、河北瑞春纺织有限公司。本标准主要起草人:王红星、张富勇、张鲁鲁、丁日东、张在成、王志新、沈三群、华雪梅、石然如、张尚昆、杜换福。
1范围
数码印花毛巾
FZ/T62041—2020
本标准规定了数码印花毛巾的要求、试验方法、检验规则、使用说明、包装、运输和贮存。本标准适用于利用数码印花技术生产的机织毛巾产品,其他毛巾产品参照执行。2规范性引用文件
下列文件对于本文件的应用是必不可少的。凡是注日期的引用文件,仅注日期的版本适用于本文件。凡是不注日期的引用文件,其最新版本(包括所有的修改单)适用于本文件。纺织品色牢度试验评定变色用灰色样卡GB/T250
GB/T2910(所有部分)纺织品定量化学分析GB/T3920纺织品色牢度试验耐摩擦色牢度GB/T3921一2008纺织品色牢度试验耐皂洗色牢度GB/T3922
纺织品色牢度试验耐汗渍色牢度GB/T3923.1
纺织品织物拉伸性能第1部分:断裂强力和断裂伸长率的测定(条样法)GB/T4841.3
染料染色标准深度色卡2/1、1/3、1/6、1/12、1/25GB/T5296.4
消费品使用说明第4部分:纺织品和服装GB/T5713
GB/T8170
纺织品色牢度试验耐水色牢度
数值修约规则与极限数值的表示和判定GB/T8427一2008纺织品色牢度试验耐人造光色牢度:氙弧国家纺织产品基本安全技术规范GB18401
GB/T227982019毛币产品脱毛测试方法GB/T22799一2019毛币产品吸水性测试方法GB/T22864毛巾
GB/T29862纺织品纤维含量的标识GB31701婴幼儿及儿童纺织产品安全技术规范FZ/T01057(所有部分)纺织纤维鉴别试验方法FZ/T60033家用纺织品毛巾不均匀水洗尺寸变化的测定6毛巾产品单位面积质量测试方法FZ/T60046
3要求
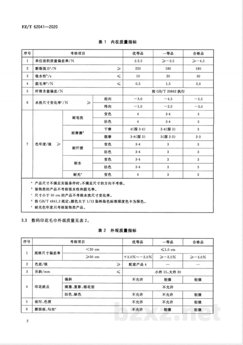
数码印花毛巾产品应符合GB18401、GB31701的规定。3.2数码印花毛巾内在质量见表1。1
FZ/T62041-2020
考核项目
单位面积质量偏差率/%
断裂强力*/N
吸水性/s
脱毛率*/%
纤维含量偏差/%
水洗尺寸变化率?/%
耐皂洗
耐摩擦d
色牢度/级
耐汗渍
耐光?
内在质量指标
优等品
产品尺寸不满足实验条件时,不满足尺寸的方向不考核。装饰类的产品不考核吸水性和脱毛率。尺寸小于30cm的产品不考核水洗尺寸变化率。220
4(深3-4)
3-4(深3)
按GB/T4841.3规定,颜色大于1/12染料染色标准深度色卡为深色。d
耐光色牢度只考核装饰类产品。数码印花毛巾外观质量见表2。
表2外观质量指标
规格尺寸偏差率
色差/级
吊斜/mm
印花疵点
油污、色渍
磨损痕、勾丝
考核项目
≥30cm
滴墨、重影、错花型
沾色、缺色
优等品
一等品
按GB/T29862执行
3-4(深3)
3(深2-3)
一等品
+3.0%~-2.0%
配套产品4
不允许
不允许
不允许
不允许
小件15,大件20
不允许
不允许
不允许
合格品
合格品
线状疵点/(处/条)
条状疵点/处/条
跳针、脱线
考核项目
包缝针密度/(针/5cm)
:轻微指以目测不易辨认,不影响总体使用。b疵点说明按GB/T22864中规定的疵点执行。4试验方法
内在质量检验
表2(续)
安全性能按照GB18401、GB31701执行。优等品
不允许
不允许
单位面积质量偏差率的测定按照FZ/T60046执行。断裂强力的测定按GB/T3923.1执行。吸水性的测定按GB/T22799-—2019中沉降法执行。脱毛率的测定按GB/T22798—2019中称重法执行。一等品
不允许
纤维含量的测定按GB/T2910(所有部分)、FZ/T01057(所有部分)执行。水洗尺寸变化率的测定按FZ/T60033执行。耐皂洗色牢度的测定按GB/T3921一2008中方法C执行。耐摩擦色牢度的测定按GB/T3920执行。耐汗渍色牢度的测定按GB/T3922执行。耐水色牢度的测定按GB/T5713执行。耐光色牢度的测定按GB/T8427—2008中方法3执行。4.2外观质量检验
规格尺寸偏差率的测定
工具:钢尺。
FZ/T62041—2020
合格品Www.bzxZ.net
4.2.1.2将产品平摊在检验台上,用手轻轻理平,使其呈自然伸缩状态,用钢尺在整个产品长、宽方向的四分之一和四分之三处测量,精确到1mm,按式(1)进行计算,计算结果按GB/T8170修约至1位小数。
式中:
规格尺寸偏差率,%;
P=4二×100
样品规格尺寸实测值,单位为毫米(mm);样品规格尺寸明示值,单位为毫米(mm)。4.2.2色差
按GB/T250评定。
.(1)
FZ/T62041—2020
4.2.3吊斜的测定
将毛巾沿长度方向对折,一手将一侧两角对齐后捏紧,一手捏紧同侧对折点,轻抖后铺平放于测量台上,用钢尺测量另一侧两角尖点之间的距离,精确至1mm。换另一侧两角对齐,重复以上动作。以数据较大者为试验结果。
5检验规则
5.1抽样
交货批中同一品种、同一规格的产品作为检验批5.1.1
5.1.2内在质量检验样本从检验批中随机抽取,抽取方案见表3,每个样品所含产品数量应满足检验要求。
表3内在质量检验抽样方案
批量N
2~50
51~500
501~35000
>35 000
样本量n
接收数Ac
外观质量检验样本从检验批中随机抽取,外包装应完整,抽样方案见表4。外观质量检验抽样方案
批量N
50~500
501~1200
1201~3200
5.2判定
样本量n
5.2.1产品不符合GB18401、GB31701按不合格品判定。接收数Ac
拒收数Re
拒收数Re
5.2.2单件产品内在质量按表1最低一项评等,外观质量按表2最低一项评等,综合质量按内在质量和外观质量中的最低等评定。
5.2.3内在质量批判定按表3执行,外观质量批判定按表4执行。不合格数小于或等于Ac,则判检验批合格;不合格大于或等于Re,则判检验批不合格。5.2.4综合质量批按内在质量、外观质量抽样检查中最低等判定。6
使用说明、包装、运输和贮存
使用说明
产品标识应符合GB/T5296.4要求,产品应标明规格尺寸。产品规格用产品的长度和宽度表示,4
单位为cm。
6.2包装
FZ/T 62041—2020
产品应分类包装,包装及包装用材料应确保产品不易散落、破损、污染、受潮,或按供需双方协商确定。
6.3运输
产品在运输中应保证不破损、不沾污、不受潮、防雨,不得长期暴晒,保持包装完整。6.4贮存
产品贮存时应放于通风、干燥、清洁的场所,要远离火源和高温源。5
小提示:此标准内容仅展示完整标准里的部分截取内容,若需要完整标准请到上方自行免费下载完整标准文档。
中华人民共和国纺织行业标准
FZ/T62041—2020
数码印花毛巾
Digital printed towel
2020-04-16发布
中华人民共和国工业和信息化部发布
2020-10-01实施
本标准按照GB/T1.1一2009给出的规则起草。本标准由中国纺织工业联合会提出。FZ/T62041-2020
本标准由全国家用纺织品标准化技术委员会毛巾分技术委员会(SAC/TC302/SC3)归口。本标准主要起草单位:山东滨州亚光毛巾有限公司、滨州市纺织纤维检验所、孚日集团股份有限公司、中国家用纺织品行业协会、南通大东有限公司、浙江双灯家纺有限公司、浙江洁丽雅针织品销售有限公司、河北瑞春纺织有限公司。本标准主要起草人:王红星、张富勇、张鲁鲁、丁日东、张在成、王志新、沈三群、华雪梅、石然如、张尚昆、杜换福。
1范围
数码印花毛巾
FZ/T62041—2020
本标准规定了数码印花毛巾的要求、试验方法、检验规则、使用说明、包装、运输和贮存。本标准适用于利用数码印花技术生产的机织毛巾产品,其他毛巾产品参照执行。2规范性引用文件
下列文件对于本文件的应用是必不可少的。凡是注日期的引用文件,仅注日期的版本适用于本文件。凡是不注日期的引用文件,其最新版本(包括所有的修改单)适用于本文件。纺织品色牢度试验评定变色用灰色样卡GB/T250
GB/T2910(所有部分)纺织品定量化学分析GB/T3920纺织品色牢度试验耐摩擦色牢度GB/T3921一2008纺织品色牢度试验耐皂洗色牢度GB/T3922
纺织品色牢度试验耐汗渍色牢度GB/T3923.1
纺织品织物拉伸性能第1部分:断裂强力和断裂伸长率的测定(条样法)GB/T4841.3
染料染色标准深度色卡2/1、1/3、1/6、1/12、1/25GB/T5296.4
消费品使用说明第4部分:纺织品和服装GB/T5713
GB/T8170
纺织品色牢度试验耐水色牢度
数值修约规则与极限数值的表示和判定GB/T8427一2008纺织品色牢度试验耐人造光色牢度:氙弧国家纺织产品基本安全技术规范GB18401
GB/T227982019毛币产品脱毛测试方法GB/T22799一2019毛币产品吸水性测试方法GB/T22864毛巾
GB/T29862纺织品纤维含量的标识GB31701婴幼儿及儿童纺织产品安全技术规范FZ/T01057(所有部分)纺织纤维鉴别试验方法FZ/T60033家用纺织品毛巾不均匀水洗尺寸变化的测定6毛巾产品单位面积质量测试方法FZ/T60046
3要求
数码印花毛巾产品应符合GB18401、GB31701的规定。3.2数码印花毛巾内在质量见表1。1
FZ/T62041-2020
考核项目
单位面积质量偏差率/%
断裂强力*/N
吸水性/s
脱毛率*/%
纤维含量偏差/%
水洗尺寸变化率?/%
耐皂洗
耐摩擦d
色牢度/级
耐汗渍
耐光?
内在质量指标
优等品
产品尺寸不满足实验条件时,不满足尺寸的方向不考核。装饰类的产品不考核吸水性和脱毛率。尺寸小于30cm的产品不考核水洗尺寸变化率。220
4(深3-4)
3-4(深3)
按GB/T4841.3规定,颜色大于1/12染料染色标准深度色卡为深色。d
耐光色牢度只考核装饰类产品。数码印花毛巾外观质量见表2。
表2外观质量指标
规格尺寸偏差率
色差/级
吊斜/mm
印花疵点
油污、色渍
磨损痕、勾丝
考核项目
≥30cm
滴墨、重影、错花型
沾色、缺色
优等品
一等品
按GB/T29862执行
3-4(深3)
3(深2-3)
一等品
+3.0%~-2.0%
配套产品4
不允许
不允许
不允许
不允许
小件15,大件20
不允许
不允许
不允许
合格品
合格品
线状疵点/(处/条)
条状疵点/处/条
跳针、脱线
考核项目
包缝针密度/(针/5cm)
:轻微指以目测不易辨认,不影响总体使用。b疵点说明按GB/T22864中规定的疵点执行。4试验方法
内在质量检验
表2(续)
安全性能按照GB18401、GB31701执行。优等品
不允许
不允许
单位面积质量偏差率的测定按照FZ/T60046执行。断裂强力的测定按GB/T3923.1执行。吸水性的测定按GB/T22799-—2019中沉降法执行。脱毛率的测定按GB/T22798—2019中称重法执行。一等品
不允许
纤维含量的测定按GB/T2910(所有部分)、FZ/T01057(所有部分)执行。水洗尺寸变化率的测定按FZ/T60033执行。耐皂洗色牢度的测定按GB/T3921一2008中方法C执行。耐摩擦色牢度的测定按GB/T3920执行。耐汗渍色牢度的测定按GB/T3922执行。耐水色牢度的测定按GB/T5713执行。耐光色牢度的测定按GB/T8427—2008中方法3执行。4.2外观质量检验
规格尺寸偏差率的测定
工具:钢尺。
FZ/T62041—2020
合格品Www.bzxZ.net
4.2.1.2将产品平摊在检验台上,用手轻轻理平,使其呈自然伸缩状态,用钢尺在整个产品长、宽方向的四分之一和四分之三处测量,精确到1mm,按式(1)进行计算,计算结果按GB/T8170修约至1位小数。
式中:
规格尺寸偏差率,%;
P=4二×100
样品规格尺寸实测值,单位为毫米(mm);样品规格尺寸明示值,单位为毫米(mm)。4.2.2色差
按GB/T250评定。
.(1)
FZ/T62041—2020
4.2.3吊斜的测定
将毛巾沿长度方向对折,一手将一侧两角对齐后捏紧,一手捏紧同侧对折点,轻抖后铺平放于测量台上,用钢尺测量另一侧两角尖点之间的距离,精确至1mm。换另一侧两角对齐,重复以上动作。以数据较大者为试验结果。
5检验规则
5.1抽样
交货批中同一品种、同一规格的产品作为检验批5.1.1
5.1.2内在质量检验样本从检验批中随机抽取,抽取方案见表3,每个样品所含产品数量应满足检验要求。
表3内在质量检验抽样方案
批量N
2~50
51~500
501~35000
>35 000
样本量n
接收数Ac
外观质量检验样本从检验批中随机抽取,外包装应完整,抽样方案见表4。外观质量检验抽样方案
批量N
50~500
501~1200
1201~3200
5.2判定
样本量n
5.2.1产品不符合GB18401、GB31701按不合格品判定。接收数Ac
拒收数Re
拒收数Re
5.2.2单件产品内在质量按表1最低一项评等,外观质量按表2最低一项评等,综合质量按内在质量和外观质量中的最低等评定。
5.2.3内在质量批判定按表3执行,外观质量批判定按表4执行。不合格数小于或等于Ac,则判检验批合格;不合格大于或等于Re,则判检验批不合格。5.2.4综合质量批按内在质量、外观质量抽样检查中最低等判定。6
使用说明、包装、运输和贮存
使用说明
产品标识应符合GB/T5296.4要求,产品应标明规格尺寸。产品规格用产品的长度和宽度表示,4
单位为cm。
6.2包装
FZ/T 62041—2020
产品应分类包装,包装及包装用材料应确保产品不易散落、破损、污染、受潮,或按供需双方协商确定。
6.3运输
产品在运输中应保证不破损、不沾污、不受潮、防雨,不得长期暴晒,保持包装完整。6.4贮存
产品贮存时应放于通风、干燥、清洁的场所,要远离火源和高温源。5
小提示:此标准内容仅展示完整标准里的部分截取内容,若需要完整标准请到上方自行免费下载完整标准文档。
标准图片预览:





- 其它标准
- 上一篇: FZ/T 62040-2019纯棉絮棉
- 下一篇: FZ/T 62042-2020凉感面料床上用品
- 热门标准
- 其他行业标准
- QB/T4320-2012 鲜花包装纸
- FZ/T92024-2017 LZ系列下罗拉轴承
- YB/T2406-2015 富锰渣
- QB/T1151-2011 订书钉
- CECS:8997 建筑与建筑群综合布线系统工程施工及验收规范CECS89:97
- GJB910-1990 玻璃纤维增强塑料蜂窝夹层结构通用规范
- QB/T4621-2013 水平尺通用技术条件
- YS/T1101-2016 船舶压缩机零件用铝白铜棒
- JB/T9444-2015 复印机械基本环境试验方法
- YS/T990.2-2014 冰铜化学分析方法 第2部分:金量和银量的测定 原子吸收光谱法和火试金法
- QX/T337-2016 高清晰度电视气象节目演播室录制技术规范
- QX/T263-2015 太阳能光伏系统防雷技术规范
- QB/T5005-2016 甜菜糖蜜
- QB/T4196-2011 聚氨酯转移薄膜
- QB/T4686-2014 家用和类似用途湿巾机
- 行业新闻
请牢记:“bzxz.net”即是“标准下载”四个汉字汉语拼音首字母与国际顶级域名“.net”的组合。 ©2025 标准下载网 www.bzxz.net 本站邮件:bzxznet@163.com
网站备案号:湘ICP备2025141790号-2
网站备案号:湘ICP备2025141790号-2