- 您的位置:
- 标准下载网 >>
- 标准分类 >>
- 其他行业标准 >>
- FZ/T 63053-2020编织子母带
标准号:
FZ/T 63053-2020
标准名称:
编织子母带
标准类别:
其他行业标准
英文名称:
Braided piping tape标准状态:
现行-
发布日期:
2020-12-09 -
实施日期:
2021-04-01 出版语种:
简体中文下载格式:
.pdf .zip
起草人:
何平、俞伟琴、朱晓红、郑家茂、阮航、贺美娣、沈君怡起草单位:
江苏金秋弹性织物有限公司、上海市纺织工业技术监督所、上海纺织集团检测标准有限公司归口单位:
全国家用纺织品标准化技术委员会线带分技术委员会(SAC/TC 302/SC 2)提出单位:
中国纺织工业联合会发布部门:
中华人民共和国工业和信息化部相关标签:
编织
点击下载
标准简介:
本标准规定了编织子母带的术语和定义、要求、分等规定、试验方法、检验规则、包装标志和运输贮存。
本标准适用于涤纶、锦纶、丙纶、棉采用编织工艺加工成的子母带。其他材料参照执行。
部分标准内容:
ICS59.080.99
中华人民共和国纺织行业标准
FZ/T63053—2020
编织子母带
Braidedpipingtape
2020-12-09发布
中华人民共和国工业和信息化部2021-04-01实施
本标准按照GB/T1.1一2009给出的规则起草。本标准由中国纺织工业联合会提出。FZ/T63053—2020
本标准由全国家用纺织品标准化技术委员会线带分技术委员会(SAC/TC302/SC2)归口。本标准起草单位:江苏金秋弹性织物有限公司、上海市纺织工业技术监督所、上海纺织集团检测标准有限公司。
本标准主要起草人:何平、俞伟琴、朱晓红、郑家茂、阮航、贺美娣、沈君怡。I
1范围
编织子母带
FZ/T63053-—2020
本标准规定了编织子母带的术语和定义、技术要求、分等规定、试验方法、检验规则、包装标志、运输贮存。
本标准适用于涤纶、锦纶、丙纶、棉采用编织工艺加工成的子母带。其他材料参照执行。
2规范性引用文件
下列文件对于本文件的应用是必不可少的。凡是注日期的引用文件,仅注日期的版本适用于本文件。凡是不注日期的引用文件,其最新版本(包括所有的修改单)适用于本文件。GB/T250
GB/T251
纺织品色牢度试验
评定变色用灰色样卡
纺织品
评定沾色用灰色样卡
色牢度试验
GB/T2828.1
计数抽样检验程序
第1部分:按接受质量限(AQL)检索的逐批检验抽样计划GB/T2910(所有部分)纺织品定量化学分析GB/T3920
纺织品
色牢度试验
耐摩擦色牢度
GB/T3921—2008
纺织品
GB/T4841.3
GB/T5296.4
GB/T8628
色牢度试验耐皂洗色牢度
染料染色标准深度色卡2/1、1/3、1/6、1/12、1/25消费品使用说明第4部分:纺织品和服装纺织品测定尺寸变化的试验中织物试样和服装的准备、标记及测量GB/T8629—2017纺织品试验用家庭洗涤和干燥程序GB/T8630
纺织品
洗涤和干燥后尺寸变化的测定
GB18401
国家纺织产品基本安全技术规范纺织品纤维含量标识
GB/T29862
GB31701
婴幼儿及儿童纺织产品安全技术规范FZ/T01057(所有部分)纺织纤维鉴别试验方法FZ/T60021织带产品物理机械性能试验方法3术语和定义
下列术语和定义适用于本文件。3.1
子母带
braidedpipingtape
一种平面带和绳带一体编织的织带,绳带部分为母边,平面带部分为子边。3.2
吊纱hangingyarn
织带边缘起波浪状。
FZ/T63053—2020
folded yarn
织带表面纵向隆起。
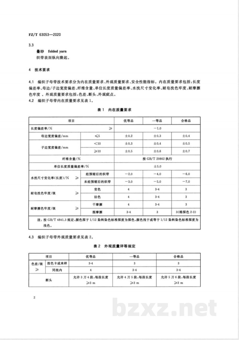
技术要求
编织子母带技术要求分为内在质量要求、外观质量要求、安全性能指标。内在质量要求包括:长度偏差率、母边/子边宽度偏差、纤维含量、单位长度质量偏差率、水洗尺寸变化率、耐皂洗色牢度、耐摩擦色牢度。外观质量要求包括:色差、断头、外观疵点,4.2
编织子母带内在质量要求见表1。表1
长度偏差率/%
母边宽度偏差/mm
子边宽度偏差/mm
纤维含量/%
单位长度质量偏差率/%
水洗尺寸变化率(长度)/%
耐皂洗色牢度/级
耐摩擦色牢度/级
内在质量要求
优等品
经预缩后的织带
未经预缩后的织带
干摩擦
湿摩擦
一等品
按GB/T29862执行
合格品
3(棉深色2-3)
注:按GB/T4841.3规定,颜色深于1/12染料染色标准深度为深色,颜色浅于或等于1/12染料染色标准深度为浅色。
编织子母带外观质量要求见表2。表2
色差/级
按色卡或来样
同批内
优等品
外观质量评等规定
一等品
允许3刀4段,每段长度
允许4刀5段,每段长度
合格品
允许5刀6段,每段长度
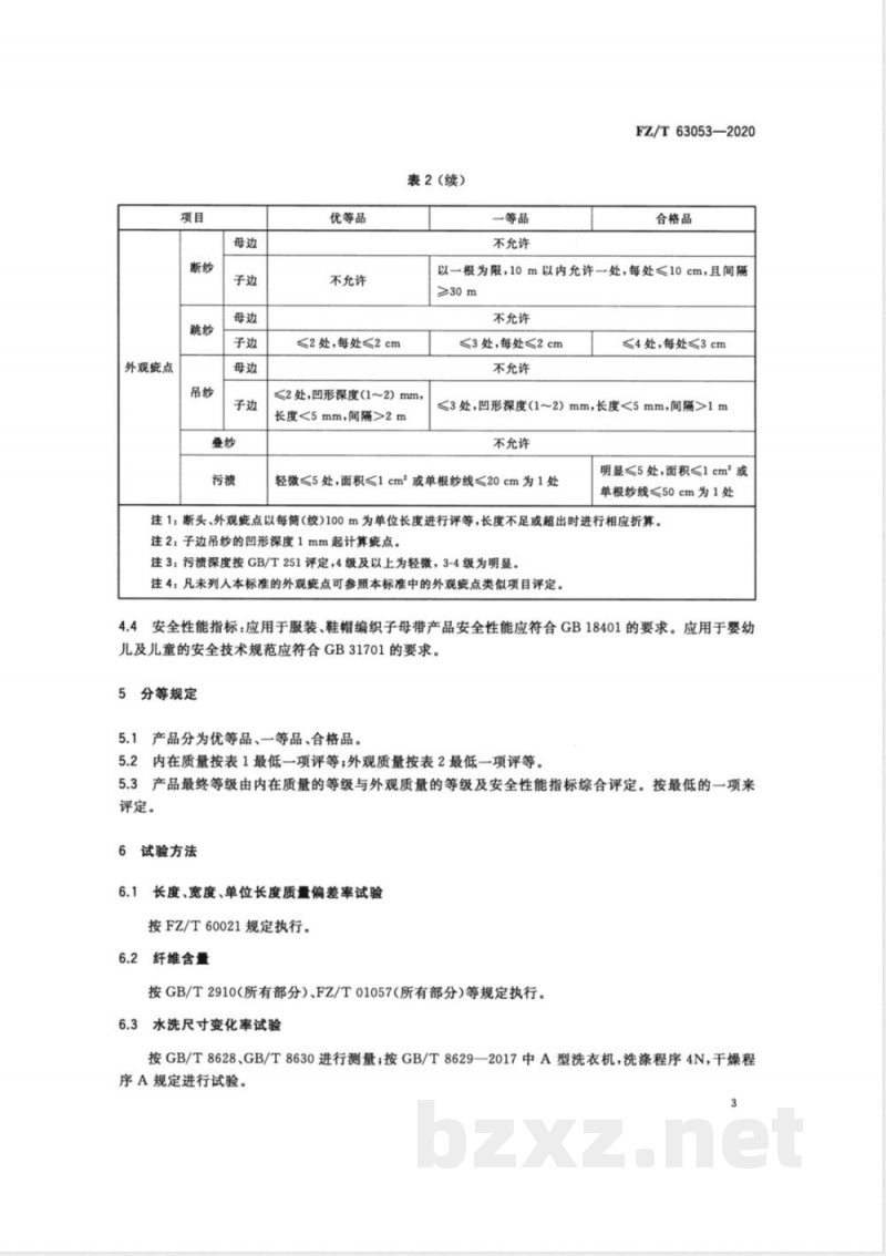
外观症点
优等品
不允许
≤2处,每处≤2cm
表2(续)
一等品
不允许
FZ/T63053—2020
合格品
以一根为限,10m以内允许一处,每处≤10cm,且间隔≥30m
不允许
≤3处,每处≤2cm
不允许
≤2处,凹形深度(1~2)mm,
长度<5mm,间隔>2m
≤4处,每处≤3cm
<3处,凹形深度(1~2)mm,长度<5mm,间隔>1m不允许
轻微≤5处,面积≤1cm2或单根纱线≤20cm为1处明显≤5处,面积≤1cm2或
单根纱线≤50cm为1处
注1:断头、外观疵点以每筒(绞)100m为单位长度进行评等,长度不足或超出时进行相应折算。注2:子边吊纱的凹形深度1mm起计算疵点。注3:污渍深度按GB/T251评定,4级及以上为轻微,3-4级为明显。注4:凡未列入本标准的外观疵点可参照本标准中的外观症点类似项目评定。4.4安全性能指标:应用于服装、鞋帽编织子母带产品安全性能应符合GB18401的要求。应用于婴幼儿及儿童的安全技术规范应符合GB31701的要求。5分等规定
5.1产品分为优等品、一等品、合格品。5.2内在质量按表1最低一项评等;外观质量按表2最低一项评等。5.3产品最终等级由内在质量的等级与外观质量的等级及安全性能指标综合评定。按最低的一项来评定。此内容来自标准下载网
6试验方法
6.1长度、宽度、单位长度质量偏差率试验按FZ/T60021规定执行。
6.2纤维含量
按GB/T2910(所有部分)、FZ/T01057(所有部分)等规定执行。6.3水洗尺寸变化率试验
按GB/T8628、GB/T8630进行测量;按GB/T8629—2017中A型洗衣机,洗涤程序4N,干燥程序A规定进行试验。
FZ/T63053—2020
耐皂洗色牢度试验
按GB/T3921—2008中A(1)的规定执行。耐摩擦色牢度试验
按GB/T3920规定执行。
6外观质量检验
外观质量检验条件
采用室内北向自然光源或日光灯照明,避免阳光直射试样。采用灯光检验时,以40W加罩青光日光灯管2根~3根,照度不低于6001x。色差采用D65标准光源。6.6.2外观质量检验规定
6.6.2.1检验时应将产品平摊在检验台上,检验人员的视线应正视平摊产品的表面,目光与产品距离为40cm左右。
疵点长度以疵点最大长度量计。6.6.2.2
外观质量检验中,色差按GB/T250评定。6.6.2.3
检验规则
取样规定
同一品种、原料、规格及同一工艺生产的产品作为一个检验批,各项指标检测样本均应从检验批7.1.1
中随机抽取。
2内在质量批按检验批随机抽样,抽样数量及试验次数规定见表3。7.1.2
内在质量检验每批抽取试样数量及试验总次数的规定数量/(简、绞)
母边宽度/子边宽度
纤维含量
单位长度质量
水洗尺寸变化率
耐皂洗色牢度
耐摩擦色牢度
试验总次数
3外观质量批以筒、绞为单位抽验,抽样数量按照GB/T2828.1规定,具体抽样方案见表4。7.1.3
批量范围N
91~150
151280
281~500
501~1200
1201~3200
3201~10000
注1:卷(筒)约定长度为91.4m。表4外观质量检验抽样方案
样本大小n
注2:当批量范围小于样本大小时,全数检验。7.2验收结果的判定
批产品内在质量的验收
合格判定数Ac
FZ/T63053—2020
单位为简、绞
不合格判定数Re
内在质量按表1进行验收,验收方法按6.1~6.5执行,检验结果以全部抽验样品合格作为全批合格。
批产品外观质量的验收
外观质量按表2进行验收,结果判定按表4执行,不合格数小于或等于Ac,则判检验批合格;不合格数大于或等于Re,则判检验批不合格。7.2.3
批产品综合质量批的判定
综合质量判定按内在质量抽样检验和外观质量抽样检验中最低品等评定。7.3复验
如供需双方对检验结果或质量有异议时,在规定期限内,可由双方重新抽取相同数量的产品进行复验。
复验结果的判定同7.2。
复验以一次为准,凡判定合格的应作全批合格;判定不合格的应作全批不合格。包装标志、运输贮存
包装标志
包装标志按GB/T5296.4相关要求执行。一般采用筒装、绞装,也可根据用户要求采用散装,或开裁成用户接受长度成捆包装。5
FZ/T63053-—2020
运输购存
编织子母带成品的运输应按批堆放,堆放不宜过高,禁止倒置、侧压,以免产品受损。贮存时应防潮、防霉、防高温。8.2.2
由于运输和保管不善等造成产品质量损坏,应由责任方负责。9其他
用户对本标准有特殊要求时,供需双方另定协议。6
小提示:此标准内容仅展示完整标准里的部分截取内容,若需要完整标准请到上方自行免费下载完整标准文档。
中华人民共和国纺织行业标准
FZ/T63053—2020
编织子母带
Braidedpipingtape
2020-12-09发布
中华人民共和国工业和信息化部2021-04-01实施
本标准按照GB/T1.1一2009给出的规则起草。本标准由中国纺织工业联合会提出。FZ/T63053—2020
本标准由全国家用纺织品标准化技术委员会线带分技术委员会(SAC/TC302/SC2)归口。本标准起草单位:江苏金秋弹性织物有限公司、上海市纺织工业技术监督所、上海纺织集团检测标准有限公司。
本标准主要起草人:何平、俞伟琴、朱晓红、郑家茂、阮航、贺美娣、沈君怡。I
1范围
编织子母带
FZ/T63053-—2020
本标准规定了编织子母带的术语和定义、技术要求、分等规定、试验方法、检验规则、包装标志、运输贮存。
本标准适用于涤纶、锦纶、丙纶、棉采用编织工艺加工成的子母带。其他材料参照执行。
2规范性引用文件
下列文件对于本文件的应用是必不可少的。凡是注日期的引用文件,仅注日期的版本适用于本文件。凡是不注日期的引用文件,其最新版本(包括所有的修改单)适用于本文件。GB/T250
GB/T251
纺织品色牢度试验
评定变色用灰色样卡
纺织品
评定沾色用灰色样卡
色牢度试验
GB/T2828.1
计数抽样检验程序
第1部分:按接受质量限(AQL)检索的逐批检验抽样计划GB/T2910(所有部分)纺织品定量化学分析GB/T3920
纺织品
色牢度试验
耐摩擦色牢度
GB/T3921—2008
纺织品
GB/T4841.3
GB/T5296.4
GB/T8628
色牢度试验耐皂洗色牢度
染料染色标准深度色卡2/1、1/3、1/6、1/12、1/25消费品使用说明第4部分:纺织品和服装纺织品测定尺寸变化的试验中织物试样和服装的准备、标记及测量GB/T8629—2017纺织品试验用家庭洗涤和干燥程序GB/T8630
纺织品
洗涤和干燥后尺寸变化的测定
GB18401
国家纺织产品基本安全技术规范纺织品纤维含量标识
GB/T29862
GB31701
婴幼儿及儿童纺织产品安全技术规范FZ/T01057(所有部分)纺织纤维鉴别试验方法FZ/T60021织带产品物理机械性能试验方法3术语和定义
下列术语和定义适用于本文件。3.1
子母带
braidedpipingtape
一种平面带和绳带一体编织的织带,绳带部分为母边,平面带部分为子边。3.2
吊纱hangingyarn
织带边缘起波浪状。
FZ/T63053—2020
folded yarn
织带表面纵向隆起。
技术要求
编织子母带技术要求分为内在质量要求、外观质量要求、安全性能指标。内在质量要求包括:长度偏差率、母边/子边宽度偏差、纤维含量、单位长度质量偏差率、水洗尺寸变化率、耐皂洗色牢度、耐摩擦色牢度。外观质量要求包括:色差、断头、外观疵点,4.2
编织子母带内在质量要求见表1。表1
长度偏差率/%
母边宽度偏差/mm
子边宽度偏差/mm
纤维含量/%
单位长度质量偏差率/%
水洗尺寸变化率(长度)/%
耐皂洗色牢度/级
耐摩擦色牢度/级
内在质量要求
优等品
经预缩后的织带
未经预缩后的织带
干摩擦
湿摩擦
一等品
按GB/T29862执行
合格品
3(棉深色2-3)
注:按GB/T4841.3规定,颜色深于1/12染料染色标准深度为深色,颜色浅于或等于1/12染料染色标准深度为浅色。
编织子母带外观质量要求见表2。表2
色差/级
按色卡或来样
同批内
优等品
外观质量评等规定
一等品
允许3刀4段,每段长度
允许4刀5段,每段长度
合格品
允许5刀6段,每段长度
外观症点
优等品
不允许
≤2处,每处≤2cm
表2(续)
一等品
不允许
FZ/T63053—2020
合格品
以一根为限,10m以内允许一处,每处≤10cm,且间隔≥30m
不允许
≤3处,每处≤2cm
不允许
≤2处,凹形深度(1~2)mm,
长度<5mm,间隔>2m
≤4处,每处≤3cm
<3处,凹形深度(1~2)mm,长度<5mm,间隔>1m不允许
轻微≤5处,面积≤1cm2或单根纱线≤20cm为1处明显≤5处,面积≤1cm2或
单根纱线≤50cm为1处
注1:断头、外观疵点以每筒(绞)100m为单位长度进行评等,长度不足或超出时进行相应折算。注2:子边吊纱的凹形深度1mm起计算疵点。注3:污渍深度按GB/T251评定,4级及以上为轻微,3-4级为明显。注4:凡未列入本标准的外观疵点可参照本标准中的外观症点类似项目评定。4.4安全性能指标:应用于服装、鞋帽编织子母带产品安全性能应符合GB18401的要求。应用于婴幼儿及儿童的安全技术规范应符合GB31701的要求。5分等规定
5.1产品分为优等品、一等品、合格品。5.2内在质量按表1最低一项评等;外观质量按表2最低一项评等。5.3产品最终等级由内在质量的等级与外观质量的等级及安全性能指标综合评定。按最低的一项来评定。此内容来自标准下载网
6试验方法
6.1长度、宽度、单位长度质量偏差率试验按FZ/T60021规定执行。
6.2纤维含量
按GB/T2910(所有部分)、FZ/T01057(所有部分)等规定执行。6.3水洗尺寸变化率试验
按GB/T8628、GB/T8630进行测量;按GB/T8629—2017中A型洗衣机,洗涤程序4N,干燥程序A规定进行试验。
FZ/T63053—2020
耐皂洗色牢度试验
按GB/T3921—2008中A(1)的规定执行。耐摩擦色牢度试验
按GB/T3920规定执行。
6外观质量检验
外观质量检验条件
采用室内北向自然光源或日光灯照明,避免阳光直射试样。采用灯光检验时,以40W加罩青光日光灯管2根~3根,照度不低于6001x。色差采用D65标准光源。6.6.2外观质量检验规定
6.6.2.1检验时应将产品平摊在检验台上,检验人员的视线应正视平摊产品的表面,目光与产品距离为40cm左右。
疵点长度以疵点最大长度量计。6.6.2.2
外观质量检验中,色差按GB/T250评定。6.6.2.3
检验规则
取样规定
同一品种、原料、规格及同一工艺生产的产品作为一个检验批,各项指标检测样本均应从检验批7.1.1
中随机抽取。
2内在质量批按检验批随机抽样,抽样数量及试验次数规定见表3。7.1.2
内在质量检验每批抽取试样数量及试验总次数的规定数量/(简、绞)
母边宽度/子边宽度
纤维含量
单位长度质量
水洗尺寸变化率
耐皂洗色牢度
耐摩擦色牢度
试验总次数
3外观质量批以筒、绞为单位抽验,抽样数量按照GB/T2828.1规定,具体抽样方案见表4。7.1.3
批量范围N
91~150
151280
281~500
501~1200
1201~3200
3201~10000
注1:卷(筒)约定长度为91.4m。表4外观质量检验抽样方案
样本大小n
注2:当批量范围小于样本大小时,全数检验。7.2验收结果的判定
批产品内在质量的验收
合格判定数Ac
FZ/T63053—2020
单位为简、绞
不合格判定数Re
内在质量按表1进行验收,验收方法按6.1~6.5执行,检验结果以全部抽验样品合格作为全批合格。
批产品外观质量的验收
外观质量按表2进行验收,结果判定按表4执行,不合格数小于或等于Ac,则判检验批合格;不合格数大于或等于Re,则判检验批不合格。7.2.3
批产品综合质量批的判定
综合质量判定按内在质量抽样检验和外观质量抽样检验中最低品等评定。7.3复验
如供需双方对检验结果或质量有异议时,在规定期限内,可由双方重新抽取相同数量的产品进行复验。
复验结果的判定同7.2。
复验以一次为准,凡判定合格的应作全批合格;判定不合格的应作全批不合格。包装标志、运输贮存
包装标志
包装标志按GB/T5296.4相关要求执行。一般采用筒装、绞装,也可根据用户要求采用散装,或开裁成用户接受长度成捆包装。5
FZ/T63053-—2020
运输购存
编织子母带成品的运输应按批堆放,堆放不宜过高,禁止倒置、侧压,以免产品受损。贮存时应防潮、防霉、防高温。8.2.2
由于运输和保管不善等造成产品质量损坏,应由责任方负责。9其他
用户对本标准有特殊要求时,供需双方另定协议。6
小提示:此标准内容仅展示完整标准里的部分截取内容,若需要完整标准请到上方自行免费下载完整标准文档。
标准图片预览:





- 其它标准
- 上一篇: FZ/T 63052-2020涤纶短纤织带
- 下一篇: QB/T 2020-2016调味盐
- 热门标准
- 其他行业标准
- QB/T2289.4-2012 园艺工具 剪枝剪
- FZ/T10014-2011 纺织上浆用聚丙烯酸类浆料试验方法 pH值测定
- FZ/T14020-2020 涂料染色水洗棉布
- QJDSD0004S-2016 吉林德尚得生物科技有限公司 短梗五加鹿茸血饮液
- FZ/T73046-2020 一体成型文胸
- FZ/T92054-2010 倍捻锭子
- CECS219-2007 简易自动喷水灭火系统应用技术规程(附条文说明)
- 91SJ803 中悬钢天窗(1/2、1/4中悬)
- DGTJ08-211-2014 假山叠石工程施工规程
- JB/T5332.4-2011 额定电压3.6/6kV及以下电动潜油泵电缆 第4部分:电动潜油泵圆形电力电缆
- JB/T11122-2010 印刷机械 局部上光机
- QB/T1704-2010 铝箔衬纸
- YS/T74.4-2010 镉化学分析方法 第4部分:铅量的测定 火焰原子吸收光谱法
- FZ/T93103-2018 纺纱器
- QX/T546-2020 空间高能粒子辐射效应术语
- 行业新闻
请牢记:“bzxz.net”即是“标准下载”四个汉字汉语拼音首字母与国际顶级域名“.net”的组合。 ©2025 标准下载网 www.bzxz.net 本站邮件:bzxznet@163.com
网站备案号:湘ICP备2025141790号-2
网站备案号:湘ICP备2025141790号-2