- 您的位置:
- 标准下载网 >>
- 标准分类 >>
- 其他行业标准 >>
- FZ/T 63052-2020涤纶短纤织带
标准号:
FZ/T 63052-2020
标准名称:
涤纶短纤织带
标准类别:
其他行业标准
英文名称:
Polyester spun yarn ribbon标准状态:
现行-
发布日期:
2020-12-09 -
实施日期:
2021-04-01 出版语种:
简体中文下载格式:
.pdf .zip
起草人:
唐三湘、俞伟琴、阮航、姚玉龙、龚旭波、朱晓红、贺美娣、吴佳怡、沈晓晓起草单位:
浙江三鼎织造有限公司、上海市纺织工业技术监督所、厦门姚明织带饰品有限公司、上海纺织集团检测标准有限公司归口单位:
全国家用纺织品标准化技术委员会线带分技术委员会(SAC/TC 302/SC 2)提出单位:
中国纺织工业联合会发布部门:
中华人民共和国工业和信息化部相关标签:
涤纶
点击下载
标准简介:
本标准规定了涤纶短纤织带的术语和定义、技术要求、分等规定、试验方法、检验规则、包装标志、运输贮存。
本标准适用于机织织带机生产的宽度范围在3 mm~100 mm之间的涤纶短纤织带。
部分标准内容:
ICS_59.080.99
中华人民共和国纺织行业标准
FZ/T63052-2020
涤纶短纤织带
Polyesterspunyarnribbon
2020-12-09发布
中华人民共和国工业和信息化部发布
2021-04-01实施
本标准按照GB/T1.1一2009给出的规则起草。本标准由中国纺织工业联合会提出。FZ/T63052—2020
本标准由全国家用纺织品标准化技术委员会线带分技术委员会(SAC/TC302/SC2)归口。本标准起草单位:浙江三鼎织造有限公司、上海市纺织工业技术监督所、厦门姚明织带饰品有限公司、上海纺织集团检测标准有限公司。本标准主要起草人:唐三湘、俞伟琴、阮航、姚玉龙、龚旭波、朱晓红、贺美娣、吴佳怡、沈晓晓。I
1范围
涤纶短纤织带
FZ/T63052—2020
本标准规定了涤纶短纤织带的术语和定义、技术要求、分等规定、试验方法、检验规则、包装标志、运输贮存。
本标准适用于机织织带机生产的宽度范围在3mm100mm之间的涤纶短纤织带。2规范性引用文件
下列文件对于本文件的应用是必不可少的。凡是注日期的引用文件,仅注日期的版本适用于本文件。凡是不注日期的引用文件,其最新版本(包括所有的修改单)适用于本文件。GB/T250
纺织品色牢度试验评定变色用灰色样卡GB/T2828.1
计数抽样检验程序
GB/T3920纺织品
色牢度试验
GB/T3921—2008
GB/T4841.3
GB/T5296.4
第1部分:按接受质量限(AQL)检索的逐批检验抽样计划耐摩擦色牢度
纺织品色牢度试验耐皂洗色牢度染料染色标准深度色卡2/1、1/3、1/6、1/12、1/25消费品使用说明第4部分:纺织品和服装GB/T8427-
GB/T8628
纺织品色牢度试验耐人造光色牢度:氙弧纺织品测定尺寸变化的试验中织物试样和服装的准备、标记及测量纺织品试验用家庭洗涤和干燥程序GB/T8629—2017
GB/T8630
GB18401
纺织品洗涤和干燥后尺寸变化的测定国家纺织产品基本安全技术规范GB/T24250
GB31701
机织物
症疵点的描述术语
婴幼儿及儿童纺织产品安全技术规范FZ/T60021-2010织带产品物理机械性能试验方法3术语和定义
GB/T24250中界定的以及下列术语和定义适用于本文件。3.1
涤纶短纤织带
polyesterspunyarnribbon
以涤纶短纤纱为主要原料,机织织带机生产,经染整、定型等后整理工艺制成的民用机织带。3.2
圈(牙)边
toothed selvedge
锁边线未收紧好,边上形成小圈。4技术要求
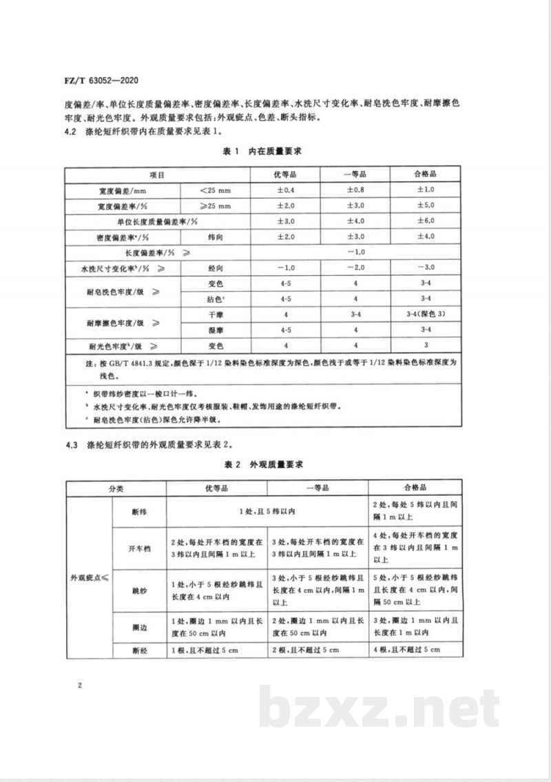
4.1涤纶短纤织带技术要求分为内在质量要求、外观质量要求、安全性能指标。内在质量要求包括:宽1
FZ/T63052—2020
度偏差/率、单位长度质量偏差率、密度偏差率、长度偏差率、水洗尺寸变化率、耐皂洗色牢度、耐摩擦色牢度、耐光色牢度。外观质量要求包括:外观疵点、色差、断头指标。4.2
涤纶短纤织带内在质量要求见表1。表1
宽度偏差/mm
宽度偏差率/%
单位长度质量偏差率/%
密度偏差率/%
长度偏差率/%
水洗尺寸变化率/%
耐皂洗色牢度/级
耐摩擦色牢度/级
耐光色牢度\/级
≥25mm
沾色?
内在质量要求
优等品
一等品
合格品
3-4(深色3)
注:按GB/T4841.3规定,颜色深于1/12染料染色标准深度为深色,颜色浅于或等于1/12染料染色标准深度为浅色。
·织带纬纱密度以一梭口计一纬。,水洗尺寸变化率、耐光色牢度仅考核服装、鞋帽、发饰用途的涤纶短纤织带。耐皂洗色牢度(沾色)深色允许降半级。涤纶短纤织带的外观质量要求见表2。表2
外观症点≤
开车档
优等品
外观质量要求
一等品
1处,且5纬以内
2处,每处开车档的宽度在
3纬以内且间隔1m以上
1处,小于5根经纱跳纬且
长度在4cm以内
1处,圈边1mm以内且长
度在50cm以内
1根,且不超过5cm
3处,每处开车档的宽度在
3纬以内且间隔1m以上
3处,小于5根经纱跳纬且
长度在4cm以内,间隔1m
2处,圈边1mm以内且长
度在50cm以内
2根,且不超过5cm
合格品
2处,每处5纬以内且间
隔1m以上
4处,每处开车档的宽度
在3纬以内且间隔1m
5处,小于5根经纱跳纬
且长度在4cm以内,间
隔50cm以上
3处,圈边1mm以内且
长度在1m以内
4根,且不超过5cm
外观症点
按色卡或来样
色差/级≥
断头/个》
卷(筒)与卷
(筒)之间
幅宽<25mm
幅宽≥25mm
优等品
表2(续)
2处,长度在20cm以内且
间隔1m以上
2处,每处面积不超过
不允许
一等品
3处,长度在20cm以内且
间隔1m以上
3处,每处面积不超过
轻微允许
FZ/T63052—2020
合格品
4处,长度在20cm以内
且间隔1m以上
5处,每处面积不超过
轻微允许
注1:织带的疵点、断头以每卷(筒)91.4m为单位长度进行评等,超出时进行相应折算。注2:凡未列入本标准的外观疵点可参照本标准中的外观疵点类似项目评定。注3:两断头间隔不小于3m,断头接头距卷端不小于3m。4.4安全性能指标:应用于服装、鞋帽、发饰的涤纶短纤织带产品安全性能应符合GB18401的要求;应用于婴幼儿及儿童类的应符合GB31701的要求。分等规定
5.1产品分为优等品、一等品和合格品。5.2内在质量按表1最低一项评等;外观质量按表2最低一项评等。5.3涤纶短纤织带单卷(筒)产品最终等级由内在质量的等级与外观质量的等级及安全性能指标综合评定。按最低的一项来评定。
试验方法
长度、宽度试验方法
按FZ/T60021—2010中的5规定执行。单位长度质量试验方法
按FZ/T60021—2010中的8规定执行。6.3密度试验方法
按FZ/T600212010规定方法A执行。6.4水洗尺寸变化率试验方法
按GB/T8628、GB/T8630进行测量;按GB/T8629—2017中A型洗衣机,洗涤程序4N,干燥程序C规定进行试验。
FZ/T63052—2020
耐皂洗色牢度试验方法
按GB/T3921一2008中试验条件C(3)的规定执行,采用单纤维贴衬。耐摩擦色牢度试验方法
按GB/T3920规定执行。
耐光色牢度试验方法
按GB/T8427-2019中方法3规定执行,曝晒至第一阶段。6.8
外观质量检验
外观质量检验条件
采用室内北向自然光源,如光源不足,光照度低于6001x时,可用近似40W正常青光日光灯在(70士10)cm距离间补足照度,色差检验采用D65标准光源。6.8.2外观质量检验规定
织带疵点长度以疵点最大长度量计。6.8.2.1
外观质量检验中,色差按GB/T250评定。7检验规则
取样规定
同一品种、原料、规格及同一工艺生产的产品作为一个检验批,各项指标检测样本均应从检验批中随机抽取。
内在质量批按检验批随机抽样,抽样数及试验次数规定见表3。表3
内在质量检验每批抽取试样数量及试验总次数的规定项目
单位长度质量
水洗尺寸变化率bzxz.net
耐皂洗色牢度
耐摩擦色牢度
耐光色牢度
数量/(卷、筒)
外观质量抽样数量按照GB/T2828.1,具体抽样方案按表4规定。试验总次数
正反面各1
批量范围N
91~150
151~280
281~500
501~1200
1201~3200
3201~10000
注1:卷(筒)约定长度为91.4m。外观质量检验抽样方案
样本量n
注2:当批量范围小于样本量时,全数检验。验收结果的判定
批产品内在质量的验收
合格判定数Ac
FZ/T63052—2020
单位为卷(筒)
不合格判定数Re
内在质量按4.2进行验收,验收方法按6.16.7执行,检验结果以全批抽验样品合格作为全批合格。
7.2.2批产品外观质量的验收
外观质量按4.3进行验收,结果判定按表4执行,不合格数小于或等于Ac,则判检验批合格;不合格数大于或等于Re,则判检验批不合格。7.2.3批产品综合质量的判定
综合质量判定按内在质量抽样检验和外观质量抽样检验中最低品等评定。7.3复验
如供需双方对验收结果或质量有异议时,在规定期限内,可由双方重新抽取相同数量的产品进行复验。
7.3.2复验结果的判定同7.2。
复验以一次为准,凡判定合格的应作全批合格,判定不合格的应作全批不合格。包装标志、运输贮存
包装标志
按GB/T5296.4相关要求执行。
内包装依据不同长度打成卷(筒);外包装纸箱产品要符合质量要求,箱底箱盖封口严密、牢固。5
FZ/T63052—2020
运输购存
1产品应按批堆放,堆放不宜过高,禁止倒置、侧压,以免产品受损。贮存、运输时应防潮、防霉、防8.2.1
高温。
2交货后,如因运输、储存、保管不善,以致产品质量受到影响或发生质变时,应由责任方负责。8.2.2
用户对本标准有特殊要求时,供需双方另定协议。6
小提示:此标准内容仅展示完整标准里的部分截取内容,若需要完整标准请到上方自行免费下载完整标准文档。
中华人民共和国纺织行业标准
FZ/T63052-2020
涤纶短纤织带
Polyesterspunyarnribbon
2020-12-09发布
中华人民共和国工业和信息化部发布
2021-04-01实施
本标准按照GB/T1.1一2009给出的规则起草。本标准由中国纺织工业联合会提出。FZ/T63052—2020
本标准由全国家用纺织品标准化技术委员会线带分技术委员会(SAC/TC302/SC2)归口。本标准起草单位:浙江三鼎织造有限公司、上海市纺织工业技术监督所、厦门姚明织带饰品有限公司、上海纺织集团检测标准有限公司。本标准主要起草人:唐三湘、俞伟琴、阮航、姚玉龙、龚旭波、朱晓红、贺美娣、吴佳怡、沈晓晓。I
1范围
涤纶短纤织带
FZ/T63052—2020
本标准规定了涤纶短纤织带的术语和定义、技术要求、分等规定、试验方法、检验规则、包装标志、运输贮存。
本标准适用于机织织带机生产的宽度范围在3mm100mm之间的涤纶短纤织带。2规范性引用文件
下列文件对于本文件的应用是必不可少的。凡是注日期的引用文件,仅注日期的版本适用于本文件。凡是不注日期的引用文件,其最新版本(包括所有的修改单)适用于本文件。GB/T250
纺织品色牢度试验评定变色用灰色样卡GB/T2828.1
计数抽样检验程序
GB/T3920纺织品
色牢度试验
GB/T3921—2008
GB/T4841.3
GB/T5296.4
第1部分:按接受质量限(AQL)检索的逐批检验抽样计划耐摩擦色牢度
纺织品色牢度试验耐皂洗色牢度染料染色标准深度色卡2/1、1/3、1/6、1/12、1/25消费品使用说明第4部分:纺织品和服装GB/T8427-
GB/T8628
纺织品色牢度试验耐人造光色牢度:氙弧纺织品测定尺寸变化的试验中织物试样和服装的准备、标记及测量纺织品试验用家庭洗涤和干燥程序GB/T8629—2017
GB/T8630
GB18401
纺织品洗涤和干燥后尺寸变化的测定国家纺织产品基本安全技术规范GB/T24250
GB31701
机织物
症疵点的描述术语
婴幼儿及儿童纺织产品安全技术规范FZ/T60021-2010织带产品物理机械性能试验方法3术语和定义
GB/T24250中界定的以及下列术语和定义适用于本文件。3.1
涤纶短纤织带
polyesterspunyarnribbon
以涤纶短纤纱为主要原料,机织织带机生产,经染整、定型等后整理工艺制成的民用机织带。3.2
圈(牙)边
toothed selvedge
锁边线未收紧好,边上形成小圈。4技术要求
4.1涤纶短纤织带技术要求分为内在质量要求、外观质量要求、安全性能指标。内在质量要求包括:宽1
FZ/T63052—2020
度偏差/率、单位长度质量偏差率、密度偏差率、长度偏差率、水洗尺寸变化率、耐皂洗色牢度、耐摩擦色牢度、耐光色牢度。外观质量要求包括:外观疵点、色差、断头指标。4.2
涤纶短纤织带内在质量要求见表1。表1
宽度偏差/mm
宽度偏差率/%
单位长度质量偏差率/%
密度偏差率/%
长度偏差率/%
水洗尺寸变化率/%
耐皂洗色牢度/级
耐摩擦色牢度/级
耐光色牢度\/级
≥25mm
沾色?
内在质量要求
优等品
一等品
合格品
3-4(深色3)
注:按GB/T4841.3规定,颜色深于1/12染料染色标准深度为深色,颜色浅于或等于1/12染料染色标准深度为浅色。
·织带纬纱密度以一梭口计一纬。,水洗尺寸变化率、耐光色牢度仅考核服装、鞋帽、发饰用途的涤纶短纤织带。耐皂洗色牢度(沾色)深色允许降半级。涤纶短纤织带的外观质量要求见表2。表2
外观症点≤
开车档
优等品
外观质量要求
一等品
1处,且5纬以内
2处,每处开车档的宽度在
3纬以内且间隔1m以上
1处,小于5根经纱跳纬且
长度在4cm以内
1处,圈边1mm以内且长
度在50cm以内
1根,且不超过5cm
3处,每处开车档的宽度在
3纬以内且间隔1m以上
3处,小于5根经纱跳纬且
长度在4cm以内,间隔1m
2处,圈边1mm以内且长
度在50cm以内
2根,且不超过5cm
合格品
2处,每处5纬以内且间
隔1m以上
4处,每处开车档的宽度
在3纬以内且间隔1m
5处,小于5根经纱跳纬
且长度在4cm以内,间
隔50cm以上
3处,圈边1mm以内且
长度在1m以内
4根,且不超过5cm
外观症点
按色卡或来样
色差/级≥
断头/个》
卷(筒)与卷
(筒)之间
幅宽<25mm
幅宽≥25mm
优等品
表2(续)
2处,长度在20cm以内且
间隔1m以上
2处,每处面积不超过
不允许
一等品
3处,长度在20cm以内且
间隔1m以上
3处,每处面积不超过
轻微允许
FZ/T63052—2020
合格品
4处,长度在20cm以内
且间隔1m以上
5处,每处面积不超过
轻微允许
注1:织带的疵点、断头以每卷(筒)91.4m为单位长度进行评等,超出时进行相应折算。注2:凡未列入本标准的外观疵点可参照本标准中的外观疵点类似项目评定。注3:两断头间隔不小于3m,断头接头距卷端不小于3m。4.4安全性能指标:应用于服装、鞋帽、发饰的涤纶短纤织带产品安全性能应符合GB18401的要求;应用于婴幼儿及儿童类的应符合GB31701的要求。分等规定
5.1产品分为优等品、一等品和合格品。5.2内在质量按表1最低一项评等;外观质量按表2最低一项评等。5.3涤纶短纤织带单卷(筒)产品最终等级由内在质量的等级与外观质量的等级及安全性能指标综合评定。按最低的一项来评定。
试验方法
长度、宽度试验方法
按FZ/T60021—2010中的5规定执行。单位长度质量试验方法
按FZ/T60021—2010中的8规定执行。6.3密度试验方法
按FZ/T600212010规定方法A执行。6.4水洗尺寸变化率试验方法
按GB/T8628、GB/T8630进行测量;按GB/T8629—2017中A型洗衣机,洗涤程序4N,干燥程序C规定进行试验。
FZ/T63052—2020
耐皂洗色牢度试验方法
按GB/T3921一2008中试验条件C(3)的规定执行,采用单纤维贴衬。耐摩擦色牢度试验方法
按GB/T3920规定执行。
耐光色牢度试验方法
按GB/T8427-2019中方法3规定执行,曝晒至第一阶段。6.8
外观质量检验
外观质量检验条件
采用室内北向自然光源,如光源不足,光照度低于6001x时,可用近似40W正常青光日光灯在(70士10)cm距离间补足照度,色差检验采用D65标准光源。6.8.2外观质量检验规定
织带疵点长度以疵点最大长度量计。6.8.2.1
外观质量检验中,色差按GB/T250评定。7检验规则
取样规定
同一品种、原料、规格及同一工艺生产的产品作为一个检验批,各项指标检测样本均应从检验批中随机抽取。
内在质量批按检验批随机抽样,抽样数及试验次数规定见表3。表3
内在质量检验每批抽取试样数量及试验总次数的规定项目
单位长度质量
水洗尺寸变化率bzxz.net
耐皂洗色牢度
耐摩擦色牢度
耐光色牢度
数量/(卷、筒)
外观质量抽样数量按照GB/T2828.1,具体抽样方案按表4规定。试验总次数
正反面各1
批量范围N
91~150
151~280
281~500
501~1200
1201~3200
3201~10000
注1:卷(筒)约定长度为91.4m。外观质量检验抽样方案
样本量n
注2:当批量范围小于样本量时,全数检验。验收结果的判定
批产品内在质量的验收
合格判定数Ac
FZ/T63052—2020
单位为卷(筒)
不合格判定数Re
内在质量按4.2进行验收,验收方法按6.16.7执行,检验结果以全批抽验样品合格作为全批合格。
7.2.2批产品外观质量的验收
外观质量按4.3进行验收,结果判定按表4执行,不合格数小于或等于Ac,则判检验批合格;不合格数大于或等于Re,则判检验批不合格。7.2.3批产品综合质量的判定
综合质量判定按内在质量抽样检验和外观质量抽样检验中最低品等评定。7.3复验
如供需双方对验收结果或质量有异议时,在规定期限内,可由双方重新抽取相同数量的产品进行复验。
7.3.2复验结果的判定同7.2。
复验以一次为准,凡判定合格的应作全批合格,判定不合格的应作全批不合格。包装标志、运输贮存
包装标志
按GB/T5296.4相关要求执行。
内包装依据不同长度打成卷(筒);外包装纸箱产品要符合质量要求,箱底箱盖封口严密、牢固。5
FZ/T63052—2020
运输购存
1产品应按批堆放,堆放不宜过高,禁止倒置、侧压,以免产品受损。贮存、运输时应防潮、防霉、防8.2.1
高温。
2交货后,如因运输、储存、保管不善,以致产品质量受到影响或发生质变时,应由责任方负责。8.2.2
用户对本标准有特殊要求时,供需双方另定协议。6
小提示:此标准内容仅展示完整标准里的部分截取内容,若需要完整标准请到上方自行免费下载完整标准文档。
标准图片预览:





- 其它标准
- 热门标准
- 其他行业标准
- QB/T2289.4-2012 园艺工具 剪枝剪
- FZ/T10014-2011 纺织上浆用聚丙烯酸类浆料试验方法 pH值测定
- FZ/T14020-2020 涂料染色水洗棉布
- QJDSD0004S-2016 吉林德尚得生物科技有限公司 短梗五加鹿茸血饮液
- FZ/T73046-2020 一体成型文胸
- FZ/T92054-2010 倍捻锭子
- CECS219-2007 简易自动喷水灭火系统应用技术规程(附条文说明)
- 91SJ803 中悬钢天窗(1/2、1/4中悬)
- DGTJ08-211-2014 假山叠石工程施工规程
- JB/T5332.4-2011 额定电压3.6/6kV及以下电动潜油泵电缆 第4部分:电动潜油泵圆形电力电缆
- JB/T11122-2010 印刷机械 局部上光机
- QB/T1704-2010 铝箔衬纸
- YS/T74.4-2010 镉化学分析方法 第4部分:铅量的测定 火焰原子吸收光谱法
- FZ/T93103-2018 纺纱器
- QX/T546-2020 空间高能粒子辐射效应术语
- 行业新闻
请牢记:“bzxz.net”即是“标准下载”四个汉字汉语拼音首字母与国际顶级域名“.net”的组合。 ©2025 标准下载网 www.bzxz.net 本站邮件:bzxznet@163.com
网站备案号:湘ICP备2025141790号-2
网站备案号:湘ICP备2025141790号-2