- 您的位置:
- 标准下载网 >>
- 标准分类 >>
- 其他行业标准 >>
- FZ/T 63051-2020缝纫用涤纶长丝本色线
标准号:
FZ/T 63051-2020
标准名称:
缝纫用涤纶长丝本色线
标准类别:
其他行业标准
英文名称:
Polyester filament grey yarn for sewing threads标准状态:
现行-
发布日期:
2020-12-09 -
实施日期:
2021-04-01 出版语种:
简体中文下载格式:
.pdf .zip
部分标准内容:
ICS59.080.20
中华人民共和国纺织行业标准
FZ/T63051—2020
缝纫用涤纶长丝本色线
Polyester filament grey yarn for sewingthreads2020-12-09发布
中华人民共和国工业和信息化部发布
2021-04-01实施
本标准按照GB/T1.1一2009给出的规则起草。本标准由中国纺织工业联合会提出。FZ/T63051-2020
本标准由全国家用纺织品标准化技术委员会线带分技术委员会(SAC/TC302/SC2)归口。本标准起草单位:杭州新合力线业有限公司、沪江线业有限公司、石狮市飞轮线带有限公司、浙江沪江线业有限公司、温州市百针线业有限公司、上海市纺织工业技术监督所、杭州新合力纺织机械有限公司、湖北枫树线业有限公司、南通神马线业有限公司。本标准主要起草人:奚德昌、单银甫、唐映华、吴金星、阮航、杨兴伟、朱建敏、贺美娣、颜春雅、朱文清、马志宏、虞丹丹。
1范围
缝纫用涤纶长丝本色线
FZ/T63051-2020
本标准规定了缝纫用涤纶长丝本色线产品的术语和定义、产品分类、标记、要求、分等规定、试验方法、检验规则,标志、包装和运输、贮存。本标准适用于缝纫用涤纶长丝本色线。2规范性引用文件
下列文件对于本文件的应用是必不可少的。凡是注日期的引用文件,仅注日期的版本适用于本文件。凡是不注日期的引用文件,其最新版本(包括所有的修改单)适用于本文件。GB/T251纺织品色牢度试验评定沾色用灰色样卡GB/T2543.1纺织品纱线抢度的测定第1部分:直接计数法GB/T2828.1计数抽样检验程序第1部分:按接受质量限(AQL)检索的逐批检验抽样计划纺织品卷装纱单根纱线断裂强力和断裂伸长率的测定(CRE法)GB/T3916
GB/T4743—2009纺织品卷装纱绞纱法线密度的测定FZ/T10007
FZ/T10008
3术语和定义
棉及化纤纯纺、混纺本色纱线检验规则棉及化纤纯纺、混纺纱线标志与包装下列术语和定义适用于本文件。3.1
缝纫用涤纶长丝本色线polyesterfilamentgreyyarnforsewingthreads以缝纫用涤纶长丝为原料,经络丝、单丝加抢、并合加抢、成筒等工艺制成缝纫用线。3.2
筒子卷绕密度packagewindeddensity纱线卷绕在筒管上的松紧程度,为纱线卷绕部分的单位体积的质量。4产品分类、标记
缝纫用涤纶长丝本色线以线密度分类。4.2缝纫用涤纶长丝本色线原料代号为T。4.3
缝纫用涤纶长丝本色线标记时,应分别标明原料代号、线密度和股数。示例:
缝纫用涤纶长丝本色线的线密度为167dtex,股数为2股。应写成:T167dtex×2。5要求
5.1缝纫用涤纶长丝本色线的技术要求分为内在质量和外观质量。内在质量包括线密度偏差率、线密1
FZ/T63051—2020
度变异系数、单线断裂强度、单线断裂强力变异系数、简子卷绕密度偏差值、抢度变异系数及参考指标单线断裂伸长率。外观质量包括多股、缺股、结头、麻懈线、毛丝、污渍。5.2
2缝纫用涤纶长丝本色线(二股)内在质量要求按表1规定。表1
线密度
467×2
311×2
233×2
167×2
111×2
优等品
一等品
合格品
优等品
一等品
合格品
线密度
偏差率
缝纫用涤纶长丝本色线(二股)内在质量技术要求线密度变
异系数/%
单线断裂强
度/(cN/tex)
注1:线密度偏差率,以设计线密度中心值为计算依据单线断裂强力
变异系数/%
简子卷绕密度
偏差值
注2:M,为简子卷绕密度中心值,由供需双方协商确定,用于考核筒子染色的松筒。注3:单线断裂伸长率为参考指标,M,为断裂伸长率中心值,由供需双方协商确定。5.3
缝纫用涤纶长丝本色线(三股)内在质量要求按表2规定。表2
线密度
1111×3
933×3
700×3
467×3
311×3
233×3
167×3
111×3
优等品
一等品
合格品
优等品
一等品
合格品
线密度bzxz.net
偏差率
缝纫用涤纶长丝本色线(三股)内在质量技术要求线密度变
异系数/%
单线断裂强
度/(cN/tex))
注1:线密度偏差率,以设计线密度中心值为计算依据。单线断裂强力
变异系数/%
简子卷绕密度
偏差值
注2:M,为筒子卷绕密度中心值,由供需双方协商确定,用于考核简子染色的松筒。注3:单线断裂伸长率为参考指标,M为断裂伸长率中心值,由供需双方协商确定2
拾度变异
系数/%
拾度变异
系数/%
单线断裂
伸长率
单线断裂
伸长率
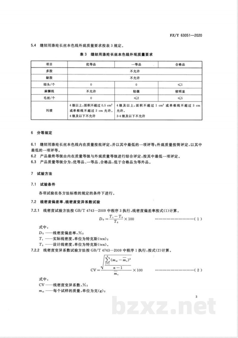
缝纫用涤纶长丝本色线外观质量要求按表3规定。缝纫用涤纶长丝本色线外观质量要求表3
结头/个
麻懈线
毛丝/个
分等规定
优等品
不允许
4级以上,面积不超过0.5cm2
或单根线不超过2cm允许。
4级及以下不允许
一等品
不允许
不允许
FZ/T63051—2020
合格品
较明显
4级及以上,面积不超过1cm或单根线不超过3cm允许。
3-4级及以下不允许
6.1缝纫用涤纶长丝本色线内在质量按批评定,并以其中最低的一项评等;外观质量按筒评定,以其中最低的一项评等。
6.2产品最终等级由内在质量等级与外观质量等级进行综合评定,按其中最低一项评定。:产品质量等级分为:优等品、一等品、合格品,低于合格品为等外品。6.3
试验方法
试验条件
各项试验在各方法标准的规定的条件下进行。线密度偏差率、线密度变异系数试验7.2.1
线密度试验方法按GB/T4743一2009中程序3执行,线密度偏差率按式(1)计算。T,- T。
式中:
线密度偏差率,%;
实际线密度,单位为特克斯(tex);设计线密度,单位为特克斯(tex)。线密度变异系数试验方法按GB/T4743一2009中程序1执行,按式(2)计算。7.2.2
Z(me -m。)2
式中:
线密度变异系数,%;
每个试样的质量,单位为克(g);n-1
(1)
(2)
FZ/T63051—2020
m。—试样的平均质量,单位为克(g);n—试样的总个数。
3单线断裂强度和单线断裂强力变异系数的试验方法7.3
按GB/T3916执行。
捻度变异系数试验
按GB/T2543.1规定执行。
7.5筒子卷绕密度试验
7.5.1筒子卷绕密度偏差值
分别称取筒子、管芯的质量,测量筒子、管芯的外径及筒子卷绕纱的高度,筒子卷绕密度偏差值按式(3)计算。
式中:
7.5.2测量
筒子卷绕密度偏差值,单位为克每立方厘米(g/cm\);筒子质量,单位为克(g);
管芯的质量,单位为克(g);
筒子的外径,单位为厘米(cm);管芯的外径,单位为厘米(cm);简子卷绕纱的高度,单位为厘米(cm);简子卷绕密度中心值,单位为克每立方厘米(g/cm\)。质量测量,用电子天平,精度为0.01g;尺寸测量,用游标卡尺,精度为1mm。7.6
6外观质量检验
7.6.1外观质量检验条件
(3)
采用室内北向自然光源,如光源不足,照度低于6001x时,可用标准光源或近似40W正常青光日光灯(70士10)cm距离间补足照度。外观质量检验规定
外观质量检验内容按目测评定,污渍的深浅程度按GB/T251评定。8检验规则
同一原料、同一工艺连续生产的同一规格的产品作为一个或若干检验批。8.2外观质量批以筒为单位抽验,抽样数量按照GB/T2828.1正常一次抽样方案,一般检验水平I,接收质量限(AQL)为2.5规定抽样,具体抽样方案按表4。8.3
批量范围N
151~500
501~1200
1201~3200
3201~10000
缝纫用涤纶长丝本色线的外观质量检验抽样方案样本大小n
注:当批量范围小于样本大小时,全数检验。合格判定数Ac
FZ/T63051—2020
单位为简
不合格判定数Re
内在质量的取样按FZ/T10007规定执行,试验次数及精确小数点位数见表5。缝纫用涤纶长丝各项目试验次数和精确小数点位数的规定表5
线密度偏差率/%
线密度变异系数/%
单线断裂强度/(cN/tex))
单线断裂强力变异系数/%
抢度变异系数/%
简子卷绕密度偏差值/(g/cm)
标志、包装
按FZ/T10008规定执行。
运输、贮存
每简试验次数
精确小数点位数
在运输过程中,应有严密遮盖,不能受雨、受潮、曝晒和高温烘培,以防变质。应堆放在干燥仓库,应保存在离地基5cm以上,四周空隙10cm以上处,并做好通风散湿工作,10.2
以防受潮。
存放应先进先出,并经常翻堆检查,工厂交货后,如因运输、储存、保管不善,以致产品质量受到影响或发生变质时,应由责任方负责。10.4
若不能确定运输、储存或保管的因素影响时,应由供需双方共同研究分析,分清责任,由责任方负责。5
小提示:此标准内容仅展示完整标准里的部分截取内容,若需要完整标准请到上方自行免费下载完整标准文档。
中华人民共和国纺织行业标准
FZ/T63051—2020
缝纫用涤纶长丝本色线
Polyester filament grey yarn for sewingthreads2020-12-09发布
中华人民共和国工业和信息化部发布
2021-04-01实施
本标准按照GB/T1.1一2009给出的规则起草。本标准由中国纺织工业联合会提出。FZ/T63051-2020
本标准由全国家用纺织品标准化技术委员会线带分技术委员会(SAC/TC302/SC2)归口。本标准起草单位:杭州新合力线业有限公司、沪江线业有限公司、石狮市飞轮线带有限公司、浙江沪江线业有限公司、温州市百针线业有限公司、上海市纺织工业技术监督所、杭州新合力纺织机械有限公司、湖北枫树线业有限公司、南通神马线业有限公司。本标准主要起草人:奚德昌、单银甫、唐映华、吴金星、阮航、杨兴伟、朱建敏、贺美娣、颜春雅、朱文清、马志宏、虞丹丹。
1范围
缝纫用涤纶长丝本色线
FZ/T63051-2020
本标准规定了缝纫用涤纶长丝本色线产品的术语和定义、产品分类、标记、要求、分等规定、试验方法、检验规则,标志、包装和运输、贮存。本标准适用于缝纫用涤纶长丝本色线。2规范性引用文件
下列文件对于本文件的应用是必不可少的。凡是注日期的引用文件,仅注日期的版本适用于本文件。凡是不注日期的引用文件,其最新版本(包括所有的修改单)适用于本文件。GB/T251纺织品色牢度试验评定沾色用灰色样卡GB/T2543.1纺织品纱线抢度的测定第1部分:直接计数法GB/T2828.1计数抽样检验程序第1部分:按接受质量限(AQL)检索的逐批检验抽样计划纺织品卷装纱单根纱线断裂强力和断裂伸长率的测定(CRE法)GB/T3916
GB/T4743—2009纺织品卷装纱绞纱法线密度的测定FZ/T10007
FZ/T10008
3术语和定义
棉及化纤纯纺、混纺本色纱线检验规则棉及化纤纯纺、混纺纱线标志与包装下列术语和定义适用于本文件。3.1
缝纫用涤纶长丝本色线polyesterfilamentgreyyarnforsewingthreads以缝纫用涤纶长丝为原料,经络丝、单丝加抢、并合加抢、成筒等工艺制成缝纫用线。3.2
筒子卷绕密度packagewindeddensity纱线卷绕在筒管上的松紧程度,为纱线卷绕部分的单位体积的质量。4产品分类、标记
缝纫用涤纶长丝本色线以线密度分类。4.2缝纫用涤纶长丝本色线原料代号为T。4.3
缝纫用涤纶长丝本色线标记时,应分别标明原料代号、线密度和股数。示例:
缝纫用涤纶长丝本色线的线密度为167dtex,股数为2股。应写成:T167dtex×2。5要求
5.1缝纫用涤纶长丝本色线的技术要求分为内在质量和外观质量。内在质量包括线密度偏差率、线密1
FZ/T63051—2020
度变异系数、单线断裂强度、单线断裂强力变异系数、简子卷绕密度偏差值、抢度变异系数及参考指标单线断裂伸长率。外观质量包括多股、缺股、结头、麻懈线、毛丝、污渍。5.2
2缝纫用涤纶长丝本色线(二股)内在质量要求按表1规定。表1
线密度
467×2
311×2
233×2
167×2
111×2
优等品
一等品
合格品
优等品
一等品
合格品
线密度
偏差率
缝纫用涤纶长丝本色线(二股)内在质量技术要求线密度变
异系数/%
单线断裂强
度/(cN/tex)
注1:线密度偏差率,以设计线密度中心值为计算依据单线断裂强力
变异系数/%
简子卷绕密度
偏差值
注2:M,为简子卷绕密度中心值,由供需双方协商确定,用于考核筒子染色的松筒。注3:单线断裂伸长率为参考指标,M,为断裂伸长率中心值,由供需双方协商确定。5.3
缝纫用涤纶长丝本色线(三股)内在质量要求按表2规定。表2
线密度
1111×3
933×3
700×3
467×3
311×3
233×3
167×3
111×3
优等品
一等品
合格品
优等品
一等品
合格品
线密度bzxz.net
偏差率
缝纫用涤纶长丝本色线(三股)内在质量技术要求线密度变
异系数/%
单线断裂强
度/(cN/tex))
注1:线密度偏差率,以设计线密度中心值为计算依据。单线断裂强力
变异系数/%
简子卷绕密度
偏差值
注2:M,为筒子卷绕密度中心值,由供需双方协商确定,用于考核简子染色的松筒。注3:单线断裂伸长率为参考指标,M为断裂伸长率中心值,由供需双方协商确定2
拾度变异
系数/%
拾度变异
系数/%
单线断裂
伸长率
单线断裂
伸长率
缝纫用涤纶长丝本色线外观质量要求按表3规定。缝纫用涤纶长丝本色线外观质量要求表3
结头/个
麻懈线
毛丝/个
分等规定
优等品
不允许
4级以上,面积不超过0.5cm2
或单根线不超过2cm允许。
4级及以下不允许
一等品
不允许
不允许
FZ/T63051—2020
合格品
较明显
4级及以上,面积不超过1cm或单根线不超过3cm允许。
3-4级及以下不允许
6.1缝纫用涤纶长丝本色线内在质量按批评定,并以其中最低的一项评等;外观质量按筒评定,以其中最低的一项评等。
6.2产品最终等级由内在质量等级与外观质量等级进行综合评定,按其中最低一项评定。:产品质量等级分为:优等品、一等品、合格品,低于合格品为等外品。6.3
试验方法
试验条件
各项试验在各方法标准的规定的条件下进行。线密度偏差率、线密度变异系数试验7.2.1
线密度试验方法按GB/T4743一2009中程序3执行,线密度偏差率按式(1)计算。T,- T。
式中:
线密度偏差率,%;
实际线密度,单位为特克斯(tex);设计线密度,单位为特克斯(tex)。线密度变异系数试验方法按GB/T4743一2009中程序1执行,按式(2)计算。7.2.2
Z(me -m。)2
式中:
线密度变异系数,%;
每个试样的质量,单位为克(g);n-1
(1)
(2)
FZ/T63051—2020
m。—试样的平均质量,单位为克(g);n—试样的总个数。
3单线断裂强度和单线断裂强力变异系数的试验方法7.3
按GB/T3916执行。
捻度变异系数试验
按GB/T2543.1规定执行。
7.5筒子卷绕密度试验
7.5.1筒子卷绕密度偏差值
分别称取筒子、管芯的质量,测量筒子、管芯的外径及筒子卷绕纱的高度,筒子卷绕密度偏差值按式(3)计算。
式中:
7.5.2测量
筒子卷绕密度偏差值,单位为克每立方厘米(g/cm\);筒子质量,单位为克(g);
管芯的质量,单位为克(g);
筒子的外径,单位为厘米(cm);管芯的外径,单位为厘米(cm);简子卷绕纱的高度,单位为厘米(cm);简子卷绕密度中心值,单位为克每立方厘米(g/cm\)。质量测量,用电子天平,精度为0.01g;尺寸测量,用游标卡尺,精度为1mm。7.6
6外观质量检验
7.6.1外观质量检验条件
(3)
采用室内北向自然光源,如光源不足,照度低于6001x时,可用标准光源或近似40W正常青光日光灯(70士10)cm距离间补足照度。外观质量检验规定
外观质量检验内容按目测评定,污渍的深浅程度按GB/T251评定。8检验规则
同一原料、同一工艺连续生产的同一规格的产品作为一个或若干检验批。8.2外观质量批以筒为单位抽验,抽样数量按照GB/T2828.1正常一次抽样方案,一般检验水平I,接收质量限(AQL)为2.5规定抽样,具体抽样方案按表4。8.3
批量范围N
151~500
501~1200
1201~3200
3201~10000
缝纫用涤纶长丝本色线的外观质量检验抽样方案样本大小n
注:当批量范围小于样本大小时,全数检验。合格判定数Ac
FZ/T63051—2020
单位为简
不合格判定数Re
内在质量的取样按FZ/T10007规定执行,试验次数及精确小数点位数见表5。缝纫用涤纶长丝各项目试验次数和精确小数点位数的规定表5
线密度偏差率/%
线密度变异系数/%
单线断裂强度/(cN/tex))
单线断裂强力变异系数/%
抢度变异系数/%
简子卷绕密度偏差值/(g/cm)
标志、包装
按FZ/T10008规定执行。
运输、贮存
每简试验次数
精确小数点位数
在运输过程中,应有严密遮盖,不能受雨、受潮、曝晒和高温烘培,以防变质。应堆放在干燥仓库,应保存在离地基5cm以上,四周空隙10cm以上处,并做好通风散湿工作,10.2
以防受潮。
存放应先进先出,并经常翻堆检查,工厂交货后,如因运输、储存、保管不善,以致产品质量受到影响或发生变质时,应由责任方负责。10.4
若不能确定运输、储存或保管的因素影响时,应由供需双方共同研究分析,分清责任,由责任方负责。5
小提示:此标准内容仅展示完整标准里的部分截取内容,若需要完整标准请到上方自行免费下载完整标准文档。
标准图片预览:





- 其它标准
- 上一篇: FZ/T 63050-2019绝缘电力牵引绳
- 下一篇: FZ/T 63052-2020涤纶短纤织带
- 热门标准
- 其他行业标准
- QB/T2289.4-2012 园艺工具 剪枝剪
- FZ/T10014-2011 纺织上浆用聚丙烯酸类浆料试验方法 pH值测定
- FZ/T14020-2020 涂料染色水洗棉布
- QJDSD0004S-2016 吉林德尚得生物科技有限公司 短梗五加鹿茸血饮液
- FZ/T73046-2020 一体成型文胸
- FZ/T92054-2010 倍捻锭子
- CECS219-2007 简易自动喷水灭火系统应用技术规程(附条文说明)
- 91SJ803 中悬钢天窗(1/2、1/4中悬)
- DGTJ08-211-2014 假山叠石工程施工规程
- JB/T5332.4-2011 额定电压3.6/6kV及以下电动潜油泵电缆 第4部分:电动潜油泵圆形电力电缆
- JB/T11122-2010 印刷机械 局部上光机
- QB/T1704-2010 铝箔衬纸
- YS/T74.4-2010 镉化学分析方法 第4部分:铅量的测定 火焰原子吸收光谱法
- FZ/T93103-2018 纺纱器
- QX/T546-2020 空间高能粒子辐射效应术语
- 行业新闻
请牢记:“bzxz.net”即是“标准下载”四个汉字汉语拼音首字母与国际顶级域名“.net”的组合。 ©2025 标准下载网 www.bzxz.net 本站邮件:bzxznet@163.com
网站备案号:湘ICP备2025141790号-2
网站备案号:湘ICP备2025141790号-2