- 您的位置:
- 标准下载网 >>
- 标准分类 >>
- 其他行业标准 >>
- FZ/T 92079-2019剥边器
标准号:
FZ/T 92079-2019
标准名称:
剥边器
标准类别:
其他行业标准
英文名称:
Selvedge uncurler标准状态:
现行-
发布日期:
2019-12-24 -
实施日期:
2020-07-01 出版语种:
简体中文下载格式:
.pdf .zip下载大小:
1.21 MB
手机扫码下载更方便
标准ICS号:
纺织和皮革技术>>纺织机械>>59.120.50印染和整理机械设备中标分类号:
纺织>>纺织机械与器具>>W95染整机械与器具
替代情况:
替代FZ/T 92079-2011
点击下载
标准简介:
本标准规定了剥边器的分类和参数、要求、试验方法、检验规则及标志、包装、运输和贮存。
本标准适用于拉幅定形机、预缩机和印花机等染整机械在进布时将布边展开的通用装置。
部分标准内容:
ICS.59.120.50
中华人民共和国纺织行业标准
FZ/T92079-—2019
代替FZ/T92079—2011
剥边器電
Selvedgeuncurler
2019-12-24 发布
中华人民共和国工业和信息化部发布
2020-07-01实施
中华人民共和国纺织
行业标准
剥边器
FZ/T92079—2019
中国标准出版社出版发行
北京市朝阳区和平里西街甲2号(100029)北京市西城区三里河北街16号(100045)网址www.spc.net.cn
总编室:(010)68533533发行中心:(010)51780238读者服务部:(010)68523946
中国标准出版社秦皇岛印刷厂印刷各地新华书店经销
开本880×1230
2020年4月第一版
印张0.5
字数10千字
2020年4月第一次印刷
书号:155066·2-34864定价
如有印装差错
由本社发行中心调换
版权专有
侵权必究
举报电话:(010)68510107
本标准按照GB/T1.1一2009给出的规则起草。FZ/T92079—2019
本标准代替FZ/T92079--2011《剥边器》,与FZ/T92079—2011相比主要技术变化如下:修改了分类和参数(见第3章,2011年版的第3章);修改了不同箱体上的两螺纹指的轴线平行度(见4.5,2011年版的4.5)。本标准由中国纺织工业联合会提出。本标准由全国纺织机械与附件标准化技术委员会纺纱、染整机械分技术委员会(SAC/TC215/SC1)归口。
本标准起草单位:江苏小太阳机械科技有限公司、国家纺织机械质量监督检验中心、江苏迎阳无纺机械有限公司、西安德高印染自动化工程有限公司、福建估龙机械科技股份有限公司、邵阳纺织机械有限责任公司。
本标准主要起草人:张才南、李立平、范立元、马公书、陈进宝、唐接莲。本标准所代替标准的历次版本发布情况为:-FZ/T92079—2011。
1范围
剥边器
FZ/T92079—2019
本标准规定了剥边器的分类和参数、要求、试验方法、检验规则及标志、包装、运输和贮存。本标准适用于拉幅定形机、预缩机和印花机等染整机械在进布时将布边展开的通用装置。2规范性引用文件
下列文件对于本文件的应用是必不可少的。凡是注日期的引用文件,仅注日期的版本适用于本文件。凡是不注日期的引用文件,其最新版本(包括所有的修改单)适用于本文件。GB/T191包装储运图示标志
纺织机械产品包装
FZ/T90001
FZ/T90089.1
型式、尺寸及技术要求
纺织机械铭牌
FZ/T90089.2
纺织机械铭牌
3分类和参数
3.1分类下载标准就来标准下载网
分类如下:
a)按工作原理分为:
辊子式;
型板式;
气流式。
b)辊子式剥边器按指数分为:
-2指辊子式剥边器;
—3指辊子式剥边器;
—4指辊子式剥边器。
c)气流式剥边器按结构型式分为:单面气流式剥边器;
双面气流式剥边器。
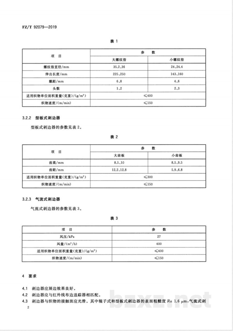
3.2参数
3.2.1辊子式剥边器
辊子式剥边器的参数见表1。
FZ/T92079—2019
螺纹指直径/mm
伸出长度/mm
螺距/mm
适用织物单位面积重量(克重))/(g/m2)织物速度/(m/min)
型板式剥边器
型板式剥边器的参数见表2。
齿高/mm
齿距/mm
适用织物单位面积重量(克重)/(g/m)织物速度/(m/min)
气流式剥边器
气流式剥边器的参数见表3。
风压/kPa
风量/(m2/h))
适用织物单位面积重量(克重)/(g/m2)织物速度/(m/min)
剥边器应展边效果良好。
剥边器应与红外线布边追踪器相匹配。表1
大螺纹指
35.2、36
225、250
大齿板
12.2、12.8
≤400
≤150
≤300
≤150
≤400
≤150
小螺纹指
24、24.4
143、160
小齿板
8.5、9.5
5.9、6.8
剥边器与织物的接触面应光滑。其中辊子式和型板式剥边器的表面粗糙度Ra1.6μm,气流式剥边器的表面粗糙度Ra0.8μm。
FZ/T92079—-2019
4.4型板式剥边器两板间距离的调节范围应为0mm~6mm;气流式剥边器两板间距离的调节范围应为2.5mm~15mm。
4.5辊子式剥边器同一箱体上的两螺纹指轴线的平行度公差应不大于0.20mm;不同箱体上的两螺纹指轴线的平行度公差应不大于0.35mm。4.6辊子式剥边器螺纹指外圆对轴线的径向圆跳动公差应不大于0.25mm。4.7辊子式剥边器第一、二指的转向相反时,应配置安全防护装置。5试验方法
剥边器的表面粗糙度(4.3),用表面粗糙度样板比对检测,或用表面粗糙度仪检测。5.2
剥边器两板间的调节距离(4.4),用游标卡尺或塞尺测量。5.3两螺纹指轴线的平行度(4.5),用游标卡尺检测。5.4剥边器螺纹指外圆的径向圆跳动(4.6),用百分表检测。5.5其余项目,感官检验。
6检验规则
型式检验
6.1.1产品在下列情况之一时进行型式检验:产品的结构、材料、工艺有较大改变,可能影响产品性能时;a
新产品鉴定或老产品转厂定型生产时;c)
出厂检验结果与上次型式检验有较大差异时;d)
产品停产两年以上恢复生产时;e)
第三方进行质量检验时。
2检验项目:第4章。
2出厂检验
产品均应经制造方检验部门检验合格,并附有产品合格证方可出厂。检验项目:4.2~4.7。
6.3判定规则
全部项目检验合格,判该产品符合标准要求。6.4其他
产品出厂1年内,用户厂在进行安装、调试中发现有不符合本标准时,由制造方负责会同使用方共同处理。
7标志
7.1包装箱的储运图示标志,按GB/T191的规定。7.2产品铭牌,按FZ/T90089.1和FZ/T90089.2的规定。7.3剥边器应标识织物前进方向或左、右向的标志。FZ/T92079—2019
包装、运输和贮存
8.1产品的包装,按FZ/T90001的规定。2产品在运输过程中,包装箱应按规定的朝向安置,不得倾斜或改变方向。8.2
3产品出厂后,在良好的防雨及通风贮存条件下,包装箱内的产品防潮、防锈有效期为1年。8.3
版权专有侵权必究
书号:1550662-34864
FZ/T 92079-2019
打印日期:2020年4月23日
定价:
中华人民共和国纺织行业标准
FZ/T92079-—2019
代替FZ/T92079—2011
剥边器電
Selvedgeuncurler
2019-12-24 发布
中华人民共和国工业和信息化部发布
2020-07-01实施
中华人民共和国纺织
行业标准
剥边器
FZ/T92079—2019
中国标准出版社出版发行
北京市朝阳区和平里西街甲2号(100029)北京市西城区三里河北街16号(100045)网址www.spc.net.cn
总编室:(010)68533533发行中心:(010)51780238读者服务部:(010)68523946
中国标准出版社秦皇岛印刷厂印刷各地新华书店经销
开本880×1230
2020年4月第一版
印张0.5
字数10千字
2020年4月第一次印刷
书号:155066·2-34864定价
如有印装差错
由本社发行中心调换
版权专有
侵权必究
举报电话:(010)68510107
本标准按照GB/T1.1一2009给出的规则起草。FZ/T92079—2019
本标准代替FZ/T92079--2011《剥边器》,与FZ/T92079—2011相比主要技术变化如下:修改了分类和参数(见第3章,2011年版的第3章);修改了不同箱体上的两螺纹指的轴线平行度(见4.5,2011年版的4.5)。本标准由中国纺织工业联合会提出。本标准由全国纺织机械与附件标准化技术委员会纺纱、染整机械分技术委员会(SAC/TC215/SC1)归口。
本标准起草单位:江苏小太阳机械科技有限公司、国家纺织机械质量监督检验中心、江苏迎阳无纺机械有限公司、西安德高印染自动化工程有限公司、福建估龙机械科技股份有限公司、邵阳纺织机械有限责任公司。
本标准主要起草人:张才南、李立平、范立元、马公书、陈进宝、唐接莲。本标准所代替标准的历次版本发布情况为:-FZ/T92079—2011。
1范围
剥边器
FZ/T92079—2019
本标准规定了剥边器的分类和参数、要求、试验方法、检验规则及标志、包装、运输和贮存。本标准适用于拉幅定形机、预缩机和印花机等染整机械在进布时将布边展开的通用装置。2规范性引用文件
下列文件对于本文件的应用是必不可少的。凡是注日期的引用文件,仅注日期的版本适用于本文件。凡是不注日期的引用文件,其最新版本(包括所有的修改单)适用于本文件。GB/T191包装储运图示标志
纺织机械产品包装
FZ/T90001
FZ/T90089.1
型式、尺寸及技术要求
纺织机械铭牌
FZ/T90089.2
纺织机械铭牌
3分类和参数
3.1分类下载标准就来标准下载网
分类如下:
a)按工作原理分为:
辊子式;
型板式;
气流式。
b)辊子式剥边器按指数分为:
-2指辊子式剥边器;
—3指辊子式剥边器;
—4指辊子式剥边器。
c)气流式剥边器按结构型式分为:单面气流式剥边器;
双面气流式剥边器。
3.2参数
3.2.1辊子式剥边器
辊子式剥边器的参数见表1。
FZ/T92079—2019
螺纹指直径/mm
伸出长度/mm
螺距/mm
适用织物单位面积重量(克重))/(g/m2)织物速度/(m/min)
型板式剥边器
型板式剥边器的参数见表2。
齿高/mm
齿距/mm
适用织物单位面积重量(克重)/(g/m)织物速度/(m/min)
气流式剥边器
气流式剥边器的参数见表3。
风压/kPa
风量/(m2/h))
适用织物单位面积重量(克重)/(g/m2)织物速度/(m/min)
剥边器应展边效果良好。
剥边器应与红外线布边追踪器相匹配。表1
大螺纹指
35.2、36
225、250
大齿板
12.2、12.8
≤400
≤150
≤300
≤150
≤400
≤150
小螺纹指
24、24.4
143、160
小齿板
8.5、9.5
5.9、6.8
剥边器与织物的接触面应光滑。其中辊子式和型板式剥边器的表面粗糙度Ra1.6μm,气流式剥边器的表面粗糙度Ra0.8μm。
FZ/T92079—-2019
4.4型板式剥边器两板间距离的调节范围应为0mm~6mm;气流式剥边器两板间距离的调节范围应为2.5mm~15mm。
4.5辊子式剥边器同一箱体上的两螺纹指轴线的平行度公差应不大于0.20mm;不同箱体上的两螺纹指轴线的平行度公差应不大于0.35mm。4.6辊子式剥边器螺纹指外圆对轴线的径向圆跳动公差应不大于0.25mm。4.7辊子式剥边器第一、二指的转向相反时,应配置安全防护装置。5试验方法
剥边器的表面粗糙度(4.3),用表面粗糙度样板比对检测,或用表面粗糙度仪检测。5.2
剥边器两板间的调节距离(4.4),用游标卡尺或塞尺测量。5.3两螺纹指轴线的平行度(4.5),用游标卡尺检测。5.4剥边器螺纹指外圆的径向圆跳动(4.6),用百分表检测。5.5其余项目,感官检验。
6检验规则
型式检验
6.1.1产品在下列情况之一时进行型式检验:产品的结构、材料、工艺有较大改变,可能影响产品性能时;a
新产品鉴定或老产品转厂定型生产时;c)
出厂检验结果与上次型式检验有较大差异时;d)
产品停产两年以上恢复生产时;e)
第三方进行质量检验时。
2检验项目:第4章。
2出厂检验
产品均应经制造方检验部门检验合格,并附有产品合格证方可出厂。检验项目:4.2~4.7。
6.3判定规则
全部项目检验合格,判该产品符合标准要求。6.4其他
产品出厂1年内,用户厂在进行安装、调试中发现有不符合本标准时,由制造方负责会同使用方共同处理。
7标志
7.1包装箱的储运图示标志,按GB/T191的规定。7.2产品铭牌,按FZ/T90089.1和FZ/T90089.2的规定。7.3剥边器应标识织物前进方向或左、右向的标志。FZ/T92079—2019
包装、运输和贮存
8.1产品的包装,按FZ/T90001的规定。2产品在运输过程中,包装箱应按规定的朝向安置,不得倾斜或改变方向。8.2
3产品出厂后,在良好的防雨及通风贮存条件下,包装箱内的产品防潮、防锈有效期为1年。8.3
版权专有侵权必究
书号:1550662-34864
FZ/T 92079-2019
打印日期:2020年4月23日
定价:
小提示:此标准内容仅展示完整标准里的部分截取内容,若需要完整标准请到上方自行免费下载完整标准文档。
标准图片预览:





- 其它标准
- 上一篇: FZ/T 92079-2011剥边器
- 下一篇: FZ/T 93013-2012精梳毛纺环锭细纱机
- 热门标准
- 其他行业标准
- FZ/T81007-2022 单、夹服装
- FZ/T73020-2019 针织休闲服装
- FZ/T54070-2014 涤纶粗单纤牵伸丝
- FZ/T54069-2014 弹性涤纶牵伸丝
- JB/T1308.1-2011 PN2500超高压阀门和管件 第1部分:阀门型式和基本参数
- FZ/T61001-2019 纯毛、毛混纺毛毯
- YS/T43-2011 高纯砷
- QB/T4922-2016 工业用缝纫机 计算机控制圆头锁钮孔缝纫机
- QB/T4934-2016 连体餐桌椅
- 03SG519-1 多、高层建筑钢结构节点连接(次梁与主梁的简支螺栓连接、主梁的栓焊拼接)
- XB/T617.7-2014 钕铁硼合金化学分析方法 第7部分氧、氮量的测定 脉冲—红外吸收法和脉冲—热导法
- QB/T4840-2015 户外家具用遮篷
- 08J931 建筑隔声与吸声构造
- GH/T1091-2014 代用茶
- GJB509B-2008 热处理工艺质量控制
- 行业新闻
请牢记:“bzxz.net”即是“标准下载”四个汉字汉语拼音首字母与国际顶级域名“.net”的组合。 ©2025 标准下载网 www.bzxz.net 本站邮件:wymp4wang@gmail.com