- 您的位置:
- 标准下载网 >>
- 标准分类 >>
- 其他行业标准 >>
- YS/T 538-2016Fe-Cr-B-Si系自熔合金粉
标准号:
YS/T 538-2016
标准名称:
Fe-Cr-B-Si系自熔合金粉
标准类别:
其他行业标准
英文名称:
Fe-Cr-B-Si self-fluxing alloyed powders标准状态:
现行-
发布日期:
2016-07-11 -
实施日期:
2017-01-01 出版语种:
简体中文下载格式:
.pdf .zip
标准ICS号:
冶金>>77.160粉末冶金中标分类号:
冶金>>粉末冶金>>H71金属与合金粉末
替代情况:
替代YS/T 538-2006;
起草人:
刘海飞、陆在平、胡丹丹、于月光、李伟、章德铭、沈婕起草单位:
北京矿冶研究总院、自贡长城硬面材料有限公司归口单位:
全国有色金属标准化技术委员会(SAC/TC 243)提出单位:
全国有色金属标准化技术委员会(SAC/TC 243)发布部门:
中华人民共和国工业和信息化部主管部门:
全国有色金属标准化技术委员会(SAC/TC 243)相关标签:
合金粉
点击下载
标准简介:
本标准规定了Fe-Cr-B-Si系自熔合金粉的要求、试验方法、检验规则及标志、包装、运输、贮存、质量证明书和合同(或订货单)内容。本标准适用于氧-乙炔火焰喷焊、等离子喷焊、激光熔覆用Fe-Cr-B-Si系自熔合金粉。
部分标准内容:
ICS77.160
中华人民共和国有色金属行业标准YS/T538—2016
代替YS/T538—2006
Fe-Cr-B-Si系自熔合金粉
Fe-Cr-B-Siself-fluxing alloyedpowders2016-07-11发布
中华人民共和国工业和信息化部发布
2017-01-01实施
本标准按照GB/T1.1一2009给出的规则起草。YS/T538—2016
本标准代替YS/T538—2006《Fe-Cr-B-Si系自熔合金粉》。与YS/T538—2006相比,本标准主要技术变化如下:
修改了标准适用范围;
增加了规范性引用文件;
增加了“激光熔覆”术语;
修改了粉末粒度范围和要求;
修改了试验方法;
修改了检验规则;
增加了合同(或订货单)内容。
本标准由全国有色金属标准化技术委员会(SAC/TC243)提出并归口。本标准起草单位:北京矿冶研究总院、自贡长城硬面材料有限公司。本标准主要起草人:刘海飞、陆在平、胡丹丹、于月光、李伟、章德铭、沈婕。本标准所代替标准的历次版本发布情况为:GB8549—1987;
YS/T538—2006。
1范围
Fe-Cr-B-Si系自熔合金粉
YS/T538—2016
本标准规定了Fe-Cr-B-Si系自熔合金粉的要求、试验方法、检验规则及标志、包装、运输、贮存、质量证明书和合同(或订货单)内容。本标准适用于氧-乙炔火焰喷焊、等离子喷焊、激光熔覆用Fe-Cr-B-Si系自熔合金粉。2规范性引用文件
下列文件对于本文件的应用是必不可少的。凡是注目期的引用文件,仅注目期的版本适用于本文件。凡是不注日期的引用文件,其最新版本(包括所有的修改单)适用于本文件。GB/T223(所有部分)钢铁及合金化学分析方法GB/T1479.1
GB/T1480
GB/T1482
GB/T5314
GB/T11261
YS/T533
YS/T541
3术语和定义
金属粉末松装密度的测定
第1部分:漏斗法
金属粉末干筛分法测定粒度
金属粉末流动性的测定标准漏斗法(霍尔流速计)粉末冶金用粉末取样方法
钢铁氧含量的测定脉冲加热惰气熔融-红外线吸收法自熔合金粉末固-液相线温度区间的测定方法金属热喷涂层表面洛氏硬度试验方法下列术语和定义适用于本文件。3.1
自熔合金粉末self-fluxingalloyedpowder含硼和硅元素且熔点低、自脱氧、与基体浸润好的合金粉末。3.2
重熔remelting
指喷射到工件表面上的自熔合金粉重新熔融,使涂层致密化并与基体产生熔焊结合的工艺。3.3
氧-乙炔焰喷焊oxygen-acetyleneflamespraywelding以氧-乙炔火焰为热源,将自熔合金粉末经火焰区后呈熔融或半熔融态喷到工件表面上,或加以重熔,使涂层与基材产生熔焊结合的表面强化技术。3.4
等离子喷焊plasmaspraywelding以等离子弧为热源,利用等离子弧产生的高温将合金粉末与基体表面迅速加热并一起熔化、混合、扩散、凝固,等离子束离开后自激冷却,形成一层高性能的合金层,从而实现零件表面强化与硬化的堆焊工艺。
YS/T538—2016
lasercladding
激光熔覆
采用激光束在选定表面熔覆一层特殊性能的材料,以改善工件表面性能的工艺。4要求
4.1产品分类
4.1.1牌号
产品根据化学成分及物理性能分为17个牌号。4.1.2牌号表示规则
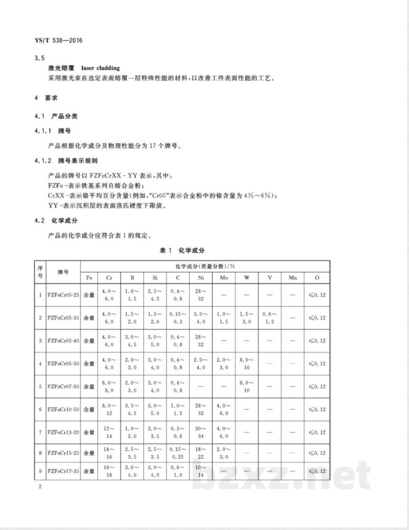
产品的牌号以FZFeCrXX-YY表示,其中:FZFe-表示铁基系列自熔合金粉;CrXX-表示铬平均百分含量(例如,“Cr05”表示合金粉中的铬含量为4%~6%);YY-表示沉积层的表面洛氏硬度下限值。4.2化学成分
产品的化学成分应符合表1的规定。表1化学成分
FZFeCr05-25
FZFeCr05-35
FZFeCr05-40
FZFeCr05-50
FZFeCr07-50Www.bzxZ.net
FZFeCr10-50
FZFeCr13-20
FZFeCr15-25
FZFeCr17-35
化学成分(质量分数)/%
FZFeCr17-45
FZFeCr17-50
FZFeCr19-30
FZFeCr22-35
FZFeCr23-30
FZFeCr30-50
FZFeCr30-55
FZFeCr48-60
物理性能
熔融温度和沉积层硬度
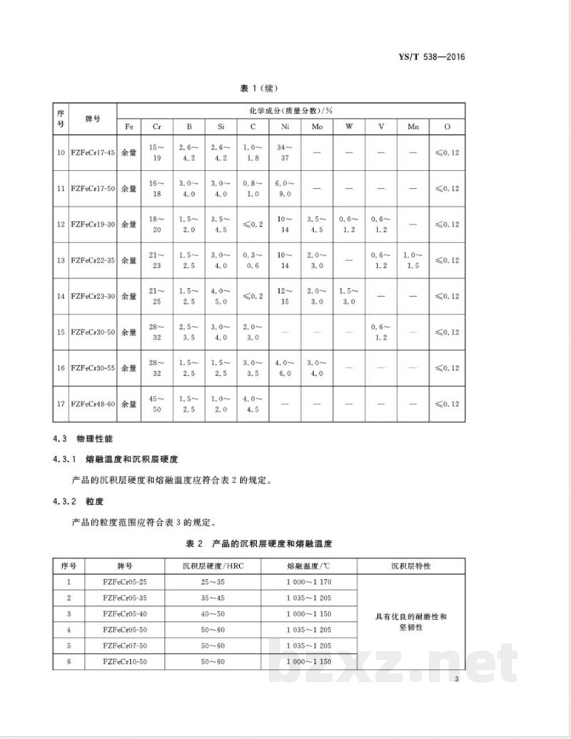
表1(续)
化学成分(质量分数)/%
产品的沉积层硬度和熔融温度应符合表2的规定4.3.2
产品的粒度范围应符合表3的规定Ni
表2产品的沉积层硬度和熔融温度序号
FZFeCr05-25
FZFeCr05-35
FZFeCr05-40
FZFeCr05-50
FZFeCr07-50
FZFeCr10-50
沉积层硬度/HRC
熔融温度/℃
1000~1170
1035~1205
1000~1150
1035~1205
1035~1205
1000~1150
YS/T538—2016
沉积层特性
具有优良的耐磨性和
坚韧性
YS/T538—2016
FZFeCr13-20
FZFeCr15-25
FZFeCr17-35
FZFeCr17-45
FZFeCr17-50
FZFeCr19-30
FZFeCr22-35
FZFeCr23-30
FZFeCr30-50
FZFeCr30-55
FZFeCr48-60
表2(续)
沉积层硬度/HRC
20~30
30~40
注:熔融温度可不作为供需双方的产品质量验收指标。熔融温度/℃
1150~1220
1035~1205
1040~1165
980~1100
1110~1270
1200~1300
1137~1218
1172~1250
1110~1260
1150~1250
1160~1280
3产品的粒度范围
粒度规格
75μm~250μm
45μm~106μm
粒度组成
>300μm不允许,>250μm≤2%,≤75μm≤10%>125μm不允许,>106μm≤3%,≤45μm≤10%注:需方对粒度范围有特殊要求时,由供需双方协商确定。4.3.3
流动性
产品的流动性应不大于25s/50g。松装密度
产品的松装密度应不小于3.5g/cm。外观质量
产品外观无目视可见夹杂物。
试验方法
化学成分
沉积层特性
具有优良的耐酸、
耐腐蚀和耐磨性
具有优良的耐热、耐氧化、
耐蚀和耐磨性
适用喷涂工艺
等离子喷焊
氧-乙炔喷焊、激光熔覆
产品中铬、镍、钼、钨、钒、锰、硼、硅、碳含量的分析方法按GB/T223的规定进行。产品中氧含量的分析方法按GB/T11261的规定进行。物理性能
产品熔融温度测定按YS/T533的规定进行。5.2.2
沉积层硬度测定方法和试样制备按YS/T541的规定进行。5.2.3
3产品粒度组成的测定按GB/T1480的规定进行。5.2.4产品流动性的测定按GB/T1482的规定进行。5.2.5
产品松装密度的测定按GB/T1479的规定进行。外观质量
产品外观质量用目视检验。
检验规则
检查和验收
YS/T538—2016
6.1.1产品应由供方进行检验,保证产品质量符合本标准及合同(或订货单)的规定,并填写质量证明书。
需方应对收到的产品按本标准的规定进行检验,如检验结果与本标准及合同(或订货单)的规定不符时,应在收到产品之日起60天内向供方提出,由供需双方协商解决。如需仲裁,仲裁取样在需方由供需双方共同进行。
6.2组批
产品应成批提交验收,每批产品由同一生产工艺制取的、同一牌号、同一粒度规格的粉末混合组成。每批重量不超过1t。
3检验项目及取样
产品检验项目及取样应符合表4的规定。表4检验项目及取样
检验项目
化学成分
物理性能
外观质量
6.4检验结果判定
取样规定
按GB/T5314规定进行
要求的章条号
试验方法的章条号
6.4.1化学成分检验不合格,则在该批产品中另取双倍试样对该不合格项进行重复检验,若重复检验仍有结果不合格时,则判该批产品为不合格。6.4.2物理性能检验不合格,则在该批产品中另取双倍试样对该不合格项进行重复检验,若重复检验仍有结果不合格时,则判该批产品为不合格。6.4.3外观质量检验不合格,判该批产品为不合格。7标志、包装、运输、购存和质量证明书7.1标志
包装容器表面应标明:供方名称、产品名称、牌号、批号、重量及“防潮”字样或标志。5
YS/T538—2016
7.2包装
产品用密闭的塑料容器(桶)密封包装,分1kg、2kg、5kg、10kg四种。7.3运输
产品运输时,应防止受潮。
产品应存放在干燥、通风、无腐蚀性气氛处,防止氧化,7.5质量证明书
每批产品应附有质量证明书,其中注明以下内容:a)
供方名称、地址;
产品名称和牌号;
产品批号;
净重和数量;
各项检验结果和供方技术监督部门印记;本标准编号(YS/T538—2016);出厂日期。
合同(或订货单)内容
订购本标准所列产品的合同(或订货单)应包括下列内容:a)
产品名称;
牌号;
重量;
本标准编号(YS/T538—2016);其他。
YS/T538-2016
中华人民共和国有色金属
行业标准
Fe-Cr-B-Si系自熔合金粉
YS/T538—2016
中国标准出版社出版发行
北京市朝阳区和平里西街甲2号(100029)北京市西城区三里河北街16号(100045)网址www.spc.net.cn
总编室:(010)68533533发行中心:(010)51780238读者服务部:(010)68523946
中国标准出版社秦皇岛印刷厂印刷各地新华书店经销
开本880×1230
2017年4月第一版
印张0.75
字数13千字
2017年4月第一次印刷
书号:155066·2-31605
如有印装差错
定价16.00元
由本社发行中心调换
版权专有
侵权必究
举报电话:(010)68510107
小提示:此标准内容仅展示完整标准里的部分截取内容,若需要完整标准请到上方自行免费下载完整标准文档。
中华人民共和国有色金属行业标准YS/T538—2016
代替YS/T538—2006
Fe-Cr-B-Si系自熔合金粉
Fe-Cr-B-Siself-fluxing alloyedpowders2016-07-11发布
中华人民共和国工业和信息化部发布
2017-01-01实施
本标准按照GB/T1.1一2009给出的规则起草。YS/T538—2016
本标准代替YS/T538—2006《Fe-Cr-B-Si系自熔合金粉》。与YS/T538—2006相比,本标准主要技术变化如下:
修改了标准适用范围;
增加了规范性引用文件;
增加了“激光熔覆”术语;
修改了粉末粒度范围和要求;
修改了试验方法;
修改了检验规则;
增加了合同(或订货单)内容。
本标准由全国有色金属标准化技术委员会(SAC/TC243)提出并归口。本标准起草单位:北京矿冶研究总院、自贡长城硬面材料有限公司。本标准主要起草人:刘海飞、陆在平、胡丹丹、于月光、李伟、章德铭、沈婕。本标准所代替标准的历次版本发布情况为:GB8549—1987;
YS/T538—2006。
1范围
Fe-Cr-B-Si系自熔合金粉
YS/T538—2016
本标准规定了Fe-Cr-B-Si系自熔合金粉的要求、试验方法、检验规则及标志、包装、运输、贮存、质量证明书和合同(或订货单)内容。本标准适用于氧-乙炔火焰喷焊、等离子喷焊、激光熔覆用Fe-Cr-B-Si系自熔合金粉。2规范性引用文件
下列文件对于本文件的应用是必不可少的。凡是注目期的引用文件,仅注目期的版本适用于本文件。凡是不注日期的引用文件,其最新版本(包括所有的修改单)适用于本文件。GB/T223(所有部分)钢铁及合金化学分析方法GB/T1479.1
GB/T1480
GB/T1482
GB/T5314
GB/T11261
YS/T533
YS/T541
3术语和定义
金属粉末松装密度的测定
第1部分:漏斗法
金属粉末干筛分法测定粒度
金属粉末流动性的测定标准漏斗法(霍尔流速计)粉末冶金用粉末取样方法
钢铁氧含量的测定脉冲加热惰气熔融-红外线吸收法自熔合金粉末固-液相线温度区间的测定方法金属热喷涂层表面洛氏硬度试验方法下列术语和定义适用于本文件。3.1
自熔合金粉末self-fluxingalloyedpowder含硼和硅元素且熔点低、自脱氧、与基体浸润好的合金粉末。3.2
重熔remelting
指喷射到工件表面上的自熔合金粉重新熔融,使涂层致密化并与基体产生熔焊结合的工艺。3.3
氧-乙炔焰喷焊oxygen-acetyleneflamespraywelding以氧-乙炔火焰为热源,将自熔合金粉末经火焰区后呈熔融或半熔融态喷到工件表面上,或加以重熔,使涂层与基材产生熔焊结合的表面强化技术。3.4
等离子喷焊plasmaspraywelding以等离子弧为热源,利用等离子弧产生的高温将合金粉末与基体表面迅速加热并一起熔化、混合、扩散、凝固,等离子束离开后自激冷却,形成一层高性能的合金层,从而实现零件表面强化与硬化的堆焊工艺。
YS/T538—2016
lasercladding
激光熔覆
采用激光束在选定表面熔覆一层特殊性能的材料,以改善工件表面性能的工艺。4要求
4.1产品分类
4.1.1牌号
产品根据化学成分及物理性能分为17个牌号。4.1.2牌号表示规则
产品的牌号以FZFeCrXX-YY表示,其中:FZFe-表示铁基系列自熔合金粉;CrXX-表示铬平均百分含量(例如,“Cr05”表示合金粉中的铬含量为4%~6%);YY-表示沉积层的表面洛氏硬度下限值。4.2化学成分
产品的化学成分应符合表1的规定。表1化学成分
FZFeCr05-25
FZFeCr05-35
FZFeCr05-40
FZFeCr05-50
FZFeCr07-50Www.bzxZ.net
FZFeCr10-50
FZFeCr13-20
FZFeCr15-25
FZFeCr17-35
化学成分(质量分数)/%
FZFeCr17-45
FZFeCr17-50
FZFeCr19-30
FZFeCr22-35
FZFeCr23-30
FZFeCr30-50
FZFeCr30-55
FZFeCr48-60
物理性能
熔融温度和沉积层硬度
表1(续)
化学成分(质量分数)/%
产品的沉积层硬度和熔融温度应符合表2的规定4.3.2
产品的粒度范围应符合表3的规定Ni
表2产品的沉积层硬度和熔融温度序号
FZFeCr05-25
FZFeCr05-35
FZFeCr05-40
FZFeCr05-50
FZFeCr07-50
FZFeCr10-50
沉积层硬度/HRC
熔融温度/℃
1000~1170
1035~1205
1000~1150
1035~1205
1035~1205
1000~1150
YS/T538—2016
沉积层特性
具有优良的耐磨性和
坚韧性
YS/T538—2016
FZFeCr13-20
FZFeCr15-25
FZFeCr17-35
FZFeCr17-45
FZFeCr17-50
FZFeCr19-30
FZFeCr22-35
FZFeCr23-30
FZFeCr30-50
FZFeCr30-55
FZFeCr48-60
表2(续)
沉积层硬度/HRC
20~30
30~40
注:熔融温度可不作为供需双方的产品质量验收指标。熔融温度/℃
1150~1220
1035~1205
1040~1165
980~1100
1110~1270
1200~1300
1137~1218
1172~1250
1110~1260
1150~1250
1160~1280
3产品的粒度范围
粒度规格
75μm~250μm
45μm~106μm
粒度组成
>300μm不允许,>250μm≤2%,≤75μm≤10%>125μm不允许,>106μm≤3%,≤45μm≤10%注:需方对粒度范围有特殊要求时,由供需双方协商确定。4.3.3
流动性
产品的流动性应不大于25s/50g。松装密度
产品的松装密度应不小于3.5g/cm。外观质量
产品外观无目视可见夹杂物。
试验方法
化学成分
沉积层特性
具有优良的耐酸、
耐腐蚀和耐磨性
具有优良的耐热、耐氧化、
耐蚀和耐磨性
适用喷涂工艺
等离子喷焊
氧-乙炔喷焊、激光熔覆
产品中铬、镍、钼、钨、钒、锰、硼、硅、碳含量的分析方法按GB/T223的规定进行。产品中氧含量的分析方法按GB/T11261的规定进行。物理性能
产品熔融温度测定按YS/T533的规定进行。5.2.2
沉积层硬度测定方法和试样制备按YS/T541的规定进行。5.2.3
3产品粒度组成的测定按GB/T1480的规定进行。5.2.4产品流动性的测定按GB/T1482的规定进行。5.2.5
产品松装密度的测定按GB/T1479的规定进行。外观质量
产品外观质量用目视检验。
检验规则
检查和验收
YS/T538—2016
6.1.1产品应由供方进行检验,保证产品质量符合本标准及合同(或订货单)的规定,并填写质量证明书。
需方应对收到的产品按本标准的规定进行检验,如检验结果与本标准及合同(或订货单)的规定不符时,应在收到产品之日起60天内向供方提出,由供需双方协商解决。如需仲裁,仲裁取样在需方由供需双方共同进行。
6.2组批
产品应成批提交验收,每批产品由同一生产工艺制取的、同一牌号、同一粒度规格的粉末混合组成。每批重量不超过1t。
3检验项目及取样
产品检验项目及取样应符合表4的规定。表4检验项目及取样
检验项目
化学成分
物理性能
外观质量
6.4检验结果判定
取样规定
按GB/T5314规定进行
要求的章条号
试验方法的章条号
6.4.1化学成分检验不合格,则在该批产品中另取双倍试样对该不合格项进行重复检验,若重复检验仍有结果不合格时,则判该批产品为不合格。6.4.2物理性能检验不合格,则在该批产品中另取双倍试样对该不合格项进行重复检验,若重复检验仍有结果不合格时,则判该批产品为不合格。6.4.3外观质量检验不合格,判该批产品为不合格。7标志、包装、运输、购存和质量证明书7.1标志
包装容器表面应标明:供方名称、产品名称、牌号、批号、重量及“防潮”字样或标志。5
YS/T538—2016
7.2包装
产品用密闭的塑料容器(桶)密封包装,分1kg、2kg、5kg、10kg四种。7.3运输
产品运输时,应防止受潮。
产品应存放在干燥、通风、无腐蚀性气氛处,防止氧化,7.5质量证明书
每批产品应附有质量证明书,其中注明以下内容:a)
供方名称、地址;
产品名称和牌号;
产品批号;
净重和数量;
各项检验结果和供方技术监督部门印记;本标准编号(YS/T538—2016);出厂日期。
合同(或订货单)内容
订购本标准所列产品的合同(或订货单)应包括下列内容:a)
产品名称;
牌号;
重量;
本标准编号(YS/T538—2016);其他。
YS/T538-2016
中华人民共和国有色金属
行业标准
Fe-Cr-B-Si系自熔合金粉
YS/T538—2016
中国标准出版社出版发行
北京市朝阳区和平里西街甲2号(100029)北京市西城区三里河北街16号(100045)网址www.spc.net.cn
总编室:(010)68533533发行中心:(010)51780238读者服务部:(010)68523946
中国标准出版社秦皇岛印刷厂印刷各地新华书店经销
开本880×1230
2017年4月第一版
印张0.75
字数13千字
2017年4月第一次印刷
书号:155066·2-31605
如有印装差错
定价16.00元
由本社发行中心调换
版权专有
侵权必究
举报电话:(010)68510107
小提示:此标准内容仅展示完整标准里的部分截取内容,若需要完整标准请到上方自行免费下载完整标准文档。
标准图片预览:





- 其它标准
- 上一篇: YS/T 528-2013铝包镍复合粉
- 下一篇: YS/T 821-2012铝合金电池用盖板
- 热门标准
- 其他行业标准
- QB/T2289.4-2012 园艺工具 剪枝剪
- JB/T11313-2012 电袋复合除尘器用旁路阀
- SH/T3022-2011 石油化工设备和管道涂料防腐蚀设计规范
- FZ/T14020-2020 涂料染色水洗棉布
- JB/T9678-2012 盘形悬式绝缘子用钢化玻璃绝缘件外观质量
- YS/T349.4-2010 硫化钴精矿化学分析方法 第4部分:二氧化硅量的测定 氟硅酸钾容量法
- QJLPK0001S-2016 吉林普康农业有限公司 胚芽米
- QB/T1097-2010 钢制文件柜
- QB/T1586.2-2010 箱包五金配件 箱走轮
- YB/T027-2009 SY型高刚度轧钢机
- FZ/T72025-2019 西裤用针织面料
- FZ/T14052-2021 锦纶与涤纶交织印染布
- YS/T953.3-2014 火法冶炼镍基体料化学分析方法 第3部分:磷量的测定 铋磷钼蓝分光光度法
- QDLBG0001S-2016 吉林绿波中药药业有限公司 桦褐孔菌茶
- JB/T5332.4-2011 额定电压3.6/6kV及以下电动潜油泵电缆 第4部分:电动潜油泵圆形电力电缆
- 行业新闻
请牢记:“bzxz.net”即是“标准下载”四个汉字汉语拼音首字母与国际顶级域名“.net”的组合。 ©2025 标准下载网 www.bzxz.net 本站邮件:bzxznet@163.com
网站备案号:湘ICP备2025141790号-2
网站备案号:湘ICP备2025141790号-2