- 您的位置:
- 标准下载网 >>
- 标准分类 >>
- 其他行业标准 >>
- FZ/T 62011.4-2016布艺类产品 第4部分:室内装饰物
标准号:
FZ/T 62011.4-2016
标准名称:
布艺类产品 第4部分:室内装饰物
标准类别:
其他行业标准
英文名称:
Indoor ornamental textiles—Part 4:Interior decoratives标准状态:
现行-
发布日期:
2016-10-22 -
实施日期:
2017-04-01 出版语种:
简体中文下载格式:
.pdf .zip
替代情况:
替代FZ/T 62011.4-2008;
点击下载
标准简介:
FZ/T 62011的本部分规定了布艺类产品——室内用纺织品的术语和定义、要求、抽样、试验方法、检验规则、标志、包装、运输和贮存。
本部分适用于以纺织纤维为原料的室内装饰物。
部分标准内容:
ICS_97.160
中华人民共和国纺织行业标准
FZ/T62011.4—2016
代替FZ/T62011.4—2008
布艺类产品
第4部分:室内装饰物
Indoor ornamental textiles-Part 4:Interior decoratives2016-10-22发布
中华人民共和国工业和信息化部2017-04-01实施
FZ/T62011《布艺类产品》分为四个部分:第1部分:惟慢;
第2部分:餐用纺织品;
第3部分:家具用纺织品;
第4部分:室内装饰物。
本部分为FZ/T62011的第4部分。本部分按照GB/T1.1-2009给出的规则起草。本部分代替FZ/T62011.4—2008《布艺类产品第4部分:室内装饰物》。本部分与FZ/T62011.4一2008相比主要变化如下:修改了标准的英文名称(见封面,2008年版封面);修改了耐皂洗色牢度试验方法(见第2章,2008年版第2章);-增加和完善了标志、包装、运输和贮存(见第8章,2008年版第8章)。本部分由中国纺织工业联合会提出。本部分由全国家用纺织品标准化技术委员会(SAC/TC302)归口。本部分起草单位:江苏省纺织产品质量监督检验研究院。本部分主要起草人:唐祖根、李杰。本部分所代替标准的历次版本发布情况为:-FZ/T62011.4—2008。
FZ/T62011.4—2016
1范围免费标准下载网bzxz
布艺类产品
第4部分:室内装饰物
FZ/T62011.4—2016
FZ/T62011的本部分规定了布艺类产品一一室内用纺织品的术语和定义、要求、抽样、试验方法、检验规则、标志、包装、运输和贮存。本部分适用于以纺织纤维为原料的室内装饰物。2规范性引用文件
下列文件对于本文件的应用是必不可少的。凡是注日期的引用文件,仅注日期的版本适用于本文件。凡是不注日期的引用文件,其最新版本(包括所有的修改单)适用于本文件。GB/T3920纺织品色牢度试验耐摩擦色牢度GB/T3921-2008纺织品色牢度试验耐皂洗色牢度GB5296.4消费品使用说明第4部分:纺织品和服装GB/T5711纺织品色牢度试验耐四氯乙烯干洗色牢度GB/T8170
数值修约规则与极限数值的表示和判定GB/T8427一2008纺织品色牢度试验耐人造光色牢度:氙弧毛织物尺寸变化的测定静态浸水法FZ/T20009
3术语和定义
下列术语和定义适用于本文件。3.1
indoorornamentaltextile
布艺类产品
主要部分由纺织原料制成,用于室内,具有装饰和/或实用功能的纺织制品。主要分为雌慢、餐用纺织品、家具用纺织品、室内装饰物。3.2
室内装饰物interiordecoratives用于室内,以装饰功能为主的纺织品,如:床饰、墙饰、地饰(地毯除外)以及各种袋、包、裹、围、夹、摆设等。
4要求
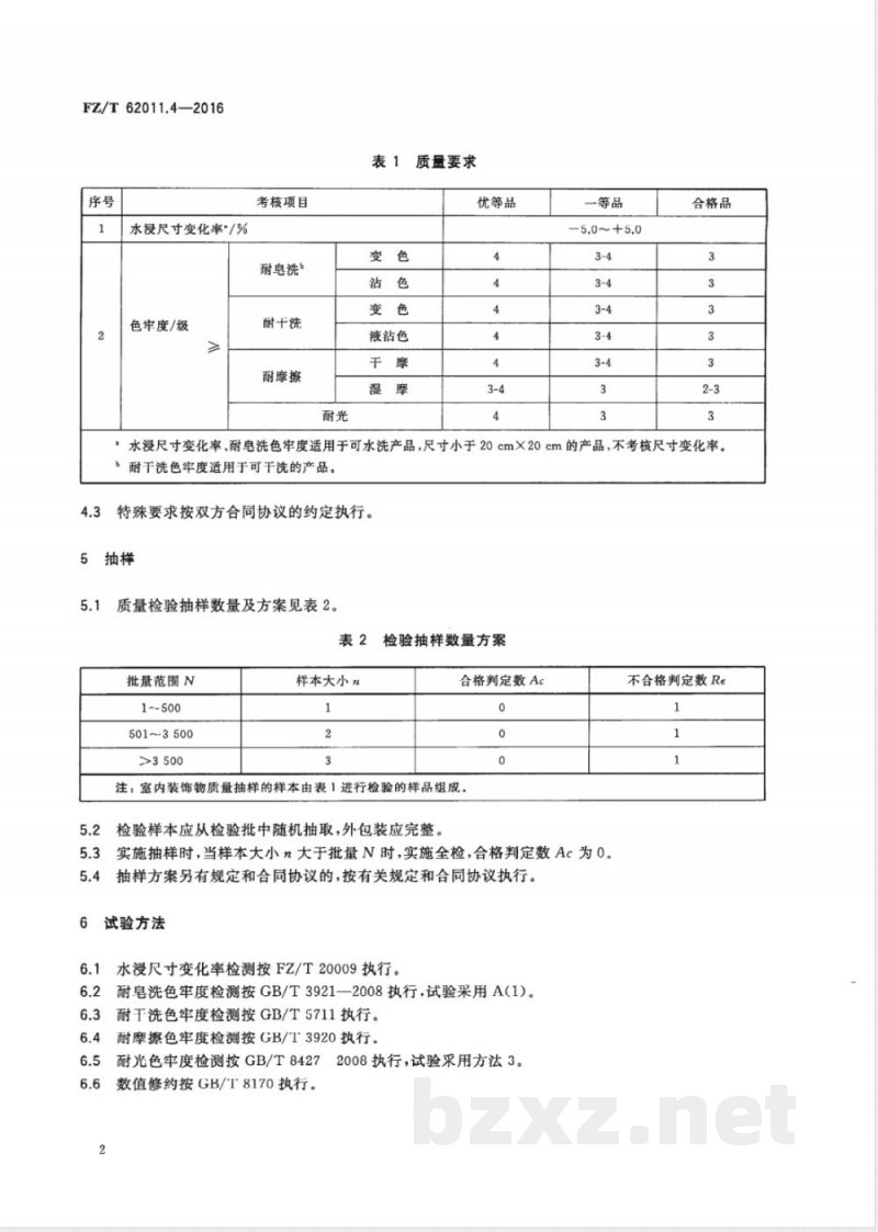
4.1室内装饰物的质量分为优等品、一等品和合格品。4.2室内装饰物的质量指标包括水浸尺寸变化率、色牢度(耐皂洗、耐干洗、耐摩擦、耐光)。指标内容见表1。
FZ/T62011.4—2016
水浸尺寸变化率\/%
色牢度/级
考核项目
耐皂洗?
耐干洗
耐摩擦
表1质量要求
优等品
腋沾色
一等品
合格品
:水浸尺寸变化率、耐皂洗色牢度适用于可水洗产品,尺寸小于20cm×20cm的产品,不考核尺寸变化率。耐干洗色牢度适用于可干洗的产品。4.3特殊要求按双方合同协议的约定执行。5抽样
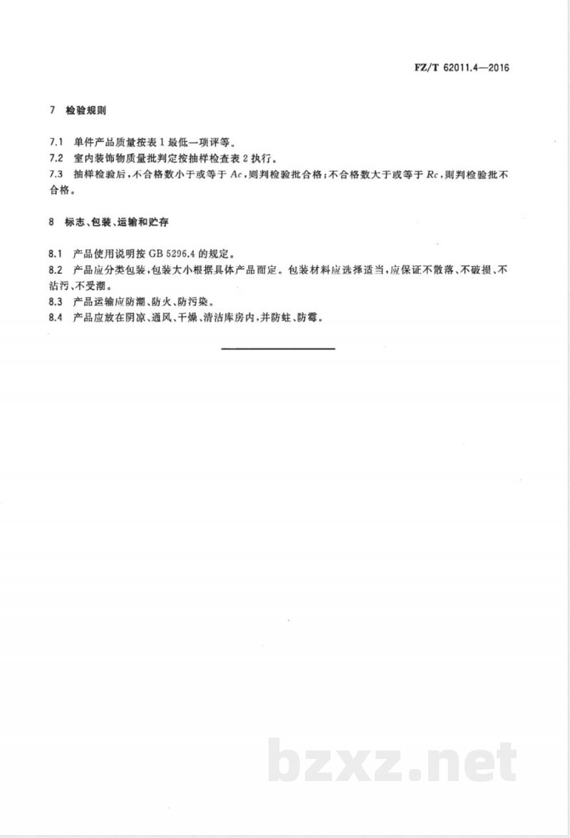
质量检验抽样数量及方案见表2。表2检验抽样数量方案
批量范围N
5013500
样本大小n
合格判定数Ac
注:室内装饰物质量抽样的样本由表1进行检验的样品组成。5.2检验样本应从检验批中随机抽取,外包装应完整。实施抽样时,当样本大小n大于批量N时,实施全检,合格判定数Ac为0。5.3
抽样方案另有规定和合同协议的,按有关规定和合同协议执行试验方法
水浸尺寸变化率检测按FZ/T20009执行。耐皂洗色牢度检测按GB/T3921—2008执行,试验采用A(1)。耐干洗色牢度检测按GB/T5711执行。6.3
耐摩擦色牢度检测按GB/T3920执行,耐光色牢度检测按GB/T84272008执行,试验采用方法3。数值修约按GB/T8170执行。
不合格判定数Re
检验规则
7.1单件产品质量按表1最低一项评等。7.2室内装饰物质量批判定按抽样检查表2执行。FZ/T62011.4—2016
7.3抽样检验后,不合格数小于或等于Ac,则判检验批合格;不合格数大于或等于Rc,则判检验批不合格。
8标志、包装、运输和贮存
8.1产品使用说明按GB5296.4的规定。8.2产品应分类包装,包装大小根据具体产品而定。包装材料应选择适当,应保证不散落、不破损、不沾污、不受潮。
8.3产品运输应防潮、防火、防污染。8.4产品应放在阴凉、通风、干燥、清洁库房内,并防蛀、防霉。FZ/T\62011.4-2016
中华人民共和国纺织
行业标准
布艺类产品第4部分:室内装饰物FZ/T62011.42016
中国标准出版社出版发行
北京市朝阳区和平里西街甲2号(100029)北京市西城区三里河北街16号(100045)网址www.spc.net.cn
发行中心:(010)51780238
总编室:(010)68533533
读者服务部:(010)68523946
中国标推出版社秦皇岛印刷厂印刷各地新华书店经销
开本880×12301/16
印张0.5字数8千字
2017年1月第一版2017年1月第一次印刷*
书号:155066·2-30940
由本社发行中心调换
如有印装差错
版权专有侵权必究
举报电话:(010)68510107
小提示:此标准内容仅展示完整标准里的部分截取内容,若需要完整标准请到上方自行免费下载完整标准文档。
中华人民共和国纺织行业标准
FZ/T62011.4—2016
代替FZ/T62011.4—2008
布艺类产品
第4部分:室内装饰物
Indoor ornamental textiles-Part 4:Interior decoratives2016-10-22发布
中华人民共和国工业和信息化部2017-04-01实施
FZ/T62011《布艺类产品》分为四个部分:第1部分:惟慢;
第2部分:餐用纺织品;
第3部分:家具用纺织品;
第4部分:室内装饰物。
本部分为FZ/T62011的第4部分。本部分按照GB/T1.1-2009给出的规则起草。本部分代替FZ/T62011.4—2008《布艺类产品第4部分:室内装饰物》。本部分与FZ/T62011.4一2008相比主要变化如下:修改了标准的英文名称(见封面,2008年版封面);修改了耐皂洗色牢度试验方法(见第2章,2008年版第2章);-增加和完善了标志、包装、运输和贮存(见第8章,2008年版第8章)。本部分由中国纺织工业联合会提出。本部分由全国家用纺织品标准化技术委员会(SAC/TC302)归口。本部分起草单位:江苏省纺织产品质量监督检验研究院。本部分主要起草人:唐祖根、李杰。本部分所代替标准的历次版本发布情况为:-FZ/T62011.4—2008。
FZ/T62011.4—2016
1范围免费标准下载网bzxz
布艺类产品
第4部分:室内装饰物
FZ/T62011.4—2016
FZ/T62011的本部分规定了布艺类产品一一室内用纺织品的术语和定义、要求、抽样、试验方法、检验规则、标志、包装、运输和贮存。本部分适用于以纺织纤维为原料的室内装饰物。2规范性引用文件
下列文件对于本文件的应用是必不可少的。凡是注日期的引用文件,仅注日期的版本适用于本文件。凡是不注日期的引用文件,其最新版本(包括所有的修改单)适用于本文件。GB/T3920纺织品色牢度试验耐摩擦色牢度GB/T3921-2008纺织品色牢度试验耐皂洗色牢度GB5296.4消费品使用说明第4部分:纺织品和服装GB/T5711纺织品色牢度试验耐四氯乙烯干洗色牢度GB/T8170
数值修约规则与极限数值的表示和判定GB/T8427一2008纺织品色牢度试验耐人造光色牢度:氙弧毛织物尺寸变化的测定静态浸水法FZ/T20009
3术语和定义
下列术语和定义适用于本文件。3.1
indoorornamentaltextile
布艺类产品
主要部分由纺织原料制成,用于室内,具有装饰和/或实用功能的纺织制品。主要分为雌慢、餐用纺织品、家具用纺织品、室内装饰物。3.2
室内装饰物interiordecoratives用于室内,以装饰功能为主的纺织品,如:床饰、墙饰、地饰(地毯除外)以及各种袋、包、裹、围、夹、摆设等。
4要求
4.1室内装饰物的质量分为优等品、一等品和合格品。4.2室内装饰物的质量指标包括水浸尺寸变化率、色牢度(耐皂洗、耐干洗、耐摩擦、耐光)。指标内容见表1。
FZ/T62011.4—2016
水浸尺寸变化率\/%
色牢度/级
考核项目
耐皂洗?
耐干洗
耐摩擦
表1质量要求
优等品
腋沾色
一等品
合格品
:水浸尺寸变化率、耐皂洗色牢度适用于可水洗产品,尺寸小于20cm×20cm的产品,不考核尺寸变化率。耐干洗色牢度适用于可干洗的产品。4.3特殊要求按双方合同协议的约定执行。5抽样
质量检验抽样数量及方案见表2。表2检验抽样数量方案
批量范围N
5013500
样本大小n
合格判定数Ac
注:室内装饰物质量抽样的样本由表1进行检验的样品组成。5.2检验样本应从检验批中随机抽取,外包装应完整。实施抽样时,当样本大小n大于批量N时,实施全检,合格判定数Ac为0。5.3
抽样方案另有规定和合同协议的,按有关规定和合同协议执行试验方法
水浸尺寸变化率检测按FZ/T20009执行。耐皂洗色牢度检测按GB/T3921—2008执行,试验采用A(1)。耐干洗色牢度检测按GB/T5711执行。6.3
耐摩擦色牢度检测按GB/T3920执行,耐光色牢度检测按GB/T84272008执行,试验采用方法3。数值修约按GB/T8170执行。
不合格判定数Re
检验规则
7.1单件产品质量按表1最低一项评等。7.2室内装饰物质量批判定按抽样检查表2执行。FZ/T62011.4—2016
7.3抽样检验后,不合格数小于或等于Ac,则判检验批合格;不合格数大于或等于Rc,则判检验批不合格。
8标志、包装、运输和贮存
8.1产品使用说明按GB5296.4的规定。8.2产品应分类包装,包装大小根据具体产品而定。包装材料应选择适当,应保证不散落、不破损、不沾污、不受潮。
8.3产品运输应防潮、防火、防污染。8.4产品应放在阴凉、通风、干燥、清洁库房内,并防蛀、防霉。FZ/T\62011.4-2016
中华人民共和国纺织
行业标准
布艺类产品第4部分:室内装饰物FZ/T62011.42016
中国标准出版社出版发行
北京市朝阳区和平里西街甲2号(100029)北京市西城区三里河北街16号(100045)网址www.spc.net.cn
发行中心:(010)51780238
总编室:(010)68533533
读者服务部:(010)68523946
中国标推出版社秦皇岛印刷厂印刷各地新华书店经销
开本880×12301/16
印张0.5字数8千字
2017年1月第一版2017年1月第一次印刷*
书号:155066·2-30940
由本社发行中心调换
如有印装差错
版权专有侵权必究
举报电话:(010)68510107
小提示:此标准内容仅展示完整标准里的部分截取内容,若需要完整标准请到上方自行免费下载完整标准文档。
标准图片预览:





- 其它标准
- 热门标准
- 其他行业标准
- QB/T4736-2014 手工羊毛地毯脱毛量试验方法
- YS/T227.7-2010 碲化学分析方法 第7部分:硫量的测定 电感耦合等离子体原子发射光谱法
- FZ/T12056-2017 对位芳纶(中长型)本色纱线
- YS/T1049-2015 异丁基黄原酸甲酸乙酯
- JB/T8972-2011 YA、YA-W、YA-WF1系列增安型三相异步电动机(机座号315~450)技术条件
- QB/T4645-2014 大茴香醛
- YS/T961-2014 空调与制冷设备用内螺纹铝包铜管
- YS/T990.17-2015 冰铜化学分析方法 第17部分:钴量的测定 原子吸收光谱法
- QB/T4845-2015 手动切纸机
- QB/T4578-2013 溶剂基喷绘墨水
- QX/T255-2015 供暖气象等级
- JB/T11120-2010 印刷机械 网版印刷紫外线光固机
- QTHHT0009S-2016 通化华特酒业有限公司 枸杞大枣小米酒
- FZ/T01125-2014 纺织品 定量化学分析 壳聚糖纤维与某些其他纤维的混合物(胶体滴定法)
- HG/T2316-1992 硫磺悬浮剂
- 行业新闻
请牢记:“bzxz.net”即是“标准下载”四个汉字汉语拼音首字母与国际顶级域名“.net”的组合。 ©2025 标准下载网 www.bzxz.net 本站邮件:bzxznet@163.com
网站备案号:湘ICP备2025141790号-2
网站备案号:湘ICP备2025141790号-2