- 您的位置:
- 标准下载网 >>
- 标准分类 >>
- 其他行业标准 >>
- FZ/T 73043-2020针织衬衫
标准号:
FZ/T 73043-2020
标准名称:
针织衬衫
标准类别:
其他行业标准
英文名称:
Knitted shirts标准状态:
现行-
发布日期:
2020-12-09 -
实施日期:
2021-04-01 出版语种:
简体中文下载格式:
.pdf .zip
替代情况:
替代FZ/T 73043-2012
点击下载
标准简介:
本标准规定了针织衬衫的产品号型、要求、检验规则、判定规则和产品使用说明、包装、运输和贮存。
本标准适用于以针织面料为主要材料制成的针织衬衫。本标准不适用于含有填充物的衬衫或年龄在36个月及以下的婴幼儿产品。
部分标准内容:
ICS59.080.30
中华人民共和国纺织行业标准
FZ/T73043—2020
代替FZ/T73043—2012
针织衬衫
Knitted shirts
2020-12-09发布
中华人民共和国工业和信息化部发布
2021-04-01实施
本标准按照GB/T1.1一2009给出的规则起草。FZ/T73043—2020
本标准替代FZ/T73043—2012《针织衬衫》,与FZ/T73043—2012相比,主要技术变化如下:修改了标准的范围,明确了不适用于含有填充物的衬衫或年龄在36个月及以下的婴幼儿产品(见第1章,2012年版的第1章);-增加了干洗尺寸变化率、耐干洗色牢度、水洗后外观质量考核指标,增加了36个月以上14岁以下儿童衬衫还应符合GB31701的相关规定(见4.2,2012年版的4.2);修改了纤维含量、水洗(干洗)尺寸变化率、起球、全毛类产品水洗后起皱程度,耐光、汗复合色牢度考核要求(见4.2,2012年版的4.2);删除了对印(烫)花产品耐皂洗和耐摩擦色牢度考核指标的单列分类(见4.2.1,2012年版的4.2.1);
修改了衣长部位规格尺寸偏差以及测量规定,修改了优等品领大规格尺寸偏差要求,增加短袖长的规格尺寸允许偏差(见表3和表6,2012年版的表3和表4);修改了内在质量检验条件(见5.4,2012年版的5.3);修改了水洗后扭曲率试验方法(见5.5.7,2012年版的5.4.7);增加了耐干洗色牢度试验方法(见5.5.14);修改了拼接互染色牢度试验方法,删除了原附录A(见5.5.17,2012年版的5.4.16和附录A);-增加了水洗后外观质量试验方法(见5.5.18);修改了产品使用说明(见7.1,2012年版的7.1)。本标准由中国纺织工业联合会提出。本标准由全国纺织品标准化技术委员会针织品分技术委员会(SAC/TC209/SC6)归口。本标准主要起草单位:雅戈尔服装制造有限公司、海澜之家股份有限公司、天纺标检测认证股份有限公司、福建七匹狼实业股份有限公司、九牧王股份有限公司、天纺标(上海)检测科技有限公司、江苏红豆实业股份有限公司、上海三枪(集团)有限公司、广东溢达纺织有限公司、宁波市纤维检验所、金发拉比妇婴童用品股份有限公司、江苏贝德服装集团有限公司、苏州中纺联检验技术服务有限公司、加佳控股集团有限公司、江苏苏美达伊顿纪德品牌管理有限公司、天纺标(深圳)检测认证股份有限公司、广东精英纺织服饰科技有限公司、江苏大唐纺织科技有限公司。本标准主要起草人:王庆森、李峰、胡淞月、曹勇、杨克滨、程明、葛东瑛、李天剑、周立明、金美菊、林若文、蒋忠伟、王楷艳、楼钱坤、巢明江、虞生余、唐丽芳。本标准所代替标准的历次版本发布情况为:-FZ/T73043—2012。
1范围
针织衬
FZ/T73043—2020
本标准规定了针织衬衫的产品号型、要求、检验规则、判定规则和产品使用说明、包装、运输和贮存。本标准适用于以针织面料为主要材料制成的针织衬衫。本标准不适用于含有填充物的衬衫或年龄在36个月及以下的婴幼儿产品。2规范性引用文件
下列文件对于本文件的应用是必不可少的。凡是注日期的引用文件,仅注日期的版本适用于本文件。凡是不注日期的引用文件,其最新版本(包括所有的修改单)适用于本文件。GB/T250纺织品
色牢度试验
评定变色用灰色样卡
GB/T1335(所有部分)
GB/T2910(所有部分)
GB/T2912.1
GB/T3920
纺织品
纺织品
GB/T3921—2008
服装号型
纺织品定量化学分析
甲醛的测定第1部分:游离和水解的甲醛(水萃取法)耐摩擦色牢度
色牢度试验
纺织品色牢度试验耐皂洗色牢度GB/T3922
纺织品
GB/T4802.1—2008
GB/T4856
色牢度试验
耐汗渍色牢度
纺织品
针棉织品包装
GB/T5296.4
GB/T5711
GB/T5713
GB/T6411
GB/T7573
第1部分:圆轨迹法
织物起毛起球性能的测定
消费品使用说明
纺织品
纺织品
第4部分:纺织品和服装
色牢度试验
色牢度试验
耐四氯乙烯干洗色牢度
耐水色牢度
针织内衣规格尺寸系列
纺织品
GB/T8427—2019Www.bzxZ.net
GB/T8629—2017
GB/T8878
GB/T14576
GB/T14801
GB/T16988
GB/T17592
GB18401
水萃取液pH值的测定
纺织品
色牢度试验耐人造光色牢度:氙弧纺织品
棉针织内衣
试验用家庭洗涤和干燥程序
纺织品色牢度试验「
耐光、汗复合色牢度
机织物与针织物纬斜和弓纬试验方法特种动物纤维与绵羊毛混合物含量的测定纺织品禁用偶氮染料的测定
国家纺织产品基本安全技术规范GB/T19976—2005纺织品顶破强力的测定钢球法
GB/T23319.3—2010
纺织品洗涤后扭斜的测定
第3部分:机织服装和针织服装
GB/T29862
纤维含量标识
纺织品
GB/T31127—2014
纺织品
GB31701
色牢度试验
拼接互染色牢度
婴幼儿及儿童纺织产品安全技术规范1
FZ/T73043—2020
FZ/T01026
纺织品
斤多组分纤维混合物
定量化学分析
FZ/T01057(所有部分)
纺织纤维鉴别试验方法
FZ/T80007.3
GSB16-1523
GSB16-2159
GSB16-2500
GSB16-3605
产品号型
使用粘合衬服装耐干洗测试方法针织物起毛起球样照
针织产品标准深度样卡(1/12)
针织物表面疵点彩色样照
针织衬衫起皱五级样照
针织衬衫产品号型按GB/T1335(所有部分)或GB/T6411规定执行,超出范围的按标准规定的分档值和原则可依次递增或递减。要求
分等规定
质量等级分为优等品、一等品、合格品。质量定等:内在质量按批(交货批)评等,外观质量按件评等,两者结合并按最低等级定等。内在质量各项指标,以试验结果最低一项等级作为该批产品的评等依据。在同一件产品上存在不同品等的外观疵点时,按最低等级评定。同一件产品上只允许有两个同4.1.4
等级的极限表面疵点,超过者降一个等级。4.2
内在质量要求
内在质量要求按表1规定,36个月以上14岁及以下儿童穿着的衬衫安全性能还应符合GB31701的相关规定。
纤维含量/%
甲醛含量/(mg/kg)
可分解致瘤芳香胺染料/(mg/kg)领大
水洗(干洗)尺寸变化率/%
水洗后扭曲率/%
顶破强力/N
起球/级
耐光、汗复合色牢度(碱性)/级2
1/2胸围
内在质量要求
优等品
一等品
按GB/T29862规定执行
按GB18401规定执行
-3.0~+1.5
-3.0~+1.5
-4.0~~+2.0
-4.0~+2.0
合格品
-5.0~+2.0
-5.0~+3.0
条格产品4.0,其他产品5.0
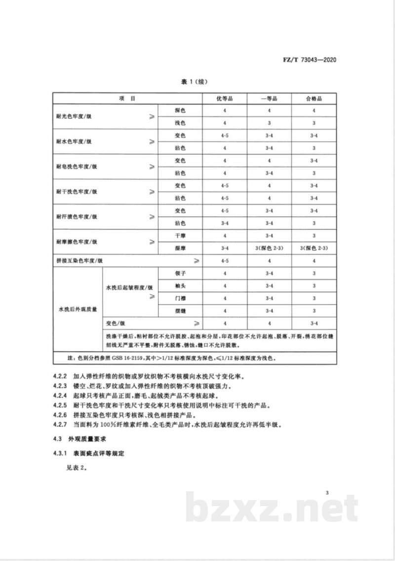
耐光色牢度/级
耐水色牢度/级
耐皂洗色牢度/级
耐干洗色牢度/级
耐汗渍色牢度/级
耐摩擦色牢度/级
拼接互染色牢度/级
水洗后外观质量
水洗后起皱程度/级
变色/级
表1 (续)
优等品
一等品
3(深色2-3)
FZ/T73043—2020
合格品
3(深色2-3)
洗涤干燥后,粘衬部位不允许脱胶、起泡和分层,印花部位不允许起泡、脱落、开裂,绣花部位缝纫线无严重不平整,附件无脱落、锈蚀,缝口不允许脱散。注:色别分档参照GSB16-2159,其中>1/12标准深度为深色,≤1/12标准深度为浅色4.2.2
加人弹性纤维的织物或罗纹织物不考核横向水洗尺寸变化率。镂空、烂花、罗纹或加人弹性纤维的织物不考核顶破强力。起球只考核产品正面,磨毛、起绒类产品不考核起球。耐干洗色牢度和干洗尺寸变化率只考核使用说明中标注可干洗的产品。拼接互染色牢度只考核深、浅色相拼接产品当面料为100%纤维素纤维、全毛类产品时,水洗后起皱程度允许再低半级。外观质量要求
表面症点评等规定
见表2。
FZ/T73043—2020
症点名称
纹路歪斜(条格产品)/%
条格互差(1cm及以上条格),
特殊设计除外
漏针、底边脱针
缝纫油污线
扣眼互差
领子歪斜
粘合衬部位脱胶、渗胶及起泡
表面症点
优等品
一等品
主料之间4-5级
主辅料之间4级
左右前身≤0.3cm
合格品
主料之间4级
主辅料之间3级
口袋与前身、左右领尖条格对称≤0.2cm后过肩条料顺直,两头对比≤0.4cm长袖条格顺直,以袖山为准,两袖对称,≤1.0cm短袖条格顺直,以袖口为准,两袖对称,≤0.5cm不允许
不允许
不允许
注1:表面疵点程度按GSB16-2500执行。注2:未列入表内的疵点按GB/T8878表面疵点评等规定。注3:疵点程度描述:
轻微-
直观上不明显,通过仔细辨认才可看出。明显—
一不影响总体效果,但能感受到疵点的存在。疵点程度明显影响总体效果。
显著—
注4:对条格设计有特殊要求的产品不考核条格互差。4.3.2
规格尺寸偏差
见表3。
1/2 胸围
总肩宽
优等品
规格尺寸偏差
一等品
不允许
不允许
轻微允许
轻微的20cm、明显的10cm
轻微允许
不允许
单位为厘米
合格品
对称部位尺寸差异
见表4。
尺寸范围
>5且≤15
>15且≤76
缝制规定
对称部位尺寸差异
优等品
一等品
凡四线、五线包缝机合缝,袖口处应用套结或平缝封口加固。FZ/T73043—2020
单位为厘米
合格品
领型端正,门襟平直,袖底边宽窄一致,熨烫平整,缝道烫出,线头修清,无杂物。绡袖圆顺,吃势均匀,两袖前后基本一致。锁眼定位准确,大小适宜,两头封口,开眼无绽线。针迹密度规定见表5。
针迹数(不低于)
9针/2cm
注:特殊设计除外。
平双针
8针/2cm
针迹密度规定
8针/2cm
测量针迹密度以一个缝纫过程的中间处计量。锁眼后两端各打套结2针~3针。包缝机缝边宽度不小于0.5cm。
检验规则
抽样数量
包缝卷边
8针/2cm
8~9针/cm
外观质量按批分品种、色别、规格尺寸随机采样1%~3%,但不得少于20件。内在质量按批分品种、色别、规格尺寸随机采样5件。不足时可增加件数。5.2
外观质量检验条件
5针/眼
二般采用灯光检验,用40W青光或日光灯一支,上面加灯罩,灯罩与检验台中心垂直距离为80cm±5cm。
5.2.2如在室内利用自然光,光源射人方向为北向左(或右)上角,不能使阳光直射产品。5.2.3检验时应将产品平摊在检验台上,台面铺白布一层,检验人员的视线应正视平摊产品的表面,目光与产品中间距离为35cm以上。5
FZ/T73043—2020
5.3外观质量试验方法
5.3.1成衣测量部位及规定
见图1和表6。
部位名称
1/2胸围
总肩宽
图1测量部位
表6各部位的测量规定
测量方法
领子摊平横量:单立领量扣中到眼中的距离,翻折领量上领下口,其他领量下口圆袖式:由肩缝最高点垂直量至底边或由后领窝中垂直量至底边。连肩袖式:由后领宽中点垂直量至底边圆袖:由袖子最高点量至袖口边。连肩袖:由后领窝中点量至袖口边扣好纽扣,前后身放平(后折拉开),由袖隆缝与侧缝交叉处向下2cm处横量男村衫:由过肩两端、后领窝向下2.0cm~2.5cm处为定点水平测量。女村衫:由肩袖缝交叉处,解开纽扣放平测量按GB/T250规定执行。
5.3.3纹路歪斜试验
按GB/T14801规定执行。
5.4内在质量检验条件
5.4.1所取试样不应有影响试验结果的疵点。6
5.4.2在产品不同部位取样。
5.5内在质量试验方法
5.5.1纤维含量试验
FZ/T73043—2020
按GB/T2910(所有部分)、FZ/T01057(所有部分)、FZ/T01026、GB/T16988和GB/T29862等规定执行。
5.5.2甲醛含量试验
按GB/T2912.1规定执行。
5.5.3pH值试验
按GB/T7573规定执行。
5.5.4异味试验
按GB18401规定执行。
5.5.5可分解致癌芳香胺染料试验按GB/T17592规定执行。
5.5.6水洗(干洗)尺寸变化率试验5.5.6.1标记、测量部位
按照4.3.2规定测试领大、1/2胸围、衣长部位。其中,圆袖式衣长以前后身左右四处平均值作为计算依据;连肩式衣长只测后领窝中点至底边处。在测量时作出标记,以便洗涤后测量。5.5.6.2洗涤和干燥试验
水洗尺寸变化率按照GB/T8629一2017规定执行,采用A型标准洗衣机4N程序,洗涤剂选择“标准洗涤剂3”干燥程序为悬挂晾干。用竿穿过两袖,使胸围挂肩处保持平直,并从下端用手将两片分开、理平。晾干后的试样放置在温度为(20士2)℃,相对湿度为(65士4)%条件下,水平调湿平衡不少于4h,轻轻拍平折痕,再进行测量。试验件数3件,若同时存在收缩与伸长的试验结果时,则以收缩(或伸长)的两件试样的平均值作为试验结果。干洗尺寸变化率按FZ/T80007.3规定测试。试验件数1件,按水洗尺寸变化率试验方法进行测量及计算。
5.5.7水洗后扭曲率试验
将做完水洗尺寸变化率的成衣铺在光滑的台面上,用手轻轻拍平,按照GB/T23319.3一2010规定的方法B进行测量。每件产品以扭斜程度最大的一边测量,以3件扭曲率平均值作为计算结果。5.5.8顶破强力试验
按GB/T19976一2005规定执行。钢球的直径为(38士0.02)mm。5.5.9起球试验
按GB/T4802.1一2008中E法规定执行,评级按GSB16-1523针织物起毛起球样照评定。7
FZ/T73043—2020
耐光、汗复合色牢度试验
按GB/T14576规定执行。
耐光色牢度试验
按GB/T8427—2019中的方法3规定执行。2耐水色牢度试验
按GB/T5713规定执行。
耐皂洗色牢度试验
按GB/T3921一2008规定执行,试验条件按A(1)规定执行。5.5.14耐干洗色牢度试验
按GB/T5711规定执行。
5.5.15耐汗渍色牢度试验
按GB/T3922规定执行。
5.5.16耐摩擦色牢度试验
按GB/T3920规定执行,只做直向。5.5.17
拼接互染色牢度试验
按GB/T31127—2014方法A规定执行。5.5.18水洗后外观质量试验
按本标准规定的水洗尺寸变化率试验方法进行洗涤、干燥,然后根据表1进行评价;洗后领子、袖头、门襟、摆缝部位起皱程度对照GSB16-3605进行评级;用GB/T250变色样卡对洗后颜色变化进行评级。
6判定规则
6.1批量判定
1内在质量
内在质量有一项不符合,则判定该批产品不合格。其中,色牢度项目不符合者,分色别判定该批产品不合格。水洗后外观质量检验结果至少两件及以上均合格者判定该批产品合格,不合格者判定该批产品不合格。
2外观质量
外观质量按品种、色别计算不符品等率。凡不符品等率在5.0%及以内者,判定该批产品合格;不符品等率超过5.0%以上者,判定该批产品不合格。8
6.1.3结果判定
按6.1.1、6.1.2判定均合格,则该批产品合格。6.2单件判定
FZ/T73043-2020
若产品检验数量低于批量判定的抽样数量时,内在质量和外观质量只对被检样品进行测定,并参照6.1规定进行判定,并在检验报告中注明。6.3其他
严重影响服用性能的产品不允许。6.4复验
任何一方对检验结果有异议时,均可要求复验,6.4.2
复验结果按6.1、6.2、6.3规定执行,判定以复检结果为准。7
产品使用说明、包装、运输和存产品使用说明按GB/T5296.4规定执行,儿童产品按GB/T5296.4和GB31701规定执行。7.1
包装按GB/T4856规定或按客户约定执行。7.2
产品装箱运输应防潮、防火、防污染。7.3
产品应存放在阴凉、通风、干燥、清洁的库房内,防蛀、防霉。7.4
小提示:此标准内容仅展示完整标准里的部分截取内容,若需要完整标准请到上方自行免费下载完整标准文档。
中华人民共和国纺织行业标准
FZ/T73043—2020
代替FZ/T73043—2012
针织衬衫
Knitted shirts
2020-12-09发布
中华人民共和国工业和信息化部发布
2021-04-01实施
本标准按照GB/T1.1一2009给出的规则起草。FZ/T73043—2020
本标准替代FZ/T73043—2012《针织衬衫》,与FZ/T73043—2012相比,主要技术变化如下:修改了标准的范围,明确了不适用于含有填充物的衬衫或年龄在36个月及以下的婴幼儿产品(见第1章,2012年版的第1章);-增加了干洗尺寸变化率、耐干洗色牢度、水洗后外观质量考核指标,增加了36个月以上14岁以下儿童衬衫还应符合GB31701的相关规定(见4.2,2012年版的4.2);修改了纤维含量、水洗(干洗)尺寸变化率、起球、全毛类产品水洗后起皱程度,耐光、汗复合色牢度考核要求(见4.2,2012年版的4.2);删除了对印(烫)花产品耐皂洗和耐摩擦色牢度考核指标的单列分类(见4.2.1,2012年版的4.2.1);
修改了衣长部位规格尺寸偏差以及测量规定,修改了优等品领大规格尺寸偏差要求,增加短袖长的规格尺寸允许偏差(见表3和表6,2012年版的表3和表4);修改了内在质量检验条件(见5.4,2012年版的5.3);修改了水洗后扭曲率试验方法(见5.5.7,2012年版的5.4.7);增加了耐干洗色牢度试验方法(见5.5.14);修改了拼接互染色牢度试验方法,删除了原附录A(见5.5.17,2012年版的5.4.16和附录A);-增加了水洗后外观质量试验方法(见5.5.18);修改了产品使用说明(见7.1,2012年版的7.1)。本标准由中国纺织工业联合会提出。本标准由全国纺织品标准化技术委员会针织品分技术委员会(SAC/TC209/SC6)归口。本标准主要起草单位:雅戈尔服装制造有限公司、海澜之家股份有限公司、天纺标检测认证股份有限公司、福建七匹狼实业股份有限公司、九牧王股份有限公司、天纺标(上海)检测科技有限公司、江苏红豆实业股份有限公司、上海三枪(集团)有限公司、广东溢达纺织有限公司、宁波市纤维检验所、金发拉比妇婴童用品股份有限公司、江苏贝德服装集团有限公司、苏州中纺联检验技术服务有限公司、加佳控股集团有限公司、江苏苏美达伊顿纪德品牌管理有限公司、天纺标(深圳)检测认证股份有限公司、广东精英纺织服饰科技有限公司、江苏大唐纺织科技有限公司。本标准主要起草人:王庆森、李峰、胡淞月、曹勇、杨克滨、程明、葛东瑛、李天剑、周立明、金美菊、林若文、蒋忠伟、王楷艳、楼钱坤、巢明江、虞生余、唐丽芳。本标准所代替标准的历次版本发布情况为:-FZ/T73043—2012。
1范围
针织衬
FZ/T73043—2020
本标准规定了针织衬衫的产品号型、要求、检验规则、判定规则和产品使用说明、包装、运输和贮存。本标准适用于以针织面料为主要材料制成的针织衬衫。本标准不适用于含有填充物的衬衫或年龄在36个月及以下的婴幼儿产品。2规范性引用文件
下列文件对于本文件的应用是必不可少的。凡是注日期的引用文件,仅注日期的版本适用于本文件。凡是不注日期的引用文件,其最新版本(包括所有的修改单)适用于本文件。GB/T250纺织品
色牢度试验
评定变色用灰色样卡
GB/T1335(所有部分)
GB/T2910(所有部分)
GB/T2912.1
GB/T3920
纺织品
纺织品
GB/T3921—2008
服装号型
纺织品定量化学分析
甲醛的测定第1部分:游离和水解的甲醛(水萃取法)耐摩擦色牢度
色牢度试验
纺织品色牢度试验耐皂洗色牢度GB/T3922
纺织品
GB/T4802.1—2008
GB/T4856
色牢度试验
耐汗渍色牢度
纺织品
针棉织品包装
GB/T5296.4
GB/T5711
GB/T5713
GB/T6411
GB/T7573
第1部分:圆轨迹法
织物起毛起球性能的测定
消费品使用说明
纺织品
纺织品
第4部分:纺织品和服装
色牢度试验
色牢度试验
耐四氯乙烯干洗色牢度
耐水色牢度
针织内衣规格尺寸系列
纺织品
GB/T8427—2019Www.bzxZ.net
GB/T8629—2017
GB/T8878
GB/T14576
GB/T14801
GB/T16988
GB/T17592
GB18401
水萃取液pH值的测定
纺织品
色牢度试验耐人造光色牢度:氙弧纺织品
棉针织内衣
试验用家庭洗涤和干燥程序
纺织品色牢度试验「
耐光、汗复合色牢度
机织物与针织物纬斜和弓纬试验方法特种动物纤维与绵羊毛混合物含量的测定纺织品禁用偶氮染料的测定
国家纺织产品基本安全技术规范GB/T19976—2005纺织品顶破强力的测定钢球法
GB/T23319.3—2010
纺织品洗涤后扭斜的测定
第3部分:机织服装和针织服装
GB/T29862
纤维含量标识
纺织品
GB/T31127—2014
纺织品
GB31701
色牢度试验
拼接互染色牢度
婴幼儿及儿童纺织产品安全技术规范1
FZ/T73043—2020
FZ/T01026
纺织品
斤多组分纤维混合物
定量化学分析
FZ/T01057(所有部分)
纺织纤维鉴别试验方法
FZ/T80007.3
GSB16-1523
GSB16-2159
GSB16-2500
GSB16-3605
产品号型
使用粘合衬服装耐干洗测试方法针织物起毛起球样照
针织产品标准深度样卡(1/12)
针织物表面疵点彩色样照
针织衬衫起皱五级样照
针织衬衫产品号型按GB/T1335(所有部分)或GB/T6411规定执行,超出范围的按标准规定的分档值和原则可依次递增或递减。要求
分等规定
质量等级分为优等品、一等品、合格品。质量定等:内在质量按批(交货批)评等,外观质量按件评等,两者结合并按最低等级定等。内在质量各项指标,以试验结果最低一项等级作为该批产品的评等依据。在同一件产品上存在不同品等的外观疵点时,按最低等级评定。同一件产品上只允许有两个同4.1.4
等级的极限表面疵点,超过者降一个等级。4.2
内在质量要求
内在质量要求按表1规定,36个月以上14岁及以下儿童穿着的衬衫安全性能还应符合GB31701的相关规定。
纤维含量/%
甲醛含量/(mg/kg)
可分解致瘤芳香胺染料/(mg/kg)领大
水洗(干洗)尺寸变化率/%
水洗后扭曲率/%
顶破强力/N
起球/级
耐光、汗复合色牢度(碱性)/级2
1/2胸围
内在质量要求
优等品
一等品
按GB/T29862规定执行
按GB18401规定执行
-3.0~+1.5
-3.0~+1.5
-4.0~~+2.0
-4.0~+2.0
合格品
-5.0~+2.0
-5.0~+3.0
条格产品4.0,其他产品5.0
耐光色牢度/级
耐水色牢度/级
耐皂洗色牢度/级
耐干洗色牢度/级
耐汗渍色牢度/级
耐摩擦色牢度/级
拼接互染色牢度/级
水洗后外观质量
水洗后起皱程度/级
变色/级
表1 (续)
优等品
一等品
3(深色2-3)
FZ/T73043—2020
合格品
3(深色2-3)
洗涤干燥后,粘衬部位不允许脱胶、起泡和分层,印花部位不允许起泡、脱落、开裂,绣花部位缝纫线无严重不平整,附件无脱落、锈蚀,缝口不允许脱散。注:色别分档参照GSB16-2159,其中>1/12标准深度为深色,≤1/12标准深度为浅色4.2.2
加人弹性纤维的织物或罗纹织物不考核横向水洗尺寸变化率。镂空、烂花、罗纹或加人弹性纤维的织物不考核顶破强力。起球只考核产品正面,磨毛、起绒类产品不考核起球。耐干洗色牢度和干洗尺寸变化率只考核使用说明中标注可干洗的产品。拼接互染色牢度只考核深、浅色相拼接产品当面料为100%纤维素纤维、全毛类产品时,水洗后起皱程度允许再低半级。外观质量要求
表面症点评等规定
见表2。
FZ/T73043—2020
症点名称
纹路歪斜(条格产品)/%
条格互差(1cm及以上条格),
特殊设计除外
漏针、底边脱针
缝纫油污线
扣眼互差
领子歪斜
粘合衬部位脱胶、渗胶及起泡
表面症点
优等品
一等品
主料之间4-5级
主辅料之间4级
左右前身≤0.3cm
合格品
主料之间4级
主辅料之间3级
口袋与前身、左右领尖条格对称≤0.2cm后过肩条料顺直,两头对比≤0.4cm长袖条格顺直,以袖山为准,两袖对称,≤1.0cm短袖条格顺直,以袖口为准,两袖对称,≤0.5cm不允许
不允许
不允许
注1:表面疵点程度按GSB16-2500执行。注2:未列入表内的疵点按GB/T8878表面疵点评等规定。注3:疵点程度描述:
轻微-
直观上不明显,通过仔细辨认才可看出。明显—
一不影响总体效果,但能感受到疵点的存在。疵点程度明显影响总体效果。
显著—
注4:对条格设计有特殊要求的产品不考核条格互差。4.3.2
规格尺寸偏差
见表3。
1/2 胸围
总肩宽
优等品
规格尺寸偏差
一等品
不允许
不允许
轻微允许
轻微的20cm、明显的10cm
轻微允许
不允许
单位为厘米
合格品
对称部位尺寸差异
见表4。
尺寸范围
>5且≤15
>15且≤76
缝制规定
对称部位尺寸差异
优等品
一等品
凡四线、五线包缝机合缝,袖口处应用套结或平缝封口加固。FZ/T73043—2020
单位为厘米
合格品
领型端正,门襟平直,袖底边宽窄一致,熨烫平整,缝道烫出,线头修清,无杂物。绡袖圆顺,吃势均匀,两袖前后基本一致。锁眼定位准确,大小适宜,两头封口,开眼无绽线。针迹密度规定见表5。
针迹数(不低于)
9针/2cm
注:特殊设计除外。
平双针
8针/2cm
针迹密度规定
8针/2cm
测量针迹密度以一个缝纫过程的中间处计量。锁眼后两端各打套结2针~3针。包缝机缝边宽度不小于0.5cm。
检验规则
抽样数量
包缝卷边
8针/2cm
8~9针/cm
外观质量按批分品种、色别、规格尺寸随机采样1%~3%,但不得少于20件。内在质量按批分品种、色别、规格尺寸随机采样5件。不足时可增加件数。5.2
外观质量检验条件
5针/眼
二般采用灯光检验,用40W青光或日光灯一支,上面加灯罩,灯罩与检验台中心垂直距离为80cm±5cm。
5.2.2如在室内利用自然光,光源射人方向为北向左(或右)上角,不能使阳光直射产品。5.2.3检验时应将产品平摊在检验台上,台面铺白布一层,检验人员的视线应正视平摊产品的表面,目光与产品中间距离为35cm以上。5
FZ/T73043—2020
5.3外观质量试验方法
5.3.1成衣测量部位及规定
见图1和表6。
部位名称
1/2胸围
总肩宽
图1测量部位
表6各部位的测量规定
测量方法
领子摊平横量:单立领量扣中到眼中的距离,翻折领量上领下口,其他领量下口圆袖式:由肩缝最高点垂直量至底边或由后领窝中垂直量至底边。连肩袖式:由后领宽中点垂直量至底边圆袖:由袖子最高点量至袖口边。连肩袖:由后领窝中点量至袖口边扣好纽扣,前后身放平(后折拉开),由袖隆缝与侧缝交叉处向下2cm处横量男村衫:由过肩两端、后领窝向下2.0cm~2.5cm处为定点水平测量。女村衫:由肩袖缝交叉处,解开纽扣放平测量按GB/T250规定执行。
5.3.3纹路歪斜试验
按GB/T14801规定执行。
5.4内在质量检验条件
5.4.1所取试样不应有影响试验结果的疵点。6
5.4.2在产品不同部位取样。
5.5内在质量试验方法
5.5.1纤维含量试验
FZ/T73043—2020
按GB/T2910(所有部分)、FZ/T01057(所有部分)、FZ/T01026、GB/T16988和GB/T29862等规定执行。
5.5.2甲醛含量试验
按GB/T2912.1规定执行。
5.5.3pH值试验
按GB/T7573规定执行。
5.5.4异味试验
按GB18401规定执行。
5.5.5可分解致癌芳香胺染料试验按GB/T17592规定执行。
5.5.6水洗(干洗)尺寸变化率试验5.5.6.1标记、测量部位
按照4.3.2规定测试领大、1/2胸围、衣长部位。其中,圆袖式衣长以前后身左右四处平均值作为计算依据;连肩式衣长只测后领窝中点至底边处。在测量时作出标记,以便洗涤后测量。5.5.6.2洗涤和干燥试验
水洗尺寸变化率按照GB/T8629一2017规定执行,采用A型标准洗衣机4N程序,洗涤剂选择“标准洗涤剂3”干燥程序为悬挂晾干。用竿穿过两袖,使胸围挂肩处保持平直,并从下端用手将两片分开、理平。晾干后的试样放置在温度为(20士2)℃,相对湿度为(65士4)%条件下,水平调湿平衡不少于4h,轻轻拍平折痕,再进行测量。试验件数3件,若同时存在收缩与伸长的试验结果时,则以收缩(或伸长)的两件试样的平均值作为试验结果。干洗尺寸变化率按FZ/T80007.3规定测试。试验件数1件,按水洗尺寸变化率试验方法进行测量及计算。
5.5.7水洗后扭曲率试验
将做完水洗尺寸变化率的成衣铺在光滑的台面上,用手轻轻拍平,按照GB/T23319.3一2010规定的方法B进行测量。每件产品以扭斜程度最大的一边测量,以3件扭曲率平均值作为计算结果。5.5.8顶破强力试验
按GB/T19976一2005规定执行。钢球的直径为(38士0.02)mm。5.5.9起球试验
按GB/T4802.1一2008中E法规定执行,评级按GSB16-1523针织物起毛起球样照评定。7
FZ/T73043—2020
耐光、汗复合色牢度试验
按GB/T14576规定执行。
耐光色牢度试验
按GB/T8427—2019中的方法3规定执行。2耐水色牢度试验
按GB/T5713规定执行。
耐皂洗色牢度试验
按GB/T3921一2008规定执行,试验条件按A(1)规定执行。5.5.14耐干洗色牢度试验
按GB/T5711规定执行。
5.5.15耐汗渍色牢度试验
按GB/T3922规定执行。
5.5.16耐摩擦色牢度试验
按GB/T3920规定执行,只做直向。5.5.17
拼接互染色牢度试验
按GB/T31127—2014方法A规定执行。5.5.18水洗后外观质量试验
按本标准规定的水洗尺寸变化率试验方法进行洗涤、干燥,然后根据表1进行评价;洗后领子、袖头、门襟、摆缝部位起皱程度对照GSB16-3605进行评级;用GB/T250变色样卡对洗后颜色变化进行评级。
6判定规则
6.1批量判定
1内在质量
内在质量有一项不符合,则判定该批产品不合格。其中,色牢度项目不符合者,分色别判定该批产品不合格。水洗后外观质量检验结果至少两件及以上均合格者判定该批产品合格,不合格者判定该批产品不合格。
2外观质量
外观质量按品种、色别计算不符品等率。凡不符品等率在5.0%及以内者,判定该批产品合格;不符品等率超过5.0%以上者,判定该批产品不合格。8
6.1.3结果判定
按6.1.1、6.1.2判定均合格,则该批产品合格。6.2单件判定
FZ/T73043-2020
若产品检验数量低于批量判定的抽样数量时,内在质量和外观质量只对被检样品进行测定,并参照6.1规定进行判定,并在检验报告中注明。6.3其他
严重影响服用性能的产品不允许。6.4复验
任何一方对检验结果有异议时,均可要求复验,6.4.2
复验结果按6.1、6.2、6.3规定执行,判定以复检结果为准。7
产品使用说明、包装、运输和存产品使用说明按GB/T5296.4规定执行,儿童产品按GB/T5296.4和GB31701规定执行。7.1
包装按GB/T4856规定或按客户约定执行。7.2
产品装箱运输应防潮、防火、防污染。7.3
产品应存放在阴凉、通风、干燥、清洁的库房内,防蛀、防霉。7.4
小提示:此标准内容仅展示完整标准里的部分截取内容,若需要完整标准请到上方自行免费下载完整标准文档。
标准图片预览:





- 其它标准
- 上一篇: FZ/T 73043-2012针织衬衫
- 下一篇: FZ/T 73044-2012针织配饰品
- 热门标准
- 其他行业标准
- QXHS0004S-2016 西峡县华洋食品有限公司 香菇粉制品
- QB/T4181-2011 古琴
- JB/T11222-2011 低速汽车 钢板弹簧可靠性试验方法
- QB/T2513-2013 电光源用玻壳通用技术条件
- FZ/T12058-2017 筒子染色涤纶低弹丝
- JB/T5331-2011 潜油电机用特种聚酰亚胺薄膜绕包铜圆线
- YS/T1050.8-2015 铅锑精矿化学分析方法 第8部分:金量和银量的测定 火试金法
- YS/T524-2011 合成白钨
- YS/T740-2010 氧化铝工业废水苛性碱度测定方法
- QLHM0001S-2016 泸州华明酒业集团有限公司 馥郁型白酒
- DGJ08-1997-2002 膜结构技术规程(附条文说明)
- CAS125-2005 在用机动车排放检测用油加注规范
- HG/T2549-2012 还原橄榄绿5G超细粉
- FZ/T14024-2022 棉与粘胶纤维混纺印染布
- QB/T4085-2010 磺基琥珀酸单酯二钠盐
- 行业新闻
请牢记:“bzxz.net”即是“标准下载”四个汉字汉语拼音首字母与国际顶级域名“.net”的组合。 ©2025 标准下载网 www.bzxz.net 本站邮件:bzxznet@163.com
网站备案号:湘ICP备2025141790号-2
网站备案号:湘ICP备2025141790号-2