- 您的位置:
- 标准下载网 >>
- 标准分类 >>
- 其他行业标准 >>
- FZ/T 73039-2010涂胶防振手套
标准号:
FZ/T 73039-2010
标准名称:
涂胶防振手套
标准类别:
其他行业标准
英文名称:
Rubberized vibration-proof gloves标准状态:
现行-
发布日期:
2010-08-16 -
实施日期:
2010-12-01 出版语种:
简体中文下载格式:
.pdf .zip
点击下载
标准简介:
本标准规定了涂胶防振手套的术语和定义、要求、试验方法、判定规则、标志、包装、运输、贮存和使用说明。
本标准适用于振动作业穿戴的无缝涂胶防振手套。
本标准由中国纺织工业协会提出。
本标准由全国纺织品标准化技术委员会针织品分技术委员会(SAC/TC209/SC6)归口。
本标准起草单位:宁波百富田工业股份有限公司、浙江康隆达手套有限公司、国家针织产品质量监督检验中心。
本标准主要起草人:彭诚、张间芳、邢志贵。
下列文件中的条款通过本标准的引用而成为本标准的条款。凡是注日期的引用文件,其随后所有的修改单(不包括勘误的内容)或修订版均不适用于本标准,然而,鼓励根据本标准达成协议的各方研究是否可使用这些文件的最新版本。凡是不注日期的引用文件,其最新版本适用于本标准。
GB/T250 纺织品 色牢度试验 评定变色用灰色样卡
GB/T251 纺织品 色牢度试验 评定沾色用灰色样卡
GB/T2910(所有部分) 纺织品定量化学分析
GB/T3920 纺织品 色牢度试验 耐摩擦色牢度
GB/T3922 纺织品耐汗渍色牢度试验方法
GB/T12624—2006 劳动防护手套通用技术条件
GB/T17592 纺织品 禁用偶氮染料的测定
GB18401 国家纺织产品基本安全技术规范
GB/T19976 纺织品 顶破强力的测定 钢球法
GB/T8170 数值修约规则与极限数值的表示和判定
FZ/T01003 涂层织物 厚度试验方法
FZ/T01026 纺织品 定量化学分析 四组分纤维混合物
FZ/T01053 纺织品 纤维含量的标识
FZ/T01057(所有部分) 纺织纤维鉴别试验方法
FZ/T01095 纺织品 氨纶产品纤维含量的试验方法
LD2—1991 防振手套一般技术条件
部分标准内容:
中华人民共和国纺织行业标准
FZ/T73039—2010
涂胶防振手套
Rubberized vibration-proof gloves2010-08-16发布
中华人民共和国工业和信息化部发布
2010-12-01实施
本标准由中国纺织工业协会提出。前言
FZ/T73039—2010
本标准由全国纺织品标准化技术委员会针织品分技术委员会(SAC/TC209/SC6)归口。本标准起草单位:宁波百富田工业股份有限公司、浙江康隆达手套有限公司、国家针织产品质量监督检验中心。
本标准主要起草人:彭诚、张间芳、邢志贵。I
1范围
涂胶防振手套
FZ/T73039—2010
本标准规定了涂胶防振手套的术语和定义、要求、试验方法、判定规则、标志、包装、运输、贮存和使用说明。
本标准适用于振动作业穿戴的无缝涂胶防振手套。2规范性引用文件
下列文件中的条款通过本标准的引用而成为本标准的条款。凡是注日期的引用文件,其随后所有的修改单(不包括勘误的内容)或修订版均不适用于本标准,然而,鼓励根据本标准达成协议的各方研究是否可使用这些文件的最新版本。凡是不注日期的引用文件,其最新版本适用于本标准。GB/T250纺织品色牢度试验评定变色用灰色样卡GB/T251纺织品色牢度试验评定沾色用灰色样卡GB/T2910(所有部分)纺织品定量化学分析GB/T3920纺织品色牢度试验耐摩擦色牢度GB/T39224
纺织品耐汗渍色牢度试验方法
GB/T12624—2006劳动防护手套通用技术条件GB/T17592纺织品禁用偶氮染料的测定国家纺织产品基本安全技术规范GB18401
GB/T19976纺织品顶破强力的测定钢球法GB/T8170
FZ/T01003
FZ/T01026
FZ/T01053
数值修约规则与极限数值的表示和判定涂层织物厚度试验方法
纺织品定量化学分析四组分纤维混合物纺织品纤维含量的标识
FZ/T01057(所有部分)纺织纤维鉴别试验方法FZ/T01095纺织品氨纶产品纤维含量的试验方法LD2—1991
3术语和定义
防振手套一般技术条件
下列术语和定义适用于本标准。3.1
涂胶防振手套
rubberized vibration-proof gloves对振动具有衰减性能的涂胶防护手套。3.2
防振结构层vibration-proof padding由衬里手套和粘附在衬里手套手掌面的阻尼衬组成,对振动具有衰减作用。4要求
4.1要求内容
要求分内在质量和外观质量两个方面。内在质量包括防振性能、防振结构层厚度、耐汗渍色牢度、1
FZ/T73039—2010
耐摩擦色牢度、可分解芳香胺染料、顶破强力、纤维含量、灵活性、罗口拷边横拉值等项指标。外观质量包括手套规格尺寸的测量部位、规格尺寸的测量规定、规格尺寸、表面疵点等项指标。4.2分等规定
4.2.1涂胶防振手套以双为单位,分A级和B级两个等级。内在质量不分等级,外观质量分A、B两个等级,低于B级者为不合格。
4.2.2内在质量符合要求,外观质量为A级定为A级,为B级定为B级。4.3内在质量要求
4.3.1·防振性能应满足表1规定,表1
防振性能要求
试验频率/Hz
其他性能要求见表2。
防振结构层厚度/mm
耐汗渍色牢度/级
耐摩擦色牢度/级
可分解芳香胺染料/(mg/kg)
顶破强力/N
纤维含量(净于含量)/%
灵活性/级
罗口拷边横拉值
4.4外观质量要求
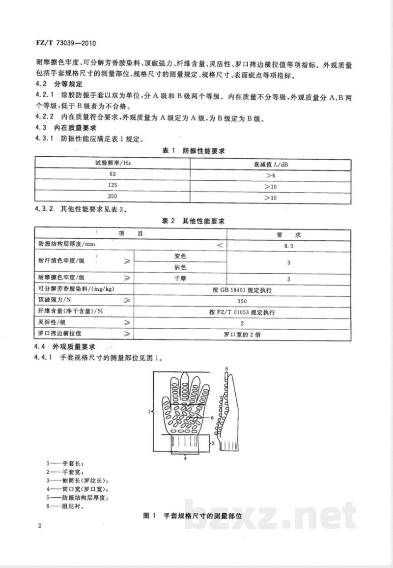
4.4.1手套规格尺寸的测量部位见图1手套长;
手套宽:
袖筒长(罗纹长));
筒口宽(罗口宽);
防振结构层厚度;
阻尼衬。
表2其他性能要求
衰减值L/dB
按GB18401规定执行
按FZ/T01053规定执行
罗口宽的2倍
手套规格尺寸的测量部位
手套规格尺寸的测量规定见表3。手套规格尺寸的测量规定
手套长
手套宽
袖筒长(罗纹长)
简口宽(罗口宽)
防振结构层厚度
手套的规格尺寸见表4。
手套尺寸号码
适用范围
手部尺寸号码6
手部尺寸号码7
手部尺寸号码8
手部尺寸号码9
手部尺寸号码10
手部尺寸号码11
表面疵点见表5。
疵点名称
涂层毛糙
涂层边缘有锯齿形
发粘、裂纹、脱层、破损
罗口大小不一
罗口松紧不一
拷边线头
色花、油污、色渍、沾色
长短不
手套中指尖至筒口(罗口)间的距离FZ/T73039—2010
手套拇指和食指的分叉处向上20mm处周长的二分之手套腕部至筒口(罗口)间的距离手套筒口(罗口)周长的二分之一阻尼衬表面垂直到衬里手套内层的距离手套的规格尺寸
手套长度/mm
手套长度允差/mm
5表面疵点
允许阻尼衬部位有小于1.5mm的
气泡存在,其余部位小于1.5mm
的气泡总数不得超过2个
10mm不超过两个允许
不允许
轻微的允许
轻微的允许
不允许
同一副4mm允许
轻微的允许
允许5mm
轻微的允许
同一副允许4级
同一副允许2.5mm及以内此内容来自标准下载网
允许小花针2个
不允许
修后表面平整允许
手套宽/mm
手套宽允差/mm
3~+5
允许阻尼衬部位有小于2mm的
气泡存在,其余部位小于2mm的
气泡总数不得超过4个
轻微的允许
明显的允许
明显的允许
不允许
同一副6mm允许
明显的允许
允许10mm
明显的允许
同一副允许3-4级
同一副允许2.5mm~5.0mm
允许小花针3个
不允许
FZ/T73039—2010
断橡筋
疵点名称
注1:疵点程度描述:
不允许
不允许
表5(续)
轻微:疵点在直观上不明显,通过仔细辨认才可看到。-明显:不影响总体效果,但能感觉到疵点的存在。显著:破损性疵点和明显影响总体效果的疵点。注2:色差按GB/T250评定。
5试验方法
5.1抽样数量
不允许
不允许
5.1.1外观质量按批分品种、规格随机采样1%~3%,不少于20双。如批量少于20双,则全数检验。5.1.2内在质量按批分品种、规格随机采样5双,不足时可增加取样数量。5.2外观质量检验条件
一般采用灯光检验,用40W青光或白光日光灯一支,上面加灯罩,灯罩与检验台面中心垂直距离为(80士5)cm,或在D65光源下。5.3试验项目
5.3.1防振性能试验
按LD2—1991方法规定执行。
5.3.2防振结构层厚度试验
按FZ/T01003规定执行。取手掌部位的防振结构层进行试验,加压压力(50士0.2)cN,加压时间(10士2)s,压脚直径(50.5士0.2)mm。试样尺寸应大于基准板,取3块试样,试验结果取3块试样厚度的最大值,按GB/T8170修约到一位小数。5.3.3灵活性试验
按GB/T12624-2006中5.3方法规定执行。5.3.4耐汗渍色牢度试验
按GB/T3922规定执行,取未浸胶部位(罗口部位除外)。5.3.5耐摩擦色牢度试验
按GB/T3920规定执行,取未浸胶部位(罗口部位除外)。5.3.6可分解芳香胺染料试验
按GB/T17592规定执行,取未浸胶部位。5.3.7纤维含量试验
按GB/T2910(所有部分)、FZ/T01026、FZ/T01057(所有部分)、FZ/T01095规定执行。5.3.8顶破强力试验
按GB/T19976规定执行,钢球直径为(38土0.02)mm,取未浸胶部位(罗口部位除外)。5.3.9罗口拷边横拉值试验
5.3.9.1将双手的食指放入罗口拷边部位,用力向两边拉,在纱线不被拉断的前提下,用直尺测量罗口拷边的最大宽度。试验数量为5双。5.3.9.2计算方法(按GB/T8170修约到个位):按式(1)计算合格率。A=×100
·(1)
式中:
A—合格率,%;
n-测试合格总只数;
N——测试总只数。
5.3.10色牢度评级
按GB/T250、GB/T251评定。
6判定规则
6.1外观质量
FZ/T73039—2010
6.1.1按品种、规格计算不符品等率,凡不符品等率在5.0%及以内者,判定该批产品合格,凡不符品等率在5.0%以上者,判定该批产品不合格。6.1.2在同一双手套上发现属于不同等级的外观疵点时,按最低等级评定。6.2内在质量
6.2.1罗口拷边横拉值以测试5双手套的合格率达90%及以上为合格,否则判定该项目为不合格。6.2.2内在质量各项指标全部合格判定该批产品合格。6.3复验
6.3.1任何一方对所检验结果有异议时,在规定时间内对所有异议项目,均可要求复验。6.3.2提请复验时,应保留提请复验数量的全部。6.3.3复验时检验数量为初验时数量的2倍,复验的判定规则按本标准6.1、6.2规定执行,判定以复验结果为准。
7标志
7.1按GB/T12624一2006中6.2.1的规定执行,标志应缝制在手套背面筒口(罗口)内侧或外侧,或印在手套背面。
7.2手套的外包装应标注的标志按GB/T12624一2006中6.2.2的规定执行。8包装
手套以双为单位不经折叠平放人软袋中,并将袋口封好,再将软袋平放人硬质包装箱中。每个软袋中应附有产品合格证和说明书。9运输、贮存
9.1手套应贮存在通风、干燥的库房内,避免受潮及日晒,不得与酸、碱、油及腐蚀性物体存放在一起,在运输和贮存时切勿重压。
9.2手套贮存期超过一年,按5.1方法抽取样品数量,按4.3.1、4.3.2和4.4.4规定的项目进行检测,合格方可销售使用。
10使用说明
按GB/T12624—2006中6.3的规定执行。FZ/T73039-2010
打印日期:2010年12月27日F009A中华人民共和国纺织
行业标准
涂胶防振手套
FZ/T73039—2010
中国标准出版社出版发行
北京复兴门外三里河北街16号
邮政编码:100045
网址www.spc.net.cn
电话:6852394668517548
中国标准出版社秦皇岛印刷厂印刷各地新华书店经销
开本880×12301/16
2010年12月第一版
印张0.75
字数11千字
2010年12月第一次印刷
书号:155066·2-21356
如有印装差错
定价16.00元
由本社发行中心调换
版权专有侵权必究
举报电话:(010)68533533
小提示:此标准内容仅展示完整标准里的部分截取内容,若需要完整标准请到上方自行免费下载完整标准文档。
标准图片预览:





- 其它标准
- 热门标准
- 其他行业标准
- QXHS0004S-2016 西峡县华洋食品有限公司 香菇粉制品
- QB/T4181-2011 古琴
- JB/T11222-2011 低速汽车 钢板弹簧可靠性试验方法
- QB/T2513-2013 电光源用玻壳通用技术条件
- FZ/T12058-2017 筒子染色涤纶低弹丝
- JB/T5331-2011 潜油电机用特种聚酰亚胺薄膜绕包铜圆线
- YS/T1050.8-2015 铅锑精矿化学分析方法 第8部分:金量和银量的测定 火试金法
- YS/T524-2011 合成白钨
- YS/T740-2010 氧化铝工业废水苛性碱度测定方法
- QLHM0001S-2016 泸州华明酒业集团有限公司 馥郁型白酒
- DGJ08-1997-2002 膜结构技术规程(附条文说明)
- CAS125-2005 在用机动车排放检测用油加注规范
- HG/T2549-2012 还原橄榄绿5G超细粉
- FZ/T14024-2022 棉与粘胶纤维混纺印染布
- QB/T4085-2010 磺基琥珀酸单酯二钠盐
- 行业新闻
网站备案号:湘ICP备2025141790号-2